К началу документа
Nubira-Lacetti
На предыдущую страницуНа следующую страницу
Главная страница GMDEЗагрузить нединамическое оглавлениеЗагрузить динамическое оглавлениеПомощь

ДИАГНОСТИКА КОДОВ НЕИСПРАВНОСТЕЙ (1,4 л / 1,6 л DOHC)

Очистка диагностических кодов

Примечание: Чтобы избежать повреждения контроллера электронной системы управления двигателем (ЭСУД), при подключении и отключении контроллера ЭСУД (например, провода аккумуляторной батареи, соединительного разъема контроллера ЭСУД, предохранителя контроллера ЭСУД, перемычек и т.д.) ключ должен находится в положении ВЫКЛ. Когда контроллер ЭСУД устанавливает диагностический код неисправности, контрольная лампа индикации неисправности включается только для типов А, В и Е, но диагностические коды неисправности сохраняются в памяти контроллера ЭСУД для всех типов кодов. Если проблема неустойчивая, контрольная лампа индикации неисправности погаснет через 10 секунд после исчезновения неисправности. Диагностический код неисправности сохраняется в памяти контроллера ЭСУД до его очистки сканирующим прибором. Отключение питания на 10 секунд очищает некоторые сохраненные диагностические коды неисправности.

Диагностические коды неисправности должны быть очищены после завершения ремонта. Некоторые диагностические таблицы предусматривают очистку кодов перед использованием таблиц. Это позволяет контроллеру ЭСУД устанавливать диагностические коды неисправности, отрабатывая таблицу, что помогает быстрее обнаружить причину проблемы.

Диагностические коды неисправностей (1,4 л / 1,6 л dohc)

dtc
НАЗНАЧЕНИЕ
Тип ошибки
Контрольная лампа индикации неисправности горит
p0030
НО2s (датчик 1) Не работает цепь нагревателя
Е
да
p0036
НО2s (датчик 2) Не работает цепь нагревателя
Е
да
p0107
Датчик абсолютного давления в коллекторе, низкий уровень сигнала
a
да
p0108
Датчик абсолютного давления в коллекторе, высокий уровень сигнала
a
да
p0112
Датчик температуры впускного воздуха, низкий уровень сигнала
Е
да
p0113
Датчик температуры впускного воздуха, высокий уровень сигнала
Е
да
p0117
Датчик температуры охлаждающей жидкости, низкий уровень сигнала
a
да
p0118
Датчик температуры охлаждающей жидкости, высокий уровень сигнала
a
да
p0122
Датчик положения дроссельной заслонки, низкий уровень сигнала
a
да
p0123
Датчик положения дроссельной заслонки, высокий уровень сигнала
a
да
p0131
ho2s (датчик 1) Низкий уровень сигнала
a
да
p0132
ho2s (датчик 1) Высокий уровень сигнала
a
да
p0133
ho2s (датчик 1) Низкая работоспособность
Е
да
p0137
ho2s (датчик 2) Низкий уровень сигнала
Е
да
p0138
ho2s (датчик 2) Высокий уровень сигнала
Е
да
p0140
ho2s (датчик 2) Сбой в цепи или сигнала
Е
да
p0171
Система корректировки топливоподачи, смесь слишком бедная
Е
да
p0172
Система корректировки топливоподачи, смесь слишком богатая
Е
да
p0222
Привод регулятора холостого хода дроссельной заслонки, низкое напряжение в цепи
Е
да
p0223
Привод регулятора холостого хода дроссельной заслонки, высокое напряжение в цепи
Е
да
p0261
Форсунка 1-го цилиндра, низкий уровень сигнала цепи управления
a
да
p0262
Форсунка 1-го цилиндра, высокий уровень сигнала цепи управления
a
да
p0264
Форсунка 2-го цилиндра, низкий уровень сигнала цепи управления
a
да
p0265
Форсунка 2-го цилиндра, высокий уровень сигнала цепи управления
a
да
p0267
Форсунка 3-го цилиндра, низкий уровень сигнала цепи управления
a
да
p0268
Форсунка 3-го цилиндра, высокий уровень сигнала цепи управления
a
да
p0270
Форсунка 4-го цилиндра, низкий уровень сигнала цепи управления
a
да
p0271
Форсунка 4-го цилиндра, высокий уровень сигнала цепи управления
a
да
p0300
Обнаружены множественные пропуски воспламенения
Е
да
p0327
Датчик детонации, неисправность цепи
cnl
НЕТ
p0335
Датчик положения коленчатого вала, неисправность цепи
Е
да
p0336
Ошибка импульса датчика положения коленчатого вала
Е
да
p0337
Датчик положения коленчатого вала, нет сигнала
Е
да
p0341
Датчик положения распределительного вала, выход сигнала из допустимого диапазона
Е
да
p0342
Датчик положения распределительного вала, отсутствует сигнал
Е
да
p0351
Неисправность цепи 1 и 4 управления зажиганием
a
да
p0352
Неисправность цепи 2 и 3 управления зажиганием
a
да
p0400
Рециркуляция отработавших газов, выход за пределы регулирования
Е
да
p0401
Рециркуляция отработавших газов, клапан рециркуляции заблокирован
Е
да
p0403
Неисправность цепи клапана рециркуляции отработавших газов
Е
да
p0404
Рециркуляция отработавших газов, клапан рециркуляции неисправен
Е
да
p0405
Низкий уровень сигнала или обрыв в цепи обратной связи системы рециркуляции отработавших газов
Е
да
p0406
Высокий уровень сигнала или обрыв проводов в цепи обратной связи системы рециркуляции отработавших газов
Е
да
p0420
Низкая эффективность работы нейтрализатора
Е
да
p0444
Цепь клапана продувки адсорбера, отсутствует сигнал
Е
да
p0445
Неисправность цепи клапана продувки адсорбера
Е
да
p0462
Датчик уровня топлива, низкое напряжение
cnl
НЕТ
p0463
Датчик уровня топлива, высокое напряжение
cnl
НЕТ
p0480
Неисправность цепи реле низких оборотов вентилятора системы охлаждения
Е
да
p0481
Высокий уровень сигнала реле высоких оборотов вентилятора системы охлаждения
Е
да
p0501
Отсутствует сигнал скорости автомобиля (только с МКПП)
a
да
p0510
Неисправность цепи переключателя положения дроссельной заслонки
Е
да
p0562
Пониженное напряжение системы
cnl
НЕТ
p0563
Повышенное напряжение системы
cnl
НЕТ
p0601
Контроллер ЭСУД, ошибка контрольной суммы
Е
да
p0604
Ошибка ОЗУ контроллера ЭСУД
Е
да
p0605
Ошибка записи контроллера электронной системы управления двигателем
Е
да
p0628
Реле бензонасоса, низкое напряжение в цепи
cnl
НЕТ
p0629
Реле бензонасоса, высокое напряжение в цепи
cnl
НЕТ
p0646
Реле компрессора кондиционера, низкое напряжение в цепи
cnl
НЕТ
p0647
Реле компрессора кондиционера, высокое напряжение в цепи
cnl
НЕТ
p0650
Лампа индикации неисправности, низкое напряжение в цепи
Е
да
p0656
Неисправность цепи выходного сигнала уровня топлива
cnl
НЕТ
p0661
Соленоид привода заслонок впускного коллектора переменной длины, низкое напряжение в цепи
a
да
p0662
Соленоид привода заслонок впускного коллектора переменной длины, высокое напряжение в цепи
a
да
p0700
Общая неисправность контроллера КПП, нарушение работы коробки передач (только автоматической)
a
да
p1390
Неисправность цепи датчика неровной дороги (только 0.8S)
cnl
НЕТ
p1396
Датчик неровной дороги АБС, неверные данные
cnl
НЕТ
p1504
Отсутствует сигнал скорости автомобиля (только с АКПП)
a
да
p1610
Главное реле, высокое напряжение в цепи
cnl
НЕТ
p1611
Главное реле, низкое напряжение в цепи
cnl
НЕТ
p1628
Не устанавливается связь с иммобилизатором
cnl
НЕТ
p1629
Неправильное вычисление иммобилизатора
cnl
НЕТ
p1650
Лампа индикации неисправности, высокое напряжение в цепи
Е
да
p2101
Неисправность цепи привода заряда на холостом ходу
Е
да
p2118
Механическая ошибка привода заряда на холостом ходу
Е
да
p2119
Функциональная ошибка регулятора холостого хода
Е
да
u0101
Отсутствует сообщение контроллера КПП (только автоматической)
Е
да

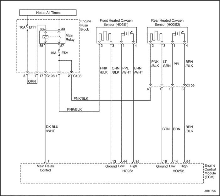
J6B11F32
Показать иллюстрациюПеревод текста в иллюстрациях


Диагностический код неисправности (dtc)

Р0030 Н02s (датчик 1) Не работает цепь нагревателя

Р0036 Н02s (датчик 2) Не работает цепь нагревателя

Описание схемы

Датчики кислорода с электронагревателем используются для контроля топлива и контроля после нейтрализатора. Каждый датчик HO2S сравнивает содержание кислорода в окружающем воздухе с содержанием кислорода в отработавших газах. При первом запуске двигателя контроллер ЭСУД работает в режиме управления без обратной связи, игнорируя уровень сигнала HO2S при расчете соотношения воздуха и топлива. Контроллер ЭСУД снабжает датчик HO2S уровнем контрольного сигнала около 0,45 В. Датчик HO2S генерирует уровень сигнала в пределах 0~1В, который при работе в замкнутом контуре колеблется выше и ниже напряжения смещения. Высокий уровень выходного сигнала датчика HO2S указывает на насыщенную топливную смесь. Низкий уровень выходного сигнала датчика HO2S указывает на обедненную топливную смесь. Нагревательные элементы в датчике HO2S сводят к минимуму время, необходимое для достижения датчиками рабочей температуры и последующей передачи точного сигнала напряжения. Контроллер ЭСУД контролирует цепь управления сигналами низкого уровня нагревателя HO2S с помощью управляющего устройства в цепи с низким уровнем сигнала. Система диагностики нагревателя HO2S контролирует пропускание тока через управляющее устройство в цепи с низким уровнем сигнала датчика HO2S во время работы двигателя. При обнаружении контроллером ЭСУД превышения заданного уровня тока цепи управления с низким уровнем сигнала нагревателя HO2S происходит установка кода DTC.

Условия появления кода dtc

Условия установки кода неисправности

Действия, выполняемые при установке кода неисправности

Условия очистки кода неисправности/индикации неисправности

Диагностическая информация

Числа, приведенные ниже, относятся к номерам операции в диагностической таблице:
  1. На этом этапе проводится проверка цепи управления нагревателя на наличие высокого сопротивления. Если напряжение выше указанного, необходимо проверить цепь на наличие высокого сопротивления.

dtc Р0030 - Н02s (датчик 1) Не работает цепь нагревателя

dtc Р0036 - Н02s (датчик 2) Не работает цепь нагревателя

ШагОперацияЗначенияДаНет
1
Провести проверку системы диагностики.
Проверка системы завершена?
-
Перейти к операции 2
Перейти к пункту "Проверка диагностической системы".
2
  1. Запустите двигатель.
  2. Дать двигателю прогреться до нормальной рабочей температуры.
  3. Проверить данные о dtc сканирующим прибором.
Код dtc показал пропуск зажигания?
-
Перейти к операции 4
Перейти к операции 3
3
  1. Изучить зарегистрированные данные о сбое для данного кода dtc.
  2. Выключить зажигание на 30 секунд.
  3. Запустите двигатель.
  4. Создать для автомобиля условия появления кода dtc. Можно также создать для автомобиля условия, которые наблюдались на основе зарегистрированных данных о нарушении работы.
Код dtc показал пропуск зажигания?
-
Перейти к операции 4
См. Непостоянные неисправности"
4
  1. Выключить зажигание.
  2. Отсоединить предохранитель, через который подается напряжение от аккумулятора к нагревателю датчика кислорода (ho2s).
  3. Отсоединить разъем жгута проводов от подверженного нарушениям датчика ho2s.
  4. Измерить сопротивление цепи напряжения аккумулятора нагревателя ho2s от вывода предохранителя до вывода разъема жгута проводов нагревателя ho2s.
Находится ли сопротивление ниже указанного значения?
3 Ом
Перейти к операции 5
Перейти к операции 9
5
  1. Запустите двигатель.
  2. Проверить контрольной лампой, подключенной к положительному выводу аккумулятора, цепь управления нагревателя ho2s.
  3. Измерить напряжение от точки подключения контрольной лампы до точки заземления.
Напряжение меньше указанного значения?
0,3 В
Перейти к операции 7
Перейти к операции 6
6
Проверить на наличие высокого сопротивления цепь управления нагревателя ho2s.
Неисправность обнаружена и устранена?
-
Перейти к операции 12
Перейти к операции 8
7
Проверить, нет ли замыкания на клеммах или ненадежного соединения у датчика ho2s.
Неисправность обнаружена и устранена?
-
Перейти к операции 12
Перейти к операции 10
8
Проверить, нет ли замыкания на клеммах или ненадежного соединения у контроллера электронной системы управления двигателем (ЭСУД).
Неисправность обнаружена и устранена?
-
Перейти к операции 12
Перейти к операции 11
9
Устранить высокое сопротивление в цепи напряжения аккумулятора нагревателя ho2s.
Ремонт завершен?
-
Перейти к операции 12
-
10
Заменить соответствующий датчик ho2s.
Замена произведена?
-
Перейти к операции 12
-
11
Заменить контроллер ЭСУД.
Замена произведена?
-
Перейти к операции 12
-
12
  1. Сканирующим прибором сбросить коды dtc.
  2. Выключить зажигание на 30 секунд.
  3. Запустите двигатель.
  4. Создать для автомобиля условия появления кода dtc. Можно также создать для автомобиля условия, которые наблюдались на основе зарегистрированных данных о нарушении работы.
Код dtc показал пропуск зажигания?
-
Перейти к операции 2
Перейти к операции 13
13
Проверьте, не установлены ли дополнительные диагностические коды неисправности.
Если ли коды dtc, которые еще не были продиагностированы?
-
Перейти к соответствующей таблице диагностических кодов неисправности
Система в норме

J3B11F28
Показать иллюстрациюПеревод текста в иллюстрациях


Диагностический код неисправности (dtc)

Р0107 Датчик абсолютного давления в коллекторе, низкий уровень сигнала

Р0108 Датчик абсолютного давления в коллекторе, высокий уровень сигнала

Описание схемы

Контроллер электронной системы управления двигателем (ЭСУД) использует датчик абсолютного давления в коллекторе (МАР) для управления подачей топлива и моментом зажигания. Датчик MAP измеряет изменения давления во впускном коллекторе, связанные с изменением нагрузки на двигатель (разряжение во впускном коллекторе) и изменением частоты вращения и конвертирует эти изменения в выходные сигналы. Контроллер ЭСУД подает контрольный сигнал 5 В на датчик МАР. При изменении давления коллектора выходной сигнал датчика MAP также изменяется. Контролируя выходные сигналы датчика МАР, контроллер ЭСУД определяет давление в коллекторе. Выходные сигналы низкого давления (низкий уровень сигнала) будут составлять примерно 1,0 - 1,5 В на холостом ходу, в то время как выходные сигналы высокого давления (высокий уровень сигнала) будут составлять примерно 4,5 - 4.8 В при полностью открытой дроссельной заслонке (WOT). Датчик МАР показывает барометрическое давление, позволяя контроллеру ЭСУД производить корректировку для различных высот.

Условия появления кода dtc

(p0107)
или
(p0108)

Условия установки кода неисправности

(p0107)
(p0108)

Действия, выполняемые при установке кода неисправности

Условия очистки кода неисправности/индикации неисправности

Диагностическая информация

При включенном зажигании и остановленном двигателе, давление в коллекторе равно атмосферному и напряжение сигнала высокое.
Контроллер ЭСУД использует эту информацию как показатель высоты. Сравнение этого показателя с показателем того же датчика на исправном автомобиле позволяет проверить точность сомнительного датчика. Показания должны быть одинаковыми ± 0,4 В.
Если этот код DTC неустойчив, см. "Проверка абсолютного давления в коллекторе" в данном разделе для последующей диагностики.
Если соединения в норме, обратить внимание на уровень сигнала датчика абсолютного давления в коллекторе, двигая соответствующие разъемы и жгуты проводов. Если неисправность имеется, показания сканирующего прибора изменятся. Это поможет локализовать место неустойчивой неисправности.

dtc p0107 - Датчик абсолютного давления в коллекторе, низкий уровень сигнала

dtc p0108 - Датчик абсолютного давления в коллекторе, высокий уровень сигнала

ШагОперацияЗначенияДаНет
1
Провести проверку системы диагностики.
Проверка системы завершена?
-
Перейти к операции 2
Перейти к пункту "Проверка диагностической системы".
2
  1. Подключить сканирующий прибор к колодке диагностики.
  2. Включить зажигание.
Сканирующий прибор показывает уровень сигнала датчика абсолютного давления в коллекторе выше установленного значения?
4 В
Перейти к операции 3
Перейти к операции 4
3
  1. Отсоединить датчик МАР.
  2. Создать для датчика МАР разрежение на уровне 68 кПа (20 дюймов ртутного столба).
Сканирующий прибор показывает уровень сигнала датчика абсолютного давления в коллекторе в пределах установленного значения?
1,0-1,5 В
Перейти к "Диагностическая информация"
Перейти к операции 4
4
  1. Повернуть ключ зажигания в положение блокировки.
  2. Отсоединить разъем датчика МАР.
  3. Включить зажигание.
  4. Измерить уровень сигнала между клеммами А и С разъема датчика map.
Измеренный уровень сигнала в пределах установленного значения?
4,5-5,5 В
Перейти к операции 5
Перейти к операции 6
5
Присоединить предохранительную перемычку между клеммами В и С разъема датчика map.
Сканирующий прибор показывает уровень сигнала датчика абсолютного давления в коллекторе выше установленного значения?
4 В
Перейти к операции 11
Перейти к операции 9
6
Измерить уровень сигнала между клеммой А разъема датчика map и массой.
Измеренный уровень сигнала в пределах установленного значения?
4,5-5,5 В
Перейти к операции 7
Перейти к операции 8
7
  1. Повернуть ключ зажигания в положение блокировки.
  2. Проверить, нет ли обрыва, замыкания на массу или на аккумулятор в проводе между клеммой А разъема датчика абсолютного давления в коллекторе и клеммой 13 разъема контроллера ЭСУД.
Проблема найдена?
-
Перейти к операции 10
Перейти к операции 12
8
  1. Повернуть ключ зажигания в положение блокировки.
  2. Проверить, нет ли обрыва, замыкания на массу или на аккумулятор в проводе между клеммой c разъема датчика абсолютного давления в коллекторе и клеммой 50 разъема контроллера ЭСУД.
Проблема найдена?
-
Перейти к операции 10
Перейти к операции 12
9
  1. Повернуть ключ зажигания в положение блокировки.
  2. Проверить, нет ли обрыва, замыкания на массу или на аккумулятор в проводе между клеммой В разъема датчика абсолютного давления в коллекторе и клеммой 75 разъема контроллера ЭСУД.
Проблема найдена?
-
Перейти к операции 10
Перейти к операции 12
10
  1. Отремонтировать провод или клемму разъема, если необходимо.
  2. Очистить все диагностические коды неисправности в контроллере ЭСУД.
  3. Провести проверку системы диагностики.
Закончен ли ремонт?
-
Система в норме
-
11
  1. Заменить датчик абсолютного давления в коллекторе (МАР).
  2. Очистить все диагностические коды неисправности в контроллере ЭСУД.
  3. Провести проверку системы диагностики.
Замена закончена?
-
Система в норме
-
12
Заменить контроллер ЭСУД.
Замена закончена?
-
Перейти к операции 13
Перейти к операции 2
13
Проверьте, не установлены ли дополнительные диагностические коды неисправности.
Отображены ли диагностические коды неисправности, которые не были продиагностированы?
-
Перейти к соответствующей таблице диагностических кодов неисправности
Система в норме

J3B11F51
Показать иллюстрациюПеревод текста в иллюстрациях


Диагностический код неисправности p0112

Датчик температуры впускного воздуха, низкий уровень сигнала

Описание схемы

Датчик температуры впускного воздуха (IAT) использует термистор для управления уровнем сигнала на контроллер ЭСУД. Контроллер электронной системы управления двигателем (ЭСУД) подает контрольный сигнал 5 В и сигнал массы на датчик. При холодном воздухе сопротивление высоко, поэтому сигнал датчика температуры впускного воздуха будет высоким. При теплом впускном воздухе сопротивление низкое, поэтому сигнал датчика температуры впускного воздуха будет низким.

Условия появления кода dtc

Условия установки кода неисправности

Действия, выполняемые при установке кода неисправности

Условия очистки кода неисправности/индикации неисправности

Диагностическая информация

dtc p0112 - Датчик температуры впускного воздуха, низкий уровень сигнала

ШагОперацияЗначенияДаНет
1
Провести проверку системы диагностики.
Проверка системы завершена?
-
Перейти к операции 2
Перейти к пункту "Проверка диагностической системы".
2
  1. Подключить сканирующий прибор к колодке диагностики.
  2. Запустить двигатель и дать ему нагреться до рабочей температуры.
Сканирующий прибор показывает уровень сигнала датчика iat в пределах установленного значения?
15~80°С (60-176°f)
Перейти к "Диагностическая информация"
Перейти к операции 3
3
  1. Повернуть ключ зажигания в положение блокировки.
  2. Отсоединить разъем датчика iat.
  3. Включить зажигание.
Сканирующий прибор показывает уровень сигнала датчика iat ниже установленного значения?
-30°С (-22°f)
Перейти к операции 4
Перейти к операции 5
4
Проверить надежность соединения датчика iat и клемм разъемов.
Проблема найдена?
-
Перейти к операции 7
Перейти к операции 6
5
Проверить, нет ли замыкания на массу в проводе между клеммой 1 разъема датчика iat и клеммой 78 разъема контроллера ЭСУД.
Проблема найдена?
-
Перейти к операции 7
Перейти к операции 6
6
Проверить, нет ли замыкания на цепь контрольного напряжения 5В в проводе между клеммой 2 разъема датчика iat и клеммой 13 разъема контроллера ЭСУД.
Проблема найдена?
-
Перейти к операции 7
Перейти к операции 9
7
  1. Повернуть ключ зажигания в положение блокировки.
  2. Отремонтировать провод или клемму разъема, если необходимо.
  3. Очистить все диагностические коды неисправности в контроллере ЭСУД.
  4. Запустить двигатель и дать ему нагреться до рабочей температуры.
  5. Провести проверку системы диагностики.
Закончен ли ремонт?
-
Система в норме
-
8
  1. Повернуть ключ зажигания в положение блокировки.
  2. Заменить датчик iat.
  3. Очистить все диагностические коды неисправности в контроллере ЭСУД.
  4. Запустить двигатель и дать ему нагреться до рабочей температуры.
  5. Провести проверку системы диагностики.
Закончен ли ремонт?
-
Система в норме
-
9
  1. Повернуть ключ зажигания в положение блокировки.
  2. Заменить контроллер ЭСУД.
  3. Запустить двигатель и дать ему нагреться до рабочей температуры.
  4. Провести проверку системы диагностики.
Закончен ли ремонт?
-
Перейти к операции 10
-
10
Проверьте, не установлены ли дополнительные диагностические коды неисправности.
Отображены ли диагностические коды неисправности, которые не были продиагностированы?
-
Перейти к соответствующей таблице диагностических кодов неисправности
Система в норме

J3B11F51
Показать иллюстрациюПеревод текста в иллюстрациях


Диагностический код неисправности p0113

Датчик температуры впускного воздуха, высокий уровень сигнала

Описание схемы

Датчик температуры впускного воздуха (IAT) использует термистор для управления уровнем сигнала на контроллер ЭСУД. Контроллер электронной системы управления двигателем (ЭСУД) подает контрольный сигнал 5 В и сигнал массы на датчик. При холодном воздухе сопротивление высоко, поэтому сигнал датчика температуры впускного воздуха будет высоким. При теплом впускном воздухе сопротивление низкое, поэтому сигнал датчика температуры впускного воздуха будет низким.

Условия появления кода dtc

Условия установки кода неисправности

Действия, выполняемые при установке кода неисправности

Условия очистки кода неисправности/индикации неисправности

Диагностическая информация

dtc p0113 - Датчик температуры впускного воздуха, высокий уровень сигнала

ШагОперацияЗначенияДаНет
1
Провести проверку системы диагностики.
Проверка системы завершена?
-
Перейти к операции 2
Перейти к пункту "Проверка диагностической системы".
2
  1. Подключить сканирующий прибор к колодке диагностики.
  2. Запустить двигатель и дать ему нагреться до рабочей температуры.
Сканирующий прибор показывает уровень сигнала датчика температуры впускного воздуха iat в пределах установленного значения?
15~80°С (60-176°f)
Перейти к "Диагностическая информация"
Перейти к операции 3
3
  1. Повернуть ключ зажигания в положение блокировки.
  2. Отсоединить разъем датчика iat.
  3. Соединить перемычкой клемму 1 и 2 разъема датчика iat.
  4. Включить зажигание.
Сканирующий прибор показывает уровень сигнала датчика iat выше установленного значения?
120°С (248°f)
Перейти к операции 4
Перейти к операции 5
4
Проверить надежность соединения датчика iat и клемм разъемов.
Проблема найдена?
-
Перейти к операции 10
Перейти к операции 9
5
Измерить уровень сигнала между клеммой 1 и 2 разъема датчика iat.
Измеренный уровень сигнала в пределах установленного значения?
4,5~5,5 В
Перейти к операции 11
Перейти к операции 6
6
Измерить уровень сигнала между клеммой 1 разъема датчика iat и массой.
Измеренный уровень сигнала в пределах установленного значения?
4,5~5,5 В
Перейти к операции 7
Перейти к операции 8
7
  1. Повернуть ключ зажигания в положение блокировки.
  2. Проверить обрыв цепи или замыкание на питание аккумуляторной батареи в проводе между клеммой 2 разъема датчика iat и клеммой 13 разъема контроллера ЭСУД.
Проблема найдена?
-
Перейти к операции 10
Перейти к операции 11
8
  1. Повернуть ключ зажигания в положение блокировки.
  2. Проверить обрыв цепи или замыкание на питание аккумуляторной батареи в проводе между клеммой 1 разъема датчика iat и клеммой 78 разъема контроллера ЭСУД.
Проблема найдена?
-
Перейти к операции 10
Перейти к операции 11
9
  1. Повернуть ключ зажигания в положение блокировки.
  2. Заменить датчик iat.
  3. Очистить все диагностические коды неисправности в контроллере ЭСУД.
  4. Провести проверку системы диагностики.
Закончен ли ремонт?
-
Система в норме
-
10
  1. Повернуть ключ зажигания в положение блокировки.
  2. Устранить неисправность в проводе или клеммах разъема, если необходимо.
  3. Очистить все диагностические коды неисправности в контроллере ЭСУД.
  4. Провести проверку системы диагностики.
Закончен ли ремонт?
-
Система в норме
-
11
  1. Заменить контроллер ЭСУД.
  2. Провести проверку системы диагностики.
Закончен ли ремонт?
-
Перейти к операции 12
-
12
Проверьте, не установлены ли дополнительные диагностические коды неисправности.
Отображены ли диагностические коды неисправности, которые не были продиагностированы?
-
Перейти к соответствующей таблице диагностических кодов неисправности
Система в норме

J3B11F52
Показать иллюстрациюПеревод текста в иллюстрациях


Диагностический код неисправности p0117

Датчик температуры охлаждающей жидкости, низкий уровень сигнала

Описание схемы

В датчике температуры охлаждающей жидкости двигателя (ECT) используется термистор для управления уровнем сигнала, подаваемого на контроллер ЭСУД.
Контроллер ЭСУД подает сигнал на сигнальную цепь датчика. При холодном воздухе сопротивление высоко, поэтому сигнал датчика температуры впускного воздуха будет высоким.
При нагреве двигателе сопротивление датчика понижается и напряжение падает. При нормальной рабочей температуре двигателя напряжение на сигнальной клемме ЕСТ будет между 1,5 и 2,0 В.
Датчик ECT используется для следующих целей:

Условия появления кода dtc

Условия установки кода неисправности

Действия, выполняемые при установке кода неисправности

Условия очистки кода неисправности/индикации неисправности

Диагностическая информация

После запуска двигателя температура охлаждающей жидкости двигателя должна плавно увеличиться примерно до 90°C (194°F), а затем стабилизироваться при открытии термостата.
Использовать значения таблицы зависимости сопротивления от температуры для определения неверно работающего датчика. См. "Зависимость сопротивления от температуры" в этом разделе.

dtc p0117- Датчик температуры охлаждающей жидкости, низкий уровень сигнала

ШагОперацияЗначенияДаНет
1
Провести проверку системы диагностики.
Проверка системы завершена?
-
Перейти к операции 2
Перейти к пункту "Проверка диагностической системы".
2
  1. Подключить сканирующий прибор к колодке диагностики.
  2. Запустить двигатель и дать ему нагреться до рабочей температуры.
Сканирующий прибор показывает уровень сигнала датчика ЕСТ в пределах установленного значения?
80~110°С (176~230°f)
Перейти к "Диагностическая информация"
Перейти к операции 3
3
  1. Повернуть ключ зажигания в положение блокировки.
  2. Отсоединить разъем датчика ect.
  3. Включить зажигание.
Сканирующий прибор показывает уровень сигнала датчика ЕСТ ниже установленного значения?
-30°С (-22°f)
Перейти к операции 4
Перейти к операции 5
4
Проверить надежность соединения датчика ЕСТ и клемм разъема.
Проблема найдена?
-
Перейти к операции 7
Перейти к операции 6
5
Проверить, нет ли замыкания на массу в проводе между клеммой 1 разъема датчика ect и клеммой 76 разъема контроллера ЭСУД.
Проблема найдена?
-
Перейти к операции 7
Перейти к операции 6
6
Проверить обрыв на цепь опорного напряжения 5 В на участке между клеммой 2 разъема датчика ect и клеммой 19 разъема контроллера ЭСУД.
Проблема найдена?
-
Перейти к операции 7
Перейти к операции 9
7
  1. Повернуть ключ зажигания в положение блокировки.
  2. Отремонтировать провод или клемму разъема, если необходимо.
  3. Очистить все диагностические коды неисправности в контроллере ЭСУД.
  4. Запустить двигатель и дать ему нагреться до рабочей температуры.
  5. Провести проверку системы диагностики.
Закончен ли ремонт?
-
Система в норме
-
8
  1. Повернуть ключ зажигания в положение блокировки.
  2. Заменить датчик ect.
  3. Очистить все диагностические коды неисправности в контроллере ЭСУД.
  4. Запустить двигатель и дать ему нагреться до рабочей температуры.
  5. Провести проверку системы диагностики.
Закончен ли ремонт?
-
Система в норме
-
9
  1. Повернуть ключ зажигания в положение блокировки.
  2. Заменить контроллер ЭСУД.
  3. Запустить двигатель и дать ему нагреться до рабочей температуры.
  4. Провести проверку системы диагностики.
Закончен ли ремонт?
-
Перейти к операции 10
-
10
Проверьте, не установлены ли дополнительные диагностические коды неисправности.
Отображены ли диагностические коды неисправности, которые не были продиагностированы?
-
Перейти к соответствующей таблице диагностических кодов неисправности
Система в норме

J3B11F52
Показать иллюстрациюПеревод текста в иллюстрациях


Диагностический код неисправности p0118

Датчик температуры охлаждающей жидкости, высокий уровень сигнала

Описание схемы

В датчике температуры охлаждающей жидкости двигателя (ECT) используется термистор для управления уровнем сигнала, подаваемого на контроллер ЭСУД.
Контроллер ЭСУД подает сигнал на сигнальную цепь датчика. При холодном воздухе сопротивление высоко, поэтому сигнал датчика температуры охлаждающей жидкости двигателя будет высоким.
При нагреве двигателе сопротивление датчика понижается и напряжение падает. При нормальной рабочей температуре двигателя напряжение на сигнальной клемме ЕСТ будет между 1,5 и 2,0 В.
Датчик ECT используется для следующих целей:

Условия появления кода dtc

Условия установки кода неисправности

Действия, выполняемые при установке кода неисправности

Условия очистки кода неисправности/индикации неисправности

Диагностическая информация

После запуска двигателя температура охлаждающей жидкости двигателя должна плавно увеличиться примерно до 90°C (194°F), а затем стабилизироваться при открытии термостата.
Использовать значения таблицы зависимости сопротивления от температуры для определения неверно работающего датчика. См. "Зависимость сопротивления от температуры" в этом разделе.

dtc p0118 - Датчик температуры охлаждающей жидкости, высокий уровень сигнала

ШагОперацияЗначенияДаНет
1
Провести проверку системы диагностики.
Проверка системы завершена?
-
Перейти к операции 2
Перейти к пункту "Проверка диагностической системы".
2
  1. Подключить сканирующий прибор к колодке диагностики.
  2. Запустить двигатель и дать ему нагреться до рабочей температуры.
Сканирующий прибор показывает уровень сигнала датчика ЕСТ в пределах установленного значения?
80~110°С (176~230°f)
Перейти к "Диагностическая информация"
Перейти к операции 3
3
  1. Повернуть ключ зажигания в положение блокировки.
  2. Отсоединить разъем датчика ect.
  3. Соединить перемычкой клемму 1 и 2 разъема датчика ЕСТ.
  4. Включить зажигание.
Сканирующий прибор показывает уровень сигнала датчика ЕСТ выше установленного значения?
120°С (248°f)
Перейти к операции 4
Перейти к операции 5
4
Проверить надежность соединения датчика ЕСТ и клемм разъема.
Проблема найдена?
-
Перейти к операции 10
Перейти к операции 9
5
Измерить уровень сигнала между клеммой 1 и 2 разъема датчика ЕСТ.
Измеренный уровень сигнала в пределах установленного значения?
4,5~5,5 В
Перейти к операции 11
Перейти к операции 6
6
Измерить уровень сигнала между клеммой 1 и массой разъема датчика ЕСТ.
Измеренный уровень сигнала в пределах установленного значения?
4,5~5,5 В
Перейти к операции 7
Перейти к операции 8
7
  1. Повернуть ключ зажигания в положение блокировки.
  2. Проверить обрыв цепи или замыкание на питание аккумуляторной батареи в проводе между клеммой 2 разъема датчика ЕСТ и клеммой 19 разъема контроллера ЭСУД.
Проблема найдена?
-
Перейти к операции 10
Перейти к операции 11
8
  1. Повернуть ключ зажигания в положение блокировки.
  2. Проверить обрыв цепи или замыкание на питание аккумуляторной батареи в проводе между клеммой 1 разъема датчика ЕСТ и клеммой 76 разъема контроллера ЭСУД.
Проблема найдена?
-
Перейти к операции 10
Перейти к операции 11
9
  1. Повернуть ключ зажигания в положение блокировки.
  2. Заменить датчик ect.
  3. Очистить все диагностические коды неисправности в контроллере ЭСУД.
  4. Провести проверку системы диагностики.
Закончен ли ремонт?
-
Система в норме
-
10
  1. Повернуть ключ зажигания в положение блокировки.
  2. Устранить неисправность в проводе или клеммах разъема, если необходимо.
  3. Очистить все диагностические коды неисправности в контроллере ЭСУД.
  4. Провести проверку системы диагностики.
Закончен ли ремонт?
-
Система в норме
-
11
  1. Заменить контроллер ЭСУД.
  2. Провести проверку системы диагностики.
Закончен ли ремонт?
-
Перейти к операции 12
-
12
Проверьте, не установлены ли дополнительные диагностические коды неисправности.
Отображены ли диагностические коды неисправности, которые не были продиагностированы?
-
Перейти к соответствующей таблице диагностических кодов неисправности
Система в норме

J3B11F30
Показать иллюстрациюПеревод текста в иллюстрациях


Диагностический код неисправности p0122

Датчик положения дроссельной заслонки, низкий уровень сигнала

Описание схемы

Контроллер ЭСУД выдает на датчик положения дроссельной заслонки опорный сигнал 5 В и служит ему "массой". Датчик положения дроссельной заслонки посылает сигнал назад в контроллер ЭСУД относительно степени открытия заслонки. Сигнал будет варьироваться от приблизительно 0,33 В при закрытой заслонке до 4,3 В при полностью открытой заслонке.
Сигнал датчика положения дроссельной заслонки используется контроллером ЭСУД для управления топливоподачей, а также для большинства контролируемых выходов ЭСУД. Сигнал датчика положения дроссельной заслонки является одним из важнейших входов, используемых контроллером ЭСУД для управления топливоподачей, а также для большинства контролируемых выходов ЭСУД.

Условия появления кода dtc

Условия установки кода неисправности

Действия, выполняемые при установке кода неисправности

Условия очистки кода неисправности/индикации неисправности

Описание проверки

Числа, приведенные ниже, относятся к номерам операции в диагностической таблице:
  1. Если код DTC не может быть продублирован, полезной может оказаться информация записи состояния неисправностей. С помощью сканирующего прибора определить состояние кода DTC. Если код DTC неустойчив, это нарушение можно устранить, обратившись к разделу "Непостоянные неисправности".
  2. На этом этапе устанавливается наличие замыкания на массу или обрыва в цепях.
  3. Цепи контрольного сигнала напряжением 5В в контроллере подключены внутри и снаружи. Для других датчиков, подключенных к цепи контрольного сигнала напряжением 5В, также могут устанавливаться коды DTC. Имеющий замыкание датчик можно изолировать, отсоединив датчик от совместно используемой цепи контрольного сигнала напряжением 5В. Свериться со схемой электрических соединений и провести диагностику совместно используемых цепей и датчиков.
  4. Контроллер ЭСУД и/или датчик положения дроссельной заслонки могут повредиться, если контрольная цепь с низким уровнем сигнала закорачивается на положительный провод аккумулятора.

dtc p0122 - Датчик положения дроссельной заслонки, низкий уровень сигнала

ШагОперацияЗначенияДаНет
1
Провести проверку системы диагностики.
Проверка системы завершена?
-
Перейти к операции 2
Перейти к пункту "Проверка диагностической системы".
2
  1. Включить зажигание при заглушенном двигателе.
  2. Выжать педаль газа для установления широкого угла открытия дроссельной заслонки (wot), контролируя угол ее открытия (ТР) по сканирующему прибору.
Угол открытия по датчику положения дроссельной заслонки увеличивается от уровня ниже первого указанного значения до уровня выше второго указанного значения?
15%
85%
Перейти к операции 3
Перейти к операции 4
3
  1. Изучить зарегистрированные данные о сбое для данного кода dtc.
  2. Выключить зажигание на 30 секунд.
  3. Запустите двигатель.
  4. Создать для автомобиля условия появления кода dtc. Можно также создать для автомобиля условия, которые наблюдались на основе зарегистрированных данных о нарушении работы.
Код dtc показал пропуск зажигания?
-
Перейти к операции 4
См. Непостоянные неисправности"
4
  1. Выключить зажигание.
  2. Отсоединить разъём привода регулятора холостого хода главной дроссельной заслонки.
  3. Включить зажигание при заглушенном двигателе.
  4. Измерить напряжение от цепи контрольного сигнала напряжением 5В датчика положения дроссельной заслонки до надежного источника заземления цифровым универсальным измерителем.
Напряжение выше указанного?
4,8 В
Перейти к операции 5
Перейти к операции 7
5
  1. Соединить 3-амперной перемычкой с предохранителем провод между цепью контрольного сигнала напряжением 5В и цепью сигнала датчика положения дроссельной заслонки.
  2. Уточнить параметры датчика положения дроссельной заслонки в процентах сканирующим прибором.
Процентный показатель превышает указанное значение?
85%
Перейти к операции 6
Перейти к операции 8
6
Измерить сопротивление между контрольной цепью с низким уровнем сигнала датчика положения дроссельной заслонки и корпусом контроллера ЭСУД цифровым универсальным измерителем.
Находится ли сопротивление ниже указанного значения?
2 Ом
Перейти к операции 10
Перейти к операции 9
7
Проверить цепь контрольного сигнала напряжением 5В датчика положения дроссельной заслонки на наличие следующих состояний:
  • Обрыв
  • Замыкание на массу
  • Высокое сопротивление
Неисправность обнаружена и устранена?
-
Перейти к операции 14
Перейти к операции 11
8
Проверить цепь сигнала датчика положения дроссельной заслонки на наличие следующих состояний:
  • Обрыв
  • Замыкание на массу
  • Высокое сопротивление
Неисправность обнаружена и устранена?
-
Перейти к операции 14
Перейти к операции 11
9
Проверить контрольную цепь с низким уровнем сигнала датчика положения дроссельной заслонки на наличие следующих состояний:
  • Обрыв
  • Высокое сопротивление
  • Замыкание на цепь питания
Неисправность обнаружена и устранена?
-
Перейти к операции 14
Перейти к операции 11
10
Проверить привод регулятора холостого хода главной дроссельной заслонки (mtia) на наличие непостоянных неисправностей или на ненадежность соединения.
Неисправность обнаружена и устранена?
-
Перейти к операции 14
Перейти к операции 12
11
Проверить контроллер ЭСУД на наличие непостоянных неисправностей или на ненадежность соединения.
Неисправность обнаружена и устранена?
-
Перейти к операции 14
Перейти к операции 13
12
Заменить mtia.
Замена произведена?
-
Перейти к операции 14
-
13
Заменить контроллер ЭСУД.
Замена произведена?
-
Перейти к операции 14
-
14
  1. Сканирующим прибором сбросить коды dtc.
  2. Выключить зажигание на 30 секунд.
  3. Запустите двигатель.
  4. Создать для автомобиля условия появления кода dtc. Можно также создать для автомобиля условия, которые наблюдались на основе зарегистрированных данных о нарушении работы.
Код dtc показал пропуск зажигания?
-
Перейти к операции 2
Перейти к операции 15
15
Проверьте, не установлены ли дополнительные диагностические коды неисправности.
Если ли коды dtc, которые еще не были продиагностированы?
-
Перейти к соответствующей таблице диагностических кодов неисправности
Система в норме

J3B11F30
Показать иллюстрациюПеревод текста в иллюстрациях


Диагностический код неисправности p0123

Датчик положения дроссельной заслонки, высокий уровень сигнала

Описание схемы

Контроллер ЭСУД выдает на датчик положения дроссельной заслонки опорный сигнал 5 В и служит ему "массой". Датчик положения дроссельной заслонки посылает сигнал назад в контроллер ЭСУД относительно степени открытия заслонки. Сигнал будет варьироваться от приблизительно 0,33 В при закрытой заслонке до 4,3 В при полностью открытой заслонке.
Сигнал датчика положения дроссельной заслонки используется контроллером ЭСУД для управления топливоподачей, а также для большинства контролируемых выходов ЭСУД. Сигнал датчика положения дроссельной заслонки является одним из важнейших входов, используемых контроллером ЭСУД для управления топливоподачей, а также для большинства контролируемых выходов ЭСУД.

Условия появления кода dtc

Условия установки кода неисправности

Действия, выполняемые при установке кода неисправности

Условия очистки кода неисправности/индикации неисправности

Описание проверки

Числа, приведенные ниже, относятся к номерам операции в диагностической таблице:
  1. На этом этапе устанавливается наличие замыкания на источник напряжения или обрыва в цепях.
  2. Контроллер электронной системы управления двигателем (ЭСУД) и датчик положения дроссельной заслонки могут повредиться, если цепь закоротится на положительный провод аккумулятора.
  3. На этом этапе устанавливается наличие замыкания на источник напряжения. Замыкание на источник напряжения может стать причиной установки кодов DTC. Цепи контрольного сигнала напряжением 5В в контроллере подключены внутри и снаружи. Для других датчиков, подключенных к цепи контрольного сигнала напряжением 5В, также могут устанавливаться коды DTC. Имеющий замыкание датчик можно изолировать, отсоединив датчик от совместно используемой цепи контрольного сигнала напряжением 5В. Свериться со схемой электрических соединений и провести диагностику совместно используемых цепей и датчиков.

dtc p0123 - Датчик положения дроссельной заслонки, высокий уровень сигнала

ШагОперацияЗначенияДаНет
1
Провести проверку системы диагностики.
Проверка системы завершена?
-
Перейти к операции 2
Перейти к пункту "Проверка диагностической системы".
2
  1. Запустите двигатель.
  2. Дать двигателю поработать на холостом ходу.
  3. Уточнить параметры датчика положения дроссельной заслонки в процентах сканирующим прибором.
Процентный показатель превышает указанное значение?
15%
Перейти к операции 4
Перейти к операции 3
3
  1. Изучить зарегистрированные данные о сбое для данного кода dtc.
  2. Выключить зажигание на 30 секунд.
  3. Запустите двигатель.
  4. Создать для автомобиля условия появления кода dtc. Можно также создать для автомобиля условия, которые наблюдались на основе зарегистрированных данных о нарушении работы.
Код dtc показал пропуск зажигания?
-
Перейти к операции 4
См. Непостоянные неисправности"
4
  1. Выключить зажигание.
  2. Отсоединить разъём привода регулятора холостого хода главной дроссельной заслонки.
  3. Включить зажигание при заглушенном двигателе.
  4. Уточнить параметры датчика положения дроссельной заслонки в процентах сканирующим прибором.
Процент меньше указанного значения?
15%
Перейти к операции 5
Перейти к операции 7
5
Измерить напряжение от цепи контрольного сигнала напряжением 5В датчика положения дроссельной заслонки до надежного источника заземления.
Измеренное напряжение больше указанного значения?
5,2 В
Перейти к операции 9
Перейти к операции 6
6
Измерить сопротивление между контрольной цепью с низким уровнем сигнала датчика положения дроссельной заслонки и корпусом контроллера ЭСУД цифровым универсальным измерителем.
Находится ли сопротивление ниже указанного значения?
2 Ом
Перейти к операции 10
Перейти к операции 8
7
Проверить цепь сигнала датчика положения дроссельной заслонки на наличие замыкания на источник питания.
Неисправность обнаружена и устранена?
-
Перейти к операции 14
Перейти к операции 11
8
Проверить контрольную цепь с низким уровнем сигнала датчика положения дроссельной заслонки на наличие следующих состояний:
  • Замыкание на цепь питания
  • Обрыв
  • Высокое сопротивление
Неисправность обнаружена и устранена?
-
Перейти к операции 14
Перейти к операции 11
9
Проверить цепь контрольного сигнала напряжением 5В датчика положения дроссельной заслонки на короткое замыкание на источник питания.
Неисправность обнаружена и устранена?
-
Перейти к операции 14
Перейти к операции 11
10
Проверить привод регулятора холостого хода главной дроссельной заслонки (mtia) на наличие непостоянных неисправностей или на ненадежность соединения.
Неисправность обнаружена и устранена?
-
Перейти к операции 14
Перейти к операции 12
11
Проверить контроллер ЭСУД на наличие непостоянных неисправностей или на ненадежность соединения.
Неисправность обнаружена и устранена?
-
Перейти к операции 14
Перейти к операции 13
12
Заменить mtia.
Замена произведена?
-
Перейти к операции 14
-
13
Заменить контроллер ЭСУД.
Замена произведена?
-
Перейти к операции 14
-
14
  1. Сканирующим прибором сбросить коды dtc.
  2. Выключить зажигание на 30 секунд.
  3. Запустите двигатель.
  4. Создать для автомобиля условия появления кода dtc. Можно также создать для автомобиля условия, которые наблюдались на основе зарегистрированных данных о нарушении работы.
Код dtc показал пропуск зажигания?
-
Перейти к операции 2
Перейти к операции 15
15
Проверьте, не установлены ли дополнительные диагностические коды неисправности.
Если ли коды dtc, которые еще не были продиагностированы?
-
Перейти к соответствующей таблице диагностических кодов неисправности
Система в норме


На предыдущую страницуНа следующую страницу
https://vnx.su/ 🛠 Руководства по ремонту и эксплуатации для автомобилей

Поиск по сайту

Остались вопросы или пожелания? Пишите на почту: support@vnx.su

Карта Сайта