To the top of the document
Cruze
   
GMDE Start Page Load static TOC Load dynamic TOC Help?

Замена блока управления обогревателем, вентилятором обогревателя и кондиционером (для автомобилей с правосторонним рулевым управлением).

Процедура демонтажа

  1. Снять отсек панели приборов. См. Замена отсека панели приборов .
  2. Снимите выпускной воздуховод на полу с левой стороны. См. Выпускной воздуховод на полу Замена - Левая сторона .

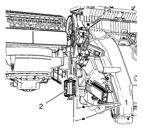
  3. 2
  4. Выкрутите 2 болта (1) крепления блока управления обогревателем, вентилятором обогревателя и кондиционером и отсоедините разъем жгута проводов блока управления обогревателем и вентилятором обогревателя.
  5. Снимите блок управления обогревателем и вентилятором обогревателя (2).

Процедура установки

    Осторожно: См. Предупреждение о крепежных деталях в введении.


    2
  1. Установите блок управления обогревателем и вентилятором обогревателя (2).
  2. Вкрутите 2 болта (1) крепления блока управления обогревателем и вентилятором обогревателя и подсоедините разъем жгута проводов блока управления обогревателем и вентилятором обогревателя. Затяните моментом 2,5 Н·м (23 фунт дюйма).
  3. Установите выпускной воздуховод на полу с левой стороны. См. Выпускной воздуховод на полу Замена - Левая сторона .
  4. Установите отсек панели приборов. См. Замена отсека панели приборов .
   


https://vnx.su/ 🛠 Руководства по ремонту и эксплуатации для автомобилей

Поиск по сайту

Остались вопросы или пожелания? Пишите на почту: support@vnx.su

Карта Сайта