To the top of the document
Cruze
   
GMDE Start Page Load static TOC Load dynamic TOC Help?

Регулировка переднего дифференциала прокладками

Таблица 1: Установка нулевой точки коробки передач
Таблица 2: Измерение 1
Таблица 3: Установка DT-48241 и DT-48242
Таблица 4: Опора переднего дифференциала - Установка нулевой точки внешнего подшипника
Таблица 5: Измерение 2
Таблица 6: Измерение 3
Таблица 7: Формула размера прокладки

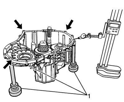
Установка нулевой точки коробки передач


1

Установка нулевой точки коробки передач

Выноска

Название компонента

Примечание: Отрегулируйте высоту крепления dt-48200 корпуса коробки передач для установки нулевой точки.

1

dt-48200 Крепление корпуса коробки передач

Подсказка
Отрегулируйте нулевую точку для каждого положения поверхности фланца корпуса коробки передач, используя крепление dt-48200 корпуса коробки передач и высотомер.

Измерение 1


2

Измерение 1

Выноска

Название компонента

1

Высотомер

Подсказка

    • Измерьте высоту от поверхности фланца корпуса коробки передач до поверхности упорной шайбы в трех местах.
    • Среднее значение = А

Установка dt-48241 и dt-48242


2

Установка dt-48241 и dt-48242

Выноска

Название компонента

1

dt-48242 Пластина дорожки корпуса сцепления

2

Опора переднего дифференциала - Внешние подшипники (кол-во: 2)

3

Передний дифференциал

4

dt-48241 Пластина дорожки (race plate) корпуса коробки передач

Опора переднего дифференциала - Установка нулевой точки внешнего подшипника


2

Опора переднего дифференциала - Установка нулевой точки внешнего подшипника

Выноска

Название компонента

1

Высотомер

Подсказка
Отрегулируйте нулевую точку для каждого положения поверхности дорожки внутреннего подшипника опоры переднего дифференциала, используя высотомер.

Измерение 2


2

Измерение 2

Выноска

Название компонента

1

Высотомер

Подсказка

    • Измерьте высоту от поверхности внешнего подшипника опоры переднего дифференциала до поверхности зубчатого венца дифференциала в трех местах.
    • Среднее значение = В

Измерение 3


2

Измерение 3

Выноска

Название компонента

1

Высотомер

Подсказка

    • Измерьте в трех местах на пластине дорожки корпуса сепления dt-48242 высоту внешних подшипников опоры переднего дифференциал.
    • Среднее значение = С

Формула размера прокладки


1

Формула размера прокладки

Выноска

Название компонента

1

Опора переднего дифференциала - Внешний подшипник

Подсказка

    • Корпус коробки передач.
    • Прокладка (S1) для переднего приаода (FWD) и полного привода (AWD) = 62,92 мм - А - В.

2

Опора переднего дифференциала - Внешний подшипник

Подсказка

    • Корпус сцепления и дифференциала
    • Прокладка (S2) для переднего приаода (FWD) = 156,84 мм С -S1.
    • Прокладка (S2) для полного приаода (АWD) = 158,09 мм С -S1.
   


https://vnx.su/ 🛠 Руководства по ремонту и эксплуатации для автомобилей

Поиск по сайту

Остались вопросы или пожелания? Пишите на почту: support@vnx.su

Карта Сайта