To the top of the document
Cruze
   
GMDE Start Page Load static TOC Load dynamic TOC Help?

Сечение передней направляющей переднего отсека (коротк. МИГ-сварка)

Примечание: В соответствии с различными условиями антикоррозийной гарантии разрешается использовать только предписанные региональные методы соединения.

Процедура демонтажа

    Предупреждение: См. Допущенное оборудование для ремонта последствий столкновения в разделе "Предисловие".

    Предупреждение: См. Классификация столкновений Предупреждение в разделе "Предисловие".

    Предупреждение: См. Обращение со стеклом и листовым металлом Предупреждение в разделе "Предисловие".

  1. Отключить систему SIR. См. Включение и отключение системы подушек безопасности (SIR) .
  2. Отсоединить минусовой провод аккумуляторной батареи. См. Отрицательный провод аккумуляторной батареи Отсоединение и подсоединение .
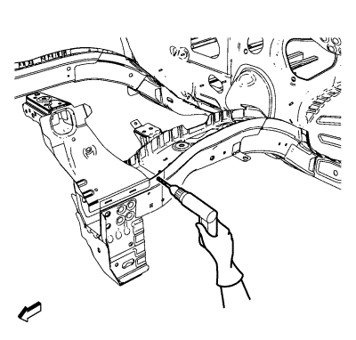
  3. Демонтируйте все задействованные панели и детали.
  4. Осмотрите компоненты - не повреждены ли они. Должен быть отремонтирован весь поврежденный участок.
  5. При необходимости удалите мастику и антикоррозионное покрытие на ремонтируемом участке. См. Обработка для защиты от коррозии и ремонт .

  6. 2
  7. Проведите линии отреза на передней направляющей переднего отсека.

  8. 2

    Примечание: Следите за тем, чтобы не повредить внутреннее усиление передней направляющей переднего отсека.

  9. Отрежьте панель там, где должно проходить сечение.

  10. 2

    Примечание: Только с левой стороны.

  11. Идентифицируйте и пометьте все нужные заводские сварные швы передней направляющей переднего отсека.
  12. Просверлите все заводские сварные швы. Отметьте количество и место расположения точек сварки точек для установки сервисной детали.

  13. 2
  14. Удалите поврежденную переднюю направляющую переднего отсека.

Процедура установки


    2
  1. Обрежьте переднюю направляющую переднего отсека в нужных местах, чтобы подогнать ее к оставшейся части исходной панели. Секционный шов должны быть выровнен, чтобы обеспечить зазор в 1,5 раза превышающий толщину металла.
  2. Из неиспользуемой части ремонтируемой детали сделайте опорную прокладку размером 50 мм (2 дюйма).
  3. Примечание: Опорную пластину используйте только в тех зонах, где позволяет пространство.

  4. Сделайте прорези для МИГ-сварки 5 x 18 мм (4/16 x 11/16 дюйма) вдоль края разреза на оставшейся части исходной детали. Эти отверстия должны располагаться в 13 мм (1/2 дюйма) от края детали и отстоять друг от друга на 40 мм (1 1/2 дюйма).
  5. Обработайте сопрягаемые поверхности по необходимости.
  6. Подложите опорные пластины наполовину в швы разреза, прижмите их и приварите к автомобилю.
  7. Выравняйте поврежденную переднюю направляющую переднего отсека.

  8. 2

    Примечание: Только с левой стороны.

  9. Сделайте прорези для МИГ-сварки 6 x 20 мм (4/16 x 12/16 дюйма) вдоль кромок передней направляющей переднего отсека, как показано на исходной детали.
  10. Очистите и подготовьте к сварке/пайке контактные поверхности.

  11. 2
  12. Установите на автомобиль переднюю направляющую переднего отсека.
  13. Проверьте подгонку передней направляющей переднего отсека.
  14. Закрепите переднюю направляющую переднего отсека в нужном положении.

  15. 2
  16. Выполните сварку/пайку.
  17. Чтобы получить прочно пропаянный шов с минимальными тепловыми деформациями, делайте "стежки" по 25 мм (1 дюйм) с интервалами по 25 мм (1 дюйм) между ними. Затем вернитесь и выполните сварку/пайку прерывистым швом до конца.
  18. При необходимости нанесите мастику и антикоррозионное покрытие на ремонтируемый участок. См. Обработка для защиты от коррозии и ремонт .
  19. Покрасьте отремонтированный участок. См. Лакокрасочные покрытия Грунты/лаки .
  20. Установите на место все задействованные панели и детали.
  21. Подсоедините минусовой провод аккумуляторной батареи. См. Отрицательный провод аккумуляторной батареи Отсоединение и подсоединение .
  22. Включите систему надувных подушек безопасности (SIR). См. Включение и отключение системы подушек безопасности (SIR) .
   


https://vnx.su/ 🛠 Руководства по ремонту и эксплуатации для автомобилей

Поиск по сайту

Остались вопросы или пожелания? Пишите на почту: support@vnx.su

Карта Сайта