To the top of the document
Cruze
   
GMDE Start Page Load static TOC Load dynamic TOC Help?

Замена вентилятора охлаждения двигателя (1.6 л LXV, LXT, LDE и 1.8 л 2H0)

Процедура демонтажа

  1. Отсоедините отрицательный кабель от аккумуляторной батареи. См. Отрицательный провод аккумуляторной батареи Отсоединение и подсоединение .
  2. Опорожните систему охлаждения. См. Система охлаждения Слив и заправка .

  3. 2
  4. Отсоединить разъем жгута проводов резистора вентилятора охлаждения двигателя.
  5. Отвернуть болт (2) резистора вентилятора охлаждения двигателя.
  6. Снять резистор (1) вентилятора охлаждения двигателя.

  7. 2
  8. Отвернуть болт (1) кронштейна крепления стержневой подпорки удержания капота в открытом положении.
  9. Снять кронштейн (2) крепления стержневой подпорки удержания капота в открытом положении.
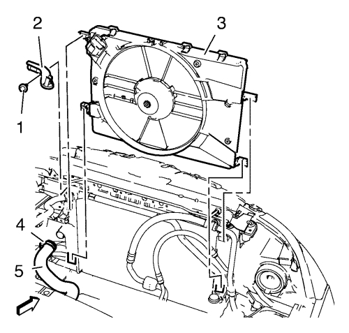
  10. Снять хомут (4) впускного шланга радиатора и впускной шланг радиатора (5) со стороны радиатора и отложить их в сторону.
  11. Освободить вентилятор (3) охлаждения двигателя в показанных четырех монтажных точках.
  12. Примечание: Следует располагаться против направления движения.

    Примечание: Сдвинуть вентилятор охлаждения двигателя вправо и поднять его вверх.

  13. Снять вентилятор (3) охлаждения двигателя.

  14. 1
  15. Освободить жгут проводов (показан стрелками), соединяющий вентилятор охлаждения двигателя с резистором этого вентилятора.
  16. Отвернуть 3 болта(3) электродвигателя вентилятора охлаждения двигателя от вентилятора охлаждения двигателя.

Процедура установки

    Осторожно: См. Предупреждение о крепежных деталях в разделе "Предисловие".


    1
  1. Привернуть 3 болта (3) электродвигателя вентилятора охлаждения двигателя к вентилятору охлаждения двигателя и затянуть их с моментом затяжки 3 Н·м (26 фунт дюйм).
  2. Прикрепить жгут проводов (показан стрелками), соединяющий вентилятор охлаждения двигателя с резистором этого вентилятора.

  3. 2
  4. Установить вентилятор (3) охлаждения двигателя.
  5. Прикрепить вентилятор (3) охлаждения двигателя в показанных четырех монтажных точках.
  6. Установить зажим (4) впускного шланга радиатора и впускной шланг радиатора (5) со стороны радиатора и затянуть его с моментом затяжки 3,5 Н·м (31 фунт дюйм).
  7. Установить кронштейн (2) крепления стержневой подпорки удержания капота в открытом положении.
  8. Завернуть болт (1) кронштейна радиатора крепления стержневой подпорки удержания капота в открытом положении и затянуть его с моментом затяжки 22 Н·м (17 фунт фут).

  9. 2
  10. Установить резистор (1) вентилятора охлаждения двигателя.
  11. Завернуть болт (2) резистора вентилятора охлаждения двигателя и затянуть его с моментом затяжки 4 Н·м (36 фунт дюйм).
  12. Подсоединить разъем жгута проводов резистора вентилятора охлаждения двигателя.
  13. Заправьте систему охлаждения. См. Система охлаждения Слив и заправка .
  14. Подсоединить отрицательный провод к аккумуляторной батарее. См. Отрицательный провод аккумуляторной батареи Отсоединение и подсоединение .
   


https://vnx.su/ 🛠 Руководства по ремонту и эксплуатации для автомобилей

Поиск по сайту

Остались вопросы или пожелания? Пишите на почту: support@vnx.su

Карта Сайта