To the top of the document
Cruze
   
GMDE Start Page Load static TOC Load dynamic TOC Help?

Сборка насоса трансмиссионной жидкости коробки передач (6t40/45)

Таблица 1: Сборка насоса трансмиссионной жидкости с клапанными механизмами
Таблица 2: Сборка уплотнения трансмиссионной жидкости гидротрансформатора и узла фильтра

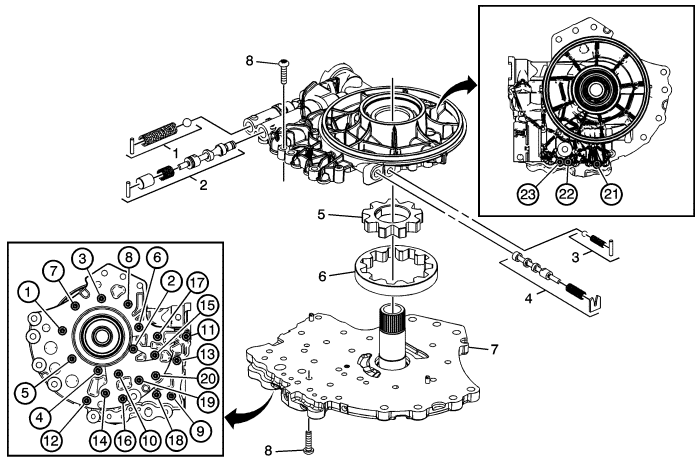
Сборка насоса трансмиссионной жидкости с клапанными механизмами


1

Сборка насоса трансмиссионной жидкости с клапанными механизмами

Выноска

Название компонента

1

Клапанный механизм шарового клапана сброса давления tcc

2

Клапанный механизм клапана-регулятора давления

3

Клапанный механизм шарового клапана сброса давления насоса трансмиссионной жидкости

4

Клапанный механизм клапана управления муфтой гидротрансформатора tcc

5

Ведущая шестерня насоса трансмиссионной жидкости

Подсказка
Фаски на поверхности зубьев ведущей шестерни обращены к корпусу насоса.

6

Ведомая шестерня насоса трансмиссионной жидкости

Подсказка
Фаска, расположенная по наружному диаметру ведомой шестерни, обращена к корпусу насоса.

7

Крышка насоса трансмиссионной жидкости

8

Болты крышки насоса трансмиссионной жидкости m6 x 25 (кол.: 23)

Осторожно: См. Предупреждение о крепежных деталях в разделе "Предисловие".

Затянуть
12 Н·м (106 фунт дюйм)

Сборка уплотнения трансмиссионной жидкости гидротрансформатора и узла фильтра


1

Сборка уплотнения трансмиссионной жидкости гидротрансформатора и узла фильтра

Выноска

Название компонента

1

Узел уплотнения трансмиссионной жидкости гидротрансформатора

Подсказка
Узел уплотнения трансмиссионной жидкости необходимо закернить на месте с помощью инструмента для закернивания уплотнений dt-49131, чтобы обеспечить требуемую фиксацию уплотнения.

Специальный инструмент

    • dt-47792 Приспособление для установки уплотнения
    • dt-49131 Инструмент для закернивания уплотнений

Эквивалентные местные инструменты см. Специальный инструмент .

2

Уплотнение рабочей жидкости гидротрансформатора

Специальный инструмент

dt-47791 Приспособление для установки уплотнения

Эквивалентные местные инструменты см. Специальный инструмент .

3

Держатель уплотнения трансмиссионной жидкости гидротрансформатора

4

Узел фильтра трансмиссионной жидкости в сборе

Подсказка
Повернуть фильтр на 90 градусов, чтобы зафиксировать стопорные лапки.

   


https://vnx.su/ 🛠 Руководства по ремонту и эксплуатации для автомобилей

Поиск по сайту

Остались вопросы или пожелания? Пишите на почту: support@vnx.su

Карта Сайта