К началу документа
Nubira-Lacetti
На предыдущую страницуНа следующую страницу
Главная страница GMDEЗагрузить нединамическое оглавлениеЗагрузить динамическое оглавлениеПомощь

РАЗДЕЛ 5A2

АВТОМАТИЧЕСКАЯ КПП AISIN

Внимание! Необходимо отсоединять отрицательный провод аккумулятора перед снятием или установкой любого электрического устройства, а также в тех случаях, когда возможно соприкосновение инструмента или оборудования с открытыми электрическими контактами. Отсоединение этого провода поможет избежать несчастного случая, а также повреждения автомобиля. Необходимо также, чтобы зажигание находилось в положении LOCK, если не будет требоваться иное.

ТЕХНИЧЕСКИЕ ХАРАКТЕРИСТИКИ

Общие технические характеристики

.
Обозначение
двигатель 1,6 л с двумя распредвалами верхнего расположения
Тип рабочей жидкости КПП
total fluid iii g или esso jws 3309
Заправочный объем рабочей жидкости КПП
5,77 ± 0,2 л (6,1 ± 0,2 кварты)

Передаточные числа

Передача
Передаточное число
двигатель 1,6 л с двумя распредвалами верхнего расположения
Первая передача
2.875
Вторая передача
1.568
Третья передача
1.000
Четвертая передача
0.697
Задний ход
2.300
Промежуточная
1.020
Дифференциал
3.750

Заправочные объемы

.
Объем
двигатель 1,6 л с двумя распредвалами верхнего расположения
Рабочая жидкость КПП (заправка сухой коробки)
5,77 ± 0,2 л (6,1 ± 0,2 кварты)
Рабочая жидкость КПП (слив и заправка)
2,1 л (2,2 кварты)

Примечание: Заправочный объем жидкости (при сливе и заправке) может изменяться в зависимости от ситуации, поэтому обязательно следует проверять уровень жидкости щупом.

Давление в линиях гидропривода

ПРОГРАММА
Холостой ход
Двигатель заглушен
В диапазоне "D"
3,9-4,2 кг/см² (55-60 фунтов/дюйм²)
11,3-12,5 кг/см² (161-178 фунтов/дюйм²)
В диапазоне "R"
6,0-6,9 кг/см² (85-98 фунтов/дюйм²)
16,2-18,6 кг/см² (230-265 фунтов/дюйм²)

Моменты затяжки резьбовых соединений

ПРОГРАММА
Н•М
Фунт-фут
Фунт-дюйм
Сливная пробка
17
13
-
Регулировочная гайка троса привода
8
-
71
Крепежные болты рычага переключения передач в сборе
8
-
71
Гайка вала клапана выбора диапазона
12
-
106
Болты переключателя диапазонов КПП
5.4
-
48
Болт крепления датчика скорости первичного вала
5.4
-
48
Болт крепления датчика скорости вторичного вала
7.4
-
65
Болты крепления контроллера КПП
5
-
44
Гайка впускной трубки жидкостного радиатора
35
26
-
Болт впускной трубки жидкостного радиатора
9
-
80
Болт патрубка впускной трубы
35
26
-
Гайка задней выпускной трубки жидкостного радиатора
35
26
-
Болт хомута задней выпускной трубки жидкостного радиатора
9
-
80
Болт передней выпускной трубки
35
26
-
Нижние болты крепления КПП к двигателю (a)
73
54
-
Нижние болты крепления КПП к двигателю (b)
31
23
-
Нижние болты крепления КПП к двигателю (c)
21
15
-
Верхние болты крепления КПП к двигателю
73
54
-
Болты верхнего кронштейна подвески КПП
60
44
-
Болты заднего кронштейна подвески
60
44
-
Соединительная гайка и болт демпфирующего блока
80
59
-
Болты гидротрансформатора
45
43
-
Резьбовые заглушки
7.4
-
65
Болт кронштейна трубок КПП
5.4
-
48
Болты фиксирующей пластины масляного бачка
5.4
-
48
Болт пластины картера КПП
9.8
-
87
Болты передней крышки картера КПП
29
22
-
Болт пружины ручной блокировки
9.8
-
87
Болты кронштейна собачки парковочной блокировки
7.4
-
65
Гайки эпициклического колеса планетарной передачи (Стандарт)
9.8
-
87
Гайки эпициклического колеса планетарной передачи (Максимум)
29
22
-
Болты задней крышки КПП
25
18
-
Болты масляного насоса
25
18
-
Болты корпуса клапанного механизма
11
-
97
Болты масляного фильтра
9.8
-
87
Болты масляного поддона
7
-
62
Патрубки
25
18
-
Болты вала ротора
25
18
-
Болты электромагнитных клапанов переключения
11
-
97
Болты крепления зубчатого венца дифференциала к корпусу дифференциала
102
75
-

СПЕЦИАЛЬНЫЕ ИНСТРУМЕНТЫ

Таблица специальных инструментов


DW260021
Показать иллюстрациюПеревод текста в иллюстрациях


dw260-021-02
Приспособление для ремонта автоматической коробки передач с главной передачей в сборе

DW240020
Показать иллюстрациюПеревод текста в иллюстрациях


dw240-020
Съемник пружины тормоза/муфты

DW240030
Показать иллюстрациюПеревод текста в иллюстрациях


dw240-030
Адаптер муфты переднего хода

DW240040
Показать иллюстрациюПеревод текста в иллюстрациях


dw240-040
Адаптер муфты включения прямой передачи

DW240050
Показать иллюстрациюПеревод текста в иллюстрациях


dw240-050
Адаптер тормоза повышающей передачи

DW24006A
Показать иллюстрациюПеревод текста в иллюстрациях


dw240-060-01
Болт/гайка съемника пружины тормоза

DW24006B
Показать иллюстрациюПеревод текста в иллюстрациях


dw240-060-02
Пластина съемника пружины тормоза

DW240070
Показать иллюстрациюПеревод текста в иллюстрациях


dw240-070
Адаптер тормоза 1-ой передачи/заднего хода

DW240080
Показать иллюстрациюПеревод текста в иллюстрациях


dw240-080
Адаптер тормоза 2-ой передачи

DW240090
Показать иллюстрациюПеревод текста в иллюстрациях


dw240-090
Приспособление для демонтажа венцовой шестерни планетарной передачи

DW240100
Показать иллюстрациюПеревод текста в иллюстрациях


dw240-100
Адаптер для установки промежуточной передачи

DW260041
Показать иллюстрациюПеревод текста в иллюстрациях


dw260-041
Ключ для демонтажа/установки гайки венцовой шестерни планетарной передачи (52 мм)

DW26003A
Показать иллюстрациюПеревод текста в иллюстрациях


dw260-031-01
Приспособление для установки сальника корпуса коробки передач с главной передачей в сборе

DW26003B
Показать иллюстрациюПеревод текста в иллюстрациях


dw260-031-02
Приспособление для установки сальника картера коробки передач с главной передачей в сборе

DW240120
Показать иллюстрациюПеревод текста в иллюстрациях


dw240-120
Измерительная клемма

DW240130
Показать иллюстрациюПеревод текста в иллюстрациях


dw240-130
Адаптер натяга дифференциала

DW260013
Показать иллюстрациюПеревод текста в иллюстрациях


dw260-013
Опорное приспособление коробки передач с главной передачей в сборе

DW240140
Показать иллюстрациюПеревод текста в иллюстрациях


dw240-140
Адаптер наружного кольца бокового подшипника картера коробки передач с главной передачей в сборе

DW240150
Показать иллюстрациюПеревод текста в иллюстрациях


dw240-150
Адаптер наружного кольца бокового подшипника картера коробки передач с главной передачей в сборе

DW240160
Показать иллюстрациюПеревод текста в иллюстрациях


dw240-160
Адаптер наружного кольца конического роликового подшипника картера коробки передач с главной передачей в сборе

DW240170
Показать иллюстрациюПеревод текста в иллюстрациях


dw240-170
Ручка адаптера

ПРИНЦИПИАЛЬНЫЕ СХЕМЫ

Контроллер КПП (1 из 4)


J3D15A50
Показать иллюстрациюПеревод текста в иллюстрациях


Контроллер КПП (2 из 4)


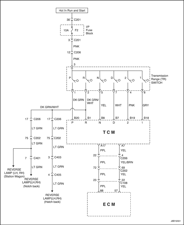
J6B15A51
Показать иллюстрациюПеревод текста в иллюстрациях


Контроллер КПП (3 из 4)


J5B15A51
Показать иллюстрациюПеревод текста в иллюстрациях


Контроллер КПП (4 из 4)


J6B15A52
Показать иллюстрациюПеревод текста в иллюстрациях


Диаграмма переключения передач

Экономичный режим (двигатель 1,6 л с двумя распредвалами верхнего расположения)


J3B15A83
Показать иллюстрациюПеревод текста в иллюстрациях


Мощностной режим (двигатель 1,6 л с двумя распредвалами верхнего расположения)


J3B15A84
Показать иллюстрациюПеревод текста в иллюстрациях


Режим движения в гору 1 (двигатель 1,6 л с двумя распредвалами верхнего расположения)


J3B15A85
Показать иллюстрациюПеревод текста в иллюстрациях


Режим движения в гору 2 (двигатель 1,6 л с двумя распредвалами верхнего расположения)


J3B15A86
Показать иллюстрациюПеревод текста в иллюстрациях


Режим движения с горы (двигатель 1,6 л с двумя распредвалами верхнего расположения)


J3B15A87
Показать иллюстрациюПеревод текста в иллюстрациях




На предыдущую страницуНа следующую страницу
https://vnx.su/ 🛠 Руководства по ремонту и эксплуатации для автомобилей

Поиск по сайту

Остались вопросы или пожелания? Пишите на почту: support@vnx.su

Карта Сайта