К началу документа
Nubira-Lacetti
На предыдущую страницуНа следующую страницу
Главная страница GMDEЗагрузить нединамическое оглавлениеЗагрузить динамическое оглавлениеПомощь

J6B11F15
Показать иллюстрациюПеревод текста в иллюстрациях


Проверка цепи главного реле (1,4 л / 1,6 л dohc)

Описание схемы

При включении зажигания или переводе ключа в положение СТАРТ на главное реле подается напряжение. Главное реле подает сигнал на предохранитель EF11 блока предохранителей двигателя. Катушка электронной системы зажигания, клапан продувки адсорбера СУПБ и датчик кислорода (HO2S) запитываются через предохранитель EF11 блока предохранителей двигателя. Топливные форсунки запитываются через предохранитель EF11 блока предохранителей двигателя.

Диагностическая информация

Проверка цепи главного реле (1,4 л / 1,6 л dohc)

ШагОперацияЗначенияДаНет
1
  1. Выключить зажигание.
  2. Отсоединить предохранитель ef11 в блоке предохранителей двигателя.
  3. Включить зажигание.
  4. Контрольной лампой, подключенной к массе, проверить зажимы предохранителей, ближайшие к главному реле для предохранителя ef11.
Контрольная лампа горит на обеих клеммах?
-
Система в норме
Перейти к операции 2
2
Контрольная лампа горит только на одной клемме?
-
Перейти к операции 3
Перейти к операции 4
3
Устранить обрыв цепи между клеммой 87 разъема главного реле и предохранителем ef11.
Закончен ли ремонт?
-
Система в норме
-
4
  1. Выключить зажигание.
  2. Снять главное реле.
  3. Включить зажигание.
  4. Контрольной лампой, подключенной к массе, проверить клеммы 85 главного реле.
Контрольная лампа горит на обеих клеммах?
-
Перейти к операции 6
Перейти к операции 5
5
  1. Выключить зажигание.
  2. Измерить сопротивление между следующими клеммами.
    • Клемма 86 главного реле и масса.
Сопротивление в пределах установленного значения?
0 Ом
Перейти к операции 7
Перейти к операции 6
6
Исправить обрыв цепи.
Закончен ли ремонт?
-
Система в норме
-
7
Заменить главное реле.
Закончен ли ремонт?
-
Система в норме
-

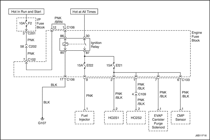
J6B11F16
Показать иллюстрациюПеревод текста в иллюстрациях


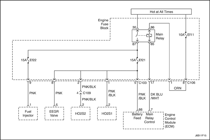
Проверка цепи главного реле (1.8D-FAM I)

Описание схемы

При включении зажигания или переводе ключа в положение СТАРТ на главное реле подается напряжение. Главное реле подает сигнал на предохранитель F2 блока предохранителей двигателя. Катушка электронной системы зажигания, клапан продувки адсорбера СУПБ и датчик кислорода (HO2S) запитываются через предохранитель F2 блока предохранителей двигателя. Топливные форсунки запитываются через предохранитель F2 блока предохранителей двигателя.

Диагностическая информация

Проверка цепи главного реле (1.8D-FAM I)

ШагОперацияЗначенияДаНет
1
  1. Выключить зажигание.
  2. Отсоединить предохранитель f2 входного блока предохранителей.
  3. Включить зажигание.
  4. Контрольной лампой, подключенной к массе, проверить зажимы предохранителей, ближайшие к реле зажигания для предохранителя f2.
Контрольная лампа горит на обеих клеммах?
-
Система в норме
Перейти к операции 2
2
Контрольная лампа горит только на одной клемме?
-
Перейти к операции 3
Перейти к операции 4
3
Устранить обрыв цепи между клеммой 87 разъема реле зажигания и предохранителем f2.
Закончен ли ремонт?
-
Система в норме
-
4
  1. Выключить зажигание.
  2. Снять реле зажигания.
  3. Включить зажигание.
  4. Контрольной лампой, подключенной к массе, проверить клеммы 85 реле зажигания.
Контрольная лампа горит на обеих клеммах?
-
Перейти к операции 6
Перейти к операции 5
5
  1. Выключить зажигание.
  2. Измерить сопротивление между следующими клеммами.
    • Клемма 86 главного реле и масса.
Сопротивление в пределах установленного значения?
0 Ом
Перейти к операции 7
Перейти к операции 6
6
Исправить обрыв цепи.
Закончен ли ремонт?
-
Система в норме
-
7
Заменить реле зажигания.
Закончен ли ремонт?
-
Система в норме
-

J3B11F28
Показать иллюстрациюПеревод текста в иллюстрациях


Проверка абсолютного давления в коллекторе (1,4 л / 1,6 л dohc)

Описание схемы

Датчик абсолютного давления в коллекторе (МАР) измеряет изменение давления во впускном коллекторе, связанное с изменением нагрузки на двигатель и изменением частоты вращения. Датчик MAP конвертирует эти изменения в выходные сигналы. Контроллер электронной системы управления двигателем (ЭСУД) подает контрольный сигнал 5 В на датчик МАР. При изменении давления впускного коллектора выходной сигнал датчика MAP также изменяется. Низкий выходной уровень сигнала (высокий вакуум) 1 - 2 В имеет место на холостом ходу. Высокий выходной уровень сигнала (низкий вакуум) 4,0 - 4,8 В имеет место при полностью открытой дроссельной заслонке. Датчик MAP в определенных условиях используется для измерения барометрического давления. Это позволяет контроллеру ЭСУД производить корректировку по изменению высоты. Контроллер ЭСУД использует датчик MAP для подачи топлива и изменения момента зажигания.

Описание проверки

Числа, приведенные ниже, относятся к номерам операции в диагностической таблице:
  1. Воздействие 34 кПа (10 inches Hg) разряжения на датчик МАР должно вызвать изменение уровня сигнала. Вычесть второе значение уровня сигнала из первого. Значение напряжения должно быть больше 1,5 В. При воздействии разряжения на датчик МАР изменение уровня сигнала должно происходить постоянно. Медленное изменение уровня сигнала свидетельствует о неисправности датчика MAP.
  2. Отсоединить датчик MAP от кронштейна и повернуть датчик MAP. Изменения выходного сигнала более 0,1 В свидетельствуют от неисправном разъеме или контакте.

Проверка абсолютного давления в коллекторе (1,4 л / 1,6 л dohc)

ШагОперацияЗначенияДаНет
1
  1. Выключить зажигание.
  2. Подключить сканирующий прибор к колодке диагностики (dlc).
  3. Включить зажигание.
  4. Сравнить уровень сигнала датчика абсолютного давления в коллекторе (map) от сканера с известным значением от исправного автомобиля.
Разница двух уровней сигнала меньше, чем установленное значения?
0,4 В
Перейти к операции 2
Перейти к операции 5
2
  1. Выключить зажигание.
  2. Подключить сканирующий прибор к колодке диагностики.
  3. Отсоединить вакуумную линию датчика map.
  4. Присоединить ручной вакуумный насос к датчику map.
  5. Включить зажигание.
  6. Записать уровень сигнала датчика МАР.
  7. Подать 10 in. Hg (34 кПа) разряжения на датчик МАР и записать изменение уровня сигнала.
Разница в уровнях сигнала больше, чем установленное значения?
1,5 В
Система в норме
Перейти к операции 3
3
Проверить клеммы разъема датчика МАР.
Проблема найдена?
-
Перейти к операции 4
Перейти к операции 5
4
Отремонтировать разъем датчика МАР, если необходимо.
Закончен ли ремонт?
-
Система в норме
-
5
Заменить датчик map.
Закончен ли ремонт?
-
Система в норме
-

J3B11F29
Показать иллюстрациюПеревод текста в иллюстрациях


Проверка абсолютного давления в коллекторе (1.8D-FAM I)

Описание схемы

Датчик абсолютного давления в коллекторе (МАР) измеряет изменение давления во впускном коллекторе, связанное с изменением нагрузки на двигатель и изменением частоты вращения. Датчик MAP конвертирует эти изменения в выходные сигналы. Контроллер электронной системы управления двигателем (ЭСУД) подает контрольный сигнал 5 В на датчик МАР. При изменении давления впускного коллектора выходной сигнал датчика MAP также изменяется. Низкий выходной уровень сигнала (высокий вакуум) 1 - 2 В имеет место на холостом ходу. Высокий выходной уровень сигнала (низкий вакуум) 4,0 - 4,8 В имеет место при полностью открытой дроссельной заслонке. Датчик MAP в определенных условиях используется для измерения барометрического давления. Это позволяет контроллеру ЭСУД производить корректировку по изменению высоты. Контроллер ЭСУД использует датчик MAP для подачи топлива и изменения момента зажигания.

Описание проверки

Числа, приведенные ниже, относятся к номерам операции в диагностической таблице:
  1. Воздействие 34 кПа (10 inches Hg) разряжения на датчик МАР должно вызвать изменение уровня сигнала. Вычесть второе значение уровня сигнала из первого. Значение напряжения должно быть больше 1,5 В. При воздействии разряжения на датчик МАР изменение уровня сигнала должно происходить постоянно. Медленное изменение уровня сигнала свидетельствует о неисправности датчика MAP.
  2. Отсоединить датчик MAP от кронштейна и повернуть датчик MAP. Изменения выходного сигнала более 0,1 В свидетельствуют от неисправном разъеме или контакте.

Проверка абсолютного давления в коллекторе (1.8D-FAM I)

ШагОперацияЗначенияДаНет
1
  1. Выключить зажигание.
  2. Подключить сканирующий прибор к колодке диагностики (dlc).
  3. Включить зажигание.
  4. Сравнить уровень сигнала датчика абсолютного давления в коллекторе (map) от сканера с известным значением от исправного автомобиля.
Разница двух уровней сигнала меньше, чем установленное значения?
0,4 В
Перейти к операции 2
Перейти к операции 5
2
  1. Выключить зажигание.
  2. Подключить сканирующий прибор к колодке диагностики.
  3. Отсоединить вакуумную линию датчика map.
  4. Присоединить ручной вакуумный насос к датчику map.
  5. Включить зажигание.
  6. Записать уровень сигнала датчика МАР.
  7. Подать 10 in. Hg (34 кПа) разряжения на датчик МАР и записать изменение уровня сигнала.
Разница в уровнях сигнала больше, чем установленное значения?
1,5 В
Система в норме
Перейти к операции 3
3
Проверить клеммы разъема датчика МАР.
Проблема найдена?
-
Перейти к операции 4
Перейти к операции 5
4
Отремонтировать разъем датчика МАР, если необходимо.
Закончен ли ремонт?
-
Система в норме
-
5
Заменить датчик map.
Закончен ли ремонт?
-
Система в норме
-

J3B11F30
Показать иллюстрациюПеревод текста в иллюстрациях


Проверка регулятора холостого хода (1,4 л / 1,6 л dohc)

Описание схемы

Привод регулятора холостого хода главной дроссельной заслонки предназначен для управления частотой вращения на холостом ходу при помощи корпуса дроссельной заслонки. Дроссельная заслонка имеет электропривод для малого угла открытия (0°С, 19°С). Характеристики потока воздуха для малого и большого угла открытия различаются. Так как функция массового расхода воздуха TPS сокращается на малых углах, это обеспечивает более высокую точность при управлении холостым ходом. За пределами холостого хода дроссельная заслонка приводится в действие обычным тросом Боудена.
Привод регулятора холостого хода главной дроссельной заслонки (MTIA) подает сигнал, изменяющийся в зависимости от угла дроссельной заслонки. Сигнал может изменяться примерно от 5,0 В на холостом ходу до 0,2 - 0,4 В при полностью открытой дроссельной заслонке. TPS - один из важнейших входных сигналов, используемых контроллером ЭСУД для контроля топлива и других функций, таких как холостой ход, полностью открытая дроссельная заслонка, обеднение смеси при замедлении и обогащение смеси при ускорении.

Диагностическая информация

Если частота вращения на холостом ходу слишком высока, остановить двигатель. Полностью открыть привод регулятора холостого хода главной дроссельной заслонки приводом РХХ. Запустите двигатель. Если частота вращения на холостом ходу выше 800 мин-1, определить местонахождение и устранить утечку в вакуумной линии. Также проверьте, не заклинена ли дроссельная заслонка или дроссельный шарнир и проверить основные настройки холостого хода.

Проверка регулятора холостого хода (1,4 л / 1,6 л dohc)

ШагОперацияЗначенияДаНет
1
Провести проверку бортовой системы диагностики (eobd).
Проверка системы завершена?
-
Перейти к операции 2
Перейти к "Проверка бортовой системы диагностики".
2
Включить зажигание.
Контрольная лампа индикации неисправности горит постоянно?
-
Перейти к операции 4
Перейти к операции 3
3
Повернуть ключ зажигания в положение блокировки.
Подключить сканирующий прибор к колодке диагностики.
Включить зажигание.
Какие-либо диагностические коды неисправности отображаются?
-
Перейти к операции 4
Попробовать другой сканирующий инструмент.
4
См. соответствующую таблицу диагностических кодов неисправности.
Только один диагностический код неисправности определен как действительный код неисправности p0122?
-
Перейти к операции 5
Перейти к соответствующей таблице диагностических кодов неисправности и перейти к "Несколько кодов неисправности"
5
  1. Подключить сканирующий прибор к колодке диагностики.
  2. Включить зажигание.
  3. Нажать на педаль акселератора, наблюдая за плавным изменением сигнала датчика положения дроссельной заслонки.
Сканирующий прибор показывает плавное изменение сигнала датчика положения дроссельной заслонки в пределах установленного значения?
0,3 В-4,8 В
Перейти к "Диагностическая информация"
Перейти к операции 6
6
  1. Повернуть ключ зажигания в положение блокировки.
  2. Отсоединить разъём привода регулятора холостого хода главной дроссельной заслонки.
  3. Измерить уровень сигнала между клеммами 2 и 8.
Измеренный уровень сигнала в пределах установленного значения?
4,8-5,0 В
Перейти к операции 7
Перейти к операции 8
7
Присоединить предохранительную перемычку между клеммой 2 привода регулятора холостого хода главной дроссельной заслонки и клеммой 7.
Сканирующий прибор показывает уровень сигнала датчика положения дроссельной заслонки выше установленного значения?
4,8-5,0 В
Перейти к операции 13
Перейти к операции 11
8
Измерить уровень сигнала между разъемом 2 привода регулятора холостого хода главной дроссельной заслонки и массой.
Измеренный уровень сигнала в пределах установленного значения?
>5,0 В
Перейти к операции 9
Перейти к операции 10
9
  1. Повернуть ключ зажигания в положение блокировки.
  2. Проверить обрыв цепи или слабость сигнала в проводе между разъемом 8 привода регулятора холостого хода главной дроссельной заслонки и разъемом 19 контроллера ЭСУД.
Проблема найдена?
-
Перейти к операции 12
Перейти к операции 14
10
  1. Повернуть ключ зажигания в положение блокировки.
  2. Проверить обрыв цепи или слабость сигнала в проводе между разъемом 2 привода регулятора холостого хода главной дроссельной заслонки и разъемом 79 контроллера ЭСУД.
Проблема найдена?
-
Перейти к операции 12
Перейти к операции 14
11
  1. Повернуть ключ зажигания в положение блокировки.
  2. Проверить обрыв цепи или слабость сигнала в проводе между разъемом 7 привода регулятора холостого хода главной дроссельной заслонки и разъемом 74 контроллера ЭСУД.
Проблема найдена?
-
Перейти к операции 12
Перейти к операции 14
12
  1. Отремонтировать провод или клемму разъема, если необходимо.
  2. Очистить все диагностические коды неисправности из контроллера ЭСУД.
  3. Провести проверку системы диагностики.
Закончен ли ремонт?
-
Система в норме
-
13
  1. Заменить узел корпуса дроссельной заслонки.
  2. Очистить все диагностические коды неисправности из контроллера ЭСУД.
  3. Провести проверку системы диагностики.
Закончен ли ремонт?
-
Система в норме
-
14
  1. Повернуть ключ зажигания в положение блокировки.
  2. Заменить контроллер ЭСУД.
  3. Провести проверку системы диагностики.
Закончен ли ремонт?
-
Перейти к операции 15
-
15
Проверьте, не установлены ли дополнительные диагностические коды неисправности.
Отображены ли диагностические коды неисправности, которые не были продиагностированы?
-
Перейти к соответствующей таблице диагностических кодов неисправности
Система в норме

J3B11F31
Показать иллюстрациюПеревод текста в иллюстрациях


Проверка регулятора холостого хода (1.8D-FAM I)

Описание схемы

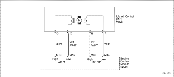
Контроллер электронной системы управления двигателем (ЭСУД) управляет холостым ходом при помощи клапана регулирования подачи воздуха на холостом ходу. Чтобы увеличить частоту вращения на холостом ходу, контроллер ЭСУД отводит иглу клапана регулировки подачи воздуха на холостом ходу из ее седла, пропуская больше воздуха через корпус дроссельной заслонки. Чтобы уменьшить частоту вращения на холостом ходу, контроллер ЭСУД подает иглу клапана регулировки подачи воздуха на холостом ходу по направлению к седлу, уменьшая перепуск воздуха. Сканирующий прибор будет считывать команды контроллера ЭСУД клапану регулировки подачи воздуха на холостом ходу в численном выражении. Большие числа отображают больший перепуск воздуха (большая частота вращения на холостом ходу). Меньшие числа отображают меньший перепуск воздуха (меньшая частота вращения на холостом ходу).

Диагностическая информация

Если частота вращения на холостом ходу слишком высока, остановить двигатель. Полностью открыть клапан регулирования подачи воздуха на холостом ходу приводом РХХ. Запустите двигатель. Если частота вращения на холостом ходу выше 800 мин-1, определить местонахождение и устранить утечку в вакуумной линии. Также проверьте, не заклинена ли дроссельная заслонка или дроссельный шарнир и проверить основные настройки холостого хода.

Описание проверки

Числа, приведенные ниже, относятся к номерам операции в диагностической таблице:
  1. Клапан регулирования подачи воздуха на холостом ходу открывается и закрывается приводом РХХ. Движение клапана регулирования подачи воздуха на холостом ходу проверяется изменением числа оборотов двигателя. Если изменения в числе оборотов двигателя не происходит, клапан можно снять с корпуса дроссельной заслонки и проверить. Подключить привод РХХ к снятому клапану РХХ и включить зажигание. Не запускать двигатель.
  2. Эта операция проверяет качество перемещения клапана РХХ в операции 2. При полностью открытом клапане РХХ двигатель может заглохнуть. Это может быть нормальным.
  3. Операции 2 и 5 проверяют надежность работы клапана РХХ. Эта операция проверяет цепь РХХ на неисправность проводки или контроллера ЭСУД.

Проверка регулятора холостого хода (1.8D-FAM I)

ШагОперацияЗначенияДаНет
1
Провести проверку бортовой системы диагностики (eobd).
Проверка проведена?
-
Перейти к операции 2
Перейти к "Проверка бортовой системы диагностики".
2
  1. Выключить зажигание.
  2. Снять клапан регулирования подачи воздуха на холостом ходу (РХХ).
  3. Проверить каналы РХХ на засорения.
Проблема найдена?
-
Перейти к операции 3
Перейти к операции 4
3
Почистить каналы РХХ.
Закончен ли ремонт?
-
Система в норме
-
4
Измерить сопротивление между следующими клеммами клапана РХХ.
  1. Клемма С и d.
  2. Клемма А и В.
Сопротивление равно установленному значению?
40-80
Перейти к операции 6
Перейти к операции 5
5
Заменить клапан РХХ.
Закончен ли ремонт?
-
Система в норме
-
6
  1. Отсоединить разъём контроллера электронной системы управления двигателем (ЭСУД).
  2. Проверить на обрыв цепи или короткое замыкание провода между следующими клеммами.
    • Клемма d разъема клапана РХХ и клемма М13 разъема контроллера ЭСУД.
    • Клемма С разъема клапана РХХ и клемма М15 разъема контроллера ЭСУД.
    • Клемма В разъема клапана РХХ и клемма М30 разъема контроллера ЭСУД.
    • Клемма А разъема клапана РХХ и клемма М14 разъема контроллера ЭСУД.
Проблема найдена?
-
Перейти к операции 8
Перейти к операции 7
7
Устранить обрыв цепи или короткое замыкание, если необходимо.
Закончен ли ремонт?
-
Система в норме
-
8
Проверить клеммы разъема РХХ и клеммы разъема контроллера ЭСУД.
Проблема найдена?
-
Перейти к операции 9
Перейти к операции 10
9
Отремонтировать или заменить узел корпуса дроссельной заслонки и/или клеммы разъема контроллера ЭСУД, если необходимо.
Закончен ли ремонт?
-
Система в норме
-
10
Заменить контроллер ЭСУД.
Закончен ли ремонт?
-
Система в норме
-

J5B11F01
Показать иллюстрациюПеревод текста в иллюстрациях


Проверка системы зажигания (1,4 л / 1,6 л dohc)

Описание схемы

Электронная система зажигания использует двухискровый метод зажигания с опорной искрой. В этой электронной системе зажигания датчик положения коленчатого вала смонтирован на масляном насосе рядом со шлицевым колесом, являющимся частью шкива коленчатого вала. Датчик положения коленчатого вала посылает контрольные импульсы на контроллер ЭСУД. Контроллер ЭСУД включает катушку электронной системы зажигания. Когда контроллер ЭСУД включает катушку электронной системы зажигания, обе подключенные свечи зажигания одновременно дают искру. Один цилиндр находится в такте сжатия, в то время как другой цилиндр - в такте выпуска, что позволяет сэкономить энергию, необходимую для образования искры в свече зажигания в цилиндре, находящемся в такте выпуска.
Оставшееся высокое напряжение используется для образования искры в свече зажигания в цилиндре, находящемся в такте сжатия. Так как датчик положения коленчатого вала находится в неподвижном положении, регулировка момента зажигания не возможна и не нужна.

Описание проверки

Числа, приведенные ниже, относятся к номерам операции в диагностической таблице:
  1. Важно проверить наличие искры на всех цилиндрах, чтобы локализовать проблему на входных или на выходных сигналах катушки электронной системы зажигания.
  2. При проверке выходных сигналов на наличие сигнала момента зажигания рекомендуется использовать осциллоскоп для наблюдения за изменением сигналов. При измерении этих выходных сигналов с помощью вольтметра, могут случиться неустойчивые неисправности, не регистрируемые вольтметром.
  3. Если входные сигналы момента зажигания контроллера ЭСУД на катушку электронной системы зажигания в норме, то причина неисправности находится в катушке электронной системы зажигания.
  4. Если входные сигналы датчика положения коленчатого вала на контроллер ЭСУД в норме, и нет проблем с проводкой, то причина неисправности находится в контроллере ЭСУД.
  5. Эта операция вместе с операцией 25 проверяет напряжение аккумуляторной батареи и контакт на массу катушки электронной системы зажигания.

Проверка системы зажигания (1,4 л / 1,6 л dohc)

Внимание! Чтобы не допустить поражения электротоком при работе с проводами зажигания на работающем двигателе, использовать изолированные плоскогубцы.

ШагОперацияЗначенияДаНет
1
  1. Снимите свечи зажигания.
  2. Проверить свечи зажигания на влажность, трещины, неправильный зазор, обожженные электроды или значительные отложения.
  3. Заменить свечи зажигания, если необходимо.
Закончен ли ремонт?
-
Система в норме
Перейти к операции 2
2
Проверить наличие искры на всех проводах зажигания при проворачивании двигателя стартером.
Искра имеется на всех проводах зажигания?
-
Система в норме
Перейти к операции 3
3
  1. Измерить сопротивление проводов зажигания.
  2. Заменить все провода зажигания с сопротивлением выше установленного.
  3. Проверить наличие искры на всех проводах зажигания.
Искра имеется на всех проводах зажигания?
30,000 Ом
Система в норме
Перейти к операции 4
4
Искра имеется хотя бы на одном проводе зажигания, но не на всех проводах зажигания?
-
Перейти к операции 5
Перейти к операции 12
5
  1. Выключить зажигание.
  2. Отсоединить разъём катушки электронной системы зажигания.
  3. Проворачивая коленчатый вал, измерить уровень сигнала на клемме 1 разъема катушки электронной системы зажигания.
Напряжение колеблется в пределах установленного значения?
0,2-2,0 В
Перейти к операции 6
Перейти к операции 7
6
Проворачивая коленчатый вал, измерить уровень сигнала на клемме 1 разъема катушки электронной системы зажигания.
Напряжение колеблется в пределах установленного значения?
0,2-2,0 В
Перейти к операции 10
Перейти к операции 8
7
Проверить на обрыв цепи провод от клеммы 1 разъема катушки электронной системы зажигания к клемме 31 разъема контроллера ЭСУД.
Проблема найдена?
-
Перейти к операции 9
Перейти к операции 11
8
Проверить на обрыв цепи провод между клеммой 1 разъема катушки электронной системы зажигания и клеммой М32 контроллера ЭСУД.
Проблема найдена?
-
Перейти к операции 9
Перейти к операции 11
9
  1. Отремонтировать проводку, если необходимо.
  2. Присоединить разъем катушки электронной системы зажигания.
  3. Проверить наличие искры на всех проводах зажигания.
Искра имеется на всех проводах зажигания?
-
Система в норме
-
10
  1. Выключить зажигание.
  2. Заменить катушку электронной системы зажигания.
  3. Присоединить разъем катушки электронной системы зажигания.
  4. Проверить наличие искры на всех проводах зажигания.
Искра имеется на всех проводах зажигания?
-
Система в норме
-
11
  1. Выключить зажигание.
  2. Заменить контроллер ЭСУД.
  3. Присоединить разъем катушки электронной системы зажигания.
  4. Проверить наличие искры на всех проводах зажигания.
Искра имеется на всех проводах зажигания?
-
Система в норме
-
12
  1. Выключить зажигание.
  2. Отсоединить разъём датчика положения коленчатого вала (СКР).
  3. Измерить сопротивление между клеммами 1 и 2 разъема датчика положения коленчатого вала.
Сопротивление в пределах установленного значения?
400-600 Ом
Перейти к операции 13
Перейти к операции 28
13
  1. Измерить сопротивление между клеммами 1 и 3 разъема датчика положения коленчатого вала.
  2. Измерить сопротивление между клеммами 2 и 3 разъема датчика положения коленчатого вала.
  3. Сопротивление бесконечно (обрыв цепи)?
Закончен ли ремонт?
-
Перейти к операции 14
Перейти к операции 28
14
  1. Включить зажигание.
  2. Измерить уровень сигнала между клеммами 1 и 3 разъема датчика положения коленчатого вала.
Напряжение в пределах установленного значения?
1,3-1,5 В (2,4-2,7 В)*
Перейти к операции 20
Перейти к операции 15
15
Измерить уровень сигнала между клеммой 1 разъема датчика положения коленчатого вала и массой.
Напряжение в пределах установленного значения?
1,3-1,5 В (2,4-2,7 В)*
Перейти к операции 17
Перейти к операции 16
16
Проверить на обрыв цепи или короткое замыкание провод между клеммой 1 разъема датчика положения коленчатого вала и клеммой 85 разъема контроллера ЭСУД.
Проблема найдена?
-
Перейти к операции 18
Перейти к операции 11
17
Проверить на обрыв цепи провод между клеммой 3 разъема датчика положения коленчатого вала и массой.
Проблема найдена?
-
Перейти к операции 19
Перейти к операции 11
18
Отремонтировать провод между клеммой 1 разъема датчика положения коленчатого вала и клеммой 85 разъема контроллера ЭСУД.
Закончен ли ремонт?
-
Система в норме
-
19
Отремонтировать провод между клеммой 3 разъема датчика положения коленчатого вала и массой.
Закончен ли ремонт?
-
Система в норме
-
20
  1. Включить зажигание.
  2. Измерить уровень сигнала между клеммами 2 и 3 разъема датчика положения коленчатого вала.
Напряжение в пределах установленного значения?
1,3-1,5 В (2,4-2,7 В)*
Перейти к операции 24
Перейти к операции 21
21
Измерить уровень сигнала между клеммой 2 разъема датчика положения коленчатого вала и массой.
Напряжение в пределах установленного значения?
1,3-1,5 В (2,4-2,7 В)*
Перейти к операции 17
Перейти к операции 22
22
Проверить на обрыв цепи или короткое замыкание провод между клеммой 2 разъема датчика положения коленчатого вала и клеммой 54 разъема контроллера ЭСУД.
Проблема найдена?
-
Перейти к операции 23
Перейти к операции 11
23
Отремонтировать провод между клеммой 2 разъема датчика положения коленчатого вала и клеммой 54 разъема контроллера ЭСУД.
Закончен ли ремонт?
-
Система в норме
-
24
  1. Выключить зажигание.
  2. Присоединить контрольную лампу между клеммой 2 разъема катушки электронной системы зажигания и массой.
  3. Включить зажигание.
Горит ли контрольная лампа?
-
Перейти к операции 25
Перейти к операции 26
25
Присоединить контрольную лампу между клеммой 2 разъема катушки электронной системы зажигания и положительным проводом аккумуляторной батареи.
Горит ли контрольная лампа?
-
Перейти к операции 5
Перейти к операции 27
26
Проверить на обрыв цепи или короткое замыкание провод между клеммой 2 разъема катушки электронной системы зажигания и выключателем зажигания.
Проблема найдена?
-
Перейти к операции 29
-
27
Отремонтировать провод между клеммой 1 разъема катушки электронной системы зажигания и массой.
Закончен ли ремонт?
-
Система в норме
-
28
  1. Выключить зажигание.
  2. Заменить датчик положения коленчатого вала.
Закончен ли ремонт?
-
Система в норме
-
29
Заменить предохранитель f2 или отремонтировать провод между клеммой 2 разъема катушки электронной системы зажигания и выключателем зажигания.
Закончен ли ремонт?
-
Система в норме
-

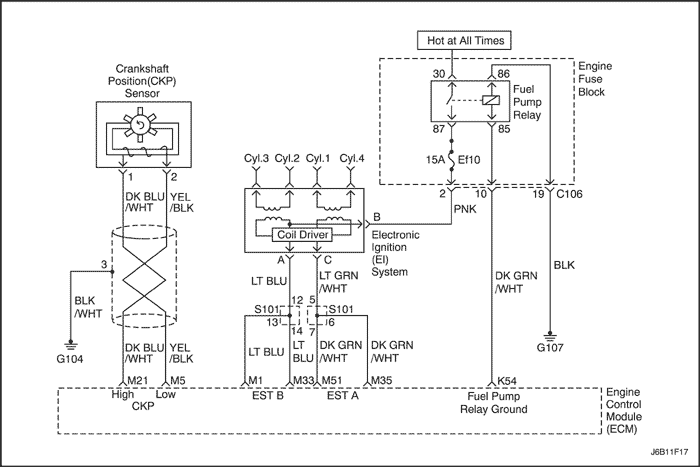
J6B11F17
Показать иллюстрациюПеревод текста в иллюстрациях


Проверка системы зажигания (1.8D-FAM I)

Описание схемы

Электронная система зажигания использует двухискровый метод зажигания с опорной искрой. В этой электронной системе зажигания датчик положения коленчатого вала смонтирован на масляном насосе рядом со шлицевым колесом, являющимся частью шкива коленчатого вала. Датчик положения коленчатого вала посылает контрольные импульсы на контроллер ЭСУД. Контроллер ЭСУД включает катушку электронной системы зажигания. Когда контроллер ЭСУД включает катушку электронной системы зажигания, обе подключенные свечи зажигания одновременно дают искру. Один цилиндр находится в такте сжатия, в то время как другой цилиндр - в такте выпуска, что позволяет сэкономить энергию, необходимую для образования искры в свече зажигания в цилиндре, находящемся в такте выпуска.
Оставшееся высокое напряжение используется для образования искры в свече зажигания в цилиндре, находящемся в такте сжатия. Так как датчик положения коленчатого вала находится в неподвижном положении, регулировка момента зажигания не возможна и не нужна.

Описание проверки

Числа, приведенные ниже, относятся к номерам операции в диагностической таблице:
  1. Важно проверить наличие искры на всех цилиндрах, чтобы локализовать проблему на входных или на выходных сигналах катушки электронной системы зажигания.
  2. При проверке выходных сигналов на наличие сигнала момента зажигания рекомендуется использовать осциллоскоп для наблюдения за изменением сигналов. При измерении этих выходных сигналов с помощью вольтметра, могут случиться неустойчивые неисправности, не регистрируемые вольтметром.
  3. Если входные сигналы момента зажигания контроллера ЭСУД на катушку электронной системы зажигания в норме, то причина неисправности находится в катушке электронной системы зажигания.
  4. Если входные сигналы датчика положения коленчатого вала на контроллер ЭСУД в норме, и нет проблем с проводкой, то причина неисправности находится в контроллере ЭСУД.
  5. Эта операция вместе с операцией 25 проверяет напряжение аккумуляторной батареи и контакт на массу катушки электронной системы зажигания.

Проверка системы зажигания (1.8D-FAM I)

Внимание! Чтобы не допустить поражения электротоком при работе с проводами зажигания на работающем двигателе, использовать изолированные плоскогубцы.

ШагОперацияЗначенияДаНет
1
  1. Снимите свечи зажигания.
  2. Проверить свечи зажигания на влажность, трещины, неправильный зазор, обожженные электроды или значительные отложения.
  3. Заменить свечи зажигания, если необходимо.
Закончен ли ремонт?
-
Система в норме
Перейти к операции 2
2
Проверить наличие искры на всех проводах зажигания при проворачивании двигателя стартером.
Искра имеется на всех проводах зажигания?
-
Система в норме
Перейти к операции 3
3
  1. Измерить сопротивление проводов зажигания.
  2. Заменить все провода зажигания с сопротивлением выше установленного.
  3. Проверить наличие искры на всех проводах зажигания.
Искра имеется на всех проводах зажигания?
30,000 Ом
Система в норме
Перейти к операции 4
4
Искра имеется хотя бы на одном проводе зажигания, но не на всех проводах зажигания?
-
Перейти к операции 5
Перейти к операции 12
5
  1. Выключить зажигание.
  2. Отсоединить разъём катушки электронной системы зажигания.
  3. Проворачивая коленчатый вал, измерить уровень сигнала на клемме С разъема катушки электронной системы зажигания.
Напряжение колеблется в пределах установленного значения?
0,2-2,0 В
Перейти к операции 6
Перейти к операции 7
6
Проворачивая коленчатый вал, измерить уровень сигнала на клемме А разъема катушки электронной системы зажигания.
Напряжение колеблется в пределах установленного значения?
0,2-2,0 В
Перейти к операции 10
Перейти к операции 8
7
Проверить на обрыв цепи провод между клеммой С разъема катушки электронной системы зажигания и клеммой М35 или М51 разъема контроллера ЭСУД.
Проблема найдена?
-
Перейти к операции 9
Перейти к операции 11
8
Проверить на обрыв цепи провод между клеммой А разъема катушки электронной системы зажигания и клеммой М1 или М33 разъема контроллера ЭСУД.
Проблема найдена?
-
Перейти к операции 9
Перейти к операции 11
9
  1. Отремонтировать проводку, если необходимо.
  2. Присоединить разъем катушки электронной системы зажигания.
  3. Проверить наличие искры на всех проводах зажигания.
Искра имеется на всех проводах зажигания?
-
Система в норме
-
10
  1. Выключить зажигание.
  2. Заменить катушку электронной системы зажигания.
  3. Присоединить разъем катушки электронной системы зажигания.
  4. Проверить наличие искры на всех проводах зажигания.
Искра имеется на всех проводах зажигания?
-
Система в норме
-
11
  1. Выключить зажигание.
  2. Заменить контроллер ЭСУД.
  3. Присоединить разъем катушки электронной системы зажигания.
  4. Проверить наличие искры на всех проводах зажигания.
Искра имеется на всех проводах зажигания?
-
Система в норме
-
12
  1. Выключить зажигание.
  2. Отсоединить разъём датчика положения коленчатого вала (СКР).
  3. Измерить сопротивление между клеммами 1 и 2 разъема датчика положения коленчатого вала.
Сопротивление в пределах установленного значения?
400-600 Ом
Перейти к операции 13
Перейти к операции 28
13
  1. Измерить сопротивление между клеммами 1 и 3 разъема датчика положения коленчатого вала.
  2. Измерить сопротивление между клеммами 2 и 3 разъема датчика положения коленчатого вала.
  3. Сопротивление бесконечно (обрыв цепи)?
Закончен ли ремонт?
-
Перейти к операции 14
Перейти к операции 28
14
  1. Включить зажигание.
  2. Измерить уровень сигнала между клеммами 1 и 3 разъема датчика положения коленчатого вала.
Напряжение в пределах установленного значения?
1,3-1,5 В (2,4-2,7 В)*
Перейти к операции 20
Перейти к операции 15
15
Измерить уровень сигнала между клеммой 1 разъема датчика положения коленчатого вала и массой.
Напряжение в пределах установленного значения?
1,3-1,5 В (2,4-2,7 В)*
Перейти к операции 17
Перейти к операции 16
16
Проверить на обрыв цепи или короткое замыкание провод между клеммой 1 разъема датчика положения коленчатого вала и клеммой М21 разъёма контроллера ЭСУД.
Проблема найдена?
-
Перейти к операции 18
Перейти к операции 11
17
Проверить на обрыв цепи провод между клеммой 3 разъема датчика положения коленчатого вала и массой.
Проблема найдена?
-
Перейти к операции 19
Перейти к операции 11
18
Отремонтировать провод между клеммой 1 разъема датчика положения коленчатого вала и клеммой М21 разъема контроллера ЭСУД.
Закончен ли ремонт?
-
Система в норме
-
19
Отремонтировать провод между клеммой 3 разъема датчика положения коленчатого вала и массой.
Закончен ли ремонт?
-
Система в норме
-
20
  1. Включить зажигание.
  2. Измерить уровень сигнала между клеммами 2 и 3 разъема датчика положения коленчатого вала.
Напряжение в пределах установленного значения?
1,3-1,5 В (2,4-2,7 В)*
Перейти к операции 24
Перейти к операции 21
21
Измерить уровень сигнала между клеммой 2 разъема датчика положения коленчатого вала и массой.
Напряжение в пределах установленного значения?
1,3-1,5 В (2,4-2,7 В)*
Перейти к операции 17
Перейти к операции 22
22
Проверить на обрыв цепи или короткое замыкание провод между клеммой 2 разъема датчика положения коленчатого вала и клеммой М5 разъёма контроллера ЭСУД.
Проблема найдена?
-
Перейти к операции 23
Перейти к операции 11
23
Отремонтировать провод между клеммой 2 разъема датчика положения коленчатого вала и клеммой М5 разъема контроллера ЭСУД.
Закончен ли ремонт?
-
Система в норме
-
24
  1. Выключить зажигание.
  2. Присоединить контрольную лампу между клеммой В разъема катушки электронной системы зажигания и массой.
  3. Включить зажигание.
Горит ли контрольная лампа?
-
Перейти к операции 25
Перейти к операции 26
25
Присоединить контрольную лампу между клеммой В разъема катушки электронной системы зажигания и положительным проводом аккумуляторной батареи.
Горит ли контрольная лампа?
-
Перейти к операции 5
Перейти к операции 27
26
Проверить на обрыв цепи или короткое замыкание провод между клеммой В разъема катушки электронной системы зажигания и выключателем зажигания.
Проблема найдена?
-
Перейти к операции 29
-
27
Отремонтировать провод между клеммой С разъема катушки электронной системы зажигания и массой.
Закончен ли ремонт?
-
Система в норме
-
28
  1. Выключить зажигание.
  2. Заменить датчик положения коленчатого вала.
Закончен ли ремонт?
-
Система в норме
-
29
Заменить предохранитель Еf10 или восстановить провод между клеммой В разъема катушки электронной системы зажигания и выключателем зажигания.
Закончен ли ремонт?
-
Система в норме
-

J3B11F14
Показать иллюстрациюПеревод текста в иллюстрациях


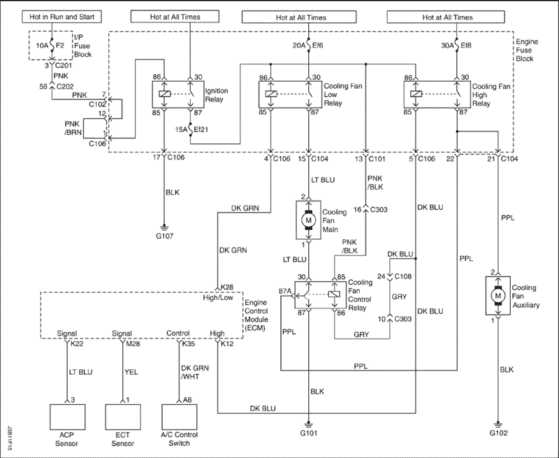
Проверка цепи сдвоенного вентилятора системы охлаждения двигателя (1,4 л / 1,6 л dohc)

Описание схемы

Цепь вентилятора системы охлаждение двигателя управляет основным и вспомогательным вентилятором системы охлаждения. Вентиляторы системы охлаждения управляются контроллером ЭСУД, основываясь на входных сигналах датчика температуры охлаждающей жидкости двигателя (ЕСТ) и датчика давления кондиционирования воздуха (АСР). Контроллер ЭСУД управляет работой вентилятора системы охлаждения на низких оборотах, замыкая на массу клемму 10 разъема контроллера ЭСУД. Это включает реле низких оборотов вентилятора системы охлаждения и включает основной и вспомогательный вентиляторы системы охлаждения на низкие обороты, так как вентиляторы системы охлаждения соединены в последовательную цепь. Контроллер ЭСУД управляет работой вентилятора системы охлаждения на высоких оборотах, одновременно замыкая на массу клемму 10 разъема контроллера ЭСУД и клемму 9 разъема контроллера ЭСУД. Это включает реле низких оборотов вентилятора системы охлаждения, реле высоких оборотов вентилятора системы охлаждения и последовательное/параллельное реле вентилятора системы охлаждения, что приводит к работе вентиляторов на высоких оборотах, так как вентиляторы системы охлаждения подключаются тем самым в параллельную цепь.

Диагностическая информация

Описание проверки

Числа, приведенные ниже, относятся к номерам операции в диагностической таблице:
  1. Эта операция вместе с операцией 5 проверяет способность контроллера ЭСУД управлять вентиляторами системы охлаждения.
  2. Эта операция вместе с операцией 9 проверяет способность контроллера ЭСУД управлять вентиляторами системы охлаждения с учетом сигналов давления системы кондиционирования.
  3. После проверки напряжения аккумуляторной батареи и массы контроллера ЭСУД для стороны катушки реле А вентилятора системы охлаждения можно определить, имеет ли место неисправность реле или проводки, перемкнув клеммы 30 и 87 разъема.
  4. Эта операция проверяет наличие напряжения аккумуляторной батареи на основном вентиляторе системы охлаждения при включенном кондиционере. Если напряжение аккумуляторной батареи имеется, а вентиляторы системы охлаждения не работают, то проблема находится на стороне массы цепи вентилятора системы охлаждения.
  5. При прямом соединении на массу клемм 10 и 9 разъема контроллера ЭСУД основной и вспомогательный вентилятор должны работать на высоких оборотах.

Проверка цепи сдвоенного вентилятора системы охлаждения двигателя (1,4 л / 1,6 л dohc)

ШагОперацияЗначенияДаНет
1
Провести проверку бортовой системы диагностики (eobd).
Проверка завершена?
-
Перейти к операции 2
Перейти к "Проверка бортовой системы диагностики".
2
  1. Проверить предохранитель ef11 в блоке предохранителей двигателя.
  2. Заменить предохранитель, если необходимо.
Предохранитель в норме?
-
Перейти к операции 3
Перейти к "Диагностическая информация"
3
  1. Проверить предохранители ef6 и ef8 в блоке предохранителей двигателя.
  2. Заменить предохранитель, если необходимо.
Предохранитель в норме?
-
Перейти к операции 4
Перейти к "Диагностическая информация"
4
  1. Выключить зажигание.
  2. Выключить кондиционер.
  3. Подключить сканирующий прибор к колодке диагностики (dlc).
  4. Вентиляторы системы охлаждения должны работать на низких оборотах, когда температура охлаждающей жидкости достигает 97°c (207°f).
Вентиляторы системы охлаждения работают на низких оборотах?
-
Перейти к операции 5
Перейти к операции 10
5
  1. Выключить зажигание.
  2. Выключить кондиционер.
  3. Подключить сканирующий прибор к колодке диагностики.
  4. Запустите двигатель.
  5. Вентиляторы системы охлаждения должны работать на высоких оборотах, когда температура охлаждающей жидкости достигает 101°c (214°f).
Вентиляторы системы охлаждения работают на высоких оборотах?
-
Перейти к операции 6
Перейти к операции 33
6
  1. Выключить зажигание.
  2. Запустите двигатель.
  3. Включить кондиционер.
Муфта компрессора системы кондиционирования включается?
-
Перейти к операции 8
Перейти к операции 7
7
  1. Проверить цепь муфты компрессора системы кондиционирования.
  2. Отремонтировать цепь муфты компрессора системы кондиционирования, если необходимо.
  3. Запустите двигатель.
  4. Включить кондиционер.
Муфта компрессора системы кондиционирования включается?
-
Перейти к операции 8
-
8
Вентиляторы системы охлаждения работают на низких оборотах?
-
Перейти к операции 9
Перейти к операции 31
9
  1. Выключить зажигание.
  2. Присоединить манометры кондиционера.
  3. Запустите двигатель.
  4. Включить кондиционер.
  5. Вентиляторы системы охлаждения должны работать на высоких оборотах, когда давление на стороне высокого давления кондиционера достигает 1882 кПa (273 psi).
Вентиляторы системы охлаждения работают на высоких оборотах?
-
Перейти к операции 10
-
10
  1. Выключить зажигание.
  2. Подключить сканирующий прибор к колодке диагностики.
  3. Температура охлаждающей жидкости должна быть выше 97°С (207°f).
  4. Отсоединить разъём основного вентилятора системы охлаждения.
  5. Включить зажигание.
  6. Присоединить контрольную лампу между клеммой 2 разъема основного вентилятора системы охлаждения и массой.
Горит ли контрольная лампа?
-
Перейти к операции 11
Перейти к операции 12
11
  1. Выключить зажигание.
  2. Подключить сканирующий прибор к колодке диагностики.
  3. Температура охлаждающей жидкости должна быть выше 97°С (207°f).
  4. Отсоединить разъём основного вентилятора системы охлаждения.
  5. Присоединить контрольную лампу между клеммой 1 разъема основного вентилятора системы охлаждения и массой.
Горит ли контрольная лампа?
-
Перейти к операции 28
Перейти к операции 17
12
  1. Выключить зажигание.
  2. Отсоединить реле низких оборотов вентилятора системы охлаждения.
  3. Присоединить контрольную лампу между клеммой 85 разъема реле низких оборотов вентилятора системы охлаждения и массой.
  4. Включить зажигание.
Горит ли контрольная лампа?
-
Перейти к операции 13
Перейти к операции 24
13
  1. Выключить зажигание.
  2. Присоединить реле низких оборотов вентилятора системы охлаждения.
  3. Отсоединить белый разъём контроллера электронной системы управления двигателем (ЭСУД).
  4. Присоединить предохранительную перемычку между клеммой 10 разъема контроллера ЭСУД и массой.
  5. Включить зажигание.
Вентиляторы системы охлаждения работают на низких оборотах?
-
Перейти к операции 30
Перейти к операции 14
14
Проверить на обрыв цепи провод между клеммой 85 разъема реле низких оборотов вентилятора системы охлаждения и клеммой 10 разъема контроллера ЭСУД.
Проблема найдена?
-
Перейти к операции 25
Перейти к операции 15
15
  1. Выключить зажигание.
  2. Отсоединить реле низких оборотов вентилятора системы охлаждения.
  3. Присоединить контрольную лампу между клеммой 30 разъема реле низких оборотов вентилятора системы охлаждения и массой.
Горит ли контрольная лампа?
-
Перейти к операции 16
Перейти к операции 23
16
Присоединить предохранительную перемычку между клеммами 30 и 87 разъема реле низких оборотов вентилятора системы охлаждения.
Вентиляторы системы охлаждения работают на низких оборотах?
-
Перейти к операции 26
Перейти к операции 17
17
  1. Отсоединить управляющее реле вентилятора системы охлаждения.
  2. Присоединить предохранительную перемычку между клеммами 30 и 87 разъема реле низких оборотов вентилятора системы охлаждения.
  3. Присоединить предохранительную перемычку между клеммами 30 и 87 разъема управляющего реле вентилятора системы охлаждения.
Вентиляторы системы охлаждения работают на низких оборотах?
-
Перейти к операции 27
Перейти к операции 18
18
Проверить на обрыв цепи провод между клеммой 87 разъема реле низких оборотов вентилятора системы охлаждения и клеммой 2 разъема основного вентилятора системы охлаждения.
Проблема найдена?
-
Перейти к операции 22
Перейти к операции 19
19
Проверить на обрыв цепи провод между клеммой 1 разъема основного вентилятора системы охлаждения и клеммой 30 разъема управляющего реле вентилятора системы охлаждения.
Проблема найдена?
-
Перейти к операции 22
Перейти к операции 20
20
Проверить на обрыв цепи провод между клеммой 87А разъема управляющего реле вентилятора системы охлаждения и клеммой 2 разъема вспомогательного вентилятора системы охлаждения.
Проблема найдена?
-
Перейти к операции 22
Перейти к операции 21
21
Проверить на обрыв цепи провод между клеммой 1 разъема вспомогательного вентилятора системы охлаждения и массой.
Проблема найдена?
-
Перейти к операции 22
Перейти к операции 29
22
Устранить обрыв цепи, если необходимо.
Закончен ли ремонт?
-
Система в норме
-
23
Устранить обрыв цепи между клеммой 30 разъема реле низких оборотов вентилятора системы охлаждения и предохранителем ef11.
Закончен ли ремонт?
-
Система в норме
-
24
Устранить обрыв цепи между клеммой 86 разъема реле низких оборотов вентилятора системы охлаждения и выключателем зажигания.
Закончен ли ремонт?
-
Система в норме
-
25
Устранить обрыв цепи между клеммой 85 разъема реле низких оборотов вентилятора системы охлаждения и клеммой 10 разъема контроллера ЭСУД.
Закончен ли ремонт?
-
Система в норме
-
26
Заменить реле низких оборотов вентилятора системы охлаждения.
Закончен ли ремонт?
-
Система в норме
-
27
Заменить управляющее реле вентилятора системы охлаждения.
Закончен ли ремонт?
-
Система в норме
-
28
Заменить основной вентилятор системы охлаждения.
Закончен ли ремонт?
-
Система в норме
-
29
Заменить вспомогательный вентилятор системы охлаждения.
Закончен ли ремонт?
-
Система в норме
-
30
Заменить контроллер ЭСУД.
Закончен ли ремонт?
-
Система в норме
-
31
  1. Выключить зажигание.
  2. Отсоединить разъём основного вентилятора системы охлаждения.
  3. Присоединить контрольную лампу между клеммой 2 разъема основного вентилятора системы охлаждения и массой.
  4. Включить кондиционер.
  5. Запустите двигатель.
Горит ли контрольная лампа?
-
Перейти к операции 32
Перейти к операции 12
32
  1. Выключить зажигание.
  2. Присоединить контрольную лампу между клеммой 1 разъема основного вентилятора системы охлаждения и положительным проводом аккумуляторной батареи.
  3. Включить кондиционер.
  4. Запустите двигатель.
Горит ли контрольная лампа?
-
Перейти к операции 28
Перейти к операции 17
33
  1. Выключить зажигание.
  2. Отсоединить реле высоких оборотов вентилятора системы охлаждения.
  3. Присоединить контрольную лампу между клеммой 86 разъема реле высоких оборотов вентилятора системы охлаждения и массой.
  4. Включить зажигание.
Горит ли контрольная лампа?
-
Перейти к операции 34
Перейти к операции 44
34
  1. Выключить зажигание.
  2. Присоединить контрольную лампу между клеммой 30 разъема реле высоких оборотов вентилятора системы охлаждения и массой.
Горит ли контрольная лампа?
-
Перейти к операции 35
Перейти к операции 45
35
  1. Отсоединить управляющее реле вентилятора системы охлаждения.
  2. Присоединить контрольную лампу между клеммой 85 разъема управляющего реле вентилятора системы охлаждения и массой.
  3. Включить зажигание.
Горит ли контрольная лампа?
-
Перейти к операции 36
Перейти к операции 46
36
  1. Выключить зажигание.
  2. Присоединить контрольную лампу между клеммой 87 разъема управляющего реле вентилятора системы охлаждения и положительным проводом аккумуляторной батареи.
Горит ли контрольная лампа?
-
Перейти к операции 37
Перейти к операции 47
37
  1. Присоединить разъём основного вентилятора системы охлаждения.
  2. Присоединить реле высоких оборотов вентилятора системы охлаждения.
  3. Присоединить управляющее реле вентилятора системы охлаждения.
  4. Отсоединить разъём контроллера ЭСУД.
  5. Присоединить предохранительную перемычку между клеммой 10 разъема контроллера ЭСУД и массой.
  6. Присоединить предохранительную перемычку между клеммой 9 разъема контроллера ЭСУД и массой.
  7. Включить зажигание.
Вентиляторы системы охлаждения работают на высоких оборотах?
-
Перейти к операции 30
Перейти к операции 38
38
  1. Выключить зажигание.
  2. Проверить на обрыв цепи провод между клеммой 85 разъема реле высоких оборотов вентилятора системы охлаждения и клеммой 9 разъема контроллера ЭСУД.
Проблема найдена?
-
Перейти к операции 22
Перейти к операции 39
39
  1. Отсоединить реле высоких оборотов вентилятора системы охлаждения.
  2. Присоединить контрольную лампу между клеммой 87 разъема реле высоких оборотов вентилятора системы охлаждения и положительным проводом аккумуляторной батареи.
Горит ли контрольная лампа?
-
Перейти к операции 40
Перейти к операции 48
40
  1. Отсоединить разъём контроллера ЭСУД.
  2. Присоединить предохранительную перемычку между клеммой 9 разъема контроллера ЭСУД и массой.
  3. Отсоединить реле высоких оборотов вентилятора системы охлаждения.
  4. Присоединить контрольную лампу между клеммой 86 разъема управляющего реле вентилятора системы охлаждения и положительным проводом аккумуляторной батареи.
Горит ли контрольная лампа?
-
Перейти к операции 41
Перейти к операции 49
41
  1. Присоединить управляющее реле вентилятора системы охлаждения.
  2. Присоединить предохранительную перемычку между клеммой 9 разъема контроллера ЭСУД и массой.
  3. Отсоединить реле высоких оборотов вентилятора системы охлаждения.
  4. Присоединить предохранительную перемычку между клеммами 30 и 87 разъема реле высоких оборотов вентилятора системы охлаждения.
  5. Отсоединить реле низких оборотов вентилятора системы охлаждения.
  6. Присоединить предохранительную перемычку между клеммами 30 и 87 разъема реле низких оборотов вентилятора системы охлаждения.
  7. Включить зажигание.
Вентиляторы системы охлаждения работают на высоких оборотах?
-
Перейти к операции 43
Перейти к операции 42
42
  1. Выключить зажигание.
  2. Присоединить предохранительную перемычку между клеммой 9 разъема контроллера ЭСУД и массой.
  3. Отсоединить управляющее реле вентилятора системы охлаждения.
  4. Присоединить предохранительную перемычку между клеммами 30 и 87 разъема управляющего реле вентилятора системы охлаждения.
  5. Присоединить предохранительную перемычку между клеммами 30 и 87 разъема реле низких оборотов вентилятора системы охлаждения.
  6. Включить зажигание.
Вентиляторы системы охлаждения работают на высоких оборотах?
-
Перейти к операции 27
-
43
Заменить реле высоких оборотов вентилятора системы охлаждения.
Закончен ли ремонт?
-
Система в норме
-
44
Устранить обрыв цепи между клеммой 86 разъема реле высоких оборотов вентилятора системы охлаждения и выключателем зажигания.
Закончен ли ремонт?
-
Система в норме
-
45
Устранить обрыв цепи между клеммой 30 разъема реле высоких оборотов вентилятора системы охлаждения и аккумуляторной батареей.
Закончен ли ремонт?
-
Система в норме
-
46
Устранить обрыв цепи между клеммой 85 разъема управляющего реле вентилятора системы охлаждения и выключателем зажигания.
Закончен ли ремонт?
-
Система в норме
-
47
Устранить обрыв цепи между клеммой 87 разъема управляющего реле вентилятора системы охлаждения и массой.
Закончен ли ремонт?
-
Система в норме
-
48
Устранить обрыв цепи между клеммой 87 разъема реле высоких оборотов вентилятора системы охлаждения и клеммой 2 разъема вспомогательного вентилятора системы охлаждения.
Закончен ли ремонт?
-
Система в норме
-
49
Устранить обрыв цепи между клеммой 85 разъема управляющего реле вентилятора системы охлаждения и клеммой 9 разъема контроллера ЭСУД.
Закончен ли ремонт?
-
Система в норме
-

J3B11F15
Показать иллюстрациюПеревод текста в иллюстрациях


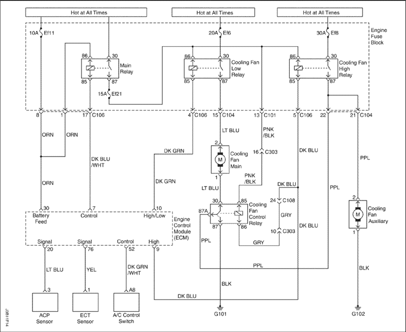
Проверка цепи сдвоенного вентилятора системы охлаждения двигателя (1.8D-FAM I)

Описание схемы

Цепь вентилятора системы охлаждение двигателя управляет основным и вспомогательным вентилятором системы охлаждения. Вентиляторы системы охлаждения управляются контроллером ЭСУД, основываясь на входных сигналах датчика температуры охлаждающей жидкости двигателя (ЕСТ) и датчика давления кондиционирования воздуха (АСР). Контроллер ЭСУД управляет работой вентилятора системы охлаждения на низких оборотах, замыкая на массу клемму К28 разъема контроллера ЭСУД. Это включает реле низких оборотов вентилятора системы охлаждения и включает основной и вспомогательный вентиляторы системы охлаждения на низкие обороты, так как вентиляторы системы охлаждения соединены в последовательную цепь. Контроллер ЭСУД управляет работой вентилятора системы охлаждения на высоких оборотах, одновременно замыкая на массу клемму К28 разъема контроллера ЭСУД и клемму К12 разъема контроллера ЭСУД. Это включает реле низких оборотов вентилятора системы охлаждения, реле высоких оборотов вентилятора системы охлаждения и последовательное/параллельное реле вентилятора системы охлаждения, что приводит к работе вентиляторов на высоких оборотах, так как вентиляторы системы охлаждения подключаются тем самым в параллельную цепь.

Диагностическая информация

Описание проверки

Числа, приведенные ниже, относятся к номерам операции в диагностической таблице:
  1. Эта операция вместе с операцией 5 проверяет способность контроллера ЭСУД управлять вентиляторами системы охлаждения.
  2. Эта операция вместе с операцией 9 проверяет способность контроллера ЭСУД управлять вентиляторами системы охлаждения с учетом сигналов давления системы кондиционирования.
  3. После проверки напряжения аккумуляторной батареи и массы контроллера ЭСУД для стороны катушки реле А вентилятора системы охлаждения можно определить, имеет ли место неисправность реле или проводки, перемкнув клеммы 30 и 87 разъема.
  4. Эта операция проверяет наличие напряжения аккумуляторной батареи на основном вентиляторе системы охлаждения при включенном кондиционере. Если напряжение аккумуляторной батареи имеется, а вентиляторы системы охлаждения не работают, то проблема находится на стороне массы цепи вентилятора системы охлаждения.
  5. При прямом соединении на массу клемм К28 и К12 разъема контроллера ЭСУД основной и вспомогательный вентилятор должны работать на высоких оборотах.

Проверка цепи сдвоенного вентилятора системы охлаждения двигателя (1.8D-FAM I)

ШагОперацияЗначенияДаНет
1
Провести проверку бортовой системы диагностики (eobd).
Проверка завершена?
-
Перейти к операции 2
Перейти к "Проверка бортовой системы диагностики".
2
  1. Проверить предохранитель f2 входного блока предохранителей.
  2. Заменить предохранитель, если необходимо.
Предохранитель в норме?
-
Перейти к операции 3
Перейти к "Диагностическая информация"
3
  1. Проверить предохранители ef21, ef6, ef8 в блоке предохранителей двигателя.
  2. Заменить предохранитель, если необходимо.
Предохранитель в норме?
-
Перейти к операции 4
Перейти к "Диагностическая информация"
4
  1. Выключить зажигание.
  2. Выключить кондиционер.
  3. Подключить сканирующий прибор к колодке диагностики (dlc).
  4. Вентиляторы системы охлаждения должны работать на низких оборотах, когда температура охлаждающей жидкости достигает 97°c (207°f).
Вентиляторы системы охлаждения работают на низких оборотах?
-
Перейти к операции 5
Перейти к операции 10
5
  1. Выключить зажигание.
  2. Выключить кондиционер.
  3. Подключить сканирующий прибор к колодке диагностики.
  4. Запустите двигатель.
  5. Вентиляторы системы охлаждения должны работать на высоких оборотах, когда температура охлаждающей жидкости достигает 101°c (214°f).
Вентиляторы системы охлаждения работают на высоких оборотах?
-
Перейти к операции 6
Перейти к операции 33
6
  1. Выключить зажигание.
  2. Запустите двигатель.
  3. Включить кондиционер.
Муфта компрессора системы кондиционирования включается?
-
Перейти к операции 8
Перейти к операции 7
7
  1. Проверить цепь муфты компрессора системы кондиционирования.
  2. Отремонтировать цепь муфты компрессора системы кондиционирования, если необходимо.
  3. Запустите двигатель.
  4. Включить кондиционер.
Муфта компрессора системы кондиционирования включается?
-
Перейти к операции 8
-
8
Вентиляторы системы охлаждения работают на низких оборотах?
-
Перейти к операции 9
Перейти к операции 31
9
  1. Выключить зажигание.
  2. Присоединить манометры кондиционера.
  3. Запустите двигатель.
  4. Включить кондиционер.
  5. Вентиляторы системы охлаждения должны работать на высоких оборотах, когда давление на стороне высокого давления кондиционера достигает 1882 кПa (273 psi).
Вентиляторы системы охлаждения работают на высоких оборотах?
-
Перейти к операции 10
-
10
  1. Выключить зажигание.
  2. Подключить сканирующий прибор к колодке диагностики.
  3. Температура охлаждающей жидкости должна быть выше 97°С (207°f).
  4. Отсоединить разъём основного вентилятора системы охлаждения.
  5. Включить зажигание.
  6. Присоединить контрольную лампу между клеммой 2 разъема основного вентилятора системы охлаждения и массой.
Горит ли контрольная лампа?
-
Перейти к операции 11
Перейти к операции 12
11
  1. Выключить зажигание.
  2. Подключить сканирующий прибор к колодке диагностики.
  3. Температура охлаждающей жидкости должна быть выше 97°С (207°f).
  4. Отсоединить разъём основного вентилятора системы охлаждения.
  5. Присоединить контрольную лампу между клеммой 1 разъема основного вентилятора системы охлаждения и массой.
Горит ли контрольная лампа?
-
Перейти к операции 28
Перейти к операции 17
12
  1. Выключить зажигание.
  2. Отсоединить реле низких оборотов вентилятора системы охлаждения.
  3. Присоединить контрольную лампу между клеммой 85 разъема реле низких оборотов вентилятора системы охлаждения и массой.
  4. Включить зажигание.
Горит ли контрольная лампа?
-
Перейти к операции 13
Перейти к операции 24
13
  1. Выключить зажигание.
  2. Присоединить реле низких оборотов вентилятора системы охлаждения.
  3. Отсоединить белый разъём контроллера электронной системы управления двигателем (ЭСУД).
  4. Присоединить предохранительную перемычку между клеммой К28 разъема контроллера ЭСУД и массой.
  5. Включить зажигание.
Вентиляторы системы охлаждения работают на низких оборотах?
-
Перейти к операции 30
Перейти к операции 14
14
Проверить на обрыв цепи провод между клеммой 85 разъема реле низких оборотов вентилятора системы охлаждения и клеммой К28 разъема контроллера ЭСУД.
Проблема найдена?
-
Перейти к операции 25
Перейти к операции 15
15
  1. Выключить зажигание.
  2. Отсоединить реле низких оборотов вентилятора системы охлаждения.
  3. Присоединить контрольную лампу между клеммой 30 разъема реле низких оборотов вентилятора системы охлаждения и массой.
Горит ли контрольная лампа?
-
Перейти к операции 16
Перейти к операции 23
16
Присоединить предохранительную перемычку между клеммами 30 и 87 разъема реле низких оборотов вентилятора системы охлаждения.
Вентиляторы системы охлаждения работают на низких оборотах?
-
Перейти к операции 26
Перейти к операции 17
17
  1. Отсоединить управляющее реле вентилятора системы охлаждения.
  2. Присоединить предохранительную перемычку между клеммами 30 и 87 разъема реле низких оборотов вентилятора системы охлаждения.
  3. Присоединить предохранительную перемычку между клеммами 30 и 87 разъема управляющего реле вентилятора системы охлаждения.
Вентиляторы системы охлаждения работают на низких оборотах?
-
Перейти к операции 27
Перейти к операции 18
18
Проверить на обрыв цепи провод между клеммой 87 разъема реле низких оборотов вентилятора системы охлаждения и клеммой 2 разъема основного вентилятора системы охлаждения.
Проблема найдена?
-
Перейти к операции 22
Перейти к операции 19
19
Проверить на обрыв цепи провод между клеммой 1 разъема основного вентилятора системы охлаждения и клеммой 30 разъема управляющего реле вентилятора системы охлаждения.
Проблема найдена?
-
Перейти к операции 22
Перейти к операции 20
20
Проверить на обрыв цепи провод между клеммой 87А разъема управляющего реле вентилятора системы охлаждения и клеммой 2 разъема вспомогательного вентилятора системы охлаждения.
Проблема найдена?
-
Перейти к операции 22
Перейти к операции 21
21
Проверить на обрыв цепи провод между клеммой 1 разъема вспомогательного вентилятора системы охлаждения и массой.
Проблема найдена?
-
Перейти к операции 22
Перейти к операции 29
22
Устранить обрыв цепи, если необходимо.
Закончен ли ремонт?
-
Система в норме
-
23
Устранить обрыв цепи между клеммой 30 разъема реле низких оборотов вентилятора системы охлаждения и предохранителем ef21.
Закончен ли ремонт?
-
Система в норме
-
24
Устранить обрыв цепи между клеммой 86 разъема реле низких оборотов вентилятора системы охлаждения и выключателем зажигания.
Закончен ли ремонт?
-
Система в норме
-
25
Устранить обрыв цепи между клеммой 85 разъема реле низких оборотов вентилятора системы охлаждения и клеммой К28 разъема контроллера ЭСУД.
Закончен ли ремонт?
-
Система в норме
-
26
Заменить реле низких оборотов вентилятора системы охлаждения.
Закончен ли ремонт?
-
Система в норме
-
27
Заменить управляющее реле вентилятора системы охлаждения.
Закончен ли ремонт?
-
Система в норме
-
28
Заменить основной вентилятор системы охлаждения.
Закончен ли ремонт?
-
Система в норме
-
29
Заменить вспомогательный вентилятор системы охлаждения.
Закончен ли ремонт?
-
Система в норме
-
30
Заменить контроллер ЭСУД.
Закончен ли ремонт?
-
Система в норме
-
31
  1. Выключить зажигание.
  2. Отсоединить разъём основного вентилятора системы охлаждения.
  3. Присоединить контрольную лампу между клеммой 2 разъема основного вентилятора системы охлаждения и массой.
  4. Включить кондиционер.
  5. Запустите двигатель.
Горит ли контрольная лампа?
-
Перейти к операции 32
Перейти к операции 12
32
  1. Выключить зажигание.
  2. Присоединить контрольную лампу между клеммой 1 разъема основного вентилятора системы охлаждения и положительным проводом аккумуляторной батареи.
  3. Включить кондиционер.
  4. Запустите двигатель.
Горит ли контрольная лампа?
-
Перейти к операции 28
Перейти к операции 17
33
  1. Выключить зажигание.
  2. Отсоединить реле высоких оборотов вентилятора системы охлаждения.
  3. Присоединить контрольную лампу между клеммой 86 разъема реле высоких оборотов вентилятора системы охлаждения и массой.
  4. Включить зажигание.
Горит ли контрольная лампа?
-
Перейти к операции 34
Перейти к операции 44
34
  1. Выключить зажигание.
  2. Присоединить контрольную лампу между клеммой 30 разъема реле высоких оборотов вентилятора системы охлаждения и массой.
Горит ли контрольная лампа?
-
Перейти к операции 35
Перейти к операции 45
35
  1. Отсоединить управляющее реле вентилятора системы охлаждения.
  2. Присоединить контрольную лампу между клеммой 85 разъема управляющего реле вентилятора системы охлаждения и массой.
  3. Включить зажигание.
Горит ли контрольная лампа?
-
Перейти к операции 36
Перейти к операции 46
36
  1. Выключить зажигание.
  2. Присоединить контрольную лампу между клеммой 87 разъема управляющего реле вентилятора системы охлаждения и положительным проводом аккумуляторной батареи.
Горит ли контрольная лампа?
-
Перейти к операции 37
Перейти к операции 47
37
  1. Присоединить разъём основного вентилятора системы охлаждения.
  2. Присоединить реле высоких оборотов вентилятора системы охлаждения.
  3. Присоединить управляющее реле вентилятора системы охлаждения.
  4. Отсоединить разъём контроллера ЭСУД.
  5. Присоединить предохранительную перемычку между клеммой К28 разъема контроллера ЭСУД и массой.
  6. Присоединить предохранительную перемычку между клеммой К12 разъема контроллера ЭСУД и массой.
  7. Включить зажигание.
Вентиляторы системы охлаждения работают на высоких оборотах?
-
Перейти к операции 30
Перейти к операции 38
38
  1. Выключить зажигание.
  2. Проверить на обрыв цепи провод между клеммой 85 разъема реле высоких оборотов вентилятора системы охлаждения и клеммой К12 разъема контроллера ЭСУД.
Проблема найдена?
-
Перейти к операции 22
Перейти к операции 39
39
  1. Отсоединить реле высоких оборотов вентилятора системы охлаждения.
  2. Присоединить контрольную лампу между клеммой 87 разъема реле высоких оборотов вентилятора системы охлаждения и положительным проводом аккумуляторной батареи.
Горит ли контрольная лампа?
-
Перейти к операции 40
Перейти к операции 48
40
  1. Отсоединить разъём контроллера ЭСУД.
  2. Присоединить предохранительную перемычку между клеммой К12 разъема контроллера ЭСУД и массой.
  3. Отсоединить реле высоких оборотов вентилятора системы охлаждения.
  4. Присоединить контрольную лампу между клеммой 86 разъема управляющего реле вентилятора системы охлаждения и положительным проводом аккумуляторной батареи.
Горит ли контрольная лампа?
-
Перейти к операции 41
Перейти к операции 49
41
  1. Присоединить управляющее реле вентилятора системы охлаждения.
  2. Присоединить предохранительную перемычку между клеммой К12 разъема контроллера ЭСУД и массой.
  3. Отсоединить реле высоких оборотов вентилятора системы охлаждения.
  4. Присоединить предохранительную перемычку между клеммами 30 и 87 разъема реле высоких оборотов вентилятора системы охлаждения.
  5. Отсоединить реле низких оборотов вентилятора системы охлаждения.
  6. Присоединить предохранительную перемычку между клеммами 30 и 87 разъема реле низких оборотов вентилятора системы охлаждения.
  7. Включить зажигание.
Вентиляторы системы охлаждения работают на высоких оборотах?
-
Перейти к операции 43
Перейти к операции 42
42
  1. Выключить зажигание.
  2. Присоединить предохранительную перемычку между клеммой К12 разъема контроллера ЭСУД и массой.
  3. Отсоединить управляющее реле вентилятора системы охлаждения.
  4. Присоединить предохранительную перемычку между клеммами 30 и 87 разъема управляющего реле вентилятора системы охлаждения.
  5. Присоединить предохранительную перемычку между клеммами 30 и 87 разъема реле низких оборотов вентилятора системы охлаждения.
  6. Включить зажигание.
Вентиляторы системы охлаждения работают на высоких оборотах?
-
Перейти к операции 27
-
43
Заменить реле высоких оборотов вентилятора системы охлаждения.
Закончен ли ремонт?
-
Система в норме
-
44
Устранить обрыв цепи между клеммой 86 разъема реле высоких оборотов вентилятора системы охлаждения и выключателем зажигания.
Закончен ли ремонт?
-
Система в норме
-
45
Устранить обрыв цепи между клеммой 30 разъема реле высоких оборотов вентилятора системы охлаждения и аккумуляторной батареей.
Закончен ли ремонт?
-
Система в норме
-
46
Устранить обрыв цепи между клеммой 85 разъема управляющего реле вентилятора системы охлаждения и выключателем зажигания.
Закончен ли ремонт?
-
Система в норме
-
47
Устранить обрыв цепи между клеммой 87 разъема управляющего реле вентилятора системы охлаждения и массой.
Закончен ли ремонт?
-
Система в норме
-
48
Устранить обрыв цепи между клеммой 87 разъема реле высоких оборотов вентилятора системы охлаждения и клеммой 2 разъема вспомогательного вентилятора системы охлаждения.
Закончен ли ремонт?
-
Система в норме
-
49
Устранить обрыв цепи между клеммой 85 разъема управляющего реле вентилятора системы охлаждения и клеммой К12 разъема контроллера ЭСУД.
Закончен ли ремонт?
-
Система в норме
-

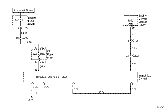
J3B11F18
Показать иллюстрациюПеревод текста в иллюстрациях


Диагностика через колодку диагностики (1,4 л / 1,6 л dohc)

Описание схемы

Средством обмена данными с контроллером электронной системы управления двигателем (ЭСУД) является колодка диагностики (DLC). Она расположена под панелью инструментов. Колодка диагностики используется для подключения сканирующего прибора. Питание и масса подаются на сканирующий прибор через колодку диагностики. Контроллер ЭСУД может обмениваться данными со сканирующим прибором благодаря цепи последовательных данных Keyword-2000 к колодке диагностики. Линия последовательной передачи данных UART (Universal Asynchronous Receiver Transmitter) используется для обмена данными с другими модулями, такими как электронный модуль управления тормозами (EBCM), система надувных подушек безопасности (SIR) и блок панели инструментов.

Диагностическая информация

Убедитесь, что на сканирующем приборе было выбрано правильное применение (модельная линия, год изготовления и т.д.). Если связь не может быть установлена, подключить прибор к другому автомобилю, чтобы убедиться, что сканирующий прибор или кабели не являются причиной проблемы.
Неустойчивая неисправность может быть вызвана слабым контактом, перетертой изоляции или обрывом проводки под изоляцией.
Любая цепь, подозреваемая на создание неустойчивой неисправности, должна быть тщательно проверена на следующие обстоятельства:

Описание проверки

Приведенными ниже числами указываются номера операций в таблице диагностики.
  1. Бортовая система диагностики (EOBD) предлагает мастеру выполнить основные проверки и сохранить состояние и данные неисправностей в сканирующем приборе. Это создает электронную копию данных, записанную при возникновении неисправности. Информация сохраняется в сканирующем приборе для дальнейшей обработки.
  2. В отличие от цепи последовательной передачи данных UART, цепь последовательной передачи данных Class II находится под напряжением только тогда, когда сканирующий прибор запрашивает информацию у контроллера ЭСУД или посылает информацию.
  3. Определить местонахождение и устранить короткие замыкания, которые могли вызвать перегорание предохранителя, если отсутствие напряжения в цепи было связано с перегоранием предохранителя.
  4. Возможно, неисправен сканирующий прибор или его кабели. См. руководство по обслуживанию сканирующего прибора.

Диагностика через колодку диагностики (1,4 л / 1,6 л dohc)

ШагОперацияЗначенияДаНет
1
Провести проверку бортовой системы диагностики (eobd).
Проверка проведена?
-
Перейти к операции 2
Перейти к "Проверка бортовой системы диагностики".
2
Контрольной лампой, подключенной к массе, проверить клемму 16 питания колодки диагностики.
Контрольная лампа горит?
-
Перейти к операции 4
Перейти к операции 3
3
Устранить обрыв цепи или короткое замыкание на массу в цепи питания колодки диагностики.
Закончен ли ремонт?
-
Перейти к операции 4
-
4
Контрольной лампой, подключенной к питанию, проверить клемму 4 массы колодки диагностики.
Контрольная лампа горит?
-
Перейти к операции 6
Перейти к операции 5
5
Устранить обрыв цепи.
Закончен ли ремонт?
-
Перейти к операции 6
-
6
  1. Повернуть ключ зажигания в положение блокировки.
  2. Подключить сканирующий прибор к колодке диагностики.
  3. Включить зажигание.
Сканирующий прибор включается?
-
Перейти к операции 8
Перейти к операции 7
7
Проверить клемму колодки диагностики и сканирующий прибор на неисправности и отремонтировать, если необходимо.
Закончен ли ремонт?
-
Перейти к операции 8
-
8
Используя сканирующий прибор, запросить данные двигателя у контроллера ЭСУД.
Сканирующий прибор выводит на дисплей какие-либо данные?
-
Перейти к операции 12
Перейти к операции 9
9
Установить сканирующий прибор на другой автомобиль и проверить его работоспособность.
Сканирующий прибор работает надлежащим образом на другом автомобиле?
-
Перейти к операции 11
Перейти к операции 10
10
Сканирующий прибор неисправен.
См. руководство по обслуживанию сканирующего прибора.
Закончен ли ремонт?
-
Перейти к операции 12
-
11
Устранить неисправность в цепи связи между контроллером ЭСУД и колодкой диагностики.
Закончен ли ремонт?
-
Перейти к операции 12
-
12
  1. Используя сканирующий прибор, очистить диагностические коды неисправностей.
  2. Попытайтесь запустить двигатель.
Двигатель запускается и продолжает работать?
-
Перейти к операции 13
Перейти к операции 2
13
  1. Дать двигателю поработать на холостом ходу до достижения нормальной рабочей температуры.
  2. Проверьте, не установлены ли какие-либо диагностические коды неисправности?
Отображены ли диагностические коды неисправности, которые не были продиагностированы?
-
Перейти к разделу "Таблица применимых диагностических кодов неисправности"
Система в норме

J6B11F13
Показать иллюстрациюПеревод текста в иллюстрациях


Диагностика через колодку диагностики (1.8D-FAM I)

Описание схемы

Средством обмена данными с контроллером электронной системы управления двигателем (ЭСУД) является колодка диагностики (DLC). Она расположена под панелью инструментов. Колодка диагностики используется для подключения сканирующего прибора. Питание и масса подаются на сканирующий прибор через колодку диагностики. Контроллер ЭСУД может обмениваться данными со сканирующим прибором благодаря цепи последовательных данных Keyword-2000 к колодке диагностики. Линия последовательной передачи данных UART (Universal Asynchronous Receiver Transmitter) используется для обмена данными с другими модулями, такими как электронный модуль управления тормозами (EBCM), система надувных подушек безопасности (SIR) и блок панели инструментов.

Диагностическая информация

Убедитесь, что на сканирующем приборе было выбрано правильное применение (модельная линия, год изготовления и т.д.). Если связь не может быть установлена, подключить прибор к другому автомобилю, чтобы убедиться, что сканирующий прибор или кабели не являются причиной проблемы.
Неустойчивая неисправность может быть вызвана слабым контактом, перетертой изоляции или обрывом проводки под изоляцией.
Любая цепь, подозреваемая на создание неустойчивой неисправности, должна быть тщательно проверена на следующие обстоятельства:

Описание проверки

Приведенными ниже числами указываются номера операций в таблице диагностики.
  1. Бортовая система диагностики (EOBD) предлагает мастеру выполнить основные проверки и сохранить состояние и данные неисправностей в сканирующем приборе. Это создает электронную копию данных, записанную при возникновении неисправности. Информация сохраняется в сканирующем приборе для дальнейшей обработки.
  2. В отличие от цепи последовательной передачи данных UART, цепь последовательной передачи данных Class II находится под напряжением только тогда, когда сканирующий прибор запрашивает информацию у контроллера ЭСУД или посылает информацию.
  3. Определить местонахождение и устранить короткие замыкания, которые могли вызвать перегорание предохранителя, если отсутствие напряжения в цепи было связано с перегоранием предохранителя.
  4. Возможно, неисправен сканирующий прибор или его кабели. См. руководство по обслуживанию сканирующего прибора.

Диагностика через колодку диагностики (1.8D-FAM I)

ШагОперацияЗначенияДаНет
1
Провести проверку бортовой системы диагностики (eobd).
Проверка проведена?
-
Перейти к операции 2
Перейти к "Проверка бортовой системы диагностики".
2
Контрольной лампой, подключенной к массе, проверить клемму 16 питания колодки диагностики.
Контрольная лампа горит?
-
Перейти к операции 4
Перейти к операции 3
3
Устранить обрыв цепи или короткое замыкание на массу в цепи питания колодки диагностики.
Закончен ли ремонт?
-
Перейти к операции 4
-
4
Контрольной лампой, подключенной к питанию, проверить клеммы 4 и 5 массы колодки диагностики.
Контрольная лампа горит?
-
Перейти к операции 6
Перейти к операции 5
5
Устранить обрыв цепи.
Закончен ли ремонт?
-
Перейти к операции 6
-
6
  1. Повернуть ключ зажигания в положение блокировки.
  2. Подключить сканирующий прибор к колодке диагностики.
  3. Включить зажигание.
Сканирующий прибор включается?
-
Перейти к операции 8
Перейти к операции 7
7
Проверить клемму колодки диагностики и сканирующий прибор на неисправности и отремонтировать, если необходимо.
Закончен ли ремонт?
-
Перейти к операции 8
-
8
Используя сканирующий прибор, запросить данные двигателя у контроллера ЭСУД.
Сканирующий прибор выводит на дисплей какие-либо данные?
-
Перейти к операции 12
Перейти к операции 9
9
Установить сканирующий прибор на другой автомобиль и проверить его работоспособность.
Сканирующий прибор работает надлежащим образом на другом автомобиле?
-
Перейти к операции 11
Перейти к операции 10
10
Сканирующий прибор неисправен.
См. руководство по обслуживанию сканирующего прибора.
Закончен ли ремонт?
-
Перейти к операции 12
-
11
Устранить неисправность в цепи связи между контроллером ЭСУД и колодкой диагностики.
Закончен ли ремонт?
-
Перейти к операции 12
-
12
  1. Используя сканирующий прибор, очистить диагностические коды неисправностей.
  2. Попытайтесь запустить двигатель.
Двигатель запускается и продолжает работать?
-
Перейти к операции 13
Перейти к операции 2
13
  1. Дать двигателю поработать на холостом ходу до достижения нормальной рабочей температуры.
  2. Проверьте, не установлены ли какие-либо диагностические коды неисправности?
Отображены ли диагностические коды неисправности, которые не были продиагностированы?
-
Перейти к "Таблице применимых диагностических кодов неисправности"
Система в норме

Проверка баланса форсунок

Тестер топливной форсунки включается на определенное время для подачи отмеренного количества топлива во впускной коллектор. Это вызывает падение давления в топливной рампе, которое может быть записано и использовано для сравнения с каждой топливной форсункой. Все топливные форсунки должны показывать одинаковое падение давления.

Пример проверки баланса форсунок

Цилиндр
1
2
3
4
Первое значение
296 кПа (43 psi)
296 кПа (43 psi)
296 кПа (43 psi)
296 кПа (43 psi)
Второе значение
131 кПа (19 psi)
117 кПа (17 psi)
124 кПа (18 psi)
145 кПа (21 psi)
Падение
165 кПа (24 psi)
179 кПа (26 psi)
172 кПа (25 psi)
151 кПа (22 psi)
Средний диапазон: 156~176 кПа
(22.5~25.5 psi)
Форсунка в норме
Неисправная форсунка - слишком большое падение давления
Форсунка в норме
Неисправная форсунка - слишком малое падение давления

Внимание! Топливная система находится под давлением. Перед отсоединением топливопроводов во избежание пролива топлива и ожогов следует сбросить давление в системе подачи топлива.

Внимание! Не зажимать и не перегибать нейлоновые топливопроводы. Дефекты топливопроводов могут привести к утечке топлива, а вместе с ней к пожару и травмам.

Примечание: Чтобы не допустить заливания двигателя, не проводить проверку баланса форсунок больше, чем один раз (включая повторную проверку неисправных топливных форсунок) на остановленном двигателе.

Проверка

  1. Включить зажигание, чтобы поднять давление топлива до максимального уровня.
  2. Дать давлению топлива стабилизироваться и записать это значение начального давления. Подождать, пока не прекратиться движение иглы манометра.
  3. Следовать указаниям производителя по использованию жгута проводов адаптера. Включить тестер топливной форсунки один раз и записать падение давления топлива в самой нижней точке. Записать это второе значение. Вычесть его из первого значения для определения падения давления топлива.
  4. Отсоединить тестер топливного насос от топливной форсунки.
  5. После включения зажигания, чтобы еще раз получить максимальное давление топлива, подключить тестер к следующей топливной форсунке. Включить тестер топливной форсунки и записать значение давления топлива. Повторить эту процедуру на всех форсунках.
  6. Еще раз проверить топливные форсунки, падение давления на которых превышает 10 кПa (1,5 psi) среднее значение падения давления.
  7. Заменить топливные форсунки, не прошедшие проверку.
  8. Если падение давления всех топливных форсунок в пределах 10 кПa (1,5 psi) среднего значения падения давления, то форсунки работают нормально и замена не требуется.
  9. Заново подключить жгуты проводов топливной форсунки и пройти таблицу диагностики симптомов.
  10. Двигатель должен остыть в течение 10 минут, чтобы избежать искажения значений, связанного с испарением топлива на горячем двигателе.
  11. Осторожно присоединить манометр, чтобы не допустить пролива топлива.
  12. Топливный насос должен работать в течение примерно 2 секунд после включения зажигания.
  13. Прозрачную трубку, установленную на вентиляционный клапан манометра, положить в подходящий контейнер.
  14. Полностью стравить воздух из манометра и шлангов.
  15. Зажигание должно быть выключено не менее 10 секунд для завершения цикла отключения контроллера ЭСУД.


На предыдущую страницуНа следующую страницу
https://vnx.su/ 🛠 Руководства по ремонту и эксплуатации для автомобилей

Поиск по сайту

Остались вопросы или пожелания? Пишите на почту: support@vnx.su

Карта Сайта