К началу документа
Nubira-Lacetti
На предыдущую страницуНа следующую страницу
Главная страница GMDEЗагрузить нединамическое оглавлениеЗагрузить динамическое оглавлениеПомощь


J3B11CG3
Показать иллюстрациюПеревод текста в иллюстрациях


Масляный поддон

Процедура снятия

  1. Отсоедините отрицательный кабель аккумулятора.
  2. Слейте моторное масло из картера двигателя.
  3. Снимите стопорные гайки каталитического нейтрализатора с выхлопной трубы.


  4. J3B11CG4
    Показать иллюстрациюПеревод текста в иллюстрациях


  5. Снимите нижний кронштейн поперечины.
  6. Снимите выпускную соединительную трубу.


  7. J3B11CG5
    Показать иллюстрациюПеревод текста в иллюстрациях


  8. Снимите винты масляного поддона с коробки передач с главной передачей в сборе.


  9. J3B11CG6
    Показать иллюстрациюПеревод текста в иллюстрациях


  10. Снимите стопорные винты масляного поддона с блока цилиндров.
  11. Снимите масляный поддон с блока цилиндров.


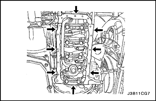
J3B11CG7
Показать иллюстрациюПеревод текста в иллюстрациях


Процедура очистки

  1. Почистите уплотнительную поверхность масляного поддона.
  2. Почистите уплотнительную поверхность блока цилиндров.
  3. Почистите стопорные винты масляного поддона.
  4. Почистите отверстия для соединительных винтов в блоке цилиндров.


J3B11CG6
Показать иллюстрациюПеревод текста в иллюстрациях


Процедура установки

  1. Нанесите герметик на новую прокладку масляного поддона.
  2. Важно: Через 5 минут после нанесения жидкого герметика установите масляный поддон.

  3. Установите масляный поддон на блок цилиндров.
  4. Установите стопорные винты масляного поддона.
  5. Затянуть
    Затяните стопорные винты масляного поддона до 10 Н•м (89 lb-ft).



    J3B11CG5
    Показать иллюстрациюПеревод текста в иллюстрациях


  6. Установите стопорные винты масляного поддона на коробку передач с главной передачей в сборе.
  7. Затянуть
    Затяните винты масляного поддона на коробке передач с главной передачей в сборе до 31 Н•м (23 lb-ft).



    J3B11CG4
    Показать иллюстрациюПеревод текста в иллюстрациях


  8. Установите выпускную соединительную трубу.
  9. Установите стопорные гайки каталитического нейтрализатора на выхлопную трубу.
  10. Затянуть
    Затяните стопорные винты каталитического нейтрализатора на выхлопной трубе до 40 Н•м (30 lb-ft).

  11. Установите нижний кронштейн поперечины.
  12. Присоедините отрицательный кабель аккумулятора.
  13. Установите пробку сливного отверстия масляного поддона.
  14. Затянуть
    Затяните пробку сливного отверстия масляного поддона до 55 Н•м (40 lb-ft).

  15. Заправьте картер моторным маслом.


J3B11CG8
Показать иллюстрациюПеревод текста в иллюстрациях


Масляный насос

Необходимое оборудование

KM-498-B Манометр
KM–135 Адаптер

Процедура проверки давления масла в двигателе

  1. Снимите правое переднее колесо, брызговик ниши колеса и защиту двигателя.
  2. Отсоедините разъем датчика давления масла.


  3. J3B11CG9
    Показать иллюстрациюПеревод текста в иллюстрациях


  4. Установите адаптер km-135 на место датчика давления масла.
  5. Присоедините манометр km-498-b к адаптеру.
  6. Запустите двигатель и проверьте давление масла на холостом ходу и при температуре двигателя 80 °С (176°f). Минимальное давление масла должно быть 30 кПа (4,35 фунтов на psi).
  7. Остановите двигатель и снимите манометр km-498-b и адаптер km-135.


  8. J3B11CG8
    Показать иллюстрациюПеревод текста в иллюстрациях


  9. Установите датчик давления масла.
  10. Затянуть
    Затяните датчик давления масла до 40 Н•м (30 lb-ft).

  11. Присоедините разъем датчика давления масла.
  12. Установите брызговик правого переднего колеса, защиту двигателя и колесо.
  13. Проверьте уровень масла. Залейте масло до максимальной отметки.


J3B11CG8
Показать иллюстрациюПеревод текста в иллюстрациях


Процедура снятия

  1. Отсоедините отрицательный кабель аккумулятора.
  2. Снимите насос рулевого управления с усилителем, если имеется. Следуйте разделу 6А, Система рулевого управления с усилителем.
  3. Снимите приводной ремень газораспределительного механизма. Следуйте пункту "Приводной ремень газораспределительного механизма" в этом разделе.
  4. Снимите заднюю крышку приводного ремня газораспределительного механизма. Следуйте пункту "Задняя крышка приводного ремня газораспределительного механизма" в этом разделе.
  5. Отсоедините разъем датчика давления масла.


  6. J3B11CH1
    Показать иллюстрациюПеревод текста в иллюстрациях


  7. Снимите масляный поддон. Следуйте пункту "Масляный поддон" в этом разделе.
  8. Снимите маслооткачивающую трубу и винты опорного кронштейна.
  9. Снимите маслооткачивающую трубу.


  10. J3B11CH2
    Показать иллюстрациюПеревод текста в иллюстрациях


  11. Снимите стопорные винты масляного насоса.
  12. Осторожно отделите масляный насос и прокладку от блока цилиндров и масляного поддона.
  13. Снимите масляный насос.


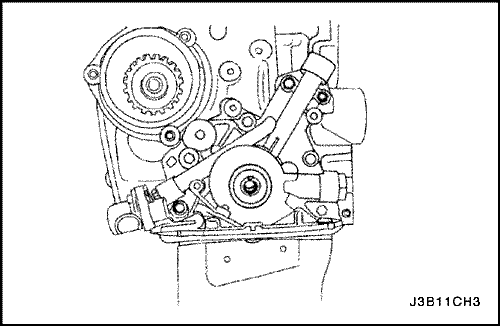
J3B11CH3
Показать иллюстрациюПеревод текста в иллюстрациях


Процедура проверки

  1. Почистите сопрягаемые поверхности прокладок масляного насоса и блока цилиндров.
  2. Снимите винт предохранительного редукционного клапана.
  3. Снимите предохранительный редукционный клапан и пружину.
  4. Снимите уплотнение между масляным насосом и коленчатым валом.


  5. J3B11CH4
    Показать иллюстрациюПеревод текста в иллюстрациях


  6. Снимите винты задней крышки масляного насоса
  7. Снимите винты задней крышки масляного насоса


  8. J3B11CH4
    Показать иллюстрациюПеревод текста в иллюстрациях


  9. Почистите корпус и все детали масляного насоса.
  10. Проверьте все детали масляного насоса на признаки износа. Следуйте пункту "Технические характеристики двигателя" в этом разделе. Замените изношенные детали масляного насоса.
  11. Примечание: Заполните полости масляного насоса вазелином, чтобы обеспечить заливку насоса маслом и предупредить повреждения двигателя.

  12. Смажьте чистым моторным маслом все детали масляного насоса. Установите детали масляного насоса.
  13. Нанесите loctite® 242 на винты задней крышки масляного насоса и установите крышку и винты.
  14. Затянуть
    Затяните винты задней крышки масляного насоса до 8 Н•м (71 фунт на фут).

  15. Установите предохранительный редукционный клапан, пружину, шайбу и винт.
  16. Затянуть
    Затяните винт предохранительного редукционного клапана до 30 Н•м (22 lb-ft).



J3B11CH2
Показать иллюстрациюПеревод текста в иллюстрациях


Процедура установки

  1. Нанесите loctite® 242 на винты масляного насоса и вулканизирующееся при комнатной температуре уплотнение (rtv) на новую прокладку масляного насоса.
  2. Установите прокладку на масляный насос и установите масляный насос на блок цилиндров с винтами.
  3. Затянуть
    Затяните винты масляного насоса до 10 Н•м (89 lb-ft).



    J3B11CH3
    Показать иллюстрациюПеревод текста в иллюстрациях


  4. Установите новое уплотнение между масляным насосом и коленчатым валом. Смажьте кромку уплонтнения тонким слоем консистентной смазки.


  5. J3B11CH1
    Показать иллюстрациюПеревод текста в иллюстрациях


  6. Смажьте резьбу маслооткачивающей трубы и винты опорного кронштейна loctite® 242.
  7. Установите маслооткачивающую трубу и винты.
  8. Затянуть
    Затяните маслооткачивающую трубу и винты опорного кронштейна до 10 Н•м (89 lb-ft).



    J3B11CG8
    Показать иллюстрациюПеревод текста в иллюстрациях


  9. Установите масляный поддон. Следуйте пункту "Масляный поддон" в этом разделе.
  10. Присоедините разъем датчика давления масла.
  11. Установите заднюю крышку приводного ремня газораспределительного механизма. Следуйте пункту "Задняя крышка приводного ремня газораспределительного механизма" в этом разделе.
  12. Установите приводной ремень газораспределительного механизма. Следуйте пункту "Приводной ремень газораспределительного механизма" в этом разделе.
  13. Установите насос рулевого управления с усилителем, если имеется. Следуйте разделу 6А, Система рулевого управления с усилителем.
  14. Присоедините отрицательный кабель аккумулятора.


J3B11CH5
Показать иллюстрациюПеревод текста в иллюстрациях


Подвеска двигателя

Необходимое оборудование

DW110–060 Зажимное приспособление для двигателя

Процедура снятия

  1. Отсоедините отрицательный кабель аккумулятора.
  2. Подоприте двигатель, используя зажимное приспособление для двигателя dw110-060.


  3. J3B11CD6
    Показать иллюстрациюПеревод текста в иллюстрациях


  4. Снимите соединительные винты/гайки кронштейна подвески двигателя.
  5. Снимите переднюю крышку приводного ремня газораспределительного механизма Следуйте пункту "Приводной ремень газораспределительного механизма" в этом разделе.


  6. J3B11CH6
    Показать иллюстрациюПеревод текста в иллюстрациях


  7. Снимите соединительные винты/гайки подвески двигателя.
  8. Снимите подвеску двигателя.


J3B11CH6
Показать иллюстрациюПеревод текста в иллюстрациях


Процедура установки

  1. Установите подвеску двигателя.
  2. Установите стопорные винты подвески двигателя.
  3. Затянуть
    Затяните соединительные винты подвески двигателя до 30 Н•м (22 lb-ft).

  4. Установите переднюю крышку приводного ремня газораспределительного механизма. Следуйте пункту "Приводной ремень газораспределительного механизма" в этом разделе.


  5. J3B11CD6
    Показать иллюстрациюПеревод текста в иллюстрациях


  6. Установите соединительные винты/гайки кронштейна подвески двигателя.
  7. Затянуть
    Затяните соединительные винты/гайки кронштейна подвески двигателя до 55 Н•м (41 lb-ft).



    J3B11CH5
    Показать иллюстрациюПеревод текста в иллюстрациях


  8. Снимите зажимное приспособление для двигателя dw110-060.
  9. Присоедините отрицательный кабель аккумулятора.


J3B11CA6
Показать иллюстрациюПеревод текста в иллюстрациях


Шестерни распределительного вала

Процедура снятия

  1. Отсоедините отрицательный кабель аккумулятора.
  2. Снимите кожух двигателя.
  3. Снимите приводной ремень газораспределительного механизма. Следуйте пункту "Приводной ремень газораспределительного механизма" в этом разделе.
  4. Отсоедините провода зажигания от свечей зажигания.
  5. Отсоедините шланг вентиляции двигателя с крышки газораспределительного механизма.


  6. J3B11CA9
    Показать иллюстрациюПеревод текста в иллюстрациях


  7. Снимите винты крышки газораспределительного механизма.
  8. Снимите крышку газораспределительного механизма и прокладку крышки газораспределительного механизма.


  9. J3B11CD7
    Показать иллюстрациюПеревод текста в иллюстрациях


    Примечание: Проявляйте особую аккуратность, не допуская появления царапин, вмятин или повреждений на распредвалах.

  10. Крепко удерживая впускной распределительный вал, снимите винт шестерни впускного распредвала.
  11. Снимите шестерню впускного распределительного вала.
  12. Крепко удерживая выпускной распределительный вал, снимите винт шестерни выпускного распредвала.
  13. Снимите шестерню выпускного распределительного вала.


J3B11CD7
Показать иллюстрациюПеревод текста в иллюстрациях


Процедура установки

    Примечание: Проявляйте особую аккуратность, не допуская появления царапин, вмятин или повреждений на распредвалах.

  1. Установите шестерню впускного распределительного вала.
  2. Крепко удерживая впускной распределительный вал, установите винт шестерни впускного распредвала.
  3. Затянуть
    Затяните винт шестерни впускного распределительного вала до 67,5 Н•м (49 lb-ft).

  4. Установите шестерню выпускного распределительного вала.
  5. Крепко удерживая выпускной распределительный вал, установите винт шестерни выпускного распредвала.
  6. Затянуть
    Затяните винты шестерни выпускного распределительного вала до 67,5 Н•м (49 lb-ft).



    J3B11CA9
    Показать иллюстрациюПеревод текста в иллюстрациях


  7. Нанесите небольшое количество герметика на углы передней головки распределительного вала и на верх уплотнения крышки газораспределительного механизма с головкой цилиндров.
  8. Установите крышку газораспределительного механизма и прокладку крышки газораспределительного механизма.
  9. Установите винты крышки газораспределительного механизма.
  10. Затянуть
    Затяните гайки крышки газораспределительного механизма до 10 Н•м (89 lb-ft).



    J3B11CA6
    Показать иллюстрациюПеревод текста в иллюстрациях


  11. Установите шланги вентиляции двигателя на крышку газораспределительного механизма.
  12. Соедините провода зажигания со свечами зажигания.
  13. Установите приводной ремень газораспределительного механизма. Следуйте пункту "Приводной ремень газораспределительного механизма" в этом разделе.
  14. Установите кожух двигателя. Следуйте пункту "Кожух двигателя" в этом разделе.
  15. Присоедините отрицательный кабель аккумулятора.


J3B11CH7
Показать иллюстрациюПеревод текста в иллюстрациях


Задняя крышка приводного ремня газораспределительного механизма

Процедура снятия

  1. Снимите приводной ремень газораспределительного механизма и крышку приводного ремня газораспределительного механизма. Следуйте пункту "Приводной ремень газораспределительного механизма" в этом разделе.
  2. Снимите шестерни распределительного вала. Следуйте пункту "Шестерни распределительного вала" в этом разделе.
  3. Снимите шестерню коленчатого вала.
  4. Снимите винты автоматического натяжителя приводного ремня газораспределительного механизма.
  5. Снимите автоматический натяжитель приводного ремня газораспределительного механизма.


  6. J3B11CH8
    Показать иллюстрациюПеревод текста в иллюстрациях


  7. Снимите винт холостого шкива приводного ремня газораспределительного механизма.
  8. Снимите холостой шкив приводного ремня газораспределительного механизма.


  9. J3B11CD8
    Показать иллюстрациюПеревод текста в иллюстрациях


  10. Снимите винты крышки приводного ремня газораспределительного механизма.
  11. Снимите заднюю крышку приводного ремня газораспределительного механизма.


J3B11CH9
Показать иллюстрациюПеревод текста в иллюстрациях


Процедура установки

  1. Установите заднюю крышку приводного ремня газораспределительного механизма.
  2. Установите винты задней крышки приводного ремня газораспределительного механизма.
  3. Затянуть
    Затяните винты задней крышки приводного ремня газораспределительного механизма до 10 Н•м (89 lb-ft).



    J3B11CH8
    Показать иллюстрациюПеревод текста в иллюстрациях


  4. Установите холостой шкив приводного ремня газораспределительного механизма.
  5. Установите винт холостого шкива приводного ремня газораспределительного механизма.
  6. Затянуть
    Затяните винт холостого шкива приводного ремня газораспределительного механизма до 40 Н•м (30 lb-ft).



    J3B11CH7
    Показать иллюстрациюПеревод текста в иллюстрациях


  7. Установите автоматический натяжитель приводного ремня газораспределительного механизма.
  8. Установите винты автоматического натяжителя приводного ремня газораспределительного механизма.
  9. Затянуть
    Затяните винты автоматического натяжителя приводного ремня газораспределительного механизма до 25 Н•м (18 lb-ft).

  10. Установите шестерню коленчатого вала.
  11. Примечание: Проявляйте особую аккуратность, не допуская появления царапин, вмятин или повреждений на распредвалах.

  12. Установите шестерни распределительного вала. Следуйте пункту "Шестерни распределительного вала" в этом разделе.
  13. Установите приводной ремень газораспределительного механизма и крышку приводного ремня газораспределительного механизма. Следуйте пункту "Приводной ремень газораспределительного механизма" в этом разделе.


J3B11CB2
Показать иллюстрациюПеревод текста в иллюстрациях


Двигатель

Процедура снятия

  1. Снимите предохранитель топливного насоса.
  2. Запустите двигатель. После остановки двигателя проверните коленвал двигателя в течение 10 секунд, чтобы стравить давление в топливной системе.
  3. Снимите капот. Следуйте разделу 9R, Передняя часть кузова.
  4. Слейте моторное масло.
  5. Отсоедините отрицательный кабель аккумулятора.


  6. J3B11CD3
    Показать иллюстрациюПеревод текста в иллюстрациях


  7. Отсоедините выходной шланг воздухоочистителя от корпуса дроссельной заслонки и корпуса воздухоочистителя.
  8. Отсоедините трубы сапуна от крышки газораспределительного механизма.
  9. Снимите изгибающийся вспомогательный приводной ремень. Следуйте разделу 6В, Насос рулевого управления с усилителем.
  10. Снимите правое переднее колесо. Следуйте разделу 2Е, Шины и колеса.
  11. Снимите брызговик ниши переднего правого колеса.


  12. J3B11CC9
    Показать иллюстрациюПеревод текста в иллюстрациях


  13. Слейте охлаждающую жидкость двигателя. Следуйте разделу 1D, Охлаждение двигателя.
  14. Снимите радиатор системы охлаждения и вентиляторы системы охлаждения. Следуйте разделу 1D, Охлаждение двигателя.
  15. Отсоедините верхний шланг радиатора от корпуса термостата.
  16. Отсоедините обратный шланг рулевого управления с усилителем от насоса рулевого управления с усилителем. Следуйте разделу 6А, Система рулевого управления с усилителем.
  17. Отсоедините напорный шланг рулевого управления с усилителем от насоса рулевого управления с усилителем. Следуйте разделу 6А, Система рулевого управления с усилителем.
  18. Отсоедините электрический разъем на катушке системы непосредственного зажигания (dis) и зажим соединения на корпус электронного модуля управления (ЕСМ) на впускном коллекторе и стартере.


  19. J3B11CB4
    Показать иллюстрациюПеревод текста в иллюстрациях


  20. Отсоедините разъем датчика кислорода (О2), если имеется.
  21. Отсоедините разъемы жгутов топливной форсунки.
  22. Отсоедините разъемы датчиков МАТ, МАР.
  23. Отсоедините разъем датчика положения дроссельной заслонки (tps).
  24. Отсоедините разъем регулятора напряжения генератор и силовой провод.
  25. Снимите винт зажима электрического жгута.


  26. J3B11CI1
    Показать иллюстрациюПеревод текста в иллюстрациях


  27. Отсоедините все необходимые вакуумные линии, включая вакуумный шланг усилителя тормозов.
  28. Отсоедините подающий топливопровод от топливной рампы.


  29. J3D11C03
    Показать иллюстрациюПеревод текста в иллюстрациях


  30. Отсоедините трос дроссельной заслонки от корпуса дроссельной заслонки и кронштейна впускного коллектора.
  31. Отсоедините шланг охлаждающей жидкости расширительного бачка от корпуса дроссельной заслонки.
  32. Отсоедините выпускной шланг нагревателя от трубы охлаждающей жидкости.
  33. Отсоедините впускной шланг нагревателя от головки цилиндров.
  34. Отсоедините шланг охлаждающей жидкости расширительного бачка от трубы охлаждающей жидкости.
  35. Отсоедините нижний шланг радиатора от трубы охлаждающей жидкости. Отсоедините провод зажима электромагнитного реле "S" стартера. Снимите компрессор кондиционирования воздуха, если имеется. Следуйте разделу 7В, Управление системами отопления, вентиляции и кондиционирования.


  36. J3B11CG3
    Показать иллюстрациюПеревод текста в иллюстрациях


  37. Снимите стопорные гайки каталитического нейтрализатора с выхлопной трубы.
  38. Снимите выхлопную трубу.


  39. J3B11CD4
    Показать иллюстрациюПеревод текста в иллюстрациях


  40. Снимите винт шкива коленчатого вала.
  41. Снимите шкив коленчатого вала.
  42. Отсоедините вакуумные линии электромагнитного реле продувки адсорбера.
  43. Отсоедините электрический разъем на электромагнитном реле продувки адсорбера (ССР) и на датчике детонации.
  44. Отсоедините электрический разъем на датчике давления масла и на электромагнитном реле трубы рециркуляции выхлопных газов (egr).
  45. Отсоедините разъем датчика положения коленчатого вала (cps).


  46. J3B11CI3
    Показать иллюстрациюПеревод текста в иллюстрациях


  47. Снимите винты гидротрансформатора коробки передач с главной передачей в сборе, если имеется автоматическая коробка передач с главной передачей в сборе.
  48. Снимите генератор. Следуйте разделу 1Е, Электрооборудование двигателя.
  49. Снимите винты корпуса картера коробки передач с главной передачей в сборе.
  50. Подоприте коробку передач с главной передачей в сборе при помощи домкрата.
  51. Установите подъемное устройство для двигателя.


  52. J3B11CD6
    Показать иллюстрациюПеревод текста в иллюстрациях


  53. Отсоедините правый кронштейн подвески двигателя от подвески двигателя и от двигателя, сняв соединительные винты и гайки.
  54. Снимите правую подвеску двигателя с блока цилиндров. Следуйте пункту "Подвеска двигателя" в этом разделе.
  55. Отделите блок цилиндров от коробки передач с главной передачей в сборе.
  56. Снимите двигатель.


J3B11CD6
Показать иллюстрациюПеревод текста в иллюстрациях


Процедура установки

  1. Установите двигатель в моторный отсек.
  2. Совместите направляющие штыри двигателя с коробкой передач с главной передачей в сборе.
  3. Установите винты корпуса картера коробки передач с главной передачей в сборе.
  4. Затянуть
    Затяните винты корпуса картера коробки передач с главной передачей в сборе до 75 Н•м (55 lb-ft).

  5. Установите правую подвеску двигателя на блок цилиндров. Следуйте пункту "Подвеска двигателя" в этом разделе.
  6. Присоедините правый кронштейн подвески двигателя к подвеске двигателя и к двигателю, установив соединительные винты и гайки.
  7. Затянуть
    Затяните соединительные винты и гайки кронштейна подвески двигателя до 55 Н•м (41 lb-ft).



    J3B11CI3
    Показать иллюстрациюПеревод текста в иллюстрациях


  8. Снимите домкрат, удерживавший коробку передач с главной передачей в сборе.
  9. Снимите подъемное устройство для двигателя.
  10. Установите винты гидротрансформатора коробки передач с главной передачей в сборе, если имеется автоматическая коробка передач с главной передачей в сборе.
  11. Затянуть
    Затяните винты гидротрансформатора коробки передач с главной передачей в сборе до 45 Н•м (33 lb-ft).

  12. Установите генератор. Следуйте разделу 1Е, Электрооборудование двигателя.


  13. J3B11CD4
    Показать иллюстрациюПеревод текста в иллюстрациях


  14. Присоедините вакуумные линии электромагнитного реле ССР.
  15. Присоедините электрический разъем к электромагнитному реле ССР и датчику детонации.
  16. Присоедините датчик давления масла и разъемы электромагнитного реле egr.
  17. Установите шкив коленчатого вала.
  18. Установите винт шкива коленчатого вала.
  19. Затянуть
    Затяните винт шкива коленчатого вала до 95 Н•м (70 lb-ft) и подтяните его на 30 градусов плюс 15 градусов.



    J3B11CG3
    Показать иллюстрациюПеревод текста в иллюстрациях


  20. Присоедините разъем СРs.
  21. Установите переднюю выхлопную трубу.
  22. Установите стопорные гайки каталитического нейтрализатора на выхлопную трубу.
  23. Затянуть
    Затяните стопорные винты каталитического нейтрализатора на выхлопной трубе до 35 Н•м (26 lb-ft).



    J3B11CO1
    Показать иллюстрациюПеревод текста в иллюстрациях


  24. Присоедините напорный шланг рулевого управления с усилителем.
  25. Присоедините обратный шланг рулевого управления с усилителем.
  26. Установите компрессор кондиционирования воздуха, если имеется. Следуйте разделу 7В, Управление системами отопления, вентиляции и кондиционирования.


  27. J3B11CI1
    Показать иллюстрациюПеревод текста в иллюстрациях


  28. Установите генератор. Следуйте разделу 1Е, Электрооборудование двигателя.
  29. Установите изгибающийся вспомогательный приводной ремень. Следуйте разделу 6В, Насос рулевого управления с усилителем.
  30. Установите брызговик ниши переднего правого колеса.
  31. Установите правое переднее колесо. Следуйте разделу 2Е, Шины и колеса.
  32. Присоедините подающий топливопровод к топливной рампе.


  33. J3D11C04
    Показать иллюстрациюПеревод текста в иллюстрациях


  34. Присоедините все необходимые вакуумные линии, включая вакуумный шланг усилителя тормозов.
  35. Присоедините разъем датчика О2, если имеется.
  36. Присоедините провод зажима электромагнитного реле "S" стартера и силовой провод.
  37. Присоедините разъем регулятора напряжения генератора и силовой провод.
  38. Присоедините разъем cts.
  39. Присоедините разъемы датчиков МАТ, МАР.
  40. Присоедините разъем ТРs.
  41. Установите зажим электрического жгута на опорный кронштейн впускного коллектора.


  42. J3B11CI5
    Показать иллюстрациюПеревод текста в иллюстрациях


  43. Присоедините разъемы жгутов топливной форсунки.
  44. Присоедините электрический разъем к катушке dis и зажим соединения на корпус ЕСМ к стартеру.
  45. Установите выходной шланг воздухоочистителя между корпусом дроссельной заслонки и корпусом воздухоочистителя.
  46. Присоедините трубки сапуна к крышке газораспределительного механизма.
  47. Установите радиатор системы охлаждения и вентиляторы системы охлаждения. Следуйте разделу 1D, Охлаждение двигателя.


  48. J3D11C03
    Показать иллюстрациюПеревод текста в иллюстрациях


  49. Присоедините нижний шланг радиатора к трубе охлаждающей жидкости.
  50. Присоедините верхний шланг радиатора к корпусу термостата.
  51. Присоедините шланг охлаждающей жидкости расширительного бачка к радиатору.
  52. Присоедините впускной шланг нагревателя к головке цилиндров.
  53. Присоедините выпускной шланг нагревателя к трубе охлаждающей жидкости.
  54. Присоедините шланг охлаждающей жидкости расширительного бачка к трубе охлаждающей жидкости.
  55. Присоедините шланг охлаждающей жидкости расширительного бачка к корпусу дроссельной заслонки.


  56. J3B11CC8
    Показать иллюстрациюПеревод текста в иллюстрациях


  57. Присоедините трос дроссельной заслонки к корпусу дроссельной заслонки и кронштейну впускного коллектора.
  58. Установите предохранитель топливного насоса.
  59. Присоедините отрицательный кабель аккумулятора.
  60. Заправьте картер моторным маслом.
  61. Заправьте систему охлаждения двигателя. Следуйте разделу 1D, Охлаждение двигателя.
  62. Опорожните систему рулевого управления с усилителем. Следуйте разделу 6А, Система рулевого управления с усилителем.
  63. Заправьте систему охлаждения кондиционирования воздуха, если имеется. Следуйте разделу 7В, Управление системами отопления, вентиляции и кондиционирования.
  64. Установите капот. Следуйте разделу 9R, Передняя часть кузова.


J3B11CI6
Показать иллюстрациюПеревод текста в иллюстрациях


Шатунно-поршневая группа

Необходимое оборудование

KM-427 Комплект для техобслуживания поршневых колец
KM 470-B Угловой индикатор крутящего момента

Процедура снятия

  1. Снимите головку цилиндров с присоединенным впускным и выпускным коллектором. Следуйте пункту "Головка цилиндров и прокладка" в этом разделе.
  2. Снимите масляный поддон. Следуйте пункту "Масляный поддон" в этом разделе.
  3. Снимите винты маслооткачивающей трубы.
  4. Снимите маслооткачивающую трубу.


  5. J3B11CI7
    Показать иллюстрациюПеревод текста в иллюстрациях


  6. Переместите поршень к низу хода поршня.
  7. Пометьте позицию головки шатуна.
  8. Снимите винты головки шатуна.
  9. Снимите головку шатуна и нижний шатунный подшипник.
  10. Снимите шатунный подшипник верхнего поршня.
  11. Рассверлите стенку цилиндра.


  12. J3B11CI8
    Показать иллюстрациюПеревод текста в иллюстрациях


    Внимание! Аккуратно обращайтесь с цилиндром. Изношенные поршневые кольца остры и могут причинить травму.

  13. Снимите поршень.
  14. Используйте расширитель для поршневых колец, чтобы расширить поршневые кольца.
  15. Снимите поршневые кольца.


  16. J3B11CI9
    Показать иллюстрациюПеревод текста в иллюстрациях


  17. Снимите поршневой палец с поршня и узел шатуна, используя комплект для техобслуживания поршневых колец km-427.
  18. Отделите поршень от шатуна.


J3B11CJ1
Показать иллюстрациюПеревод текста в иллюстрациях


Процедура проверки

  1. Проверьте шатун на изгиб или перекручивание. Если шатун погнут или перекручен, замените шатун.
  2. Проверьте шатунные подшипники.
  3. Проверьте нижнюю часть шатуна на износ.
  4. Проверьте верхнюю часть шатуна на задиры.
  5. Проверьте шейку шатуна коленчатого вала на износ. Следуйте пункту "Технические характеристики двигателя" в этом разделе.
  6. Проверьте поршень на задиры, поломки и износ.
  7. Проверьте поршень на конусность, используя микрометр.


  8. J3B11CJ2
    Показать иллюстрациюПеревод текста в иллюстрациях


  9. Проверьте поршень на соответствие шатуну.


  10. J3B11CJ3
    Показать иллюстрациюПеревод текста в иллюстрациях


  11. Проверьте поверхность плиты блока цилиндров на плоскостность, используя проверочную линейку и щуп. Следуйте пункту "Технические характеристики двигателя" в этом разделе.
  12. Проверьте отверстие подшипника на концентричность и центровку, используя измеритель отверстий. Следуйте пункту "Технические характеристики двигателя" в этом разделе. Если отверстие подшипника выходит за пределы технических характеристик, замените блок цилиндров.
  13. Проверьте отверстие блока цилиндров на износ, биение и конусность, используя измеритель отверстий. Следуйте пункту "Технические характеристики двигателя" в этом разделе.
  14. Проверьте полировку отверстия блока цилиндров. Слегка отхонингуйте отверстие цилиндра, если необходимо.


J3B11CI9
Показать иллюстрациюПеревод текста в иллюстрациях


Процедура установки

  1. Совместите насечку на поршне и шатун так, чтобы нужная сторона была направлена к передней стороне двигателя.
  2. Вставьте направляющую поршневого пальца в поршень и шатун.
  3. Смажьте поршень маслом без присадок.
  4. Вставьте поршневой палец в противоположную сторону поршня.
  5. Вставьте поршневой палец в поршень и узел шатуна, используя комплект для техобслуживания поршневых колец km-427.


  6. J3B11CJ4
    Показать иллюстрациюПеревод текста в иллюстрациях


  7. Выберите комплект новых поршневых колец.
  8. Измерьте зазор поршневого кольца, используя щуп. Следуйте пункту "Технические характеристики двигателя" в этом разделе.
  9. Увеличьте зазор поршневого кольца, аккуратно снимая лишний материал, если зазор поршневого кольца ниже указанного в технических характеристиках.


  10. J3B11CJ5
    Показать иллюстрациюПеревод текста в иллюстрациях


  11. Измерьте боковой зазор поршневого кольца, используя щуп. Следуйте пункту "Технические характеристики двигателя" в этом разделе.
  12. Если поршневое кольцо слишком толстое, попробуйте использовать другое поршневое кольцо.
  13. Если нет поршневого кольца, соответствующего техническим характеристикам, его можно обточить наждачной бумагой, положенной на стекло.


  14. J3B11CJ6
    Показать иллюстрациюПеревод текста в иллюстрациях


  15. Установите маслосъемное кольцо, расширитель, затем второе маслосъемное кольцо на нижнюю канавку кольца поршня.
  16. Установите второе компрессионное кольцо на среднюю канавку кольца поршня.
  17. Установите верхнее компрессионное кольцо на верхнюю канавку кольца поршня.


  18. J3B11CJ7
    Показать иллюстрациюПеревод текста в иллюстрациях


  19. Используйте расширитель для поршневых колец, чтобы установить поршневые кольца. Не расширяйте поршневые кольца выше пределов, необходимых для установки.
  20. Расположите маслосъемные кольца, зазоры направляющих маслосъемных колец, второе компрессионное кольцо и верхнее компрессионное кольцо со смещением по отношению к насечке на верху поршня.


  21. J3B11CJ8
    Показать иллюстрациюПеревод текста в иллюстрациях


  22. Смажьте стенку цилиндра и поршневые кольца моторным маслом без присадок.
  23. Установите поршневое кольцо, используя приспособление для сжимания поршневых колец и деревянную рукоятку. Направьте нижнюю часть шатуна, чтобы предотвратить повреждение шейки коленчатого вала.
  24. Установите головку шатуна и подшипники. Следуйте пункту "Коренные и шатунные подшипники – калиброванная пластмассовая проволока" в этом разделе.


  25. J3B11CJ9
    Показать иллюстрациюПеревод текста в иллюстрациях


  26. Установите винты головки шатуна.
  27. Затянуть
    Затяните винты крышки шатунного подшипника до 25 Н•м (18 lb-ft). Используя угловой индикатор крутящего момента KM-470-B, затяните винты на один оборот на 30 градусов плюс один оборот на 15 градусов.



    J3B11CI6
    Показать иллюстрациюПеревод текста в иллюстрациях


  28. Установите маслооткачивающую трубу.
  29. Установите винты маслооткачивающей трубы.
  30. Затянуть
    Затяните винты маслооткачивающей трубы до 10 Н•м (89 lb-ft).

  31. Установите масляный поддон. Следуйте пункту "Масляный поддон" в этом разделе.
  32. Установите головку цилиндров с присоединенным впускным и выпускным коллектором. Следуйте пункту "Головка цилиндров и прокладка" в этом разделе.


На предыдущую страницуНа следующую страницу
https://vnx.su/ 🛠 Руководства по ремонту и эксплуатации для автомобилей

Поиск по сайту

Остались вопросы или пожелания? Пишите на почту: support@vnx.su

Карта Сайта