К началу документа
Nubira-Lacetti
На предыдущую страницуНа следующую страницу
Главная страница GMDEЗагрузить нединамическое оглавлениеЗагрузить динамическое оглавлениеПомощь

РАЗДЕЛ 1A2

ОБЩИЕ ДАННЫЕ О ДВИГАТЕЛЕ - 2.0 ДИЗЕЛЬ

Внимание! Отключите отрицательный кабель батаре перед снятием или установкой любых электрических узлов или при возможном контакте инструментов или оборудования с оголенными электрическими клеммами. Отключение кабеля поможет избежать травм и механических повреждений автомобиля. Зажигание должно быть заблокировано, если не указано иное.

ТЕХНИЧЕСКИЕ ХАРАКТЕРИСТИКИ

Общие технические характеристики

ПРОГРАММА
Описание
Мощность двигателя
Тип двигателя
Рядный 4-цилиндровый
Цилиндр
Диаметр цилиндров
83 мм
.
Ход поршня
92 мм
Рабочий объем
1991 куб. см.
Степень сжатия
17,5
Макс. мощность
120 л.с./3800 об/мин
Макс. крутящий момент
28,6 кг.м/2000 об/мин
Частота вращения на холостом ходу
Автоматическая КПП
800 ± 20 об/мин
.
Механическая КПП
800 ± 20 об/мин
Детали двигателя
Топливопровод низкого давления
Тип топливного насоса
Героторного типа
.
Расход топлива
165 ~ 215 л/час (при 4,5 бар)
.
Давление подачи топлива
4,15 ~ 5,35 бар
.
Тип топливного фильтра
С извилистыми порами
.
Емкость топливного бака
65 л
Топливопровод высокого давления
Тип топливного насоса
3-цилиндровый радиально-поршневой
.
Подача/вращение насоса
695 мм²/об.
.
Давление в общей топливной рампе
макс. 1600 бар
.
Давление впрыска
макс. 1600 бар
.
Тип форсунки
Электромагнитный клапан
Моторное масло
Вид охлаждения
принудительное водяное охлаждение
.
Стандартно
mb 229.31 5W40
.
Демонтаж двигателя
6,5
.
Замена масла (включая фильтр)
6,2
.
Замена масла (не включая фильтр)
5,94
.
Тип масляного насоса
Закрытый роторный
Система выпуска отработавших газов
Тип глушителя
Перегородочного типа
.
Тип каталитического нейтрализатора
Окислительный преобразователь
.
Тип сажевого фильтра дизельного двигателя (dpf)
Фильтр с покрытием sic
Электрооборудование
Аккумулятор
12 В - 90 Ач
.
Генератор
ad237
.
Стартер
pg260ns

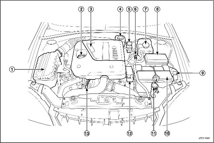
РАСПОЛОЖЕНИЕ КОМПОНЕНТОВ

Моторный отсек


J7C11A01
Показать иллюстрациюПеревод текста в иллюстрациях


  1. Узел воздухоочистителя
  2. Крышка горловины для заливки моторного масла
  3. Декоративная крышка
  4. Бачок для жидкости рулевого управления с гидроусилителем
  5. Бачок для тормозной жидкости
  6. Фильтр моторного масла
  7. Бачок для охлаждающей жидкости двигателя
  8. Коробка предохранителей в моторном отсеке
  9. Контроллер ЭСУД
  10. Аккумуляторная батарея
  11. Бачок с жидкостью для омывателя
  12. Коробка предохранителей свечей предпускового подогрева
  13. Указатель уровня масла

ДИАГНОСТИКА

Общая диагностика

СОСТОЯНИЕ
Вероятная причина
Устранение
Затрудненный запуск (при холодном запуске двигателя)
Неисправность топливной системы
.
Несоответствующее или загрязненное топливо.
Очистить топливо и топливопровод.
Недостаточное количество топлива в топливном баке.
Залить топливо в топливный бак.
Засорение или загрязнение топливного фильтра.
Заменить топливный фильтр.
Засорение топливопровода.
Очистить топливопровод.
Неисправность топливного насоса.
Заменить топливный насос.
Неисправность насоса высокого давления.
Заменить насос высокого давления.
Неисправность форсунок.
Заменить форсунки.
Примеси воды или загрязнение в топливном баке.
Очистить топливный бак.
Падение давления сжатия
.
Недостаточная затяжка форсунки.
Затянуть до указанного момента затяжки.
Недостаточная затяжка свечи накаливания.
Затянуть до указанного момента затяжки.
Растрескивание прокладки головки цилиндров.
Затянуть до указанного момента затяжки.
Утечка в седле клапана.
Заменить головку цилиндров.
Нарушение в штоке клапана.
Заменить клапан.
Недостаточная упругость или повреждение пружины клапана.
Заменить пружину клапана.
Значительное нарушение в работе поршней и цилиндров.
Заменить поршневые кольца.
Сильный износ поршней, колец или цилиндров.
Замените блок цилиндров.
Прочее
.
Обрыв приводного ремня ГРМ.
Заменить приводной ремень ГРМ.
Неисправность клапана принудительной вентиляции картера (pcv).
Проверить и заменить клапан pcv.
Отсоединение, повреждение или нарушение герметичности вакуумного шланга.
Установить надежное соединение шланга или заменить его
Утечка в прокладке системы впуска.
Заменить прокладку системы впуска.
Недостаток мощности двигателя
Падение давления сжатия
См. страницу выше.
Неисправность топливной системы
.
Засорение топливопровода.
Очистить топливопровод.
Засорение или загрязнение топливного фильтра
Заменить топливный фильтр
Несоответствующее или загрязненное топливо.
Очистить топливо и топливопровод.
Прочее
.
Засорение или загрязнение элемента воздушного фильтра.
Очистить или заменить элемент воздушного фильтра.
Утечка в прокладке системы впуска.
Заменить прокладку системы впуска.
Слабая работа тормозов.
Отремонтировать или заменить тормозные механизмы.
Пробуксовка сцепления.
Отрегулировать или заменить сцепление.
Неустойчивые холостые обороты.
Падение давления сжатия
См. страницу выше.
Неисправность топливной системы
.
Засорение топливопровода.
Очистить топливопровод.
Засорение или загрязнение топливного фильтра
Заменить топливный фильтр
Несоответствующее или загрязненное топливо.
Очистить топливо и топливопровод.
Неисправность топливного насоса.
Заменить топливный насос.
Неисправность насоса высокого давления.
Заменить насос высокого давления.
Неисправность форсунок.
Заменить форсунки.
Прочее
.
Засорение или загрязнение элемента воздушного фильтра.
Очистить или заменить элемент воздушного фильтра.
Неисправность клапана принудительной вентиляции картера (pcv).
Проверить и заменить клапан pcv.
Отсоединение, повреждение или нарушение герметичности вакуумного шланга.
Установить надежное соединение шланга или заменить его
Утечка в прокладке системы впуска.
Заменить прокладку системы впуска.
"Медлительность" двигателя (двигатель реагирует на нажатие педали газа не сразу. Это особенно заметно при использовании круиз-контроля или запуске).
Падение давления сжатия
См. страницу выше.
Неисправность топливной системы
.
Засорение топливопровода.
Очистить топливопровод.
Засорение или загрязнение топливного фильтра
Заменить топливный фильтр
Несоответствующее или загрязненное топливо.
Очистить топливо и топливопровод.
Неисправность топливного насоса.
Заменить топливный насос.
Неисправность форсунок.
Заменить форсунки.
Прочее
.
Засорение или загрязнение элемента воздушного фильтра.
Очистить или заменить элемент воздушного фильтра.
Утечка в прокладке системы впуска.
Заменить прокладку системы впуска.
Неровный ход двигателя (мощность двигателя изменяется при фиксированной скорости и скорость изменяется без изменения нажима на педаль газа).
Падение давления сжатия
См. страницу выше.
Неисправность топливной системы
.
Засорение топливопровода.
Очистить топливопровод.
Засорение или загрязнение топливного фильтра.
Заменить топливный фильтр.
Несоответствующее или загрязненное топливо.
Очистить топливо и топливопровод.
Неисправность топливного насоса.
Заменить топливный насос.
Неисправность насоса высокого давления.
Заменить насос высокого давления.
Неисправность форсунок.
Заменить форсунки.
Прочее
.
Засорение или загрязнение элемента воздушного фильтра.
Очистить или заменить элемент воздушного фильтра.
Утечка в прокладке системы впуска.
Заменить прокладку системы впуска.
Повышенная детонация (в пределах открытия дроссельной заслонки прослушивается металлический хлопок с нарушенной вспышкой).
Перегрев двигателя
См. "Перегрев" в этом разделе.
Неисправность топливной системы
.
Засорение или загрязнение топливного фильтра.
Заменить топливный фильтр.
Утечка в прокладке системы впуска.
Заменить прокладку системы впуска.
Большой нагар в связи с нарушением сгорания.
Удалить нагар.
Перегрев
Неисправность системы охлаждения
.
Недостаточное количество охлаждающей жидкости.
Долить охлаждающую жидкость.
Неисправность термостата.
Заменить термостат.
Неисправность вентилятора системы охлаждения.
Заменить вентилятор системы охлаждения.
Недостаточная подача водяного насоса.
Заменить водяной насос.
Засорен радиатор или в нем утечка.
Очистить и отремонтировать или заменить радиатор.
Неисправность системы смазки
.
Низкое качество моторного масла
Заменить моторное масло на указанный сорт.
Закупорка масляного фильтра или фильтра грубой очистки.
Очистить или заменить масляный фильтр или фильтр грубой очистки.
Недостаточное количество моторного масла.
Долить моторное масло.
Снижение работоспособности масляного насоса.
Заменить или отремонтировать масляный насос.
Утечка моторного масла.
Отремонтировать связанный с ней компонент.
Прочее
.
Слабая работа тормозов.
Отремонтировать или заменить тормозные механизмы.
Пробуксовка сцепления.
Отрегулировать или заменить сцепление.
Утечка в прокладке системы впуска.
Заменить прокладку системы впуска.
Недостаточный расход топлива.
Падение давления сжатия
См. страницу выше.
Неисправность топливной системы
.
Засорение топливопровода.
Очистить топливопровод.
Засорение или загрязнение топливного фильтра
Заменить топливный фильтр
Несоответствующее или загрязненное топливо.
Очистить топливо и топливопровод.
Неисправность насоса высокого давления.
Заменить насос высокого давления.
Неисправность форсунок.
Заменить форсунки.
Неисправность системы охлаждения
.
Неисправность термостата.
Заменить термостат.
Прочее
.
Неправильная установка клапанов.
Отремонтировать или заменить клапаны.
Пробуксовка сцепления.
Отремонтировать или заменить сцепление.
Низкое давление в шинах.
Довести давление в шинах до нормы.
Повышенный расход моторного масла
Утечка моторного масла
.
Ослабленное крепление пробки сливного отверстия.
Затянуть пробку сливного отверстия.
Ослабленное крепление болта масляного поддона.
Затянуть болт масляного поддона.
Неудовлетворительное состояние жидкой прокладочной мастики.
Очистить и нанести жидкую прокладочную мастику.
Ослабленное крепление крышки масляного фильтра.
Затянуть крышку масляного фильтра.
Ослабленное крепление датчика давления масла.
Затянуть датчик давления масла.
Нарушение герметичности в переднем сальнике распределительного вала.
Заменить передний сальник распределительного вала.
Нарушение герметичности в переднем сальнике коленчатого вала.
Заменить передний сальник коленчатого вала.
Нарушение герметичности в заднем сальнике коленчатого вала.
Заменить задний сальник коленчатого вала.
Нарушение герметичности в прокладке крышки головки цилиндров.
Заменить прокладку крышки головки цилиндров.
Нарушение герметичности в прокладке головки цилиндров.
Заменить прокладку головки цилиндров.
Смешивание с маслом в камере сгорания.
.
Залегание поршневого кольца.
Удалить нагар и заменить кольцо.
Износ поршня или цилиндра.
Заменить поршень или блок цилиндров.
Износ поршневого кольца или кольцевой бороздки.
Заменить поршень или кольца.
Нарушено расположение режущей части поршневого кольца.
Отрегулировать расположение.
Истирание или повреждение системы клапанов.
Заменить систему клапанов.
Низкое давление масла
Неисправность системы смазки
.
Несоответствующая вязкость масла.
Заменить моторное масло на указанный сорт.
Ослабление выключателя давления в маслопроводе.
Подтянуть выключатель.
Недостаточное количество моторного масла.
Долить моторное масло.
Закупорка масляного фильтра грубой очистки.
Очистить фильтр.
Недостаточная подача масляного насоса.
Замените масляный насос.
Шум в двигателе
Шум клапанов
.
Истирание штока или направляющей клапана.
Заменить клапан или головку цилиндров.
Ослабла пружина клапана.
Заменить пружину клапана.
Истирание пальца-толкателя и мостика клапанов.
Заменить палец-толкатель или мостик клапанов.
Шум от поршня, кольца, цилиндра
.
Истирание поршня, кольца или цилиндра.
Заменить поршень, кольцо или блок цилиндров.
Шум от шатуна
.
Истирание шатунного подшипника.
Заменить шатунный подшипник.
Открутилась гайка шатуна.
Затянуть гайку шатуна до указанного момента затяжки.
Шум от коленчатого вала
.
Истирание коренного подшипника.
Заменить коренной подшипник
Истирание шейки коленчатого вала.
Заменить шейку коленчатого вала.
Ослабленное крепление болтов крышки подшипника.
Затянуть болты крышки подшипника до указанного момента затяжки.
Повышенный зазор в упорном подшипнике коленчатого вала.
Произвести регулировку или заменить.
Снижение давления масла
См. "Низкое давление масла" в этом разделе.

ОБЩИЕ ДАННЫЕ

Чистота и уход

Автомобильный двигатель - это комбинация многих обточенных, хонингованных, отполированных и притертых поверхностей с допусками, измеряемыми в десятитысячных долях дюйма. При обслуживании внутренних деталей двигателя важны чистота и уход. На трущиеся поверхности во время сборки наносится толстый слой машинного масла для защиты и смазки поверхностей в начальный период эксплуатации. Правильная очистка и защита обработанных на станке поверхностей и трущихся деталей - часть процедуры ремонта. Она считается стандартной практикой ремонтных мастерских, даже если это не оговорено особо. После снятия компонентов клапанного механизма для обслуживания их следует содержать в надлежащем порядке. Их следует устанавливать на те же места и с теми же сопрягаемыми поверхностями, как и до демонтажа. Перед проведением больших работ на двигателе следует отключить кабели аккумуляторной батареи. При неотключении кабеля возможны повреждения жгутов кабелей или других электрических деталей.

Техническое обслуживание без демонтажа с двигателя

Внимание! Отключите отрицательный кабель батаре перед снятием или установкой любых электрических узлов или при возможном контакте инструментов или оборудования с оголенными электрическими клеммами. Отключение кабеля поможет избежать травм и механических поврежений. Необходимо также, чтобы ключ зажигания находился в положении "B", если не указано иное.

Примечание: При снятии воздушного фильтра необходимо закрыть впусное отверстие. Эта мера защитит от случайного попадания постороннего материала, который по впускному каналу может попасть в цилиндр и вызвать сильное повреждение при запуске двигателя.



На предыдущую страницуНа следующую страницу
https://vnx.su/ 🛠 Руководства по ремонту и эксплуатации для автомобилей

Поиск по сайту

Остались вопросы или пожелания? Пишите на почту: support@vnx.su

Карта Сайта