К началу документа
Epica
На предыдущую страницуНа следующую страницу
Главная страница GMDEЗагрузить нединамическое оглавлениеЗагрузить динамическое оглавлениеПомощь

РАЗДЕЛ 9T1

Система дистанционного управления замками и противоугонной системой

Внимание! Отсоедините провод от отрицательного вывода аккумулятора, прежде чем снимать или устанавливать какие-либо электрические устройства, а также в ситуации, когда есть возможность касания оголенных электрических контактов каким-либо инструментом или приспособлением. Отсоединение этого провода позволяет избежать травм и повреждения оборудования автомобиля. Кроме того, если не указано иное, зажигание должно находиться в положении LOCK.

ТЕХНИЧЕСКИЕ ХАРАКТЕРИСТИКИ

Моменты затяжки резьбовых соединений

ПРОГРАММА
Н•м
фунт-фут
фунт-дюйм
Крепежный болт кронштейна сирены
9.5
-
84

СПЕЦИАЛЬНЫЕ ИНСТРУМЕНТЫ

Таблица специальных инструментов


SCANTOOL
Показать иллюстрациюПеревод текста в иллюстрациях


Диагностический прибор
.

ПРИНЦИПИАЛЬНЫЕ И МОНТАЖНЫЕ СХЕМЫ

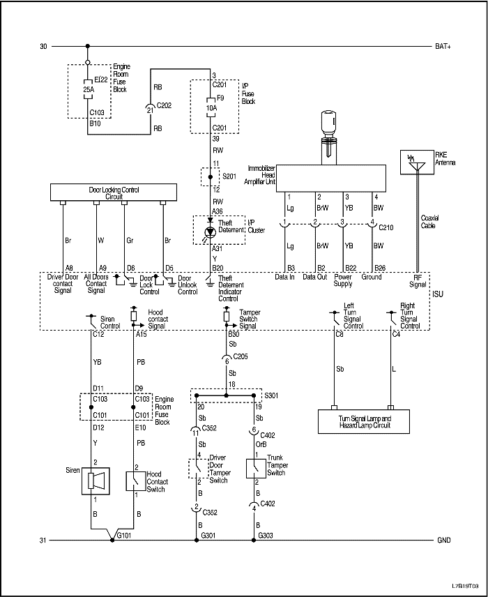
Содержательная схема противоугонной системы

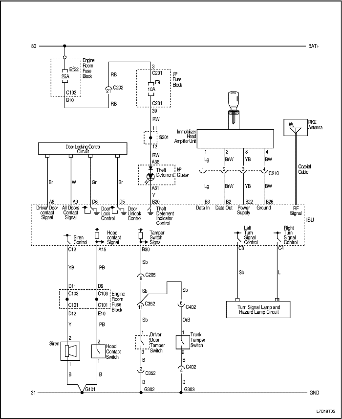
Левостороннее управление


L7B19T03
Показать иллюстрациюПеревод текста в иллюстрациях


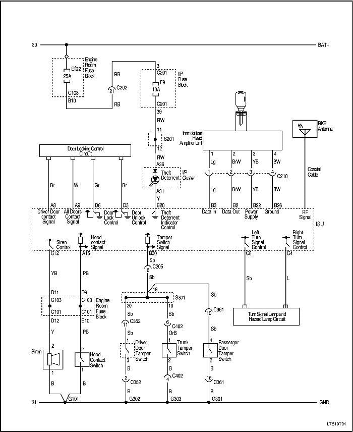
Правостороннее управление (исключая holden)


L7B19T04
Показать иллюстрациюПеревод текста в иллюстрациях


Правостороннее управление (только holden)


L7B19T05
Показать иллюстрациюПеревод текста в иллюстрациях


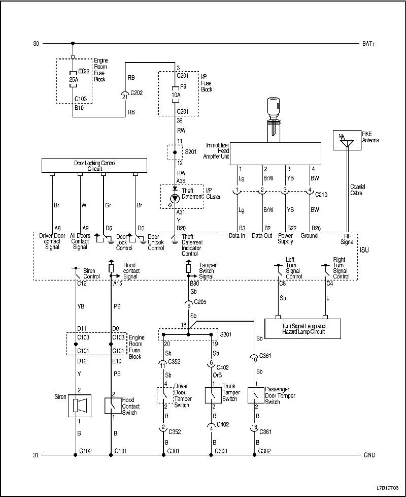
Дизель


L7B19T06
Показать иллюстрациюПеревод текста в иллюстрациях


Правостороннее управление (дизель)


L7B19T04
Показать иллюстрациюПеревод текста в иллюстрациях


ТЕХНИЧЕСКОЕ ОБСЛУЖИВАНИЕ И РЕМОНТ

ТЕХНИЧЕСКОЕ ОБСЛУЖИВАНИЕ БЕЗ ДЕМОНТАЖА С АВТОМОБИЛЯ



L7B59D92
Показать иллюстрациюПеревод текста в иллюстрациях


Сирена

Процедура снятия

  1. Отсоедините провод от отрицательного вывода аккумуляторной батареи.
  2. Снять шноркель. См. раздел 1C, Механическая система двигателя DOHC (XK 2.0/2.5 GSL).
  3. Отсоединить электрический разъем сирены.
  4. Снять крепежный болт кронштейна сирены.
  5. Снять сирену.


L7B59D92
Показать иллюстрациюПеревод текста в иллюстрациях


Процедура установки

  1. Установить кронштейн сирены с помощью крепежного болта. Убедиться, что крепежный болт кронштейна сирены также захватывает реле вспомогательного вентилятора.
  2. Затянуть
    Затянуть крепежный болт кронштейна сирены с усилием 11 Н•м (97 фунт-дюйм).

  3. Подключить электрический разъем сирены.
  4. Установить шноркель. См. раздел 1C, Механическая система двигателя DOHC (XK 2.0/2.5 GSL).
  5. Присоедините провод к отрицательному выводу аккумуляторной батареи.

Контрольный и контактный переключатели передней двери

Процедура снятия

  1. Отсоедините провод от отрицательного вывода аккумуляторной батареи.
  2. Снять панель обивки передней двери. См. Раздел 9G, Облицовка салона.
  3. Снять замок передней двери со встроенными контрольным и контактным переключателями передней двери. См. раздел 9P, «Двери».

Процедура установки

  1. Установить замок передней двери со встроенными контрольным и контактным переключателями передней двери. См. раздел 9P, «Двери».
  2. Установить панель обивки передней двери. См. Раздел 9G, Облицовка салона.
  3. Присоедините провод к отрицательному выводу аккумуляторной батареи.


L7B59D69
Показать иллюстрациюПеревод текста в иллюстрациях


Контрольный переключатель задней торцевой двери

Процедура снятия

  1. Отсоедините провод от отрицательного вывода аккумуляторной батареи.
  2. Снять панель обивки задней торцевой двери. См. Раздел 9G, Облицовка салона.
  3. Отсоединить электрический разъем контрольного переключателя.
  4. Снять контрольный переключатель задней торцевой двери.


L7B59D69
Показать иллюстрациюПеревод текста в иллюстрациях


Процедура установки

  1. Установить контрольный переключатель задней торцевой двери.
  2. Присоединить электрический разъем контрольного переключателя.
  3. Установить панель обивки задней торцевой двери. См. Раздел 9G, Облицовка салона.
  4. Присоедините провод к отрицательному выводу аккумуляторной батареи.

Переключатель открытия задней торцевой двери

Процедура снятия

  1. Отсоедините провод от отрицательного вывода аккумуляторной батареи.
  2. Снять цилиндр замка задней торцевой двери и встроенный контрольный переключатель задней торцевой двери. См. Раздел 9S, Задняя часть кузова.

Процедура установки

  1. Установить цилиндр замка торцевой двери и встроенный переключатель открытия задней торцевой двери. См. Раздел 9S, Задняя часть кузова.
  2. Присоедините провод к отрицательному выводу аккумуляторной батареи.


L7B59D68
Показать иллюстрациюПеревод текста в иллюстрациях


Переключатель открытия капота.

Процедура снятия

  1. Отсоедините провод от отрицательного вывода аккумуляторной батареи.
  2. Снять переключатель открытия капота.
  3. Отсоединить электрический разъем от переключателя открытия капота.


L7B59D68
Показать иллюстрациюПеревод текста в иллюстрациях


Процедура установки

  1. Присоединить электрический разъем к переключателю открытия капота.
  2. Установить переключатель открытия капота.
  3. Присоедините провод к отрицательному выводу аккумуляторной батареи.

Программирование передатчика дистанционного управления замками

    Система дистанционного управления замками позволяет использовать до двух (2) передатчиков на каждом автомобиле. Сменные передатчики системы дистанционного управления замками должны сначала программироваться для определенного автомобиля с помощью диагностического прибора.
    Этот процесс выполняется с помощью последовательной передачи данных между диагностическим прибором и контрольным блоком дистанционного управления замками и является единственным методом, существующим для программирования передатчиков.

    Примечание: Все передатчики для определенного автомобиля должны программироваться одновременно.

    Примечание: Как только активируется функция программирования системы дистанционного управления замками, передатчик, который не был запрограммирован (или перепрограммирован) во время процедуры программирования, перестанет приводить в действие систему дистанционного управления замками данного автомобиля.

    Примечание: Перед началом программирования проверить, закрыты ли двери, капот и багажник/задний люк.

    Внимание! Проверьте, чтобы во время этой процедуры не приводились в работу передатчики с других автомобилей, находящихся в непосредственной близости.

    Внимание! Установить зажигание в положение ON перед установкой диагностического прибора. Неисправность, связанная с этой процедурой, может обусловливать ошибки в коммуникации и процедура программирования не будет завершена. Ключ, который не будет запрограммирован в это время, не будет больше действовать.

  1. Включить зажигание при выключенном двигателе.
  2. Установить диагностический прибор.
  3. Выбрать ПРОГРАММИРОВАНИЕ УСТРОЙСТВА ДИСТАНЦИОННОГО БЕСКЛЮЧЕВОГО ОТКРЫТИЯ из меню КУЗОВ.
  4. Выполняя инструкцию диагностического прибора для каждого ключа, запрограммировать все ключи.
  5. Повернуть ключ зажигания в положение lock, отсоединить tech 2 и проверить все ключи.

ОБЩЕЕ ОПИСАНИЕ И РАБОТА СИСТЕМЫ

Система дистанционного управления замками и противоугонной системой

Дистанционное управление замками и противоугонная система могут выполнять следующие функции:
    Отпирать и запирать двери автомобиля на расстоянии с помощью ручного высокочастотного передатчика.
    Чувствовать вторжение в автомобиль через двери, багажник или капот.
    Включать сигнализацию в случае вторжения.
    Автоматически запирать двери, если дверь или багажник не открывается в течение 30 секунд после того, как автомобиль был отперт с помощью системы дистанционного управления.
    Помочь водителю находить автомобиль в парковочной зоне.
    Передавать последовательные данные на сканирующий инструмент, чтобы помочь в диагностике отказов системы.
В систему дистанционного управления замками/противоугонной системой входят следующие компоненты:
    ISU (блок интеллектуальной коммутации).
    Ручной передатчик.
    Индикатор безопасности.
    Переключатель открытия задней торцевой двери.
    Контрольный переключатель задней торцевой двери.
    Контрольный переключатель передней двери.
    Контактный переключатель двери.
    Сигналы поворота.
    Сирена
    Переключатель открытия капота.

Дистанционное запирание и отпирание

Ручной передатчик запирает и отпирает двери автомобиля, посылая радиоволны на ISU автомобиля. Рабочая зона передатчика колеблется от 5 до 10 м (от 16 до 32 футов) в зависимости от наличия или отсутствия на пути радиоволн посторонних объектов, таких как другие автомобили.
На передатчике есть кнопка LOCK (запереть) и UNLOCK (отпереть), которая работает только при выключенном зажигании и закрытом состоянии всех проемов (дверей, капота, задней торцевой двери). Нажатие кнопки UNLOCK (отпереть) приводит к следующему:
Нажатие кнопки LOCK (запереть) приводит к следующему:
В передатчике имеется сменная батарейка. Срок службы батарейки - не менее трех лет до момента ее замены.

Индикатор безопасности

На комбинации панели приборов есть индикатор безопасности. После нажатия кнопки запирания LOCK на передатчике, модуль/приемник переходит в режим постановки на сигнализацию и загорается индикатор безопасности SECURITY. Индикатор безопасности включается на 0,1 сек и выключается на 0,7 сек. С такой частотой он мигает, пока модуль/приемник не будет снят с сигнализации.

Обнаружение вторжения

Противоугонная функция ставится на сигнализацию, если передатчик отправляет сообщение LOCK (запереть) ISU, когда зажигание выключено. Если открывается капот, дверь или задняя торцевая дверь, то переключатель открытия капота, контактный выключатель двери или переключатель открытия задней торцевой двери изменяют свой входной сигнал на ISU, и включается сигнализация, если не возникает какое-либо из следующих условий:
Сигнализация также включается, если входной сигнал зажигания изменяется на подаваемое аккумуляторной батареей напряжение до момента возникновения одного из следующих условий:

Сирена

Система дистанционного управления замками ставится на сигнализацию, когда получено сообщение LOCK (запереть) от передатчика при выключенном зажигании. Когда система поставлена на сигнализацию, она включает сирену и указатели поворота на 28 сек при возникновении одного из следующих условий:
Сирена снимается с сигнализации после начала подачи звукового сигнал при возникновении одного из следующих условий:

Поиск автомобиля

Система дистанционного управления замками помогает водителю в поиске автомобиля. Если автомобиль отпирается с помощью дистанционного управления, то поворотные сигналы загораются дважды, чтобы показать место расположения автомобиля. Продолжительность световых сигналов и промежуток времени между световыми сигналами используются для того, чтобы показывать определенные состояния автомобиля. Перейти к "Индикация неисправности или предупреждения"в этом разделе.

Автоматическое запирание (защитная блокировка)

Система дистанционного управления замками имеет функцию автоматического запирания. Если двери отпираются с помощью дистанционного передатчика, когда блок управления/приемник поставлен на сигнализацию, то двери автоматически снова запираются через 30 секунд, если при этом не возникает следующих ситуаций:

isu (блок интеллектуальной коммутации)

ISU установлен на левой стороне рулевой колонки в боковине панели приборов. ISU обрабатывает сигналы от дистанционного передатчика и датчиков вторжения и включает сигнализацию при вторжении.
ISU также имеет функцию самодиагностики, которая изображает коды неисправностей. Чтобы вывести на дисплей коды неисправностей, сканирующий инструмент должен быть подключен к коннектору канала передачи данных (DLC).
ISU не будет сообщаться с передатчиками других автомобилей, так как существует более 4 миллиардов возможных комбинаций электронных паролей. ISU имеет прикрепленную антенну для обнаружения сигналов, поступающих с передатчика.

Индикация неисправности или предупреждения

При нажатии кнопки UNLOCK (отпереть) на дистанционном передатчике ISU зажигает стояночные фонари, чтобы показать информацию о системе дистанционного управления замками и противоугонной системой.
Нормальное состояние: Если вторжения в автомобиль и какой-либо неисправности не было обнаружено, то ISU подаст сигнал о нормальном состоянии при нажатии кнопки UNLOCK. Парковочные фонари дважды загорятся на 1 сек, с перерывом 1,0 сек между вспышками.
Индикация вторжения в автомобиль: Если с момента последнего нажатия кнопки LOCK (запереть) имело место вторжение в автомобиль, то при нажатии кнопки UNLOCK (отпереть) ISU подаст сигнал об этом. Стояночные огни дважды загорятся на 0,5 сек, с перерывом в 1,5 сек между вспышками.
Информация в ISU о вторжении в автомобиль и о неисправностях будет стерта, когда в следующий ISU войдет в состояние постановки на сигнализацию после приема от передатчика сообщения LOCK (запереть).


На предыдущую страницуНа следующую страницу
https://vnx.su/ 🛠 Руководства по ремонту и эксплуатации для автомобилей

Поиск по сайту

Остались вопросы или пожелания? Пишите на почту: support@vnx.su

Карта Сайта