К началу документа
Epica
На предыдущую страницуНа следующую страницу
Главная страница GMDEЗагрузить нединамическое оглавлениеЗагрузить динамическое оглавлениеПомощь

РАЗДЕЛ 4A

ГИДРАВЛИЧЕСКАЯ ТОРМОЗНАЯ СИСТЕМА

Внимание! Отключите отрицательный кабель батаре перед снятием или установкой любых электрических узлов или при возможном контакте инструментов или оборудования с оголенными электрическими клеммами. Отключение кабеля поможет избежать травм и механических поврежений. Зажигание должно быть заблокировано, если не указано иное.

ТЕХНИЧЕСКИЕ ХАРАКТЕРИСТИКИ

Общие технические характеристики

Применение
МИЛЛИМЕТРЫ
ДЮЙМЫ
Диски передних тормозов:
Минимально допустимая толщина
22.00
0,87
Боковое биение (в установленном состоянии)
0.06
0.002
Диаметр тормозного диска
278.0
10.94
Толщина тормозного диска (нового)
24.00
0.95
Допустимое отклонение толщины
0.03
0,001
Диски задних тормозов:
Минимально допустимая толщина
10
0.394
Боковое биение (в установленном состоянии)
0.06
0.002
Диаметр тормозного диска
276
10.86
Толщина тормозного диска (нового)
12
0.472
Допустимое отклонение толщины
0.03
0,001
Главный цилиндр:
Диаметр полости цилиндра (номинальный)
25.4
1
Диаметр полости цилиндра (максимальный)
25.4
1
Суппорт:
Минимальный диаметр поршня (передние тормоза)
57.00
2.24
Минимальный диаметр поршня (задние тормоза)
35.00
1.38

Моменты затяжки резьбовых соединений

Применение
n•m
lb-ft
lb-in
Штуцер прокачки
6
-
53
Фитинги тормозных трубок
16
12
-
Гайка крепления педали тормоза к кронштейну
18
13
-
Болт крепления тормозного шланга переднего дискового тормоза к суппорту
40
30
-
Болт крепления тормозного шланга заднего дискового тормоза к суппорту
32
24
-
Винты крепления панели облицовки
3
-
27

ПРИНЦИПИАЛЬНЫЕ И МОНТАЖНЫЕ СХЕМЫ

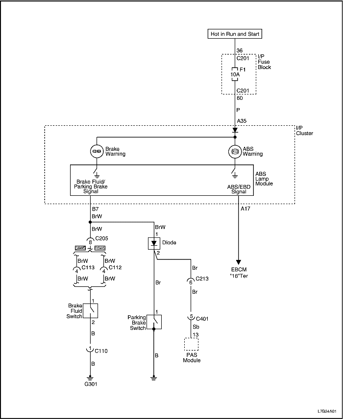
Электрическая цепь контрольной лампы тормоза


L7B24A01
Показать иллюстрациюПеревод текста в иллюстрациях


ДИАГНОСТИКА

Проверка тормозной системы

Проверка эффективности тормозной системы должна проводиться на ровном, сухом и чистом участке дороги без выбоин. Проверка не будет по-настоящему эффективной, если дорога мокрая, покрыта маслом или грязью, т.к. в этом случае не будет обеспечено равенство сцепления всех шин с дорогой. Наличие неровностей также может оказать отрицательное влияние на проведение испытания, т. к. колеса будут подпрыгивать.
Испытание тормозной системы необходимо проводить на разных скоростях, прилагая разные усилия на педаль, при этом, однако, следует избегать блокировки колес. Блокировка колес и переход в юз не свидетельствуют об эффективности тормозной системы, т.к. при заблокированных колесах тормозной путь будет длиннее. Сцепление шины с дорогой будет сильнее, когда к колесу прилагается максимальное тормозное усилие без блокировки, а не при скольжении шины по дорожному покрытию.
При более резком торможении может потребоваться большее усилие на педали.
На эффективность торможения оказывают влияние три основных внешних фактора:
Для проверки утечки тормозной жидкости нажмите и удерживайте педаль тормоза при работающем на холостом ходу двигателе и рычаге переключения передач, находящемся в нейтральном положении (NEUTRAL). Если при этом педаль постепенно проваливается, то это указывает на возможную утечку в системе гидропривода тормозов. Осмотрите систему, чтобы убедиться в отсутствии или наличии утечек.
Проверьте уровень жидкости в главном цилиндре. Незначительное снижение уровня жидкости в бачке может быть связано с износом накладок колодок тормозных механизмов. Значительное снижение уровня указывает на наличие утечек в системе. Утечки в системе гидропривода могут быть внутренними или внешними. Процедура проверки главного цилиндра приведена ниже. При проведении этой проверки незначительные утечки могут быть не обнаружены. Если уровень жидкости в норме, проверьте длину толкателя вакуумного усилителя. При необходимости отрегулируйте длину толкателя или замените его.
Проверьте работоспособность главного цилиндра следующим образом:
Использование нестандартной тормозной жидкости, наличие в ней минерального масла или воды может привести к закипанию тормозной жидкости или повреждению резиновых уплотнителей. Набухание тарелок главного поршня свидетельствует о повреждении резиновых уплотнителей.
При наличии явных признаков повреждения резиновых элементов следует разобрать систему гидропривода и промыть все детали спиртом. Перед сборкой высушите детали струей сжатого воздуха, чтобы не допустить попадания спирта в систему. Замените все резиновые элементы, включая шланги. Кроме того, при работе с тормозным механизмом следует убедиться в отсутствии жидкости на тормозных накладках. При обнаружении жидкости следует заменить накладки.
Если прокладки поршня главного цилиндра в норме, проверьте систему на наличие утечек или перегрева. Если утечки и перегрев не обнаружены, слейте тормозную жидкость, промойте ей главный цилиндр и снова залейте жидкость в цилиндр. Затем прокачайте тормозную систему, чтобы удалить из нее воздух.

Осмотр тормозного шланга

Проверку состояния шлангов гидравлической тормозной системы необходимо проводить не реже двух раз в год. Шланги следует проверять на отсутствие повреждений щебнем или гравием, отсутствие трещин, потертостей внешней оболочки шланга или вздутий, а также на разгерметизацию. Убедитесь в правильности прокладки и крепления шлангов. Если шланг задевает за элементы подвески автомобиля, со временем это приведет к его истиранию и выходу из строя. Для проведения проверки вам потребуется переносная лампа и зеркало. При обнаружении любого из вышеперечисленных дефектов следует устранить его или заменить шланг.

Электрическая цепь контрольной лампы тормоза

Указания по диагностике

Контрольная лампа ТОРМОЗА горит ярко, если замок зажигания повернут в положение "ON" и при этом замкнута цепь либо выключателя стояночного тормоза, либо датчика уровня тормозной жидкости. Если цепи выключателя и датчика обе не замкнуты, то контрольная лампа ТОРМОЗА подключена к "массе" через генератор и горит вполнакала, если замок зажигания повернут в положение "ON", а двигатель выключен. При включении двигателя генератор становится источником напряжения. При наличии напряжения, поданного на оба контакта лампы, она гаснет.

Описание проверки

Номера пунктов ниже являются номерами шагов в диагностической таблице.
  1. С этого шага начинается последовательность проверки контрольной лампы ТОРМОЗА в случае, если она продолжает гореть при работающем двигателе.
  2. С этого шага начинается последовательность проверки контрольной лампы ТОРМОЗА в том случае, если она не загорается во всех режимах работы.

Электрическая цепь контрольной лампы тормоза

ШагОперацияЗначенияДаНет
1
Включить двигатель и не выключать его.
Контрольная лампа ТОРМОЗА горит?
-
Перейти к операции 2
Перейти к операции 10
2
При работающем двигателе выключить стояночный тормоз.
Контрольная лампа ТОРМОЗА погасла?
-
Система в норме
Перейти к операции 3
3
Проверьте уровень тормозной жидкости.
Уровень тормозной жидкости в норме?
-
Перейти к операции 5
Перейти к операции 4
4
  1. Долить в бачок чистую тормозную жидкость dot-4.
  2. Закрутить крышку бачка.
  3. Включить двигатель и не выключать его.
Контрольная лампа ТОРМОЗА горит?
-
Перейти к операции 5
Система в норме
5
Отсоединить разъем жгута проводов от датчика уровня тормозной жидкости на бачке главного цилиндра.
Контрольная лампа ТОРМОЗА горит?
-
Перейти к операции 7
Перейти к операции 6
6
Заменить датчик уровня тормозной жидкости.
Закончен ли ремонт?
-
Система в норме
-
7
  1. Подключить датчик уровня тормозной жидкости.
  2. Отсоединить выключатель контрольной лампы рычага стояночного тормоза.
  3. Включить двигатель и не выключать его.
Контрольная лампа ТОРМОЗА горит?
-
Перейти к операции 9
Перейти к операции 8
8
Заменить выключатель контрольной лампы стояночного тормоза.
Закончен ли ремонт?
-
Система в норме
-
9
Устранить короткое замыкание в цепи жгута проводов приборов между контактом b7 комбинации приборов и массой.
Закончен ли ремонт?
-
Система в норме
-
10
  1. Отсоединить электрический разъем от датчика уровня тормозной жидкости в бачке главного цилиндра.
  2. Соединительным проводом подключить к "массе" контакт 1 разъема жгута проводов датчика уровня тормозной жидкости.
Контрольная лампа ТОРМОЗА горит?
-
Перейти к операции 11
Перейти к операции 13
11
  1. Отсоединить электрический разъем от датчика уровня тормозной жидкости в бачке главного цилиндра.
  2. Соединительным проводом замкнуть контакты 1 и 2 разъема жгута проводов датчика уровня тормозной жидкости.
Контрольная лампа ТОРМОЗА горит?
-
Перейти к операции 12
Перейти к операции 13
12
Заменить датчик уровня тормозной жидкости в бачке главного цилиндра. Датчик можно снимать и устанавливать, не сливая тормозную жидкость из бачка.
Закончен ли ремонт?
-
Система в норме
-
13
  1. Включите зажигание.
  2. Включите стояночный тормоз.
Контрольная лампа ТОРМОЗА горит?
-
Перейти к операции 27
Перейти к операции 14
14
Проверить предохранитель f1.
Предохранитель f1 перегорел?
-
Перейти к операции 15
Перейти к операции 16
15
  1. Проверить на короткое замыкание и, если оно будет обнаружено, устранить его.
  2. Заменить предохранитель f1.
Закончен ли ремонт?
-
Система в норме
-
16
  1. Включите зажигание.
  2. Проверить напряжение на f1.
Соответствует ли измеренное напряжение указанному значению?
11-14 В
Перейти к операции 18
Перейти к операции 17
17
Устранить неисправность подачи напряжения питания на предохранитель f1.
Закончен ли ремонт?
-
Система в норме
-
18
  1. Отсоединить контакт a35 комбинации приборов.
  2. Включите зажигание.
  3. С помощью вольтметра измерить напряжение на контакте a35.
Соответствует ли измеренное напряжение указанному значению?
11-14 В
Перейти к операции 20
Перейти к операции 19
19
Устранить обрыв в цепи между контактом a 35 комбинации приборов и предохранителем f1.
Закончен ли ремонт?
-
Система в норме
-
20
  1. Присоединить контакт a35 комбинации приборов.
  2. Включите зажигание.
  3. Измерить напряжение на контакте b7 комбинации приборов с помощью вольтметра на тыльной стороне разъема.
Соответствует ли измеренное напряжение указанному значению?
11-14 В
Перейти к операции 24
Перейти к операции 21
21
  1. Извлечь контрольную лампу ТОРМОЗА из патрона.
  2. Проверить контрольную лампу ТОРМОЗА.
Контрольная лампа ТОРМОЗА исправна?
-
Перейти к операции 22
Перейти к операции 23
22
Заменить комбинацию приборов.
Закончен ли ремонт?
-
Система в норме
-
23
Заменить контрольную лампу ТОРМОЗА.
Закончен ли ремонт?
-
Система в норме
-
24
  1. Разъединить разъем выключателя контрольной лампы стояночного тормоза.
  2. С помощью соединительного провода подключить разъем выключателя к "массе".
  3. Включите зажигание.
Контрольная лампа ТОРМОЗА горит?
-
Перейти к операции 25
Перейти к операции 26
25
Заменить выключатель контрольной лампы ТОРМОЗА.
Закончен ли ремонт?
-
Система в норме
-
26
Устранить обрыв в цепи между выключателем контрольной лампы ТОРМОЗА и контактом b7 комбинации приборов.
Закончен ли ремонт?
-
Система в норме
-
27
  1. Отсоединить датчик уровня тормозной жидкости на бачке главного цилиндра.
  2. С помощью омметра измерить сопротивление между контактом 2 разъема выключателя и "массой".
Равно ли измеренное напряжение указанному значению?
≈ 0 Ом
Перейти к операции 28
Перейти к операции 29
28
Устранить обрыв в цепи между датчиком уровня тормозной жидкости и "массой".
Закончен ли ремонт?
-
Система в норме
-
29
Устранить обрыв в цепи между контактом 1 датчика уровня тормозной жидкости и контактом b7 комбинации приборов.
Закончен ли ремонт?
-
Система в норме
-

ТЕХНИЧЕСКОЕ ОБСЛУЖИВАНИЕ И РЕМОНТ

ТЕХНИЧЕСКОЕ ОБСЛУЖИВАНИЕ БЕЗ ДЕМОНТАЖА С АВТОМОБИЛЯ



V3B34A02
Показать иллюстрациюПеревод текста в иллюстрациях


Прокачка тормозной системы вручную

    Важно: Удаление воздуха из гидравлического модулятора вручную невозможна. Если в гидравлический модулятор антиблокировочной тормозной системы попал воздух или если установлен незаполненный модулятор, то для удаления воздуха из тормозной системы следует использовать диагностический прибор. Запасные модуляторы поставляются заправленными и прокачанными. Воздух не будет попадать в модулятор при выполнении на автомобиле стандартных процедур технического обслуживания, затрагивающих и модулятор, например, при замене контроллера тормозной системы. В подобных случаях выполните прокачку в соответствии с инструкциями, приведенными в данном разделе.

  1. При выключенном двигателе несколько раз нажмите педаль тормоза, чтобы сравнять давление в вакуумном усилителе с атмосферным.
  2. Важно: Если вы считаете, что в главном цилиндре нет воздуха, то прокачку следует начать с шага 12. Если вы считаете, что в главном цилиндре может быть воздух, то следует прокачать главный цилиндр, начав с шага 2.



    V3B34A03
    Показать иллюстрациюПеревод текста в иллюстрациях


    Примечание: Не допускайте попадания тормозной жидкости на лакокрасочное покрытие, т.к. это может привести к его повреждению.

  3. Заполните бачок главного цилиндра тормозной жидкостью. Во время проведения прокачки бачок главного цилиндра должен быть заполнен жидкостью не меньше, чем наполовину


  4. V3B34A04
    Показать иллюстрациюПеревод текста в иллюстрациях


  5. Отсоединить тормозную трубку в верхней части главного цилиндра.
  6. Заполнять главный цилиндр жидкостью до тех пор, пока она не начнет выливаться через штуцер.
  7. Подсоединить тормозную трубку в верхней части главного цилиндра.


  8. V3B34A02
    Показать иллюстрациюПеревод текста в иллюстрациях


  9. Медленно нажав на педаль тормоза, удерживать ее в этом положении.


  10. V3B34A04
    Показать иллюстрациюПеревод текста в иллюстрациях


  11. При нажатой педали тормоза ослабить крепление тормозной трубки в верхней части главного цилиндра, чтобы выпустить из цилиндра воздух.
  12. Слегка затянуть крепление тормозной трубки. Затем медленно отпустить педаль тормоза. Перед тем как перейти к следующему шагу, подождать 15 секунд.
  13. Повторить шаги 6-8 столько раз, сколько потребуется для полного удаления воздуха из полости главного цилиндра.
  14. Затянуть крепление тормозной трубки.
  15. Затянуть
    Затянуть крепление тормозной трубки моментом 16 Н•м (12 фунто-футов).



    V3B34A05
    Показать иллюстрациюПеревод текста в иллюстрациях


  16. После удаления воздуха через верхнее соединение необходимо удалить воздух через боковое соединение главного цилиндра, действуя в той же последовательности.


  17. V3B34A06
    Показать иллюстрациюПеревод текста в иллюстрациях


  18. Установить прозрачную трубку на штуцер прокачки у правого заднего суппорта. Опустить конец трубки в тормозную жидкость, налитую в прозрачную емкость. После выполнения продувки правого заднего суппорта в описанной ниже последовательности, необходимо выполнить эту процедуру, использовав штуцеры прокачки левого переднего, левого заднего и правого переднего суппортов.


  19. V3B34A07
    Показать иллюстрациюПеревод текста в иллюстрациях


  20. Медленно нажав на педаль тормоза, удерживать ее в этом положении. При прокачке не нажимайте резко на педаль тормоза.
  21. Удерживая педаль тормоза нажатой, ослабить затяжку штуцера прокачки, чтобы выпустить воздух из суппорта.
  22. Когда выход пузырьков воздуха в сосуд прекратится, следует немного затянуть штуцер прокачки.
  23. Плавно отпустите педаль тормоза. Выждите 15 секунд, прежде чем переходить к следующему шагу.
  24. Примечание: Не допускайте попадания тормозной жидкости на лакокрасочное покрытие, т.к. это может привести к его повреждению.

  25. Повторить шаги 13-16 столько раз, сколько потребуется для полного удаления воздуха. Воздух будет удален полностью, когда пузырьки воздуха перестанут выходить в сосуд после ослабления затяжки штуцера прокачки. Во время проведения прокачки бачок главного цилиндра должен быть заполнен жидкостью не меньше, чем наполовину
  26. Затянуть штуцер прокачки.
  27. Затянуть
    Затянуть штуцер прокачки моментом 6 Н•м (53 фунто-дюйма).

  28. Выполнить удаление воздуха через оставшиеся суппорты в следующей последовательности: левый передний, левый задний, правый передний. Использовать процедуру, состоящую из шагов 12-17.
  29. После удаления воздуха через все суппорты проверить педаль тормоза на "мягкость". Если педаль тормоза не "твердая", то повторить полностью всю процедуру удаления воздуха, чтобы устранить эту неисправность.


V3B34A08
Показать иллюстрациюПеревод текста в иллюстрациях


Задний тормозной шланг

Процедура снятия

  1. Поднимите и зафиксируйте автомобиль.
  2. Отсоединить тормозную трубку от шланга дискового тормоза у кронштейна на надколесной дуге.
  3. Снять стопорную скобу тормозного шланга.


  4. V3B34A09
    Показать иллюстрациюПеревод текста в иллюстрациях


  5. Снять стопорную скобу тормозного шланга заднего тормоза и тормозной шланг с кронштейна на стойке кулака.


  6. V3B34A10
    Показать иллюстрациюПеревод текста в иллюстрациях


  7. Снять тормозной шланг заднего дискового тормоза с суппорта.


V3B34A10
Показать иллюстрациюПеревод текста в иллюстрациях


Процедура установки

  1. Установить на суппорт тормозной шланг заднего дискового тормоза.
  2. Затянуть
    Затянуть болт крепления тормозного шланга заднего дискового тормоза к суппорту моментом 32 Н•м (24 фунто-фута).



    V3B34A09
    Показать иллюстрациюПеревод текста в иллюстрациях


  3. Установить тормозной шланг заднего дискового тормоза и стопорную скобу на кронштейн стойки кулака.


  4. V3B34A08
    Показать иллюстрациюПеревод текста в иллюстрациях


  5. Соединить тормозную трубку заднего дискового тормоза с тормозным шлангом на кронштейне на надколесной дуге.
  6. Затянуть
    Затянуть крепления тормозных трубок моментом 16 Н•м (12 фунто-футов).

  7. Опустите автомобиль.
  8. Прокачайте тормозную систему. См. процедуру "Прокачка тормозной системы вручную" в этом разделе.
  9. Проверьте тормозную систему на отсутствие утечек.


V3B34A11
Показать иллюстрациюПеревод текста в иллюстрациях


Передний тормозной шланг

Процедура снятия

  1. Поднимите и зафиксируйте автомобиль.
  2. Отсоединить тормозную трубку от кронштейна тормозного шланга на надколесных дугах с обеих сторон автомобиля.
  3. Снять стопорную скобу.
  4. Снять тормозной шланг с кронштейна на надколесной дуге.


  5. V3B34A12
    Показать иллюстрациюПеревод текста в иллюстрациях


  6. Снять стопорную скобу и отсоединить тормозной шланг от кронштейна на стойке поворотного кулака.


  7. V3B34A13
    Показать иллюстрациюПеревод текста в иллюстрациях


  8. Выверните болт из суппорта.
  9. Снять уплотнительные кольца и шланг дискового тормоза.


V3B34A13
Показать иллюстрациюПеревод текста в иллюстрациях


Процедура установки

  1. Подсоединить новый шланг дискового тормоза к суппорту, используя новые уплотнительные кольца и болт.
  2. Затянуть
    Затянуть болт крепления тормозного шланга переднего дискового тормоза к суппорту моментом 40 Н•м (30 фунто-футов).



    V3B34A11
    Показать иллюстрациюПеревод текста в иллюстрациях


  3. Установить тормозной шланг на кронштейн стойки поворотного кулака и установить стопорную скобу.


  4. V3B34A11
    Показать иллюстрациюПеревод текста в иллюстрациях


  5. Присоединить тормозную трубку к тормозному шлангу на кронштейне на надколесных дугах с обеих сторон автомобиля и установить стопорные скобы.
  6. Затянуть
    Затянуть крепления тормозных трубок моментом 16 Н•м (12 фунто-футов).

  7. Опустите автомобиль.
  8. Прокачайте тормозную систему. См. процедуру "Прокачка тормозной системы вручную" в этом разделе.
  9. Проверьте тормозную систему на отсутствие утечек.


V3B34A14
Показать иллюстрациюПеревод текста в иллюстрациях


Выключатель стоп-сигнала

Процедура снятия

  1. Повернуть по часовой стрелке разъем в сборе с выключателем стоп-сигнала и снять сборку с кронштейна педали тормоза.
  2. Разъединить выключатель стоп-сигнала и разъем.


V3B34A15
Показать иллюстрациюПеревод текста в иллюстрациях


Процедура установки

  1. Вставить выключатель стоп-сигнала в разъем.
  2. Ввернуть выключатель стоп-сигнала в сборе с разъемом в отверстие в кронштейне педали тормоза.


V3B34A16
Показать иллюстрациюПеревод текста в иллюстрациях


Педаль тормоза

Процедура снятия

  1. Снять винты крепления панели облицовки к приборной панели.
  2. Снять панель облицовки.
  3. Снять демпфирующий упор для коленей водителя. См. раздел 9G, "Отделка салона".


  4. V3B34A17
    Показать иллюстрациюПеревод текста в иллюстрациях


  5. Снять выключатель стоп-сигнала. См. процедуру "Выключатель стоп-сигнала" в этом разделе.
  6. Отсоединить фиксатор пружины и болт от вилки толкателя.


  7. V3B34A18
    Показать иллюстрациюПеревод текста в иллюстрациях


  8. Снять гайку и пружину.
  9. Снять педаль тормоза и болт.


  10. V3B34A19
    Показать иллюстрациюПеревод текста в иллюстрациях


  11. Снять накладку педали тормоза.


V3B34A20
Показать иллюстрациюПеревод текста в иллюстрациях


Процедура установки

  1. Установить на педаль новую накладку, если это необходимо (показана педаль автомобиля с автоматической коробкой передач).


  2. V3B34A17
    Показать иллюстрациюПеревод текста в иллюстрациях


  3. Смазать ось педали пластичной смазкой.
  4. Установить педаль тормоза на кронштейн крепления педали к приборной панели и вставить болт педали.
  5. Установить гайку и пружину на болт педали.
  6. Затянуть
    Затянуть гайку крепления тормозной педали к кронштейну моментом 18 Н•м (13 фунто-футов).

  7. Установить на педаль вилку толкателя с болтом и фиксатором пружины.


  8. V3B34A16
    Показать иллюстрациюПеревод текста в иллюстрациях


  9. Установить на кронштейн педали выключатель стоп-сигнала в сборе с разъемом. См. процедуру "Выключатель стоп-сигнала" в этом разделе.
  10. Установите коленный буфер. См. раздел 9G, "Отделка салона".
  11. Установить панель облицовки, закрепив винтами.
  12. Затянуть
    Затянуть винты крепления панели облицовки моментом 3 Н•м (27 фунто-дюймов).

ОБЩЕЕ ОПИСАНИЕ И РАБОТА СИСТЕМЫ

Тормозная жидкость

Тормозная жидкость должна отвечать техническим условиям DOT-4. Используйте только чистую жидкость из герметичной емкости.
Жидкость, контактирующая с воздухом, будет поглощать влагу. Присутствие воды в тормозной жидкости может привести к закипанию последней и повреждению деталей, изготовленных из резины. Устранить все утечки. Затем долить в бачок жидкость до отметки MAX.
Тщательно очистить крышку бачка главного цилиндра перед ее снятием. Не допускать попадания грязи в бачок тормозной жидкости.
В бачке главного цилиндра имеется датчик уровня жидкости. При снижении уровня жидкости ниже допустимого уровня должна загореться контрольная лампа.
Требуемый уровень тормозной жидкости показан с помощью метки на левой стороне бачка главного цилиндра. Если уровень жидкости находится ниже отметки MIN, то проверьте гидравлическую тормозную систему на утечки. Устранить все утечки. Затем долить в бачок жидкость до отметки MAX.


На предыдущую страницуНа следующую страницу
https://vnx.su/ 🛠 Руководства по ремонту и эксплуатации для автомобилей

Поиск по сайту

Остались вопросы или пожелания? Пишите на почту: support@vnx.su

Карта Сайта