РАЗДЕЛ
ПРИНЦИПИАЛЬНЫЕ И МОНТАЖНЫЕ СХЕМЫ
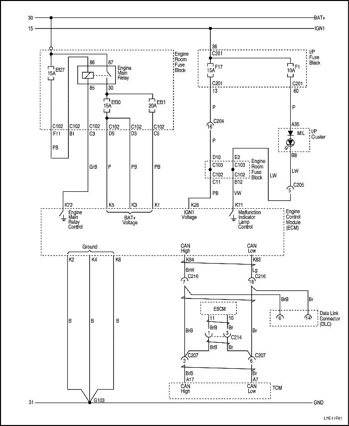
Электрическая схема контроллера ЭСУД (дизель 2,0 л - 1 из 13)


Электрическая схема контроллера ЭСУД (дизель 2,0 л - 2 из 13)


Электрическая схема контроллера ЭСУД (дизель 2,0 л - 3 из 13)


Электрическая схема контроллера ЭСУД (дизель 2,0 л - 4 из 13)


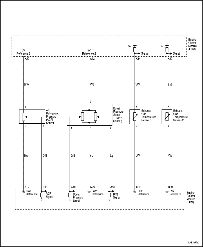
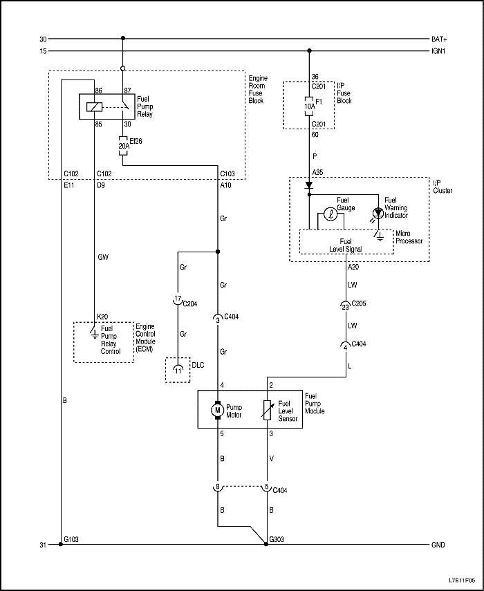
Электрическая схема контроллера ЭСУД (дизель 2,0 л - 5 из 13)


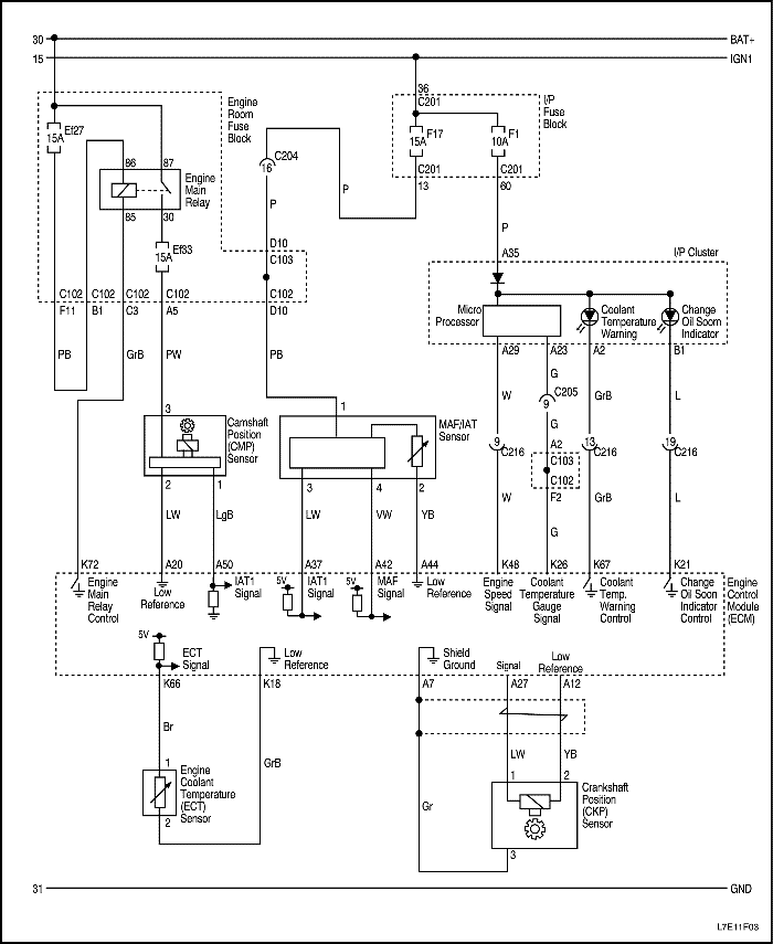
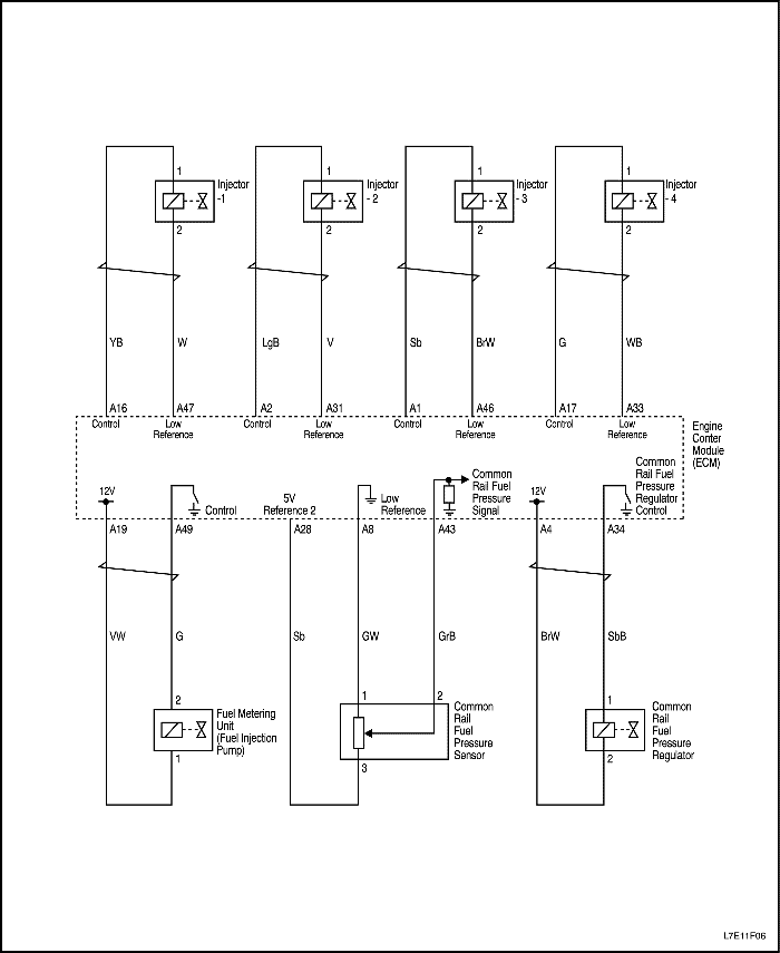
Электрическая схема контроллера ЭСУД (дизель 2,0 л - 6 из 13)


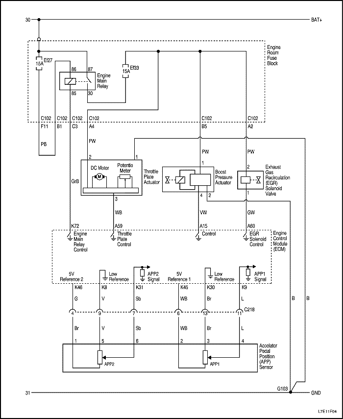
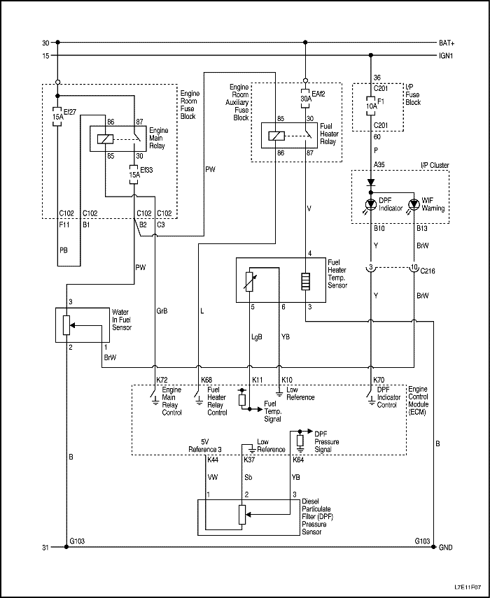
Электрическая схема контроллера ЭСУД (дизель 2,0 л - 7 из 13)


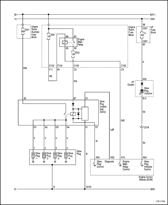
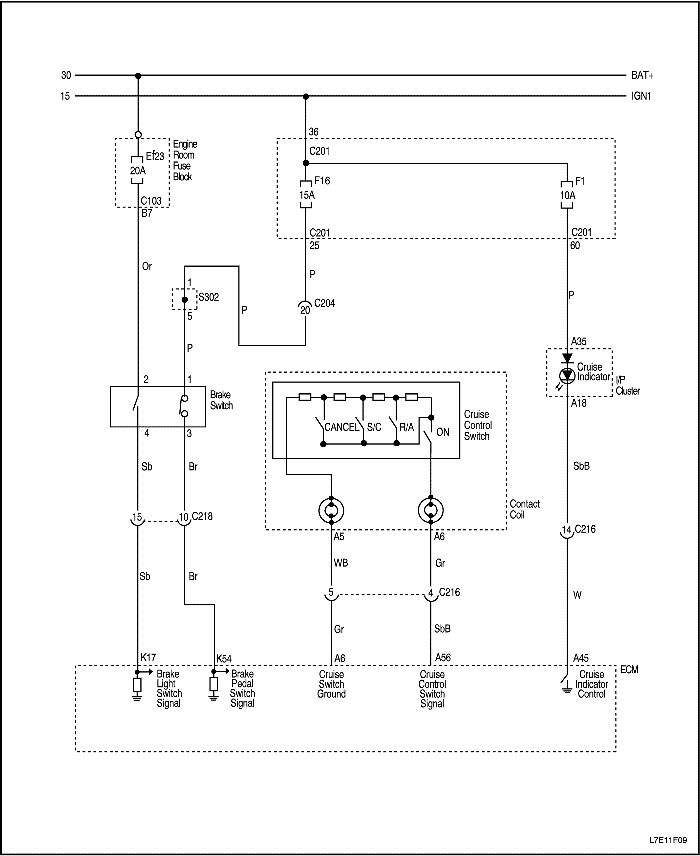
Электрическая схема контроллера ЭСУД (дизель 2,0 л - 8 из 13)


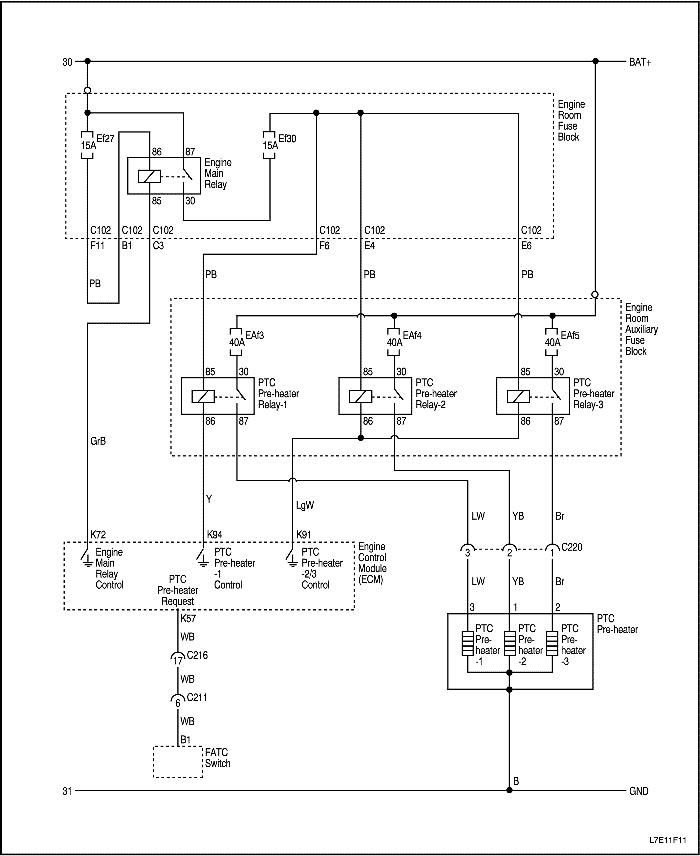
Электрическая схема контроллера ЭСУД (дизель 2,0 л - 9 из 13)


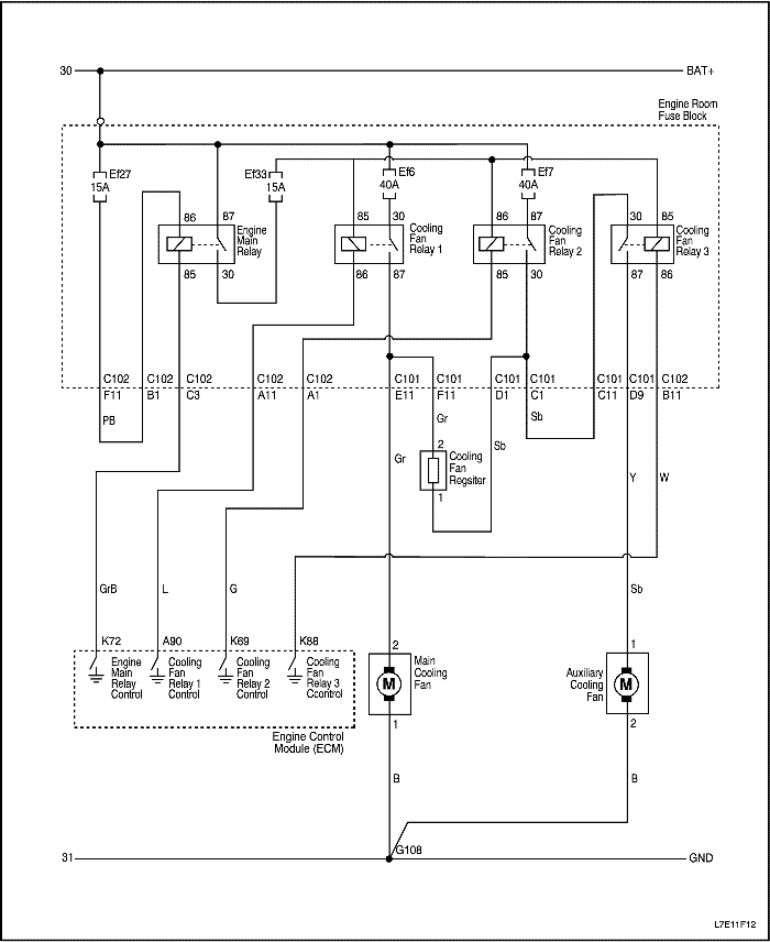
Электрическая схема контроллера ЭСУД (дизель 2,0 л - 10 из 13)


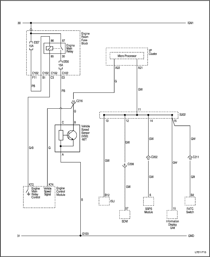
Электрическая схема контроллера ЭСУД (дизель 2,0 л - 11 из 13)


Электрическая схема контроллера ЭСУД (дизель 2,0 л - 12 из 13)


Электрическая схема контроллера ЭСУД (дизель 2,0 л - 13 из 13)


Колодка (вид спереди); Колодка (вид со стороны разъема)




















































РАСПОЛОЖЕНИЕ КОМПОНЕНТОВ


Обозначения
- Насос для впрыска топлива
- форсунка
- Датчик давления в топливной рампе (frp)
- Общая топливная рампа
- Регулятор давления в топливной рампе (frp)
- Возвратный топливопровод в сборе
- Турбонагнетатель
- Электромагнитный клапан вакуума рециркуляции отработавших газов
- Корпус дроссельной заслонки (привод дроссельной заслонки)
- Датчик давления наддува (датчик t-map)
- Датчик температуры охлаждающей жидкости (ЕТС)
- Вакуумный насос
- Клапан рециркуляции выхлопных газов
- Охладитель системы рециркуляции выхлопных газов
- Датчик положения распределительного вала (СМР)
- Датчик давления масла в двигателе (eop)
- Свеча накаливания
- Датчик положения коленчатого вала (ckp)
- Датчик массового расхода воздуха (maf)
- Топливный фильтр в сборе
- Подогреватель топлива / датчик температуры топлива
- Датчик воды в топливе (wif)
- Датчик перепада давления в сажевом фильтре (dpf)
- Датчик 1 температуры отработавшего газа (egt)
- Датчик температуры отработавшего газа (egt) 2
- Сажевый фильтр дизельного двигателя (dpf)
- Педаль акселератора (apm)
- Топливный бак
- Топливный насос; Бензонасос; Электробензонасос