К началу документа
Epica
На предыдущую страницуНа следующую страницу
Главная страница GMDEЗагрузить нединамическое оглавлениеЗагрузить динамическое оглавлениеПомощь

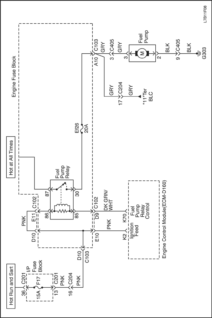
L7B11F08
Показать иллюстрациюПеревод текста в иллюстрациях


Диагностический код неисправности p0230

Цепь управления реле топливного насоса

Описание схемы

Когда зажигание включено, контроллер ЭСУД запускает реле топливного насоса, а также топливный насос внутри бака.
Топливный насос работает, пока двигатель запускается стартером или работает, и контроллер ЭСУД получает контрольные импульсы зажигания.

Условия установки кода неисправности.

Действия, выполняемые при установке кода неисправности

Условия очистки кода неисправности/индикации неисправности

Диагностическая информация

Неустойчивая неисправность может быть вызвана слабым контактом, перетертой изоляции или обрывом проводки под изоляцией.
Любая цепь, подозреваемая на создание неустойчивой неисправности, должна быть тщательно проверена на следующие обстоятельства.

dtc p0230 - Цепь управления реле топливного насоса

ШагОперацияЗначенияДаНет
1
Вы провели проверку диагностической системы?
-
Перейти к операции 2
Перейти к пункту "Проверка диагностической системы".
2
  1. Включить зажигание при заглушенном двигателе.
  2. Дать команду сканирующим прибором на включение топливного насоса.
Реле топливного насоса включается и выключается?
-
Перейти к операции 3
Перейти к операции 4
3
  1. Изучить зарегистрированные данные о сбое для данного кода dtc.
  2. Выключить зажигание на 30 секунд.
  3. Запустите двигатель.
  4. Создать для автомобиля условия появления кода dtc. Можно также создать для автомобиля условия, которые наблюдались на основе зарегистрированных данных о нарушении работы.
Код dtc показал пропуск зажигания?
-
Перейти к операции 4
Перейти к "Диагностическая информация"
4
  1. Выключить зажигание.
  2. Отсоединить реле топливного насоса.
  3. Включить зажигание при заглушенном двигателе.
  4. Проверить контрольной лампой, подключенной к положительному выводу аккумулятора, цепь управления реле топливного насоса.
  5. Дать команду сканирующим прибором на включение топливного насоса.
Контрольная лампа периодически включается и выключается?
-
Перейти к операции 5
Перейти к операции 6
5
  1. Подключить контрольную лампу между цепью управления и цепью напряжения зажигания топливного реле.
  2. Дать команду сканирующим прибором на включение топливного насоса.
Контрольная лампа периодически включается и выключается?
-
Перейти к операции 7
Перейти к операции 9
6
Проверить цепь управления реле топливного насоса на наличие одного из следующих состояний:
  • Обрыв
  • Замыкание на массу
  • Высокое сопротивление
Неисправность обнаружена и устранена?
-
Перейти к операции 12
Перейти к операции 8
7
Проверить на наличие непостоянных нарушений и плохого контакта на реле топливного насоса.
Неисправность обнаружена и устранена?
-
Перейти к операции 12
Перейти к операции 10
8
Проверить на наличие непостоянных нарушений и непрочных соединений у контроллера ЭСУД.
Неисправность обнаружена и устранена?
-
Перейти к операции 12
Перейти к операции 11
9
  1. Устранить одно из следующих состояний неисправности в цепи напряжения зажигания реле топливного насоса:
    • Обрыв
    • Высокое сопротивление
    • Непостоянное замыкание на массу.
  2. Заменить предохранитель, если необходимо.
Ремонт завершен?
-
Перейти к операции 12
-
10
Заменить реле топливного насоса.
Замена произведена?
-
Перейти к операции 12
-
11
Заменить контроллер ЭСУД.
Замена произведена?
-
Перейти к операции 12
-
12
  1. Сканирующим прибором сбросить коды dtc.
  2. Выключить зажигание на 30 секунд.
  3. Запустите двигатель.
  4. Создать для автомобиля условия появления кода dtc. Можно также создать для автомобиля условия, которые наблюдались на основе зарегистрированных данных о нарушении работы.
Код dtc показал пропуск зажигания?
-
Перейти к операции 2
Перейти к операции 13
13
Проверьте, не установлены ли дополнительные диагностические коды неисправности.
Отображены ли диагностические коды неисправности, которые не были продиагностированы?
-
Перейти к соответствующей таблице диагностических кодов неисправности
Система в норме

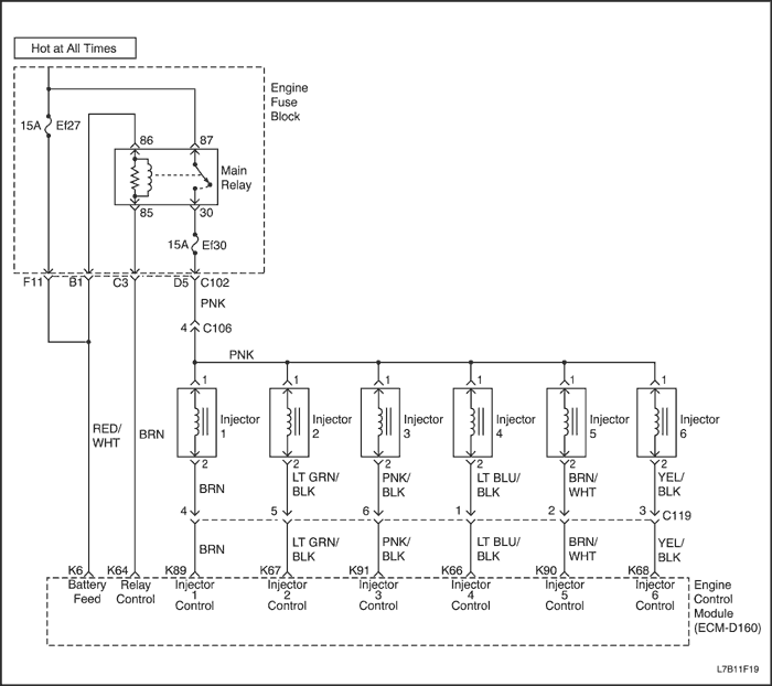
L7B11F19
Показать иллюстрациюПеревод текста в иллюстрациях


Диагностический код неисправности p0261

Низкое напряжение цепи управления форсунки 1

Описание схемы

В контроллере ЭСУД имеется шесть отдельных управляющих схем форсунок, каждая из которых управляет одной из форсунок. Форсунка включается, когда цепь управления замыкается на массу контроллером ЭСУД. Контроллер ЭСУД контролирует ток в каждой цепи управления. Контроллер ЭСУД измеряет падение напряжения постоянным резистором и управляет им. Для определения неисправности каждая цепь управления контролируется. Если напряжение в цепи отличается от заданного в контроллере ЭСУД, то устанавливается диагностический код неисправности. Данный DTC обнаруживает состояния низкого напряжения и/или обрыва цепи.

Условия установки кода неисправности.

Действия, выполняемые при установке кода неисправности

Условия очистки кода неисправности/индикации неисправности

Диагностическая информация

Цепь управления форсункой, в которой имеется разрыв или короткое замыкание на массу, вызывает установку DTC P0261. А также вызывает пропуск зажигания от неработающей форсунки. Также должен быть установлен диагностический код неисправности зажигания с указанием неисправной форсунки.
Слишком высокое или слишком низкое значение долгосрочной и краткосрочной корректировки топливоподачи указывают на неисправность форсунки. См. "Проверка баланса форсунок" в этом разделе для проверки неисправных форсунок.

dtc p0261 - Низкое напряжение цепи управления форсунки 1

ШагОперацияЗначенияДаНет
1
Провести проверку системы диагностики.
Проверка системы завершена?
-
Перейти к операции 2
Перейти к пункту "Проверка диагностической системы".
2
  1. Поверните замок зажигание в положение lock.
  2. Отсоединить разъем форсунки.
  3. Отсоединить разъём контроллера ЭСУД.
  4. Проверить на наличие обрыва или замыкания на массу в проводе между клеммой 2 разъема форсунки 1 и клеммой К89 разъема контроллера ЭСУД.
Неисправность обнаружена?
-
Перейти к операции 3
Перейти к операции 4
3
  1. Отремонтировать провод или клемму разъема между клеммой 2 разъема форсунки 1 и клеммой К89 разъема контроллера ЭСУД.
  2. Используя сканирующий прибор, очистить диагностические коды неисправностей.
  3. Провести проверку системы диагностики.
Закончен ли ремонт?
-
Система в норме
-
4
  1. Поверните замок зажигание в положение lock.
  2. Проверить на наличие обрыва или замыкания на массу провод между клеммой 1 разъема форсунки 1 и клеммой 30 главного реле.
Неисправность обнаружена?
-
Перейти к операции 5
Перейти к операции 6
5
  1. Отремонтировать провод или клемму разъема между клеммой 1 разъема форсунки 1 и клеммой 30 главного реле.
  2. Используя сканирующий прибор, очистить диагностические коды неисправностей.
  3. Провести проверку системы диагностики.
Закончен ли ремонт?
-
Система в норме
-
6
  1. Заменить форсунку 1.
  2. Используя сканирующий прибор, очистить диагностические коды неисправностей.
  3. Провести проверку системы диагностики.
Закончен ли ремонт?
-
Система в норме
Перейти к операции 7
7
  1. Поверните замок зажигание в положение lock.
  2. Заменить контроллер ЭСУД.
  3. Провести проверку системы диагностики.
Закончен ли ремонт?
-
Система в норме
-

L7B11F19
Показать иллюстрациюПеревод текста в иллюстрациях


Диагностический код неисправности p0262

Высокое напряжение цепи управления форсунки 1

Описание схемы

В контроллере ЭСУД имеется шесть отдельных управляющих схем форсунок, каждая из которых управляет одной из форсунок. Форсунка включается, когда цепь управления замыкается на массу контроллером ЭСУД. Контроллер ЭСУД контролирует ток в каждой цепи управления. Контроллер ЭСУД измеряет падение напряжения постоянным резистором и управляет им. Для определения неисправности каждая цепь управления контролируется. Если напряжение в цепи отличается от заданного в контроллере ЭСУД, то устанавливается диагностический код неисправности. Данный DTC обнаруживает состояния высокого напряжения и/или замыкания на напряжение аккумулятора.

Условия установки кода неисправности.

Действия, выполняемые при установке кода неисправности

Условия очистки кода неисправности/индикации неисправности

Диагностическая информация

Цепь управления форсункой, в которой имеется короткое замыкание на напряжение аккумулятора, вызывает установку DTC P0262. А также вызывает пропуск зажигания от неработающей форсунки. Также должен быть установлен диагностический код неисправности зажигания с указанием неисправной форсунки.
Слишком высокое или слишком низкое значение долгосрочной и краткосрочной корректировки топливоподачи указывают на неисправность форсунки. См. "Проверка баланса форсунок" в этом разделе для проверки неисправных форсунок.

dtc p0262 - Высокое напряжение цепи управления форсунки 1

ШагОперацияЗначенияДаНет
1
Провести проверку системы диагностики.
Проверка системы завершена?
-
Перейти к операции 2
Перейти к пункту "Проверка диагностической системы".
2
  1. Поверните замок зажигание в положение lock.
  2. Отсоединить разъем форсунки.
  3. Отсоединить разъём контроллера ЭСУД.
  4. Проверить на наличие обрыва или замыкания на напряжение питания в проводе между клеммой 2 разъема форсунки 1 и клеммой К89 разъема контроллера ЭСУД.
Неисправность обнаружена?
-
Перейти к операции 3
Перейти к операции 4
3
  1. Отремонтировать провод или клемму разъема между клеммой 2 разъема форсунки 1 и клеммой К89 разъема контроллера ЭСУД.
  2. Используя сканирующий прибор, очистить диагностические коды неисправностей.
  3. Провести проверку системы диагностики.
Закончен ли ремонт?
-
Система в норме
-
4
  1. Поверните замок зажигание в положение lock.
  2. Проверить на замыкание на напряжение питания провод между клеммой 1 разъема форсунки 1 и клеммой 30 главного реле.
Неисправность обнаружена?
-
Перейти к операции 5
Перейти к операции 6
5
  1. Отремонтировать провод или клемму разъема между клеммой 1 разъема форсунки 1 и клеммой 30 главного реле.
  2. Используя сканирующий прибор, очистить диагностические коды неисправностей.
  3. Провести проверку системы диагностики.
Закончен ли ремонт?
-
Система в норме
-
6
  1. Заменить форсунку 1.
  2. Используя сканирующий прибор, очистить диагностические коды неисправностей.
  3. Провести проверку системы диагностики.
Закончен ли ремонт?
-
Система в норме
Перейти к операции 7
7
  1. Поверните замок зажигание в положение lock.
  2. Заменить контроллер ЭСУД.
  3. Провести проверку системы диагностики.
Закончен ли ремонт?
-
Система в норме
-

L7B11F19
Показать иллюстрациюПеревод текста в иллюстрациях


Диагностический код неисправности p0264

Низкое напряжение цепи управления форсунки 2

Описание схемы

В контроллере ЭСУД имеется шесть отдельных управляющих схем форсунок, каждая из которых управляет одной из форсунок. Форсунка включается, когда цепь управления замыкается на массу контроллером ЭСУД. Контроллер ЭСУД контролирует ток в каждой цепи управления. Контроллер ЭСУД измеряет падение напряжения постоянным резистором и управляет им. Для определения неисправности каждая цепь управления контролируется. Если напряжение в цепи отличается от заданного в контроллере ЭСУД, то устанавливается диагностический код неисправности. Данный DTC обнаруживает состояния низкого напряжения и/или обрыва цепи.

Условия установки кода неисправности.

Действия, выполняемые при установке кода неисправности

Условия очистки кода неисправности/индикации неисправности

Диагностическая информация

Цепь управления форсункой, в которой имеется разрыв или короткое замыкание на массу, вызывает установку DTC P0264. А также вызывает пропуск зажигания от неработающей форсунки. Также должен быть установлен диагностический код неисправности зажигания с указанием неисправной форсунки.
Слишком высокое или слишком низкое значение долгосрочной и краткосрочной корректировки топливоподачи указывают на неисправность форсунки. См. "Проверка баланса форсунок" в этом разделе для проверки неисправных форсунок.

dtc p0264 - Низкое напряжение цепи управления форсунки 2

ШагОперацияЗначенияДаНет
1
Провести проверку системы диагностики.
Проверка системы завершена?
-
Перейти к операции 2
Перейти к пункту "Проверка диагностической системы".
2
  1. Поверните замок зажигание в положение lock.
  2. Отсоединить разъем форсунки.
  3. Отсоединить разъём контроллера ЭСУД.
  4. Проверить на наличие обрыва или замыкания на массу в проводе между клеммой 2 разъема форсунки 2 и клеммой К67 разъема контроллера ЭСУД.
Неисправность обнаружена?
-
Перейти к операции 3
Перейти к операции 4
3
  1. Отремонтировать провод или клемму разъема между клеммой 2 разъема форсунки 2 и клеммой К67 разъема контроллера ЭСУД.
  2. Используя сканирующий прибор, очистить диагностические коды неисправностей.
  3. Провести проверку системы диагностики.
Закончен ли ремонт?
-
Система в норме
-
4
  1. Поверните замок зажигание в положение lock.
  2. Проверить на наличие обрыва или короткого замыкания на массу провода между клеммой 1 разъема форсунки 2 и клеммой 30 главного реле.
Неисправность обнаружена?
-
Перейти к операции 5
Перейти к операции 6
5
  1. Отремонтировать провод или клемму разъема между клеммой 1 разъема форсунки 2 и клеммой 30 главного реле.
  2. Используя сканирующий прибор, очистить диагностические коды неисправностей.
  3. Провести проверку системы диагностики.
Закончен ли ремонт?
-
Система в норме
-
6
  1. Заменить форсунку 2.
  2. Используя сканирующий прибор, очистить диагностические коды неисправностей.
  3. Провести проверку системы диагностики.
Закончен ли ремонт?
-
Система в норме
Перейти к операции 7
7
  1. Поверните замок зажигание в положение lock.
  2. Заменить контроллер ЭСУД.
  3. Провести проверку системы диагностики.
Закончен ли ремонт?
-
Система в норме
-

L7B11F19
Показать иллюстрациюПеревод текста в иллюстрациях


Диагностический код неисправности p0265

Высокое напряжение цепи управления форсунки 2

Описание схемы

В контроллере ЭСУД имеется шесть отдельных управляющих схем форсунок, каждая из которых управляет одной из форсунок. Форсунка включается, когда цепь управления замыкается на массу контроллером ЭСУД. Контроллер ЭСУД контролирует ток в каждой цепи управления. Контроллер ЭСУД измеряет падение напряжения постоянным резистором и управляет им. Для определения неисправности каждая цепь управления контролируется. Если напряжение в цепи отличается от заданного в контроллере ЭСУД, то устанавливается диагностический код неисправности. Данный DTC обнаруживает состояния высокого напряжения и/или замыкания на напряжение аккумулятора.

Условия установки кода неисправности.

Действия, выполняемые при установке кода неисправности

Условия очистки кода неисправности/индикации неисправности

Диагностическая информация

Цепь управления форсункой, имеющая короткое замыкание на напряжение питания, вызывает установку DTC P0265. А также вызывает пропуск зажигания от неработающей форсунки. Также должен быть установлен диагностический код неисправности зажигания с указанием неисправной форсунки.
Слишком высокое или слишком низкое значение долгосрочной и краткосрочной корректировки топливоподачи указывают на неисправность форсунки. См. "Проверка баланса форсунок" в этом разделе для проверки неисправных форсунок.

dtc p0265 - Высокое напряжение цепи управления форсунки 2

ШагОперацияЗначенияДаНет
1
Провести проверку системы диагностики.
Проверка системы завершена?
-
Перейти к операции 2
Перейти к пункту "Проверка диагностической системы".
2
  1. Поверните замок зажигание в положение lock.
  2. Отсоединить разъем форсунки.
  3. Отсоединить разъём контроллера ЭСУД.
  4. Проверить на наличие обрыва или замыкания на массу провод между клеммой 2 разъема форсунки 2 и клеммой К67 разъема контроллера ЭСУД.
Неисправность обнаружена?
-
Перейти к операции 3
Перейти к операции 4
3
  1. Отремонтировать провод или клемму разъема между клеммой 2 разъема форсунки 2 и клеммой К67 разъема контроллера ЭСУД.
  2. Используя сканирующий прибор, очистить диагностические коды неисправностей.
  3. Провести проверку системы диагностики.
Закончен ли ремонт?
-
Система в норме
-
4
  1. Поверните замок зажигание в положение lock.
  2. Проверить на короткое замыкание на напряжение аккумулятора провод между клеммой 1 разъема форсунки 2 и клеммой 30 главного реле.
Неисправность обнаружена?
-
Перейти к операции 5
Перейти к операции 6
5
  1. Отремонтировать провод или клемму разъема между клеммой 1 разъема форсунки 2 и клеммой 30 главного реле.
  2. Используя сканирующий прибор, очистить диагностические коды неисправностей.
  3. Провести проверку системы диагностики.
Закончен ли ремонт?
-
Система в норме
-
6
  1. Заменить форсунку 2.
  2. Используя сканирующий прибор, очистить диагностические коды неисправностей.
  3. Провести проверку системы диагностики.
Закончен ли ремонт?
-
Система в норме
Перейти к операции 7
7
  1. Поверните замок зажигание в положение lock.
  2. Заменить контроллер ЭСУД.
  3. Провести проверку системы диагностики.
Закончен ли ремонт?
-
Система в норме
-

L7B11F19
Показать иллюстрациюПеревод текста в иллюстрациях


Диагностический код неисправности p0267

Низкое напряжение цепи управления форсунки 3

Описание схемы

В контроллере ЭСУД имеется шесть отдельных управляющих схем форсунок, каждая из которых управляет одной из форсунок. Форсунка включается, когда цепь управления замыкается на массу контроллером ЭСУД. Контроллер ЭСУД контролирует ток в каждой цепи управления. Контроллер ЭСУД измеряет падение напряжения постоянным резистором и управляет им. Для определения неисправности каждая цепь управления контролируется. Если напряжение в цепи отличается от заданного в контроллере ЭСУД, то устанавливается диагностический код неисправности. Данный DTC обнаруживает состояния низкого напряжения и/или обрыва цепи.

Условия установки кода неисправности.

Действия, выполняемые при установке кода неисправности

Условия очистки кода неисправности/индикации неисправности

Диагностическая информация

Цепь управления форсункой, имеющая разрыв или замыкание на массу, вызывает установку DTC P0267. А также вызывает пропуск зажигания от неработающей форсунки. Также должен быть установлен диагностический код неисправности зажигания с указанием неисправной форсунки.
Слишком высокое или слишком низкое значение долгосрочной и краткосрочной корректировки топливоподачи указывают на неисправность форсунки. См. "Проверка баланса форсунок" в этом разделе для проверки неисправных форсунок.

dtc p0267 - Низкое напряжение цепи управления форсунки 3

ШагОперацияЗначенияДаНет
1
Провести проверку системы диагностики.
Проверка системы завершена?
-
Перейти к операции 2
Перейти к пункту "Проверка диагностической системы".
2
  1. Поверните замок зажигание в положение lock.
  2. Отсоединить разъем форсунки.
  3. Отсоединить разъём контроллера ЭСУД.
  4. Проверить на наличие обрыва или замыкания на массу провод между клеммой 2 разъема форсунки 3 и клеммой К91 разъема контроллера ЭСУД.
Неисправность обнаружена?
-
Перейти к операции 3
Перейти к операции 4
3
  1. Отремонтировать провод или клемму разъема между клеммой 2 разъема форсунки 3 и клеммой К91 разъема контроллера ЭСУД.
  2. Используя сканирующий прибор, очистить диагностические коды неисправностей.
  3. Провести проверку системы диагностики.
Закончен ли ремонт?
-
Система в норме
-
4
  1. Поверните замок зажигание в положение lock.
  2. Проверить на наличие обрыва или замыкания на массу провод между клеммой 1 разъема форсунки 3 и клеммой 30 главного реле.
Неисправность обнаружена?
-
Перейти к операции 5
Перейти к операции 6
5
  1. Отремонтировать провод или клемму разъема между клеммой 1 разъема форсунки 3 и клеммой 30 главного реле.
  2. Используя сканирующий прибор, очистить диагностические коды неисправностей.
  3. Провести проверку системы диагностики.
Закончен ли ремонт?
-
Система в норме
-
6
  1. Заменить форсунку 3.
  2. Используя сканирующий прибор, очистить диагностические коды неисправностей.
  3. Провести проверку системы диагностики.
Закончен ли ремонт?
-
Система в норме
Перейти к операции 7
7
  1. Поверните замок зажигание в положение lock.
  2. Заменить контроллер ЭСУД.
  3. Провести проверку системы диагностики.
Закончен ли ремонт?
-
Система в норме
-

L7B11F19
Показать иллюстрациюПеревод текста в иллюстрациях


Диагностический код неисправности p0268

Высокое напряжение цепи управления форсунки 3

Описание схемы

В контроллере ЭСУД имеется шесть отдельных управляющих схем форсунок, каждая из которых управляет одной из форсунок. Форсунка включается, когда цепь управления замыкается на массу контроллером ЭСУД. Контроллер ЭСУД контролирует ток в каждой цепи управления. Контроллер ЭСУД измеряет падение напряжения постоянным резистором и управляет им. Для определения неисправности каждая цепь управления контролируется. Если напряжение в цепи отличается от заданного в контроллере ЭСУД, то устанавливается диагностический код неисправности. Данный DTC обнаруживает состояния высокого напряжения и/или замыкания на напряжение аккумулятора.

Условия установки кода неисправности.

Действия, выполняемые при установке кода неисправности

Условия очистки кода неисправности/индикации неисправности

Диагностическая информация

Цепь управления форсункой, в которой имеется короткое замыкание на напряжение аккумулятора, вызывает установку DTC P0268. А также вызывает пропуск зажигания от неработающей форсунки. Также должен быть установлен диагностический код неисправности зажигания с указанием неисправной форсунки.
Слишком высокое или слишком низкое значение долгосрочной и краткосрочной корректировки топливоподачи указывают на неисправность форсунки. См. "Проверка баланса форсунок" в этом разделе для проверки неисправных форсунок.

dtc p0268 - Высокое напряжение цепи управления форсунки 3

ШагОперацияЗначенияДаНет
1
Провести проверку системы диагностики.
Проверка системы завершена?
-
Перейти к операции 2
Перейти к пункту "Проверка диагностической системы".
2
  1. Поверните замок зажигание в положение lock.
  2. Отсоединить разъем форсунки.
  3. Отсоединить разъём контроллера ЭСУД.
  4. Проверить на наличие короткого замыкания на напряжение аккумулятора провод между клеммой 2 форсунки 3 и клеммой К91 разъема контроллера ЭСУД.
Неисправность обнаружена?
-
Перейти к операции 3
Перейти к операции 4
3
  1. Отремонтировать провод или клемму разъема между клеммой 2 разъема форсунки 3 и клеммой К91 разъема контроллера ЭСУД.
  2. Используя сканирующий прибор, очистить диагностические коды неисправностей.
  3. Провести проверку системы диагностики.
Закончен ли ремонт?
-
Система в норме
-
4
  1. Поверните замок зажигание в положение lock.
  2. Проверить на короткое замыкание на напряжение аккумулятора провод между клеммой 1 разъема форсунки 3 и клеммой 30 главного реле.
Неисправность обнаружена?
-
Перейти к операции 5
Перейти к операции 6
5
  1. Отремонтировать провод или клемму разъема между клеммой 1 разъема форсунки 3 и клеммой 30 главного реле.
  2. Используя сканирующий прибор, очистить диагностические коды неисправностей.
  3. Провести проверку системы диагностики.
Закончен ли ремонт?
-
Система в норме
-
6
  1. Заменить форсунку 3.
  2. Используя сканирующий прибор, очистить диагностические коды неисправностей.
  3. Провести проверку системы диагностики.
Закончен ли ремонт?
-
Система в норме
Перейти к операции 7
7
  1. Поверните замок зажигание в положение lock.
  2. Заменить контроллер ЭСУД.
  3. Провести проверку системы диагностики.
Закончен ли ремонт?
-
Система в норме
-

L7B11F19
Показать иллюстрациюПеревод текста в иллюстрациях


Диагностический код неисправности p0270

Низкое напряжение цепи управления форсунки 4

Описание схемы

В контроллере ЭСУД имеется шесть отдельных управляющих схем форсунок, каждая из которых управляет одной из форсунок. Форсунка включается, когда цепь управления замыкается на массу контроллером ЭСУД. Контроллер ЭСУД контролирует ток в каждой цепи управления. Контроллер ЭСУД измеряет падение напряжения постоянным резистором и управляет им. Для определения неисправности каждая цепь управления контролируется. Если напряжение в цепи отличается от заданного в контроллере ЭСУД, то устанавливается диагностический код неисправности. Данный DTC обнаруживает состояния низкого напряжения и/или обрыва цепи.

Условия установки кода неисправности.

Действия, выполняемые при установке кода неисправности

Условия очистки кода неисправности/индикации неисправности

Диагностическая информация

Цепь управления форсункой, в которой имеется разрыв или замыкание на массу, вызывает установку DTC P0270. А также вызывает пропуск зажигания от неработающей форсунки. Также должен быть установлен диагностический код неисправности зажигания с указанием неисправной форсунки.
Слишком высокое или слишком низкое значение долгосрочной и краткосрочной корректировки топливоподачи указывают на неисправность форсунки. См. "Проверка баланса форсунок" в этом разделе для проверки неисправных форсунок.

dtc p0270 - Низкое напряжение цепи управления форсунки 4

ШагОперацияЗначенияДаНет
1
Провести проверку системы диагностики.
Проверка системы завершена?
-
Перейти к операции 2
Перейти к пункту "Проверка диагностической системы".
2
  1. Поверните замок зажигание в положение lock.
  2. Отсоединить разъем форсунки.
  3. Отсоединить разъём контроллера ЭСУД.
  4. Проверить на наличие обрыва или короткого замыкания на массу провод между клеммой 2 разъема форсунки 4 и клеммой К66 разъема контроллера ЭСУД.
Неисправность обнаружена?
-
Перейти к операции 3
Перейти к операции 4
3
  1. Отремонтировать провод или клемму разъема между клеммой 2 разъема форсунки 4 и клеммой К66 разъема контроллера ЭСУД.
  2. Используя сканирующий прибор, очистить диагностические коды неисправностей.
  3. Провести проверку системы диагностики.
Закончен ли ремонт?
-
Система в норме
-
4
  1. Поверните замок зажигание в положение lock.
  2. Проверить на наличие обрыва или короткого замыкания на массу провод между клеммой 1 разъема форсунки 4 и клеммой 30 главного реле.
Неисправность обнаружена?
-
Перейти к операции 5
Перейти к операции 6
5
  1. Отремонтировать провод или клемму разъема между клеммой 1 разъема форсунки 4 и клеммой 30 главного реле.
  2. Используя сканирующий прибор, очистить диагностические коды неисправностей.
  3. Провести проверку системы диагностики.
Закончен ли ремонт?
-
Система в норме
-
6
  1. Заменить форсунку 4.
  2. Используя сканирующий прибор, очистить диагностические коды неисправностей.
  3. Провести проверку системы диагностики.
Закончен ли ремонт?
-
Система в норме
Перейти к операции 7
7
  1. Поверните замок зажигание в положение lock.
  2. Заменить контроллер ЭСУД.
  3. Провести проверку системы диагностики.
Закончен ли ремонт?
-
Система в норме
-

L7B11F19
Показать иллюстрациюПеревод текста в иллюстрациях


Диагностический код неисправности p0271

Высокое напряжение цепи управления форсунки 4

Описание схемы

В контроллере ЭСУД имеется шесть отдельных управляющих схем форсунок, каждая из которых управляет одной из форсунок. Форсунка включается, когда цепь управления замыкается на массу контроллером ЭСУД. Контроллер ЭСУД контролирует ток в каждой цепи управления. Контроллер ЭСУД измеряет падение напряжения постоянным резистором и управляет им. Для определения неисправности каждая цепь управления контролируется. Если напряжение в цепи отличается от заданного в контроллере ЭСУД, то устанавливается диагностический код неисправности. Данный DTC обнаруживает состояния высокого напряжения и/или замыкания на напряжение аккумулятора.

Условия установки кода неисправности.

Действия, выполняемые при установке кода неисправности

Условия очистки кода неисправности/индикации неисправности

Диагностическая информация

Цепь управления форсункой, в которой имеется разрыв или замыкание на массу, вызывает установку DTC P0271. А также вызывает пропуск зажигания от неработающей форсунки. Также должен быть установлен диагностический код неисправности зажигания с указанием неисправной форсунки.
Слишком высокое или слишком низкое значение долгосрочной и краткосрочной корректировки топливоподачи указывают на неисправность форсунки. См. "Проверка баланса форсунок" в этом разделе для проверки неисправных форсунок.

dtc p0271 - Высокое напряжение цепи управления форсунки 4

ШагОперацияЗначенияДаНет
1
Провести проверку системы диагностики.
Проверка системы завершена?
-
Перейти к операции 2
Перейти к пункту "Проверка диагностической системы".
2
  1. Поверните замок зажигание в положение lock.
  2. Отсоединить разъем форсунки.
  3. Отсоединить разъём контроллера ЭСУД.
  4. Проверить на наличие короткого замыкания на напряжение аккумулятора провод между клеммой 2 форсунки 4 и клеммой К66 разъема контроллера ЭСУД.
Неисправность обнаружена?
-
Перейти к операции 3
Перейти к операции 4
3
  1. Отремонтировать провод или клемму разъема между клеммой 2 разъема форсунки 4 и клеммой К66 разъема контроллера ЭСУД.
  2. Используя сканирующий прибор, очистить диагностические коды неисправностей.
  3. Провести проверку системы диагностики.
Закончен ли ремонт?
-
Система в норме
-
4
  1. Поверните замок зажигание в положение lock.
  2. Проверить на короткое замыкание на напряжение аккумулятора провод между клеммой 1 разъема форсунки 4 и клеммой 30 главного реле.
Неисправность обнаружена?
-
Перейти к операции 5
Перейти к операции 6
5
  1. Отремонтировать провод или клемму разъема между клеммой 1 разъема форсунки 4 и клеммой 30 главного реле.
  2. Используя сканирующий прибор, очистить диагностические коды неисправностей.
  3. Провести проверку системы диагностики.
Закончен ли ремонт?
-
Система в норме
-
6
  1. Заменить форсунку 4.
  2. Используя сканирующий прибор, очистить диагностические коды неисправностей.
  3. Провести проверку системы диагностики.
Закончен ли ремонт?
-
Система в норме
Перейти к операции 7
7
  1. Поверните замок зажигание в положение lock.
  2. Заменить контроллер ЭСУД.
  3. Провести проверку системы диагностики.
Закончен ли ремонт?
-
Система в норме
-

L7B11F19
Показать иллюстрациюПеревод текста в иллюстрациях


Диагностический код неисправности p0273

Низкое напряжение цепи управления форсунки 5

Описание схемы

В контроллере ЭСУД имеется шесть отдельных управляющих схем форсунок, каждая из которых управляет одной из форсунок. Форсунка включается, когда цепь управления замыкается на массу контроллером ЭСУД. Контроллер ЭСУД контролирует ток в каждой цепи управления. Контроллер ЭСУД измеряет падение напряжения постоянным резистором и управляет им. Для определения неисправности каждая цепь управления контролируется. Если напряжение в цепи отличается от заданного в контроллере ЭСУД, то устанавливается диагностический код неисправности. Данный DTC обнаруживает состояния низкого напряжения и/или обрыва цепи.

Условия установки кода неисправности.

Действия, выполняемые при установке кода неисправности

Условия очистки кода неисправности/индикации неисправности

Диагностическая информация

Цепь управления форсункой, в которой имеется разрыв или замыкание на массу, вызывает установку DTC P0273. А также вызывает пропуск зажигания от неработающей форсунки. Также должен быть установлен диагностический код неисправности зажигания с указанием неисправной форсунки.
Слишком высокое или слишком низкое значение долгосрочной и краткосрочной корректировки топливоподачи указывают на неисправность форсунки. См. "Проверка баланса форсунок" в этом разделе для проверки неисправных форсунок.

dtc p0273 - Низкое напряжение цепи управления форсунки 5

ШагОперацияЗначенияДаНет
1
Провести проверку системы диагностики.
Проверка системы завершена?
-
Перейти к операции 2
Перейти к пункту "Проверка диагностической системы".
2
  1. Поверните замок зажигание в положение lock.
  2. Отсоединить разъем форсунки.
  3. Отсоединить разъём контроллера ЭСУД.
  4. Проверить на наличие обрыва или короткого замыкания на массу провод между клеммой 2 разъема форсунки 5 и клеммой К90 разъема контроллера ЭСУД.
Неисправность обнаружена?
-
Перейти к операции 3
Перейти к операции 4
3
  1. Отремонтировать провод или клемму разъема между клеммой 2 разъема форсунки 5 и клеммой К90 разъема контроллера ЭСУД.
  2. Используя сканирующий прибор, очистить диагностические коды неисправностей.
  3. Провести проверку системы диагностики.
Закончен ли ремонт?
-
Система в норме
-
4
  1. Поверните замок зажигание в положение lock.
  2. Проверить на наличие обрыва или короткого замыкания на массу провод между клеммой 1 разъема форсунки 5 и клеммой 30 разъема главного реле.
Неисправность обнаружена?
-
Перейти к операции 5
Перейти к операции 6
5
  1. Отремонтировать провод или клемму разъема между клеммой 1 разъема форсунки 5 и клеммой 30 главного реле.
  2. Используя сканирующий прибор, очистить диагностические коды неисправностей.
  3. Провести проверку системы диагностики.
Закончен ли ремонт?
-
Система в норме
-
6
  1. Заменить форсунку 5.
  2. Используя сканирующий прибор, очистить диагностические коды неисправностей.
  3. Провести проверку системы диагностики.
Закончен ли ремонт?
-
Система в норме
Перейти к операции 7
7
  1. Поверните замок зажигание в положение lock.
  2. Заменить контроллер ЭСУД.
  3. Провести проверку системы диагностики.
Закончен ли ремонт?
-
Система в норме
-


На предыдущую страницуНа следующую страницу
https://vnx.su/ 🛠 Руководства по ремонту и эксплуатации для автомобилей

Поиск по сайту

Остались вопросы или пожелания? Пишите на почту: support@vnx.su

Карта Сайта