К началу документа
Epica
На предыдущую страницу На следующую страницу
Главная страница GMDE Загрузить нединамическое оглавление Загрузить динамическое оглавление Помощь



8. АБС (антиблокировочная тормозная система)

1) АБС БЕЗ ЭЛЕКТРОННОЙ СИСТЕМЫ СТАБИЛИЗАЦИИ (esc)

1-1) ЦЕПЬ ЭЛЕКТРОПИТАНИЯ, МАССЫ И ДИАГНОСТИЧЕСКОГО РАЗЪЕМА

L9B15007.png
Показать иллюстрациюПеревод текста в иллюстрациях


а. ИНФОРМАЦИЯ О РАЗЪЁМЕ

№ РАЗЪЁМА
(№ И ЦВЕТ КОНТАКТА)
СОЕДИНИТЕЛЬНЫЙ ЖГУТ ПРОВОДОВ ПОЛОЖЕНИЕ РАЗЪЁМА
С103 (контакт 68, белый) Кузов - блок предохранителей в моторном отсеке Блок предохранителей в моторном отсеке
С104 (контакт 8, серый) Кузов - блок предохранителей в моторном отсеке Блок предохранителей в моторном отсеке
С201 (контакт 76, черный) Приборная панель - блок предохранителей на приборной панели БЛОК ПРЕДОХРАНИТЕЛЕЙ НА ПРИБОРНОЙ ПАНЕЛИ
С202 (контакт 23, белый) Приборная панель - кузов Коробка разъемов внизу левой передней стойки
С203 (контакт 16, желтый) Приборная панель - кузов Коробка разъемов внизу левой передней стойки
C204 (контакт 22, белый) Приборная панель - кузов Коробка разъемов внизу левой передней стойки
C214 (контакт 23, белый) Приборная панель - кузов Коробка разъемов внизу правой передней стойки
G105 Кузов Под электронным блоком управления тормозами

б. УСЛОВНОЕ ОБОЗНАЧЕНИЕ & И НАХОЖДЕНИЕ НОМЕРА КОНТАКТА

L8B1P326.png
Показать иллюстрациюПеревод текста в иллюстрациях


в. РАСПОЛОЖЕНИЕ РАЗЪЁМОВ И СОЕДИНЕНИЙ МАССЫ

L7B12018.png
Показать иллюстрациюПеревод текста в иллюстрациях


L8B12104.png
Показать иллюстрациюПеревод текста в иллюстрациях


1-2) ЦЕПЬ ДАТЧИКА СКОРОСТИ КОЛЕСА И ПРЕДУПРЕДИТЕЛЬНЫХ ЛАМП

L8B15060.png
Показать иллюстрациюПеревод текста в иллюстрациях


а. ИНФОРМАЦИЯ О РАЗЪЁМЕ

№ РАЗЪЁМА
(№ И ЦВЕТ КОНТАКТА)
СОЕДИНИТЕЛЬНЫЙ ЖГУТ ПРОВОДОВ ПОЛОЖЕНИЕ РАЗЪЁМА
С110 (контакт 4, серый) Кузов - подрамник кузова Рядом с электродвигателем стеклоочистителя в панели обтекателя
С201 (контакт 76, черный) Приборная панель - блок предохранителей на приборной панели БЛОК ПРЕДОХРАНИТЕЛЕЙ НА ПРИБОРНОЙ ПАНЕЛИ
C205 (контакт 23, белый) Приборная панель - кузов Коробка разъемов внизу левой передней стойки

б. УСЛОВНОЕ ОБОЗНАЧЕНИЕ & И НАХОЖДЕНИЕ НОМЕРА КОНТАКТА

L8B1P327.png
Показать иллюстрациюПеревод текста в иллюстрациях


в. РАСПОЛОЖЕНИЕ РАЗЪЁМОВ И СОЕДИНЕНИЙ МАССЫ

L7B12018.png
Показать иллюстрациюПеревод текста в иллюстрациях


L8B12104.png
Показать иллюстрациюПеревод текста в иллюстрациях


2) АБС С ЭЛЕКТРОННОЙ СИСТЕМОЙ СТАБИЛИЗАЦИИ (esc)

2-1) ЦЕПЬ ЭЛЕКТРОПИТАНИЯ, МАССЫ И ДИАГНОСТИЧЕСКОГО РАЗЪЕМА

L9B15008.png
Показать иллюстрациюПеревод текста в иллюстрациях


а. ИНФОРМАЦИЯ О РАЗЪЁМЕ

№ РАЗЪЁМА
(№ И ЦВЕТ КОНТАКТА)
СОЕДИНИТЕЛЬНЫЙ ЖГУТ ПРОВОДОВ ПОЛОЖЕНИЕ РАЗЪЁМА
С103 (контакт 68, белый) Кузов - блок предохранителей в моторном отсеке Блок предохранителей в моторном отсеке
С104 (контакт 8, серый) Кузов - блок предохранителей в моторном отсеке Блок предохранителей в моторном отсеке
С201 (контакт 76, черный) Приборная панель - блок предохранителей на приборной панели БЛОК ПРЕДОХРАНИТЕЛЕЙ НА ПРИБОРНОЙ ПАНЕЛИ
С202 (контакт 23, белый) Приборная панель - кузов Коробка разъемов внизу левой передней стойки
С203 (контакт 16, желтый) Приборная панель - кузов Коробка разъемов внизу левой передней стойки
C204 (контакт 22, белый) Приборная панель - кузов Коробка разъемов внизу левой передней стойки
C214 (контакт 23, белый) Приборная панель - кузов Коробка разъемов внизу правой передней стойки
G105 Кузов Под электронным блоком управления тормозами

б. УСЛОВНОЕ ОБОЗНАЧЕНИЕ & И НАХОЖДЕНИЕ НОМЕРА КОНТАКТА

L8B1P328.png
Показать иллюстрациюПеревод текста в иллюстрациях


в. РАСПОЛОЖЕНИЕ РАЗЪЁМОВ И СОЕДИНЕНИЙ МАССЫ

L7B12018.png
Показать иллюстрациюПеревод текста в иллюстрациях


L8B12104.png
Показать иллюстрациюПеревод текста в иллюстрациях


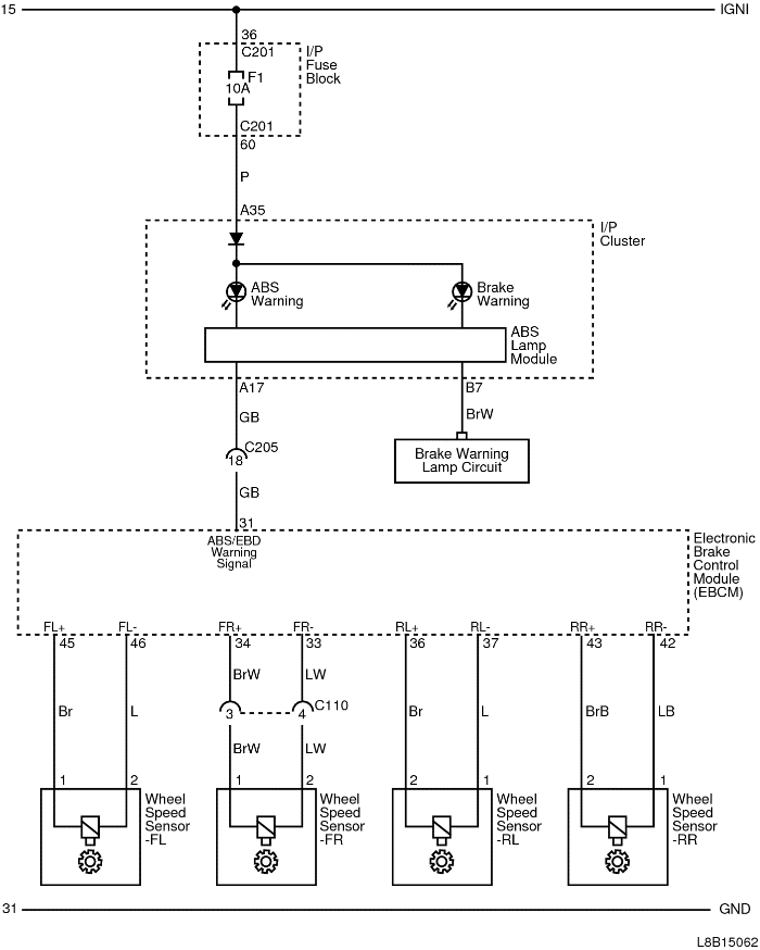
2-2) ЦЕПЬ ДАТЧИКА СКОРОСТИ КОЛЕСА И ПРЕДУПРЕДИТЕЛЬНЫХ ЛАМП

L8B15062.png
Показать иллюстрациюПеревод текста в иллюстрациях


а. ИНФОРМАЦИЯ О РАЗЪЁМЕ

№ РАЗЪЁМА
(№ И ЦВЕТ КОНТАКТА)
СОЕДИНИТЕЛЬНЫЙ ЖГУТ ПРОВОДОВ ПОЛОЖЕНИЕ РАЗЪЁМА
С110 (контакт 4, серый) Кузов - подрамник кузова Рядом с электродвигателем стеклоочистителя в панели обтекателя
С201 (контакт 76, черный) Приборная панель - блок предохранителей на приборной панели БЛОК ПРЕДОХРАНИТЕЛЕЙ НА ПРИБОРНОЙ ПАНЕЛИ
C205 (контакт 23, белый) Приборная панель - кузов Коробка разъемов внизу левой передней стойки

б. УСЛОВНОЕ ОБОЗНАЧЕНИЕ & И НАХОЖДЕНИЕ НОМЕРА КОНТАКТА

L8B1P329.png
Показать иллюстрациюПеревод текста в иллюстрациях


в. РАСПОЛОЖЕНИЕ РАЗЪЁМОВ И СОЕДИНЕНИЙ МАССЫ

L7B12018.png
Показать иллюстрациюПеревод текста в иллюстрациях


L8B12104.png
Показать иллюстрациюПеревод текста в иллюстрациях


2-3) ЦЕПЬ ВЫКЛЮЧАТЕЛЯ esc, ИНДИКАТОРОВ esc, ДАТЧИКА УГЛОВОЙ СКОРОСТИ РЫСКАНЬЯ И ДАТЧИКА УГЛА ПОВОРОТА РУЛЕВОГО УПРАВЛЕНИЯ

L9B15315.png
Показать иллюстрациюПеревод текста в иллюстрациях


а. ИНФОРМАЦИЯ О РАЗЪЁМЕ

№ РАЗЪЁМА
(№ И ЦВЕТ КОНТАКТА)
СОЕДИНИТЕЛЬНЫЙ ЖГУТ ПРОВОДОВ ПОЛОЖЕНИЕ РАЗЪЁМА
С201 (контакт 76, черный) Приборная панель - блок предохранителей на приборной панели БЛОК ПРЕДОХРАНИТЕЛЕЙ НА ПРИБОРНОЙ ПАНЕЛИ
С202 (контакт 23, белый) Приборная панель - кузов Коробка разъемов внизу левой передней стойки
C205 (контакт 23, белый) Приборная панель - кузов Коробка разъемов внизу левой передней стойки
G202 Приборная панель Левая нижняя часть центрального молдинга приборной панели

б. УСЛОВНОЕ ОБОЗНАЧЕНИЕ & И НАХОЖДЕНИЕ НОМЕРА КОНТАКТА

L8B1P330.png
Показать иллюстрациюПеревод текста в иллюстрациях


в. РАСПОЛОЖЕНИЕ РАЗЪЁМОВ И СОЕДИНЕНИЙ МАССЫ

L7B12018.png
Показать иллюстрациюПеревод текста в иллюстрациях


L8B12104.png
Показать иллюстрациюПеревод текста в иллюстрациях


На предыдущую страницу На следующую страницу


https://vnx.su/ 🛠 Руководства по ремонту и эксплуатации для автомобилей

Поиск по сайту

Остались вопросы или пожелания? Пишите на почту: support@vnx.su

Карта Сайта