К началу документа
Epica
На предыдущую страницу На следующую страницу
Главная страница GMDE Загрузить нединамическое оглавление Загрузить динамическое оглавление Помощь



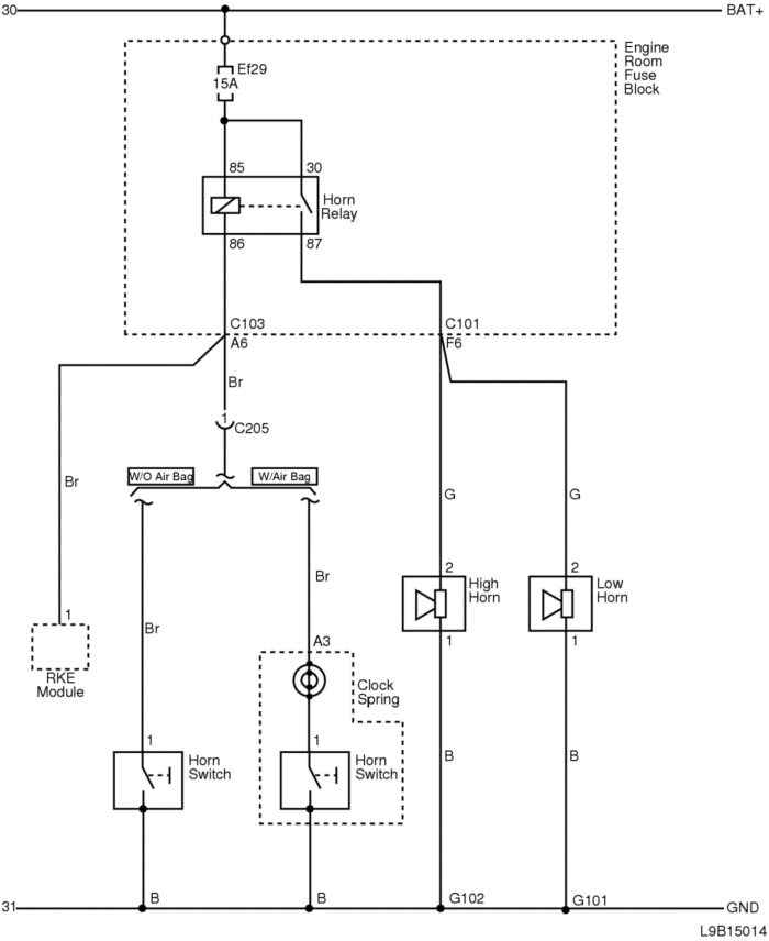
15. ЗВУКОВОЙ СИГНАЛ

1) ЦЕПЬ ЗВУКОВОГО СИГНАЛА

L9B15014.png
Показать иллюстрациюПеревод текста в иллюстрациях


а. ИНФОРМАЦИЯ О РАЗЪЁМЕ

№ РАЗЪЁМА
(№ И ЦВЕТ КОНТАКТА)
СОЕДИНИТЕЛЬНЫЙ ЖГУТ ПРОВОДОВ ПОЛОЖЕНИЕ РАЗЪЁМА
C101 (контакт 68, черный) Передняя часть - блок предохранителей в моторном отсеке Блок предохранителей в моторном отсеке
С103 (контакт 68, белый) Кузов - блок предохранителей в моторном отсеке Блок предохранителей в моторном отсеке
C205 (контакт 23, белый) Приборная панель - кузов Коробка разъемов внизу левой передней стойки
G101 ПЕРЕДНЯЯ ЧАСТЬ За левой фарой
G102 ПЕРЕДНЯЯ ЧАСТЬ За правой фарой

б. УСЛОВНОЕ ОБОЗНАЧЕНИЕ & И НАХОЖДЕНИЕ НОМЕРА КОНТАКТА

L7B1P052.png
Показать иллюстрациюПеревод текста в иллюстрациях


в. РАСПОЛОЖЕНИЕ РАЗЪЁМОВ И СОЕДИНЕНИЙ МАССЫ

L7B12003.png
Показать иллюстрациюПеревод текста в иллюстрациях


L8B12104.png
Показать иллюстрациюПеревод текста в иллюстрациях


На предыдущую страницу На следующую страницу


https://vnx.su/ 🛠 Руководства по ремонту и эксплуатации для автомобилей

Поиск по сайту

Остались вопросы или пожелания? Пишите на почту: support@vnx.su

Карта Сайта