К началу документа
Epica
На предыдущую страницу На следующую страницу
Главная страница GMDE Загрузить нединамическое оглавление Загрузить динамическое оглавление Помощь




РАЗДЕЛ 3

ЭЛЕКТРИЧЕСКАЯ СХЕМА ИСТОЧНИКОВ ЭЛЕКТРОПИТАНИЯ



1. ЭЛЕКТРОПИТАНИЕ ДЛЯ БЛОКА ПРЕДОХРАНИТЕЛЕЙ В МОТОРНОМ ОТСЕКЕ

1) ЭЛЕКТРОПИТАНИЕ bat +

L9B13001.png
Показать иллюстрациюПеревод текста в иллюстрациях


L7B13002.png
Показать иллюстрациюПеревод текста в иллюстрациях


L9B13002.png
Показать иллюстрациюПеревод текста в иллюстрациях


L8B13002.png
Показать иллюстрациюПеревод текста в иллюстрациях


L8B13003.png
Показать иллюстрациюПеревод текста в иллюстрациях


2) ЭЛЕКТРОПИТАНИЕ ign1

L8B13013.png
Показать иллюстрациюПеревод текста в иллюстрациях




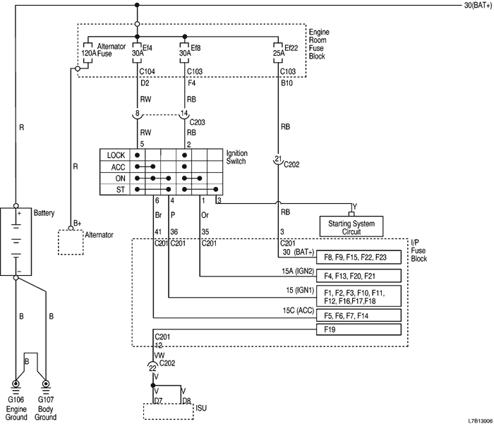
2. ЭЛЕКТРОПИТАНИЕ ДЛЯ БЛОКА ПРЕДОХРАНИТЕЛЕЙ НА ПРИБОРНОЙ ПАНЕЛИ

1) ВХОД ЭЛЕКТРОПИТАНИЯ БЛОКА ПРЕДОХРАНИТЕЛЕЙ НА ПРИБОРНОЙ ПАНЕЛИ

L7B13006.png
Показать иллюстрациюПеревод текста в иллюстрациях


2) ЭЛЕКТРОПИТАНИЕ bat+

L9B13003.png
Показать иллюстрациюПеревод текста в иллюстрациях


3) ЭЛЕКТРОПИТАНИЕ ign1

L9B13004.png
Показать иллюстрациюПеревод текста в иллюстрациях


L9B13104.png
Показать иллюстрациюПеревод текста в иллюстрациях


4) ЭЛЕКТРОПИТАНИЕ ign2

L8B13017.png
Показать иллюстрациюПеревод текста в иллюстрациях


5) ЭЛЕКТРОПИТАНИЕ acc

L9B13105.png
Показать иллюстрациюПеревод текста в иллюстрациях


6) ЭЛЕКТРОПИТАНИЕ ОБОГРЕВА СТЕКОЛ И ЗЕРКАЛ

L7B13012.png
Показать иллюстрациюПеревод текста в иллюстрациях


На предыдущую страницу На следующую страницу


https://vnx.su/ 🛠 Руководства по ремонту и эксплуатации для автомобилей

Поиск по сайту

Остались вопросы или пожелания? Пишите на почту: support@vnx.su

Карта Сайта