К началу документа
Epica
На предыдущую страницу На следующую страницу
Главная страница GMDE Загрузить нединамическое оглавление Загрузить динамическое оглавление Помощь



7. АВТОМАТИЧЕСКАЯ КПП (AT)

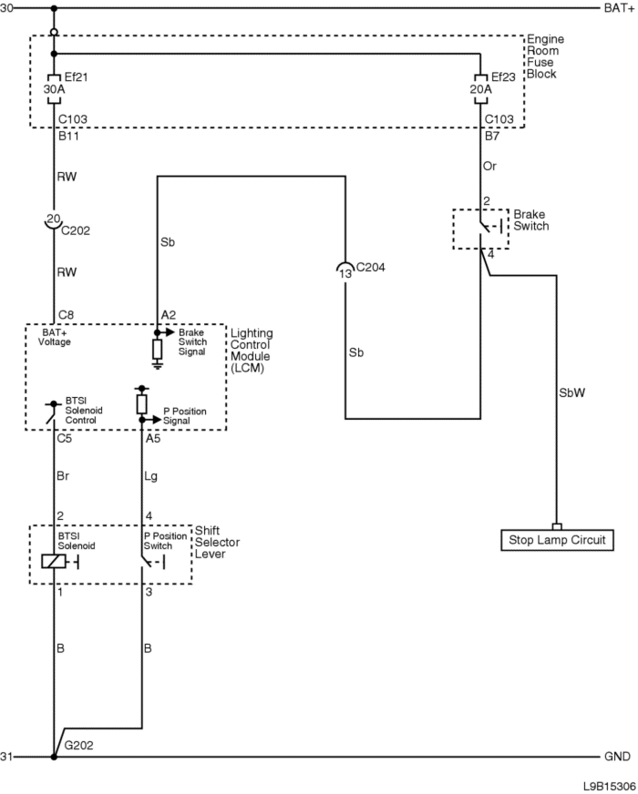
1) ЦЕПЬ УПРАВЛЕНИЯ БЛОКИРОВКОЙ ПЕРЕКЛЮЧЕНИЯ

L9B15306.png
Показать иллюстрациюПеревод текста в иллюстрациях


а. ИНФОРМАЦИЯ О РАЗЪЁМЕ

№ РАЗЪЁМА
(№ И ЦВЕТ КОНТАКТА)
СОЕДИНИТЕЛЬНЫЙ ЖГУТ ПРОВОДОВ ПОЛОЖЕНИЕ РАЗЪЁМА
С103 (контакт 68, белый) Кузов - блок предохранителей в моторном отсеке Блок предохранителей в моторном отсеке
С202 (контакт 23, белый) Приборная панель - кузов Коробка разъемов внизу левой передней стойки
C204 (контакт 22, белый) Приборная панель - кузов Коробка разъемов внизу левой передней стойки
G202 Приборная панель Левая нижняя часть центрального молдинга приборной панели

б. УСЛОВНОЕ ОБОЗНАЧЕНИЕ & И НАХОЖДЕНИЕ НОМЕРА КОНТАКТА

L8B1P320.png
Показать иллюстрациюПеревод текста в иллюстрациях


в. РАСПОЛОЖЕНИЕ РАЗЪЁМОВ И СОЕДИНЕНИЙ МАССЫ

L8B12104.png
Показать иллюстрациюПеревод текста в иллюстрациях


L7B12009.png
Показать иллюстрациюПеревод текста в иллюстрациях


2) КОНТРОЛЛЕР КПП

2-1) ЦЕПЬ ЭЛЕКТРОПИТАНИЯ, МАССЫ, ВЫКЛЮЧАТЕЛЯ ТОРМОЗА, ДИАГНОСТИЧЕСКОГО РАЗЪЕМА

L9B15307.png
Показать иллюстрациюПеревод текста в иллюстрациях


а. ИНФОРМАЦИЯ О РАЗЪЁМЕ

№ РАЗЪЁМА
(№ И ЦВЕТ КОНТАКТА)
СОЕДИНИТЕЛЬНЫЙ ЖГУТ ПРОВОДОВ ПОЛОЖЕНИЕ РАЗЪЁМА
С102 (контакт 68, серый) Двигатель - блок предохранителей в моторном отсеке Блок предохранителей в моторном отсеке
С103 (контакт 68, белый) Кузов - блок предохранителей в моторном отсеке Блок предохранителей в моторном отсеке
С201 (контакт 76, черный) Приборная панель - блок предохранителей на приборной панели БЛОК ПРЕДОХРАНИТЕЛЕЙ НА ПРИБОРНОЙ ПАНЕЛИ
C204 (контакт 22, белый) Приборная панель - кузов Коробка разъемов внизу левой передней стойки
C218 (контакт 15, белый) Двигатель - кузов Коробка разъемов внизу правой передней стойки
G103 Двигатель Между блоком предохранителей в моторном отсеке и аккумуляторной батареей

б. УСЛОВНОЕ ОБОЗНАЧЕНИЕ & И НАХОЖДЕНИЕ НОМЕРА КОНТАКТА

L8B1P321.png
Показать иллюстрациюПеревод текста в иллюстрациях


в. РАСПОЛОЖЕНИЕ РАЗЪЁМОВ И СОЕДИНЕНИЙ МАССЫ

L8B12101.png
Показать иллюстрациюПеревод текста в иллюстрациях


L8B12104.png
Показать иллюстрациюПеревод текста в иллюстрациях


2-2) ЦЕПЬ КОНТРОЛЯ ДАВЛЕНИЯ, УПРАВЛЕНИЯ ПЕРЕКЛЮЧЕНИЕМ ПЕРЕДАЧ, ДАВЛЕНИЯ И ТЕМПЕРАТУРЫ ТРАНСМИССИОННОГО МАСЛА

L8B15313.png
Показать иллюстрациюПеревод текста в иллюстрациях


б. УСЛОВНОЕ ОБОЗНАЧЕНИЕ & И НАХОЖДЕНИЕ НОМЕРА КОНТАКТА

L8B1P322.png
Показать иллюстрациюПеревод текста в иллюстрациях


в. РАСПОЛОЖЕНИЕ РАЗЪЁМОВ И СОЕДИНЕНИЙ МАССЫ

L8B12101.png
Показать иллюстрациюПеревод текста в иллюстрациях


2-3) ЦЕПЬ СИГНАЛА СКОРОСТИ АВТОМОБИЛЯ

L9B15308.png
Показать иллюстрациюПеревод текста в иллюстрациях


а. ИНФОРМАЦИЯ О РАЗЪЁМЕ

№ РАЗЪЁМА
(№ И ЦВЕТ КОНТАКТА)
СОЕДИНИТЕЛЬНЫЙ ЖГУТ ПРОВОДОВ ПОЛОЖЕНИЕ РАЗЪЁМА
С202 (контакт 23, белый) Приборная панель - кузов Коробка разъемов внизу левой передней стойки
C208 (контакт 16, белый) Подушка безопасности - приборная панель За аудиосистемой в центре приборной панели
C211 (контакт 16, белый) Приборная панель - A/C За перчаточным ящиком

б. УСЛОВНОЕ ОБОЗНАЧЕНИЕ & И НАХОЖДЕНИЕ НОМЕРА КОНТАКТА

L8B1P323.png
Показать иллюстрациюПеревод текста в иллюстрациях


в. РАСПОЛОЖЕНИЕ РАЗЪЁМОВ И СОЕДИНЕНИЙ МАССЫ

L8B12101.png
Показать иллюстрациюПеревод текста в иллюстрациях


L8B12104.png
Показать иллюстрациюПеревод текста в иллюстрациях


2-4) ЦЕПЬ ВНУТРЕННЕГО ПЕРЕКЛЮЧАТЕЛЯ РЕЖИМА И РЫЧАГА СЕЛЕКТОРА ПЕРЕДАЧ

L9B15309.png
Показать иллюстрациюПеревод текста в иллюстрациях


а. ИНФОРМАЦИЯ О РАЗЪЁМЕ

№ РАЗЪЁМА
(№ И ЦВЕТ КОНТАКТА)
СОЕДИНИТЕЛЬНЫЙ ЖГУТ ПРОВОДОВ ПОЛОЖЕНИЕ РАЗЪЁМА
С201 (контакт 76, черный) Приборная панель - блок предохранителей на приборной панели БЛОК ПРЕДОХРАНИТЕЛЕЙ НА ПРИБОРНОЙ ПАНЕЛИ
G202 Приборная панель Левая нижняя часть центрального молдинга приборной панели

б. УСЛОВНОЕ ОБОЗНАЧЕНИЕ & И НАХОЖДЕНИЕ НОМЕРА КОНТАКТА

L8B1P324.png
Показать иллюстрациюПеревод текста в иллюстрациях


в. РАСПОЛОЖЕНИЕ РАЗЪЁМОВ И СОЕДИНЕНИЙ МАССЫ

L8B12101.png
Показать иллюстрациюПеревод текста в иллюстрациях


L8B12104.png
Показать иллюстрациюПеревод текста в иллюстрациях


2-5) ЦЕПЬ ИНДИКАТОРА УПРАВЛЕНИЯ АВТОМАТИЧЕСКОЙ ТРАНСМИССИЕЙ

L9B15310.png
Показать иллюстрациюПеревод текста в иллюстрациях


а. ИНФОРМАЦИЯ О РАЗЪЁМЕ

№ РАЗЪЁМА
(№ И ЦВЕТ КОНТАКТА)
СОЕДИНИТЕЛЬНЫЙ ЖГУТ ПРОВОДОВ ПОЛОЖЕНИЕ РАЗЪЁМА
С201 (контакт 76, черный) Приборная панель - блок предохранителей на приборной панели БЛОК ПРЕДОХРАНИТЕЛЕЙ НА ПРИБОРНОЙ ПАНЕЛИ
G202 Приборная панель Левая нижняя часть центрального молдинга приборной панели

б. УСЛОВНОЕ ОБОЗНАЧЕНИЕ & И НАХОЖДЕНИЕ НОМЕРА КОНТАКТА

L8B1P325.png
Показать иллюстрациюПеревод текста в иллюстрациях


в. РАСПОЛОЖЕНИЕ РАЗЪЁМОВ И СОЕДИНЕНИЙ МАССЫ

L8B12101.png
Показать иллюстрациюПеревод текста в иллюстрациях


L8B12104.png
Показать иллюстрациюПеревод текста в иллюстрациях


На предыдущую страницу На следующую страницу


https://vnx.su/ 🛠 Руководства по ремонту и эксплуатации для автомобилей

Поиск по сайту

Остались вопросы или пожелания? Пишите на почту: support@vnx.su

Карта Сайта