К началу документа
Epica
На предыдущую страницу На следующую страницу
Главная страница GMDE Загрузить нединамическое оглавление Загрузить динамическое оглавление Помощь



10. ПРИБОРНАЯ ПАНЕЛЬ И КОНСОЛЬ

1) КОМБИНАЦИЯ ПРИБОРОВ

1-1) ЦЕПЬ ЭЛЕКТРОПИТАНИЯ, МАССЫ И ИЗМЕРИТЕЛЕЙ

L9B15316.png
Показать иллюстрациюПеревод текста в иллюстрациях


а. ИНФОРМАЦИЯ О РАЗЪЁМЕ

№ РАЗЪЁМА
(№ И ЦВЕТ КОНТАКТА)
СОЕДИНИТЕЛЬНЫЙ ЖГУТ ПРОВОДОВ ПОЛОЖЕНИЕ РАЗЪЁМА
С102 (контакт 68, серый) Двигатель - блок предохранителей в моторном отсеке Блок предохранителей в моторном отсеке
С103 (контакт 68, белый) Кузов - блок предохранителей в моторном отсеке Блок предохранителей в моторном отсеке
С201 (контакт 76, черный) Приборная панель - блок предохранителей на приборной панели БЛОК ПРЕДОХРАНИТЕЛЕЙ НА ПРИБОРНОЙ ПАНЕЛИ
С202 (контакт 23, белый) Приборная панель - кузов Коробка разъемов внизу левой передней стойки
C204 (контакт 22, белый) Приборная панель - кузов Коробка разъемов внизу левой передней стойки
C205 (контакт 23, белый) Приборная панель - кузов Коробка разъемов внизу левой передней стойки
C216 (контакт 20, белый) Двигатель - приборная панель Возле коробки разъемов внизу правой передней стойки
C404 (контакт 12, белый) Кузов - топливный насос Под серединой задней поперечины
G202 Приборная панель Левая нижняя часть центрального молдинга приборной панели

б. УСЛОВНОЕ ОБОЗНАЧЕНИЕ & И НАХОЖДЕНИЕ НОМЕРА КОНТАКТА

L8B1P332.png
Показать иллюстрациюПеревод текста в иллюстрациях


в. РАСПОЛОЖЕНИЕ РАЗЪЁМОВ И СОЕДИНЕНИЙ МАССЫ

L8B12104.png
Показать иллюстрациюПеревод текста в иллюстрациях


L8B12102.png
Показать иллюстрациюПеревод текста в иллюстрациях


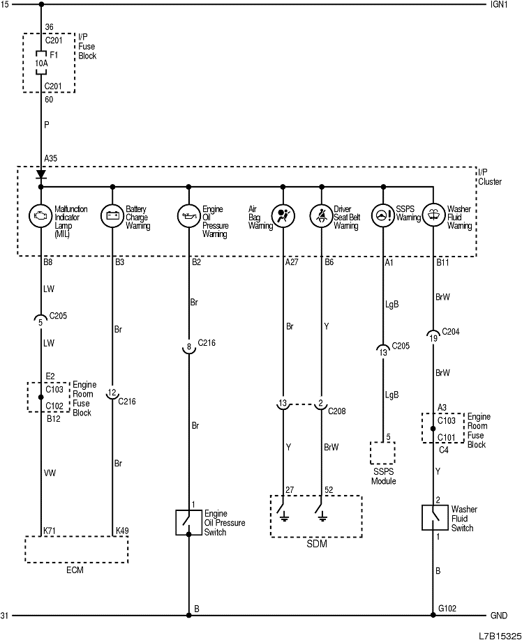
1-2) ЦЕПЬ КОНТРОЛЬНЫХ ЛАМП (mil, ЗАРЯДКА АККУМУЛЯТОРНОЙ БАТАРЕИ, ДАВЛЕНИЕ МАСЛА В ДВИГАТЕЛЕ, ПОДУШКА БЕЗОПАСНОСТИ, РЕМЕНЬ БЕЗОПАСНОСТИ ВОДИТЕЛЯ, ssps, ОМЫВАЮЩАЯ ЖИДКОСТЬ)

L7B15325.png
Показать иллюстрациюПеревод текста в иллюстрациях


а. ИНФОРМАЦИЯ О РАЗЪЁМЕ

№ РАЗЪЁМА
(№ И ЦВЕТ КОНТАКТА)
СОЕДИНИТЕЛЬНЫЙ ЖГУТ ПРОВОДОВ ПОЛОЖЕНИЕ РАЗЪЁМА
C101 (контакт 68, черный) Передняя часть - блок предохранителей в моторном отсеке Блок предохранителей в моторном отсеке
С102 (контакт 68, серый) Двигатель - блок предохранителей в моторном отсеке Блок предохранителей в моторном отсеке
С103 (контакт 68, белый) Кузов - блок предохранителей в моторном отсеке Блок предохранителей в моторном отсеке
С201 (контакт 76, черный) Приборная панель - блок предохранителей на приборной панели БЛОК ПРЕДОХРАНИТЕЛЕЙ НА ПРИБОРНОЙ ПАНЕЛИ
C204 (контакт 22, белый) Приборная панель - кузов Коробка разъемов внизу левой передней стойки
C205 (контакт 23, белый) Приборная панель - кузов Коробка разъемов внизу левой передней стойки
C208 (контакт 16, белый) Подушка безопасности - приборная панель За аудиосистемой в центре приборной панели
C216 (контакт 20, белый) Двигатель - приборная панель Возле коробки разъемов внизу правой передней стойки
G102 ПЕРЕДНЯЯ ЧАСТЬ За правой фарой

б. УСЛОВНОЕ ОБОЗНАЧЕНИЕ & И НАХОЖДЕНИЕ НОМЕРА КОНТАКТА

L8B1P333.png
Показать иллюстрациюПеревод текста в иллюстрациях


в. РАСПОЛОЖЕНИЕ РАЗЪЁМОВ И СОЕДИНЕНИЙ МАССЫ

L8B12104.png
Показать иллюстрациюПеревод текста в иллюстрациях


L8B12102.png
Показать иллюстрациюПеревод текста в иллюстрациях


1-3) ЦЕПЬ КОНТРОЛЬНЫХ ЛАМП (ТОРМОЗ, АБС, tcs) И ИНДИКАТОРОВ (ЗИМНИЙ РЕЖИМ, pas, ОТКЛЮЧЕНИЕ tcs, tcs)

L9B15317.png
Показать иллюстрациюПеревод текста в иллюстрациях


а. ИНФОРМАЦИЯ О РАЗЪЁМЕ

№ РАЗЪЁМА
(№ И ЦВЕТ КОНТАКТА)
СОЕДИНИТЕЛЬНЫЙ ЖГУТ ПРОВОДОВ ПОЛОЖЕНИЕ РАЗЪЁМА
С201 (контакт 76, черный) Приборная панель - блок предохранителей на приборной панели БЛОК ПРЕДОХРАНИТЕЛЕЙ НА ПРИБОРНОЙ ПАНЕЛИ
C205 (контакт 23, белый) Приборная панель - кузов Коробка разъемов внизу левой передней стойки
С207 (контакт 22, белый) Приборная панель - контроллер КПП За коленным буфером водителя
C213 (контакт 23, белый) Приборная панель - кузов Коробка разъемов внизу правой передней стойки
C401 (контакт 16, белый) Багажный отсек - кузов На левой боковой панели в багажном отсеке
G202 Приборная панель Левая нижняя часть центрального молдинга приборной панели
G301 Кузов На левой поперечине передней панели пола

б. УСЛОВНОЕ ОБОЗНАЧЕНИЕ & И НАХОЖДЕНИЕ НОМЕРА КОНТАКТА

L8B1P334.png
Показать иллюстрациюПеревод текста в иллюстрациях


в. РАСПОЛОЖЕНИЕ РАЗЪЁМОВ И СОЕДИНЕНИЙ МАССЫ

L8B12104.png
Показать иллюстрациюПеревод текста в иллюстрациях


L7B12018.png
Показать иллюстрациюПеревод текста в иллюстрациях


1-4) ЦЕПЬ ИНДИКАТОРА ЗИМНЕГО РЕЖИМА И МОДУЛЯ ЛАМПЫ ЗАДНЕГО ХОДА

L9B15318.png
Показать иллюстрациюПеревод текста в иллюстрациях


а. ИНФОРМАЦИЯ О РАЗЪЁМЕ

№ РАЗЪЁМА
(№ И ЦВЕТ КОНТАКТА)
СОЕДИНИТЕЛЬНЫЙ ЖГУТ ПРОВОДОВ ПОЛОЖЕНИЕ РАЗЪЁМА
С201 (контакт 76, черный) Приборная панель - блок предохранителей на приборной панели БЛОК ПРЕДОХРАНИТЕЛЕЙ НА ПРИБОРНОЙ ПАНЕЛИ

б. УСЛОВНОЕ ОБОЗНАЧЕНИЕ & И НАХОЖДЕНИЕ НОМЕРА КОНТАКТА

L8B1P335.png
Показать иллюстрациюПеревод текста в иллюстрациях


в. РАСПОЛОЖЕНИЕ РАЗЪЁМОВ И СОЕДИНЕНИЙ МАССЫ

L8B12104.png
Показать иллюстрациюПеревод текста в иллюстрациях


L8B12101.png
Показать иллюстрациюПеревод текста в иллюстрациях


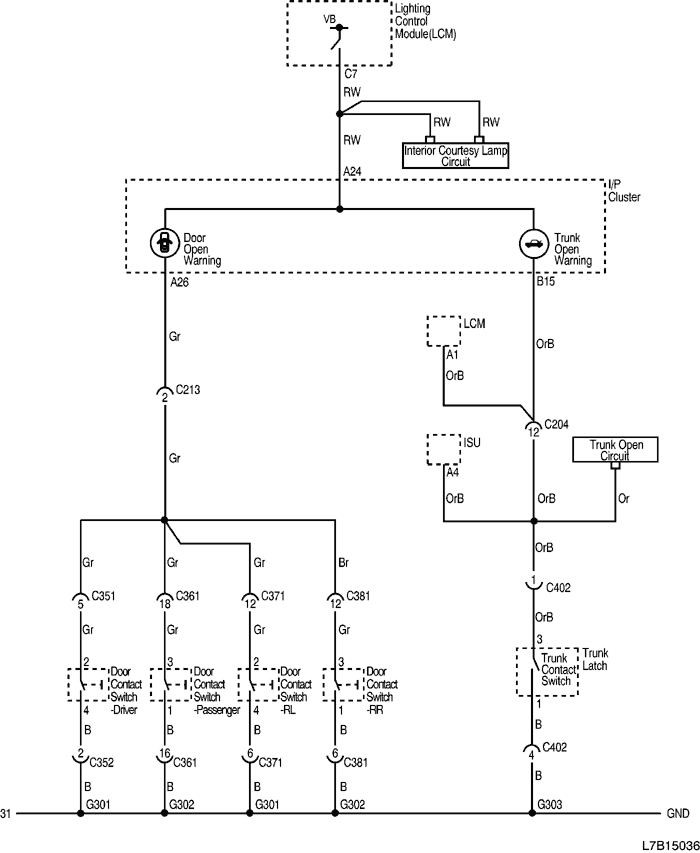
1-5) ЦЕПЬ СИГНАЛИЗАЦИИ ОТКРЫТИЯ ДВЕРИ И КОНТРОЛЬНОЙ ЛАМПЫ ОТКРЫТИЯ БАГАЖНИКА

L7B15036.png
Показать иллюстрациюПеревод текста в иллюстрациях


а. ИНФОРМАЦИЯ О РАЗЪЁМЕ

№ РАЗЪЁМА
(№ И ЦВЕТ КОНТАКТА)
СОЕДИНИТЕЛЬНЫЙ ЖГУТ ПРОВОДОВ ПОЛОЖЕНИЕ РАЗЪЁМА
C204 (контакт 22, белый) Приборная панель - кузов Коробка разъемов внизу левой передней стойки
C213 (контакт 23, белый) Приборная панель - кузов Коробка разъемов внизу правой передней стойки
С351 (контакт 18, серый) Кузов - дверь водителя Внизу передней стойки водителя
С352 (контакт 18, белый) Кузов - дверь водителя Внизу передней стойки водителя
С361 (контакт 18, серый) Кузов - дверь пассажира Внизу передней стойки пассажира
С371 (контакт 21, белый) Кузов - задняя левая дверь Внизу левой средней стойки
С381 (контакт 21, белый) Кузов - задняя правая дверь Внизу правой средней стойки
С402 (контакт 6, белый) Крышка багажника - кузов На левой боковой панели в багажном отсеке
G301 Кузов На левой поперечине передней панели пола
G302 Кузов На правой поперечине передней панели пола
G303 Кузов Возле задней полки левой задней стойки

б. УСЛОВНОЕ ОБОЗНАЧЕНИЕ & И НАХОЖДЕНИЕ НОМЕРА КОНТАКТА

L8B1P336.png
Показать иллюстрациюПеревод текста в иллюстрациях


в. РАСПОЛОЖЕНИЕ РАЗЪЁМОВ И СОЕДИНЕНИЙ МАССЫ

L8B12104.png
Показать иллюстрациюПеревод текста в иллюстрациях


L7B12013.png
Показать иллюстрациюПеревод текста в иллюстрациях


L7B12014.png
Показать иллюстрациюПеревод текста в иллюстрациях


L7B12015.png
Показать иллюстрациюПеревод текста в иллюстрациях


1-6) ЦЕПЬ ИНДИКАТОРОВ (ПРОТИВОУГОННАЯ СИСТЕМА, ДАЛЬНИЙ СВЕТ, ПЕРЕДНИЕ ПРОТИВОТУМАННЫЕ ФАРЫ, ЗАДНИЕ ПРОТИВОТУМАННЫЕ ФОНАРИ, drl, СИСТЕМА ПОДДЕРЖАНИЯ СКОРОСТИ, УКАЗАТЕЛИ ПОВОРОТА)

L9B15319.png
Показать иллюстрациюПеревод текста в иллюстрациях


а. ИНФОРМАЦИЯ О РАЗЪЁМЕ

№ РАЗЪЁМА
(№ И ЦВЕТ КОНТАКТА)
СОЕДИНИТЕЛЬНЫЙ ЖГУТ ПРОВОДОВ ПОЛОЖЕНИЕ РАЗЪЁМА
С103 (контакт 68, белый) Кузов - блок предохранителей в моторном отсеке Блок предохранителей в моторном отсеке
С201 (контакт 76, черный) Приборная панель - блок предохранителей на приборной панели БЛОК ПРЕДОХРАНИТЕЛЕЙ НА ПРИБОРНОЙ ПАНЕЛИ
С202 (контакт 23, белый) Приборная панель - кузов Коробка разъемов внизу левой передней стойки
C216 (контакт 20, белый) Двигатель - приборная панель Возле коробки разъемов внизу правой передней стойки

б. УСЛОВНОЕ ОБОЗНАЧЕНИЕ & И НАХОЖДЕНИЕ НОМЕРА КОНТАКТА

L8B1P337.png
Показать иллюстрациюПеревод текста в иллюстрациях


в. РАСПОЛОЖЕНИЕ РАЗЪЁМОВ И СОЕДИНЕНИЙ МАССЫ

L8B12104.png
Показать иллюстрациюПеревод текста в иллюстрациях


L8B12102.png
Показать иллюстрациюПеревод текста в иллюстрациях


1-7) ЦЕПЬ УКАЗАТЕЛЕЙ ПОВОРОТА И ПОДСВЕТКИ

L9B25326.png
Показать иллюстрациюПеревод текста в иллюстрациях


а. ИНФОРМАЦИЯ О РАЗЪЁМЕ

№ РАЗЪЁМА
(№ И ЦВЕТ КОНТАКТА)
СОЕДИНИТЕЛЬНЫЙ ЖГУТ ПРОВОДОВ ПОЛОЖЕНИЕ РАЗЪЁМА
С201 (контакт 76, черный) Приборная панель - блок предохранителей на приборной панели БЛОК ПРЕДОХРАНИТЕЛЕЙ НА ПРИБОРНОЙ ПАНЕЛИ
G202 Приборная панель Левая нижняя часть центрального молдинга приборной панели

б. УСЛОВНОЕ ОБОЗНАЧЕНИЕ & И НАХОЖДЕНИЕ НОМЕРА КОНТАКТА

L8B1P338.png
Показать иллюстрациюПеревод текста в иллюстрациях


в. РАСПОЛОЖЕНИЕ РАЗЪЁМОВ И СОЕДИНЕНИЙ МАССЫ

L8B12104.png
Показать иллюстрациюПеревод текста в иллюстрациях


2) ЦЕНТР ИНФОРМИРОВАНИЯ ВОДИТЕЛЯ

2-1) ЦЕПЬ ИНФОРАЦИОННОГО ДИСПЛЕЯ ВОДИТЕЛЯ

L9B15320.png
Показать иллюстрациюПеревод текста в иллюстрациях


а. ИНФОРМАЦИЯ О РАЗЪЁМЕ

№ РАЗЪЁМА
(№ И ЦВЕТ КОНТАКТА)
СОЕДИНИТЕЛЬНЫЙ ЖГУТ ПРОВОДОВ ПОЛОЖЕНИЕ РАЗЪЁМА
С103 (контакт 68, белый) Кузов - блок предохранителей в моторном отсеке Блок предохранителей в моторном отсеке
С201 (контакт 76, черный) Приборная панель - блок предохранителей на приборной панели БЛОК ПРЕДОХРАНИТЕЛЕЙ НА ПРИБОРНОЙ ПАНЕЛИ
С202 (контакт 23, белый) Приборная панель - кузов Коробка разъемов внизу левой передней стойки
C211 (контакт 16, белый) Приборная панель - A/C За перчаточным ящиком
C216 (контакт 20, белый) Двигатель - приборная панель Возле коробки разъемов внизу правой передней стойки
G202 Приборная панель Левая нижняя часть центрального молдинга приборной панели

б. УСЛОВНОЕ ОБОЗНАЧЕНИЕ & И НАХОЖДЕНИЕ НОМЕРА КОНТАКТА

L8B1P339.png
Показать иллюстрациюПеревод текста в иллюстрациях


в. РАСПОЛОЖЕНИЕ РАЗЪЁМОВ И СОЕДИНЕНИЙ МАССЫ

L8B12104.png
Показать иллюстрациюПеревод текста в иллюстрациях


L7B12009.png
Показать иллюстрациюПеревод текста в иллюстрациях


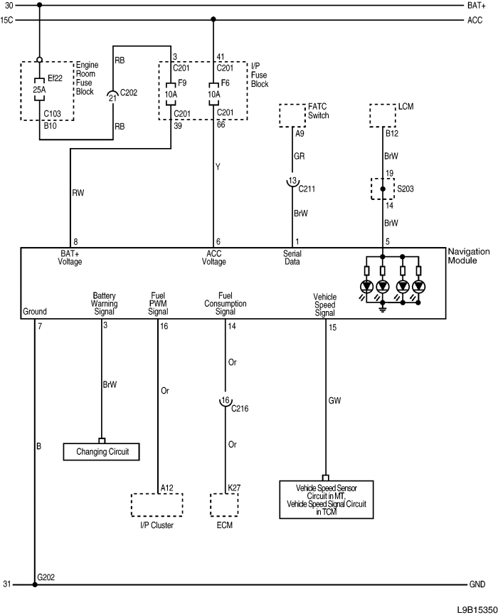
2-2) ЦЕПЬ УСОВЕРШЕНСТВОВАННОЙ НАВИГАЦИИ

L9B15350.png
Показать иллюстрациюПеревод текста в иллюстрациях


а. ИНФОРМАЦИЯ О РАЗЪЁМЕ

№ РАЗЪЁМА
(№ И ЦВЕТ КОНТАКТА)
СОЕДИНИТЕЛЬНЫЙ ЖГУТ ПРОВОДОВ ПОЛОЖЕНИЕ РАЗЪЁМА
С103 (контакт 68, белый) Кузов - блок предохранителей в моторном отсеке Блок предохранителей в моторном отсеке
С201 (контакт 76, черный) Приборная панель - блок предохранителей на приборной панели БЛОК ПРЕДОХРАНИТЕЛЕЙ НА ПРИБОРНОЙ ПАНЕЛИ
С202 (контакт 23, белый) Приборная панель - кузов Коробка разъемов внизу левой передней стойки
C211 (контакт 16, белый) Приборная панель - A/C За перчаточным ящиком
C216 (контакт 20, белый) Двигатель - приборная панель Возле коробки разъемов внизу правой передней стойки
G202 Приборная панель Левая нижняя часть центрального молдинга приборной панели

б. УСЛОВНОЕ ОБОЗНАЧЕНИЕ & И НАХОЖДЕНИЕ НОМЕРА КОНТАКТА

L9B2P301.png
Показать иллюстрациюПеревод текста в иллюстрациях


в. РАСПОЛОЖЕНИЕ РАЗЪЁМОВ И СОЕДИНЕНИЙ МАССЫ

L8B12104.png
Показать иллюстрациюПеревод текста в иллюстрациях


L7B12009.png
Показать иллюстрациюПеревод текста в иллюстрациях


3) ЦЕПЬ ЧАСОВ

L9B15321.png
Показать иллюстрациюПеревод текста в иллюстрациях


а. ИНФОРМАЦИЯ О РАЗЪЁМЕ

№ РАЗЪЁМА
(№ И ЦВЕТ КОНТАКТА)
СОЕДИНИТЕЛЬНЫЙ ЖГУТ ПРОВОДОВ ПОЛОЖЕНИЕ РАЗЪЁМА
С103 (контакт 68, белый) Кузов - блок предохранителей в моторном отсеке Блок предохранителей в моторном отсеке
С201 (контакт 76, черный) Приборная панель - блок предохранителей на приборной панели БЛОК ПРЕДОХРАНИТЕЛЕЙ НА ПРИБОРНОЙ ПАНЕЛИ
С202 (контакт 23, белый) Приборная панель - кузов Коробка разъемов внизу левой передней стойки
G202 Приборная панель Левая нижняя часть центрального молдинга приборной панели

б. УСЛОВНОЕ ОБОЗНАЧЕНИЕ & И НАХОЖДЕНИЕ НОМЕРА КОНТАКТА

L7B1P040.png
Показать иллюстрациюПеревод текста в иллюстрациях


в. РАСПОЛОЖЕНИЕ РАЗЪЁМОВ И СОЕДИНЕНИЙ МАССЫ

L8B12104.png
Показать иллюстрациюПеревод текста в иллюстрациях


L7B12009.png
Показать иллюстрациюПеревод текста в иллюстрациях


4) ЦЕПЬ ЗВУКОВОГО ПРЕДУПРЕЖДЕНИЯ

L9B15322.png
Показать иллюстрациюПеревод текста в иллюстрациях


а. ИНФОРМАЦИЯ О РАЗЪЁМЕ

№ РАЗЪЁМА
(№ И ЦВЕТ КОНТАКТА)
СОЕДИНИТЕЛЬНЫЙ ЖГУТ ПРОВОДОВ ПОЛОЖЕНИЕ РАЗЪЁМА
С103 (контакт 68, белый) Кузов - блок предохранителей в моторном отсеке Блок предохранителей в моторном отсеке
С201 (контакт 76, черный) Приборная панель - блок предохранителей на приборной панели БЛОК ПРЕДОХРАНИТЕЛЕЙ НА ПРИБОРНОЙ ПАНЕЛИ
С202 (контакт 23, белый) Приборная панель - кузов Коробка разъемов внизу левой передней стойки
С203 (контакт 16, желтый) Приборная панель - кузов Коробка разъемов внизу левой передней стойки
C208 (контакт 16, белый) Подушка безопасности - приборная панель За аудиосистемой в центре приборной панели
С210 (контакт 10, белый) Приборная панель - корпус замка Возле середины рулевой колонки
С352 (контакт 18, белый) Кузов - дверь водителя Внизу передней стойки водителя
G301 Кузов На левой поперечине передней панели пола

б. УСЛОВНОЕ ОБОЗНАЧЕНИЕ & И НАХОЖДЕНИЕ НОМЕРА КОНТАКТА

L7B1P041.png
Показать иллюстрациюПеревод текста в иллюстрациях


в. РАСПОЛОЖЕНИЕ РАЗЪЁМОВ И СОЕДИНЕНИЙ МАССЫ

L8B12104.png
Показать иллюстрациюПеревод текста в иллюстрациях


L7B12013.png
Показать иллюстрациюПеревод текста в иллюстрациях


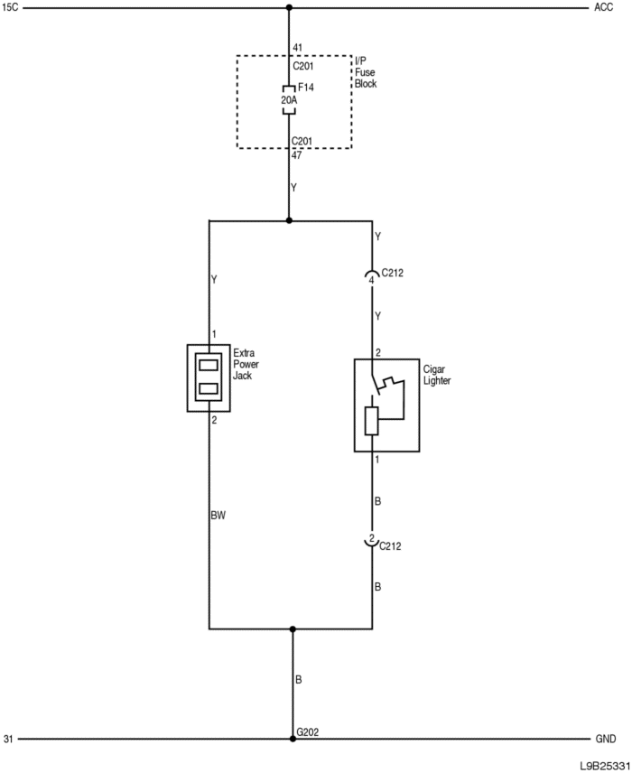
5) ЦЕПЬ ПРИКУРИВАТЕЛЯ И ДОПОЛНИТЕЛЬНОЙ РОЗЕТКИ

L9B25331.png
Показать иллюстрациюПеревод текста в иллюстрациях


а. ИНФОРМАЦИЯ О РАЗЪЁМЕ

№ РАЗЪЁМА
(№ И ЦВЕТ КОНТАКТА)
СОЕДИНИТЕЛЬНЫЙ ЖГУТ ПРОВОДОВ ПОЛОЖЕНИЕ РАЗЪЁМА
С201 (контакт 76, черный) Приборная панель - блок предохранителей на приборной панели БЛОК ПРЕДОХРАНИТЕЛЕЙ НА ПРИБОРНОЙ ПАНЕЛИ
C212 (контакт 4, белый) Приборная панель - пепельница За пепельницей
G202 Приборная панель Левая нижняя часть центрального молдинга приборной панели

б. УСЛОВНОЕ ОБОЗНАЧЕНИЕ & И НАХОЖДЕНИЕ НОМЕРА КОНТАКТА

L7B1P042.png
Показать иллюстрациюПеревод текста в иллюстрациях


в. РАСПОЛОЖЕНИЕ РАЗЪЁМОВ И СОЕДИНЕНИЙ МАССЫ

L8B12104.png
Показать иллюстрациюПеревод текста в иллюстрациях


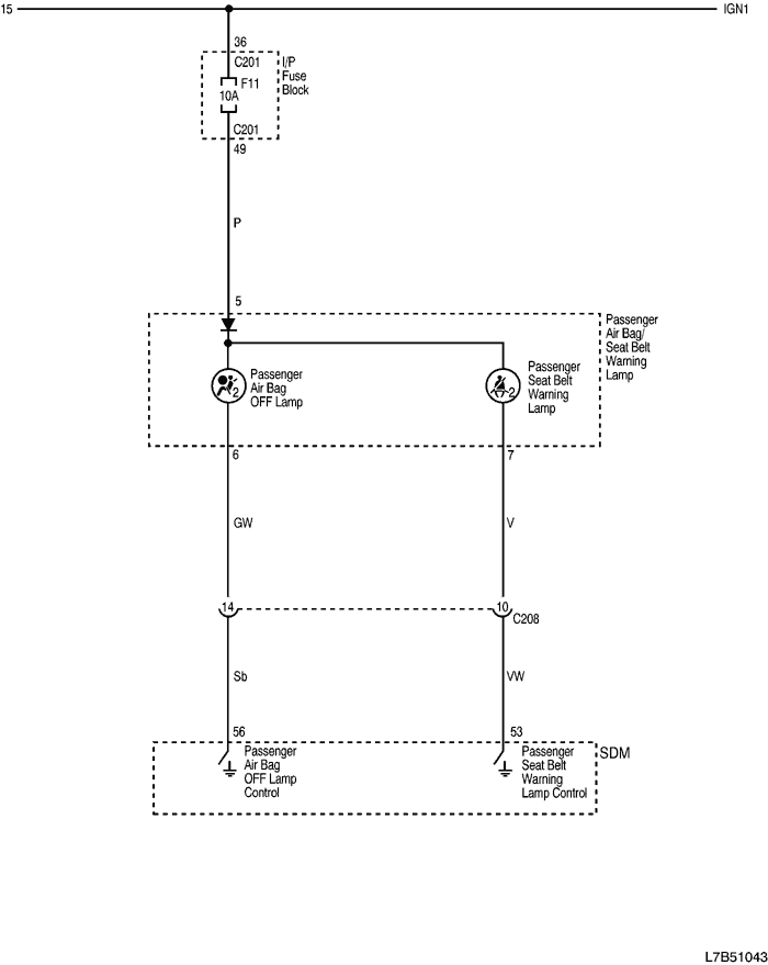
6) ЦЕПЬ КОНТРОЛЬНОЙ ЛАМПЫ ПОДУШКИ БЕЗОПАСНОСТИ/НЕПРИСТЕГНУТОГО РЕМНЯ БЕЗОПАСНОСТИ ПАССАЖИРА

L7B15043.png
Показать иллюстрациюПеревод текста в иллюстрациях


а. ИНФОРМАЦИЯ О РАЗЪЁМЕ

№ РАЗЪЁМА
(№ И ЦВЕТ КОНТАКТА)
СОЕДИНИТЕЛЬНЫЙ ЖГУТ ПРОВОДОВ ПОЛОЖЕНИЕ РАЗЪЁМА
С201 (контакт 76, черный) Приборная панель - блок предохранителей на приборной панели БЛОК ПРЕДОХРАНИТЕЛЕЙ НА ПРИБОРНОЙ ПАНЕЛИ
C208 (контакт 16, белый) Подушка безопасности - приборная панель За аудиосистемой в центре приборной панели

б. УСЛОВНОЕ ОБОЗНАЧЕНИЕ & И НАХОЖДЕНИЕ НОМЕРА КОНТАКТА

L7B1P043.png
Показать иллюстрациюПеревод текста в иллюстрациях


в. РАСПОЛОЖЕНИЕ РАЗЪЁМОВ И СОЕДИНЕНИЙ МАССЫ

L8B12104.png
Показать иллюстрациюПеревод текста в иллюстрациях


L7B12008.png
Показать иллюстрациюПеревод текста в иллюстрациях


На предыдущую страницу На следующую страницу


https://vnx.su/ 🛠 Руководства по ремонту и эксплуатации для автомобилей

Поиск по сайту

Остались вопросы или пожелания? Пишите на почту: support@vnx.su

Карта Сайта