К началу документа
Epica
На предыдущую страницу На следующую страницу
Главная страница GMDE Загрузить нединамическое оглавление Загрузить динамическое оглавление Помощь




РАЗДЕЛ 5

ЭЛЕКТРИЧЕСКИЕ СХЕМЫ



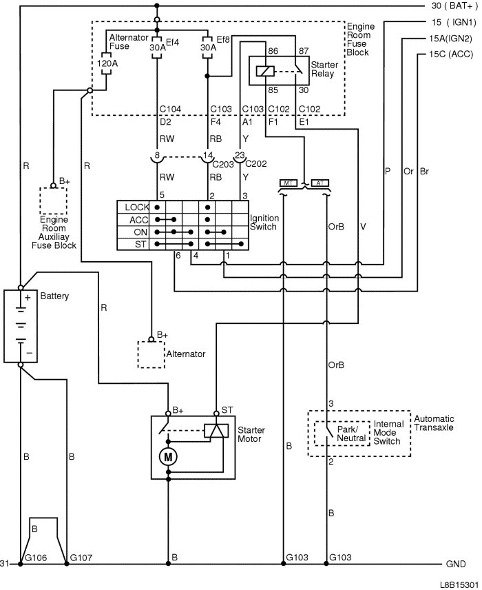
1. СИСТЕМА ПУСКА ДВИГАТЕЛЯ И ЗАРЯДКИ

1) ПУСКОВАЯ ЦЕПЬ

L8B15301.png
Показать иллюстрациюПеревод текста в иллюстрациях


а. ИНФОРМАЦИЯ О РАЗЪЁМЕ

№ РАЗЪЁМА
(№ И ЦВЕТ КОНТАКТА)
СОЕДИНИТЕЛЬНЫЙ ЖГУТ ПРОВОДОВ ПОЛОЖЕНИЕ РАЗЪЁМА
С102 (контакт 68, серый) Двигатель - блок предохранителей в моторном отсеке Блок предохранителей в моторном отсеке
С103 (контакт 68, белый) Кузов - блок предохранителей в моторном отсеке Блок предохранителей в моторном отсеке
С104 (контакт 8, серый) Кузов - блок предохранителей в моторном отсеке Блок предохранителей в моторном отсеке
С202 (контакт 23, белый) Приборная панель - кузов Коробка разъемов внизу левой передней стойки
С203 (контакт 16, желтый) Приборная панель - кузов Коробка разъемов внизу левой передней стойки
G103 Двигатель Между блоком предохранителей в моторном отсеке и аккумуляторной батареей
G106 Аккумуляторная батарея Передняя и центральная часть блока цилиндров двигателя
G107 Аккумуляторная батарея Между блоком предохранителей в моторном отсеке и аккумуляторной батареей

б. УСЛОВНОЕ ОБОЗНАЧЕНИЕ & И НАХОЖДЕНИЕ НОМЕРА КОНТАКТА

L8B1P301.png
Показать иллюстрациюПеревод текста в иллюстрациях


в. РАСПОЛОЖЕНИЕ РАЗЪЁМОВ И СОЕДИНЕНИЙ МАССЫ

L8B12104.png
Показать иллюстрациюПеревод текста в иллюстрациях


L8B12101.png
Показать иллюстрациюПеревод текста в иллюстрациях


2) ЗАРЯДНАЯ ЦЕПЬ

L9B15301.png
Показать иллюстрациюПеревод текста в иллюстрациях


а. ИНФОРМАЦИЯ О РАЗЪЁМЕ

№ РАЗЪЁМА
(№ И ЦВЕТ КОНТАКТА)
СОЕДИНИТЕЛЬНЫЙ ЖГУТ ПРОВОДОВ ПОЛОЖЕНИЕ РАЗЪЁМА
С201 (контакт 76, черный) Приборная панель - блок предохранителей на приборной панели БЛОК ПРЕДОХРАНИТЕЛЕЙ НА ПРИБОРНОЙ ПАНЕЛИ
C216 (контакт 20, белый) Двигатель - приборная панель Возле коробки разъемов внизу правой передней стойки
G106 Аккумуляторная батарея Передняя и центральная часть блока цилиндров двигателя
G107 Аккумуляторная батарея Между блоком предохранителей в моторном отсеке и аккумуляторной батареей

б. УСЛОВНОЕ ОБОЗНАЧЕНИЕ & И НАХОЖДЕНИЕ НОМЕРА КОНТАКТА

L8B1P302.png
Показать иллюстрациюПеревод текста в иллюстрациях


в. РАСПОЛОЖЕНИЕ РАЗЪЁМОВ И СОЕДИНЕНИЙ МАССЫ

L8B12104.png
Показать иллюстрациюПеревод текста в иллюстрациях


L8B12103.png
Показать иллюстрациюПеревод текста в иллюстрациях


На предыдущую страницу На следующую страницу


https://vnx.su/ 🛠 Руководства по ремонту и эксплуатации для автомобилей

Поиск по сайту

Остались вопросы или пожелания? Пишите на почту: support@vnx.su

Карта Сайта