К началу документа
Aveo
На предыдущую страницу На следующую страницу
Главная страница GMDE Загрузить нединамическое оглавление Загрузить динамическое оглавление Помощь

РАЗДЕЛ 9T2

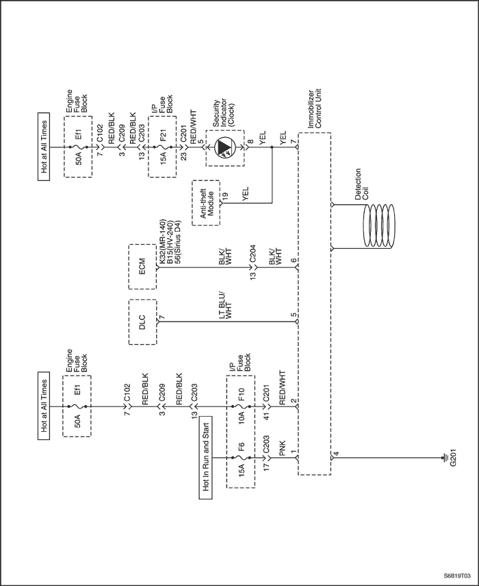
Иммобилизирующая противоугонная система

Внимание! Отсоедините провод от отрицательного вывода аккумулятора, прежде чем снимать или устанавливать какие-либо электрические устройства, а также в ситуации, когда есть возможность касания оголенных электрических контактов каким-либо инструментом или приспособлением. Отсоединение этого провода позволяет избежать травм и повреждения оборудования автомобиля. Кроме того, если не указано иное, зажигание должно находиться в положении LOCK.

ПРИНЦИПИАЛЬНЫЕ И МОНТАЖНЫЕ СХЕМЫ

Иммобилизирующая противоугонная система


S6B19T03
Показать иллюстрациюПеревод текста в иллюстрациях


ДИАГНОСТИЧЕСКАЯ ИНФОРМАЦИЯ И ПРОЦЕДУРЫ

Система иммобилизатора - mr-140, hv-240, sirius d4, sirius d42

Иммобилизирующая противоугонная система требует диагностики, если невозможно запустить двигатель. Если автомобиль не заводится из-за системы иммобилизатора, то устанавливается диагностической код неисправности P1626, P1628, P1629, P1631, U0167.
Блок управления иммобилизирующей системы контролирует обнаружение и показание ключа зажигания. Возможности самопроверки ограничиваются этими функциями. Информация о неисправностях передается сканирующий инструмент во время диагностики, но она не хранится в памяти блока управления иммобилизирующей системы.
Несанкционированное использование сканирующего инструмента может быть методом нейтрализации противоугонной системы, поэтому для некоторых процедур сканирующего инструмента нужен пароль. Следующие функции защищены паролем:
Следующие функции не требуют ввода пароля:

S6B19T04
Показать иллюстрациюПеревод текста в иллюстрациях


Диагностический код неисправности (dtc) p1626 - hv-240, mr-140/ за исключением euro iv; u0167 - mr-140/ только euro iv; p1628 - sirius d4, sirius d42

Ошибка ЕСМ иммобилизирующей системы (передача данных не состоялась)

Описание схемы

Если зажигание находится в положении ON (вкл.), то ключ проверяется иммобилизирующей противоугонной системой. Пока код ключа считывается блоком управления иммобилизирующей системы, двигатель может запускаться и работать с любым ключом, который повернет цилиндр замка. Код ключа считывается и сравнивается с кодами ключей, сохраненными в памяти блока управления иммобилизирующей системы. Если обнаружен действующий ключ, то блок управления иммобилизирующей системы отправляет сообщение о разрешении передачи данных на электронный блок управления (ЕСМ). В сообщении содержится идентификационный код (ID), который обеспечивает невозможность подмены блока управления иммобилизирующей системы и электронного блока управления с целью нейтрализации работы системы. Если ЕСМ получает недействительное сообщение, то ЕСМ выполняет следующие действия:

p1626, p1628, u0167 записываются, когда

p1626, p1628, u0167 удаляются, когда

p1626, p1628, u0167 - Ошибка ЕСМ иммобилизирующей системы - передача данных не состоялась

Шаг Операция Значения Да Нет
1
Присоединить диагностический прибор, используя следующую процедуру:
  1. Вставить картридж в диагностический прибор.
  2. Поставить переключатель зажигания в положение off (выкл.)
  3. Подключите диагностический прибор к разъему линии передачи данных (dlc).
  4. Присоединить шнур питания диагностического прибора к гнезду прикуривателя.
  5. Выбрать режим иммобилизирующей системы на диагностическом приборе.
  6. Включить зажигание, но не запускать двигатель.
Установлена ли связь между диагностическим прибором и блоком управления иммобилизирующей системы?
-
Перейдите на Шаг 4
Перейдите на Шаг 2
2
Проверить, не разомкнута ли цепь последовательно передаваемых данных между блоком управления иммобилизирующей системы и разъемом линии передачи данных (dlc).
Цепь разомкнута?
-
Перейдите на Шаг 3
Перейдите на Шаг 7
3
Устранить разрыв цепи последовательно передаваемых данных между блоком управления иммобилизирующей системы и разъемом линии передачи данных (dlc).
Ремонт закончен?
-
Перейдите на Шаг 4
-
4
Прочитать сообщение об идентификационном коде электронного блока управления immo&, которое появляется после запроса "Диагностика"
Сообщение отличается от обычного?
Обычное сообщение -
Режим ЕСМ: изучен
Режим иммобилизирующей системы: изучен
Код vin: тот же
-
Перейдите на Шаг 5
5
Проверить, не разомкнута ли цепь последовательно передаваемых данных между блоком управления иммобилизирующей системы и ЕСМ.
Цепь разомкнута?
-
Перейдите на Шаг 6
Перейдите на Шаг 7
6
Отремонтировать цепь для последовательной передачи данных между ЕСМ и блоком управления иммобилизирующей системы.
Ремонт закончен?
-
Система в норме
-
7
  1. Заменить иммобилизирующую систему. "Перепрограммирование идентификационного кода"
Ремонт закончен?
-
Система в норме
Перейдите на Шаг 8
8
  1. Заменить ЕСМ.
  2. Включить и выключить зажигание в течение более 4 сек.
  3. Установите зажигание в положение on.
Ремонт закончен?
-
Система в норме
-

S6B19T04
Показать иллюстрациюПеревод текста в иллюстрациях


Диагностический код неисправности (dtc) p1631 - mr-140, hv-240; p1629 - sirius d4, sirius d42

Ошибка ЕСМ иммобилизирующей системы (неверный ответ)

Описание схемы

Если зажигание находится в положении ON (вкл.), то ключ проверяется иммобилизирующей противоугонной системой. Пока код ключа считывается блоком управления иммобилизирующей системы, двигатель может запускаться и работать с любым ключом, который повернет цилиндр замка. Код ключа считывается и сравнивается с кодами ключей, сохраненными в памяти блока управления иммобилизирующей системы. Если обнаружен действующий ключ, то блок управления иммобилизирующей системы отправляет сообщение о разрешении передачи данных на электронный блок управления (ЕСМ). В сообщении содержится идентификационный код (ID), который обеспечивает невозможность подмены блока управления иммобилизирующей системы и электронного блока управления с целью нейтрализации работы системы. Если ЕСМ получает недействительное сообщение, то ЕСМ выполняет следующие действия:

Р1631, 1629 будут установлены, когда

Р1631, 1629 будут стерты, когда

Р1631, 1629 - Ошибка ЕСМ иммобилизирующей системы - неверный ответ

Шаг Операция Значения Да Нет
1
Присоединить диагностический прибор, используя следующую процедуру:
  1. Вставить картридж в диагностический прибор.
  2. Поставить переключатель зажигания в положение off (выкл.)
  3. Подключите диагностический прибор к разъему линии передачи данных (dlc).
  4. Присоединить шнур питания диагностического прибора к гнезду прикуривателя.
  5. Включить зажигание, но не запускать двигатель.
Установлена ли связь между диагностическим прибором и блоком управления иммобилизирующей системы?
-
Перейдите на Шаг 4
Перейдите на Шаг 2
2
Проверить, не разомкнута ли цепь последовательно передаваемых данных между блоком управления иммобилизирующей системы и разъемом линии передачи данных (dlc).
Цепь разомкнута?
-
Перейдите на Шаг 3
Перейдите на Шаг 5
3
Устранить разрыв цепи последовательно передаваемых данных между блоком управления иммобилизирующей системы и разъемом линии передачи данных (dlc).
Ремонт закончен?
-
Перейдите на Шаг 4
-
4
  1. Выбрать строку "Диагностика" в меню диагностического прибора.
  2. Прочитать сообщение об идентификационном коде ЕСМ и иммобилизирующей системы &.
Сообщение отличается от обычного?
Обычное сообщение -
Режим ЕСМ: заучен
Режим иммобилизирующей системы: изучен
Код vin: тот же
-
Перейдите на Шаг 5
5
  1. Заменить иммобилизирующую систему.
  2. Перепрограммировать идентификационный код.
Ремонт закончен?
-
Система в норме
Перейдите на Шаг 6
6
  1. Заменить ЕСМ.
  2. Включить и выключить зажигание в течение более 4 сек.
  3. Установите зажигание в положение on.
Ремонт закончен?
-
Система в норме
-

ТЕХНИЧЕСКОЕ ОБСЛУЖИВАНИЕ И РЕМОНТ

РАБОТЫ НА АВТОМОБИЛЕ

Процедура кодировки ключей.

  1. Установить картридж блока управления иммобилизирующей системы в диагностический прибор.
  2. Выключить зажигание.
  3. Присоединить диагностический прибор.
  4. Включить зажигание ключом, который будет кодироваться.
  5. Ввести четырехзначный пароль, который позволит ремонтному персоналу использовать диагностический прибор для кодировки ключа.
  6. Использовать команду диагностического прибора.
  7. Проверить, удачно ли прошла кодировка ключа, запустив двигатель с помощью каждого из разрешенных к использованию ключей.

Перепрограммирование идентификационного кода

    Перепрограммировать идентификационный код (ID)в следующих ситуациях:
    Если действующий ключ утерян, то см. "Процедура кодировки ключа" в этом разделе.

Транспондер

Каждый действующий ключ зажигания имеет внутренний транспондер, который представляет собой читающий/пишущий транспондер.
Транспондер содержит реализацию крипто-алгоритма с 96 битами секретного ключа, изменяемого пользователем, содержащегося в EEPROM, и передает данные на ICU путем модулирования амплитуды электромагнитного поля и таким же образом получает данные и команды.


S6B16E01
Показать иллюстрациюПеревод текста в иллюстрациях


Блок управления иммобилизирующей системы

Процедура снятия

  1. Снять нижнюю крышку панели приборов.


  2. T3B19T08
    Показать иллюстрациюПеревод текста в иллюстрациях


  3. Отсоединить электрический разъем от блока управления иммобилизирующей системы.


  4. T3B19T09
    Показать иллюстрациюПеревод текста в иллюстрациях


  5. Снять блок управления иммобилизирующей системы.


S6B16E01
Показать иллюстрациюПеревод текста в иллюстрациях


Процедура установки

  1. Установить блок управления иммобилизирующей системы.
  2. Присоединить электрический разъем к блоку управления иммобилизирующей системы.


  3. S6B16E01
    Показать иллюстрациюПеревод текста в иллюстрациях


  4. Установить нижнюю крышку панели приборов. Важно: После замены иммобилизирующей системы ключи должны быть повторно санкционированы с помощью процедуры кодировки ключей. Перейти к "Процедура кодировки ключа"в этом разделе.

ОБЩЕЕ ОПИСАНИЕ И РАБОТА СИСТЕМЫ

Иммобилизирующая система

Цель иммобилизирующей системы - обеспечить дополнительную защиту от угона автомобиля, в котором она установлена, и защитить его от кражи или угона несанкционированными пользователями.
Проверка информации о пользователе осуществляется с помощью ключа зажигания с встроенным транспондером.
Наружный дисплей изображает состояние иммобилизириующей системы и имеет дополнительную противоугонную функцию.
Чтобы защитить обмен информацией, данные о состоянии передаются от иммобилизирующей системы на ЕСМ в виде 5-байтовых закодированных данных.
Эти 5 байтов состоят из смеси случайных данных и двух типов фиксированного кода
Номер VIN известен при первой поставке системы.
Номер VIN реализуется блоком ICU по специальному заказу от кодировки ключа (считывание кода транспондера и сохранение его в памяти EEPROM иммобилизирующей системы в качестве действующего кода ключа).
Разные случайные данные рассчитываются при каждом переходе ключа.
Вся передача иммобилизирующей информации между ЕСМ и ICU осуществляется на линии К (: Линия последовательно передаваемых данных'7').
Благодаря узнаванию специального идентификационного номера автомобиля, как ICU так и ЕСМ могут оставаться в 3 стабильных режимах
При использовании действующего ключа происходит передача сообщения с ЕСМ, а дисплей изображает состояние иммобилизирующей системы. В случае использования недействительного ключа ЕСМ выключает цепь топливного инжектора с помощью закодированного внедрения и устанавливает диагностический код неисправности (DTC)
Вышеуказанные условия сохраняются до тех пор, пока зажигание не будет выключено.
Электронный блок управления (ЕСМ) без блока управления иммобилизирующей системы не может быть заменен на ЕСМ с блоком управления иммобилизирующей системы. Блок управления иммобилизирующей системы и ЕСМ должны иметь совпадающий идентификационный код. Кодировка идентификационного номера и ключа выполняются с помощью прибора Scanner-100.
Иммобилизирующая система состоит максимум из

электронно закодированными ключами

Каждый действующий ключ зажигания имеет внутренний транспондер, который представляет собой читающий/пишущий транспондер.
Транспондер содержит реализацию крипто-алгоритма с 96 битами секретного ключа, изменяемого пользователем, содержащегося в EEPROM, и передает данные на ICU путем модулирования амплитуды электромагнитного поля и таким же образом получает данные и команды.

Детекторная катушка

Тороидальная катушка установлена на замке зажигания перед ключом-жезлом.
Она соединена с ICU четырехполюсным разъемом, прикрепленном к корпусу катушки.
Длина соединения между катушкой и иммобилизирующей системой ограничивается 50 см. Правильное расположение замка зажигания и точные данные по электричеству имеют очень важное значение для расстояния считывания транспондера.
Тороидальная катушка и приемная катушка внутри транспондера образуют трансформатор. Во время процесса считывания катушка индуктирует энергию в транспондер. Транспондер заряжает поле и создает модулированный амплитудный сигнал с данными с манчестерским кодом. Этот заряд поля демодулируется внутри иммобилизирующей системы.
Иммобилизирующая система содержит средства привода катушки для прямого соединения тороидальной катушки.

Блок управления иммобилизирующей системы

Функция иммобилизирующей системы делится между ICU и ЕСМ.
Задачи электронного блока управления иммобилизирующей системы (ICU) следующие:
VIN-код вычисляется иммобилизирующей системой с помощью случайного генератора.
VIN-код передается с иммобилизирующей системы при передаче разрешающего сообщения только в случае использования действующего ключа. Без действующего ключа нельзя получить VIN-код системы. В случае, если внутреннее состояние ЕСМ находится в первичном или нейтральном режиме, ЕСМ автоматическим распознает VIN-код после получения разрешающего сообщения.
Чтобы получить синхронизированную иммобилизирующую систему (одинаковый VIN-код в иммобилизирующей системе и ЕСМ, действующий ключ), для разрешения ключей (первая кодировка ключа) должно использоваться контрольное оборудование DLC. Доступ к использованию этого контрольного оборудования имеют только уполномоченные лица.

Операция

В активном режиме иммобилизирующей системы (двигатель выкл., ключ зажигания выключен) дисплей состояния мерцает как в режиме А. Когда зажигание включается, система пробуждается и пытается считать данные с транспондера.
В случае обнаружения действующего ключа появляется сообщение и возникает связь с ЕСМ, Дисплей состояния показывает состояние иммобилизирующей системы "действующий ключ".
После выключения зажигания (обнаружение выключения зажигания аналогично обнаружению выключения ЕСМ зажигания) иммобилизирующая система переходит в активный режим. Дисплей состояния мерцает как в режиме А.

Режим разъема линии передачи данных - dlc

Когда зажигание включено, диагностический прибор может переключить блок управления иммобилизирующей системы в режим DLC для диагностики, кодировки ключа и кодировки идентификационного номера.

Обработка идентификационного кода

В EEPROM иммобилизирующей системы хранится один из VIN-кодов 65, 535.
VIN-код можно стереть с помощью команды диагностического прибора "Переустановить VIN-код" .
Когда блок управления иммобилизирующей системы высчитывает новый VIN-код, нужно переустановить VIN-код ЕСМ идентично коду блока управления иммобилизирующей системы.
Во время диагностических процедур VIN-код можно прочитать для сравнения с VIN-кодом ECM с помощью команды "Прочитать VIN-код блока управления иммобилизирующей системы".

Канал последовательной передачи данных

Последовательно передаваемые данные могут передаваться между диагностическим прибором и ЕСМ и блоком управления иммобилизирующей системы.

J6B19T04
Показать иллюстрациюПеревод текста в иллюстрациях


Электронный блок управления - ЕСМ

Если полученный код неверный, то автомобиль блокируется.
  1. После получения ответного сообщения, включая информацию "ICU в режиме опознавания" и правильного системного VIN-кода
  2. > ЕСМ входит в разрешающее состояние, которое позволяет продолжать работу двигателя.
  3. После получения ответного сообщения, включая информацию "ICU в режиме опознавания" и неверного системного VIN-кода
  4. > ЕСМ не направляет новый запрос и входит в состояние блокировки, что приводит к активизации иммобилизирующих действий двигателя.
  5. Если ЕСМ не получает ответного сообщения в течение определенного времени с начала периода разрешения или если ЕСМ получает сообщение с ответом, не дающим разрешения,
  6. > , то ЕСМ входит в состояние блокировки, что приводит к активизации иммобилизирующих действий двигателя.

Индикатор безопасности

На панели приборов есть индикатор безопасности.

Дисплей состояния

Наружный дисплей отображает информацию о состоянии иммобилизирующей системы. Иммобилизирующая система содержит средства привода дисплея для прямого соединения одного дисплея.

Режимы дисплея состояния

Дисплей состояния
Состояние иммобилизирующей системы
Обратите внимание:
off (ВЫКЛ.)
Активный
- Зажигание в положении off
Мерцает
Активный
- Обнаружен недействительный ключ
- Зажигание в положении on
off (ВЫКЛ.)
Неактивный
- Обнаружен действующий ключ
- Зажигание в положении on
Мерцает
Активный
- vin-код различается между icu и ЕСМ в режиме опознавания
- Зажигание в положении on
on (ВКЛ.)
Активный
- Ошибка транспондера при считывании
- Зажигание в положении on
Мерцает
Активный
- Ошибка специализированной интегральной микросхемы возбудителя считывающего устройства
- Зажигание в положении on


На предыдущую страницу На следующую страницу
https://vnx.su/ 🛠 Руководства по ремонту и эксплуатации для автомобилей

Поиск по сайту

Остались вопросы или пожелания? Пишите на почту: support@vnx.su

Карта Сайта