К началу документа
Aveo
На предыдущую страницу На следующую страницу
Главная страница GMDE Загрузить нединамическое оглавление Загрузить динамическое оглавление Помощь

РАЗДЕЛ 5A

АВТОМАТИЧЕСКАЯ КПП AISIN

Внимание! Необходимо отсоединять отрицательный провод аккумулятора перед снятием или установкой любого электрического устройства, а также в тех случаях, когда возможно соприкосновение инструмента или оборудования с открытыми электрическими контактами. Отсоединение этого провода поможет избежать несчастного случая, а также повреждения автомобиля. Необходимо также, чтобы зажигание находилось в положении LOCK, если не будет требоваться иное.

ТЕХНИЧЕСКИЕ ХАРАКТЕРИСТИКИ

Общие технические характеристики

.
Определение
1,4 л с двумя распредвалами верхнего расположения
Тип рабочей жидкости КПП
esso jws 3309 или total-isu fluid iii g
Объём жидкости для коробки передач
5,87 ± 0,2 л (6,20 ± 0,2 кварты)

Передаточное число коробки передач с главной передачей в сборе

Передача
Отношение
1,4 л с двумя распредвалами верхнего расположения
Первая
2,875
Вторая
1,568
Третья
1,000
Четвёртая
0,697
Задняя
2,300
Промежуточная
1,023
Главная передача
4,052

Объем жидкости

.
Объем
1,4 л с двумя распредвалами верхнего расположения
Рабочая жидкость КПП (заправка сухой коробки)
5,87 ± 0,2 л (6,20 ± 0,2 кварты)
Рабочая жидкость КПП (слив и заправка)
2,1 л (2,2 кварты)

Примечание: Заправочный объем жидкости (при сливе и заправке) может изменяться в зависимости от ситуации, поэтому обязательно следует проверять уровень жидкости щупом.

Давление в линиях гидропривода

Параметры
Холостой ход
Двигатель заглушен
В диапазоне "D"
3,9-4,2 кг/см² (55-60 фунтов/дюйм²)
11,3-12,5 кг/см² (161-178 фунтов/дюйм²)
В диапазоне "R"
6,0-6,9 кг/см² (85-98 фунтов/дюйм²)
16,2-18,6 кг/см² (230-265 фунтов/дюйм²)

Моменты затяжки резьбовых соединений

Параметры
Н•м
Фунт-фут
Фунтов на дюйм
Сливная пробка
17
13
-
Регулировочная гайка троса привода
8
-
71
Крепежные болты рычага переключения передач в сборе
8
-
71
Гайка вала клапана выбора диапазона
12
-
106
Болты переключателя диапазонов коробки передач
5,4
-
48
Болт крепления датчика скорости первичного вала
5,4
-
48
Болт крепления датчика скорости вторичного вала
7,4
-
65
Болты крепления контроллера КПП
5
-
44
Гайка впускной трубки жидкостного радиатора
35
26
-
Болт хомута впускной трубки жидкостного радиатора
9
-
80
Болт патрубка впускной трубы
35
26
-
Гайка выпускной трубки жидкостного радиатора
35
26
-
Болт хомута выпускной трубки жидкостного радиатора
9
-
80
Болт патрубка выпускной трубы
35
26
-
Болт крепления впускной и выпускной трубки
9
-
80
Нижние болты крепления КПП к двигателю (a)
75
55
-
Нижние болты крепления КПП к двигателю (b)
20
15
-
Нижние болты крепления КПП к двигателю (c)
30
22
-
Верхние болты крепления КПП к двигателю
75
55
-
Болты верхнего кронштейна подвески КПП
60
44
-
Болты заднего кронштейна подвески
60
44
-
Соединительная гайка и болт демпфирующего блока
85
63
-
Болты гидротрансформатора
45
43
-
Резьбовые заглушки
7,4
-
65
Болт кронштейна трубок КПП
5,4
-
48
Болты фиксирующей пластины масляного бачка
5.4
-
48
Болт пластины картера КПП
9,8
-
87
Болты передней крышки картера КПП
29
22
-
Болт пружины ручной блокировки
9,8
-
87
Болты кронштейна собачки парковочной блокировки
7,4
-
65
Гайки эпициклического колеса планетарной передачи (Стандарт)
9,8
-
87
Гайки эпициклического колеса планетарной передачи (Максимум)
29
22
-
Болты задней крышки КПП
25
18
-
Болты масляного насоса
25
18
-
Болты корпуса клапана
11
-
97
Болты масляного фильтра
9,8
-
87
Болты масляного поддона
7
-
62
Патрубки
25
18
-
Болты вала ротора
25
18
-
Болты электромагнитных клапанов переключения
11
-
97
Болты крепления зубчатого венца дифференциала к корпусу дифференциала
102
75
-

СПЕЦИАЛЬНЫЕ ИНСТРУМЕНТЫ

Таблица специальных инструментов


DW260021
Показать иллюстрациюПеревод текста в иллюстрациях


dw260-021-02
(81-40 le)
Приспособление для ремонта автоматической коробки передач с главной передачей в сборе

DW240020
Показать иллюстрациюПеревод текста в иллюстрациях


dw240-020
Съемник пружины тормоза/муфты

DW240030
Показать иллюстрациюПеревод текста в иллюстрациях


dw240-030
Адаптер муфты переднего хода

DW240040
Показать иллюстрациюПеревод текста в иллюстрациях


dw240-040
Адаптер муфты включения прямой передачи

DW240050
Показать иллюстрациюПеревод текста в иллюстрациях


dw240-050
Адаптер тормоза повышающей передачи

DW24006A
Показать иллюстрациюПеревод текста в иллюстрациях


dw240-060-01
Болт/гайка съемника пружины тормоза

DW24006B
Показать иллюстрациюПеревод текста в иллюстрациях


dw240-060-02
Пластина съемника пружины тормоза

DW240070
Показать иллюстрациюПеревод текста в иллюстрациях


dw240-070
Адаптер тормоза 1-ой передачи/заднего хода

DW240080
Показать иллюстрациюПеревод текста в иллюстрациях


dw240-080
Адаптер тормоза 2-ой передачи

DW240090
Показать иллюстрациюПеревод текста в иллюстрациях


dw240-090
Приспособление для демонтажа венцовой шестерни планетарной передачи

DW240100
Показать иллюстрациюПеревод текста в иллюстрациях


dw240-100
Адаптер для установки промежуточной передачи

DW260041
Показать иллюстрациюПеревод текста в иллюстрациях


dw260-041
Ключ для демонтажа/установки гайки венцовой шестерни планетарной передачи (52 мм)

DW26003A
Показать иллюстрациюПеревод текста в иллюстрациях


dw260-031-01
Приспособление для установки сальника корпуса коробки передач с главной передачей в сборе

DW26003B
Показать иллюстрациюПеревод текста в иллюстрациях


dw260-031-02
Приспособление для установки сальника картера коробки передач с главной передачей в сборе

DW240120
Показать иллюстрациюПеревод текста в иллюстрациях


dw240-120
Измерительная клемма

DW240130
Показать иллюстрациюПеревод текста в иллюстрациях


dw240-130
Адаптер натяга дифференциала

DW260012
Показать иллюстрациюПеревод текста в иллюстрациях


dw260-012 (81-40 le)
Зажимное приспособление для коробки передач с главной передачей в сборе

DW240140
Показать иллюстрациюПеревод текста в иллюстрациях


dw240-140
Адаптер наружного кольца бокового подшипника картера коробки передач с главной передачей в сборе

DW240150
Показать иллюстрациюПеревод текста в иллюстрациях


dw240-150
Адаптер наружного кольца бокового подшипника картера коробки передач с главной передачей в сборе

DW240160
Показать иллюстрациюПеревод текста в иллюстрациях


dw240-160
Адаптер наружного кольца конического роликового подшипника картера коробки передач с главной передачей в сборе

DW240170
Показать иллюстрациюПеревод текста в иллюстрациях


dw240-170
Ручка адаптера

ПРИНЦИПИАЛЬНЫЕ СХЕМЫ

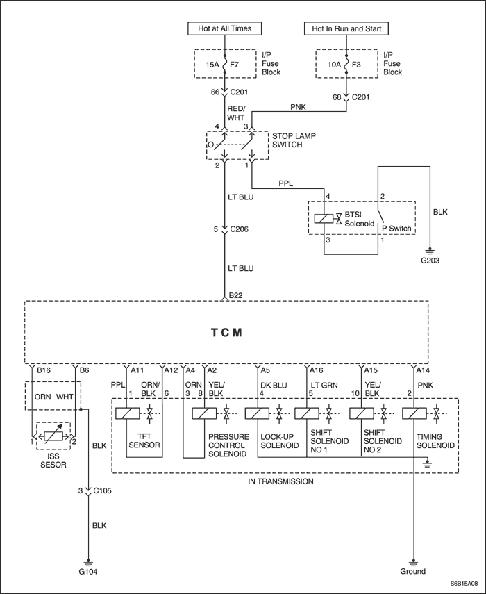
Контроллер КПП (1 из 4)


S6B15A06
Показать иллюстрациюПеревод текста в иллюстрациях


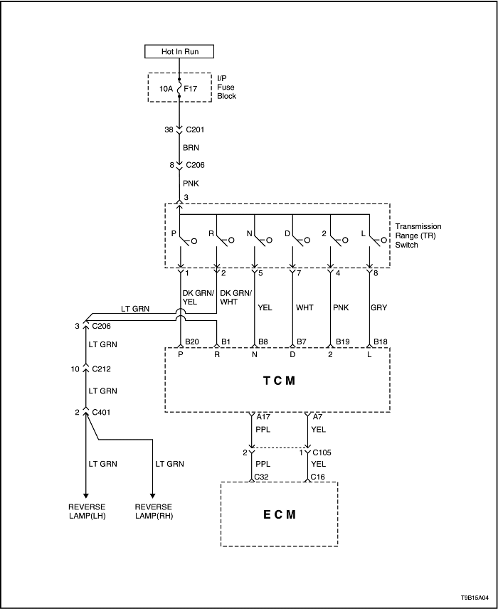
Контроллер КПП (2 из 4)


T9B15A04
Показать иллюстрациюПеревод текста в иллюстрациях


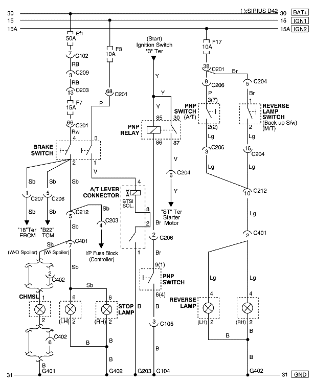
Контроллер КПП (3 из 4)


S6B15A08
Показать иллюстрациюПеревод текста в иллюстрациях


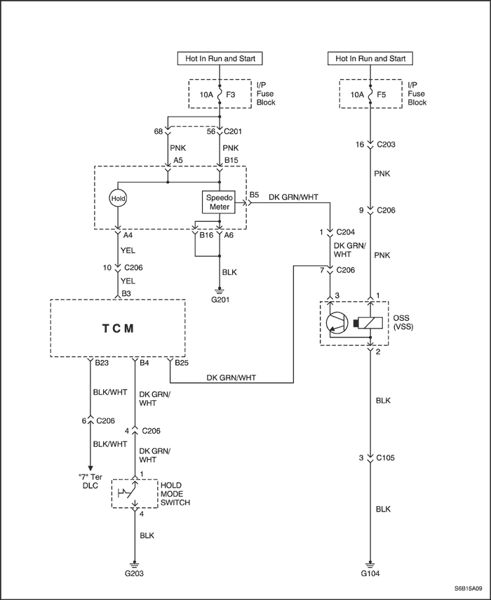
Контроллер КПП (4 из 4)


S6B15A09
Показать иллюстрациюПеревод текста в иллюстрациях


Управление блокировкой переключения


S8B15A01
Показать иллюстрациюПеревод текста в иллюстрациях


обороты при переключении

обороты при переключении:

Переключение @ положение дроссельной заслонки
км/час
миль/час
1,4d
1,4d
1-2 @ 15
16
10
2-3 @ 15
30
19
3-4 @ 15
46
29
4-3 @ 15
30
19
3-2 @ 15
11
7
2-1 @ 15
11
7
1-2 @ 25
19
12
2-3 @ 25
39
24
3-4 @ 25
58
36
4-3 @ 25
39
24
3-2 @ 25
17
11
2-1 @ 25
11
7


На предыдущую страницу На следующую страницу
https://vnx.su/ 🛠 Руководства по ремонту и эксплуатации для автомобилей

Поиск по сайту

Остались вопросы или пожелания? Пишите на почту: support@vnx.su

Карта Сайта