К началу документа
Aveo
На предыдущую страницу На следующую страницу
Главная страница GMDE Загрузить нединамическое оглавление Загрузить динамическое оглавление Помощь

РАЗДЕЛ 4A

ГИДРАВЛИЧЕСКАЯ ТОРМОЗНАЯ СИСТЕМА

Внимание! Отключите отрицательный кабель батаре перед снятием или установкой любых электрических узлов или при возможном контакте инструментов или оборудования с оголенными электрическими клеммами. Отключение кабеля поможет избежать травм и механических поврежений. Зажигание должно быть заблокировано, если не указано иное.

ТЕХНИЧЕСКИЕ ХАРАКТЕРИСТИКИ

Общие технические характеристики

ПРОГРАММА
МИЛЛИМЕТРЫ
ДЮЙМЫ
Тормозной барабан:
.
.
Внутренний диаметр
200,00
7,87
Максимальный допустимый диаметр после расточки
201,00
7,91
Овальность
0,04
0,001
Тормозные диски:
.
.
Минимально допустимая толщина
18,00 (22*)
0,71 (0,86*)
Боковое биение (в установленном состоянии)
0,06
0,002
Диаметр тормозного диска
236,00 (256*)
9,29 (10,08*)
Толщина тормозного диска (нового)
20,00 (24*)
0,79 (0,94*)
Колебание толщины
0,1
0,004
Главный цилиндр:
.
.
Внутренний диаметр
22,22
0,87
Минимальный допустимый внутренний диаметр
20,64
0,81
Суппорт
.
.
Минимальный допустимый диаметр поршня
52 (54*)
2,05 (2,12*)
Диаметр колесного цилиндра:
.
.
Спереди
52 (54*)
2,05 (2,12*)
Сзади
20,64
0,81
* : Опция (высокогорные условия или двигатель 1,6 л с двумя распределительными валами, расположенными сверху)

Моменты затяжки резьбовых соединений

ПРОГРАММА
Н•м
lb-ft
lb-in
Болт крепления переднего тормозного шланга к суппорту
40
30
354
Штуцер прокачки гидропривода
9
7
80
Болт крепления суппорта
100
74
885
Винты крепления ступицы к диску
4,5
3,3
40
Винты крепления пылезащитного кожуха
4,5
3,3
40
Трубопроводы тормозной системы
16
12
142
Винты крепления панели облицовки
7
-
62
Гайка крепления педали тормоза к кронштейну
22
16
-

РАСПОЛОЖЕНИЕ КОМПОНЕНТОВ

Тормозная система (АБС


T3B14A01
Показать иллюстрациюПеревод текста в иллюстрациях


  1. Крышка бачка для тормозной жидкости
  2. Бачок для тормозной жидкости
  3. ГЛАВНЫЙ ЦИЛИНДР
  4. Усилитель тормозов
  5. Гайка усилителя тормозов
  6. Болт педали
  7. Педаль
  8. Гайка педали
  9. Пружина
  10. Накладка педали тормоза
  11. Кронштейн педали тормоза в сборе
  12. Выключатель стоп-сигнала.
  13. Трубка переднего тормоза
  14. Тормозная трубка заднего колеса
  15. Тормозной шланг переднего колеса
  16. Тормозной шланг заднего колеса
  17. Стопорная скоба
  18. Полый болт
  19. Узел АБС

Тормозная система (без АБС


T3B14A02
Показать иллюстрациюПеревод текста в иллюстрациях


  1. Крышка бачка для тормозной жидкости
  2. Бачок для тормозной жидкости
  3. ГЛАВНЫЙ ЦИЛИНДР
  4. Усилитель тормозов
  5. Гайка усилителя тормозов
  6. Болт педали
  7. Педаль
  8. Гайка педали
  9. Пружина
  10. Накладка педали тормоза
  11. Кронштейн педали тормоза в сборе
  12. Выключатель стоп-сигнала.
  13. Трубка переднего тормоза
  14. Тормозная трубка заднего колеса
  15. Тормозной шланг переднего колеса
  16. Тормозной шланг заднего колеса
  17. Стопорная скоба
  18. Полый болт

ДИАГНОСТИКА

Проверка тормозной системы

Проверка эффективности тормозной системы должна проводиться на ровном, сухом и чистом участке дороги без выбоин. Проверка не будет по-настоящему эффективной, если покрытие на выбранном участке дороги мокрое, замаслено или покрыто гравием, т. к. в этом случае сцепление шин разных колес с дорогой не будет одинаковым. Наличие неровностей также может оказать отрицательное влияние на проведение испытания, т. к. вес автомобиля будет резко перераспределяться по колесам, вызывая их подпрыгивание.
Испытание тормозной системы необходимо проводить на разных скоростях, прилагая разные усилия на педаль, при этом, однако, следует избегать блокировки колес. Блокировка колес и переход в юз не свидетельствуют об эффективности тормозной системы, т.к. при заблокированных колесах тормозной путь будет длиннее. Сцепление шины с дорогой будет сильнее, когда к колесу прилагается максимальное тормозное усилие без блокировки, а не при скольжении шины по дорожному покрытию.
При более резком торможении может потребоваться большее усилие на педали.
На эффективность торможения оказывают влияние три основных внешних фактора:
Для проверки утечки тормозной жидкости нажмите и удерживайте педаль тормоза при работающем на холостом ходу двигателе и рычаге переключения передач, находящемся в нейтральном положении (NEUTRAL). Если при этом педаль постепенно проваливается, то это указывает на возможную утечку в системе гидропривода тормозов. Осмотрите систему, чтобы убедиться в отсутствии или наличии утечек.
Проверьте уровень жидкости в главном цилиндре. Незначительное снижение уровня жидкости в бачке может быть связано с износом накладок колодок тормозных механизмов. Значительное снижение уровня указывает на наличие утечек в системе. Утечки в системе гидропривода могут быть внутренними или внешними. Процедура проверки главного цилиндра приведена ниже. При проведении этой проверки незначительные утечки могут быть не обнаружены. Если уровень жидкости в норме, проверьте длину толкателя вакуумного усилителя. При необходимости отрегулируйте длину толкателя или замените его.
Проверьте работоспособность главного цилиндра следующим образом:
Использование нестандартной тормозной жидкости, наличие в ней минерального масла или воды может привести к закипанию тормозной жидкости или повреждению резиновых уплотнителей. Набухание тарелок главного поршня свидетельствует о повреждении резиновых уплотнителей. В системах с барабанным тормозом на это также может указывать набухание уплотнительных колец поршня колесного цилиндра.
При наличии явных признаков повреждения резиновых элементов следует разобрать систему гидропривода и промыть все детали спиртом. Перед сборкой высушите детали струей сжатого воздуха, чтобы не допустить попадания спирта в систему. Замените все резиновые элементы, включая шланги. Кроме того, при работе с тормозным механизмом следует убедиться в отсутствии жидкости на тормозных накладках. При обнаружении жидкости следует заменить накладки.
Если прокладки поршня главного цилиндра в норме, проверьте систему на наличие утечек или перегрева. Если утечки и перегрев не обнаружены, слейте тормозную жидкость, промойте ей главный цилиндр и снова залейте жидкость в цилиндр. Затем прокачайте тормозную систему, чтобы удалить из нее воздух. См. процедуру "Прокачка тормозной системы вручную" в этом разделе.

Осмотр тормозного шланга

Проверку состояния шлангов гидравлической тормозной системы необходимо проводить не реже двух раз в год. Шланги следует проверять на отсутствие повреждений щебнем или гравием, отсутствие трещин, потертостей внешней оболочки шланга или вздутий, а также на разгерметизацию. Убедитесь в правильности прокладки и крепления шлангов. Если шланг задевает за элементы подвески автомобиля, со временем это приведет к его истиранию и выходу из строя. Для проведения проверки вам потребуется переносная лампа и зеркало. При обнаружении любого из вышеперечисленных дефектов следует устранить его или заменить шланг.

Работа контрольной лампы

В данной системе используется контрольная лампа тормоза, расположенная в комбинации приборов. Если замок зажигания находится в положении START, то контрольная лампа тормоза загорается, а затем снова гаснет при переводе ключа в положение RUN.
Контрольная лампа загорается в следующих случаях:

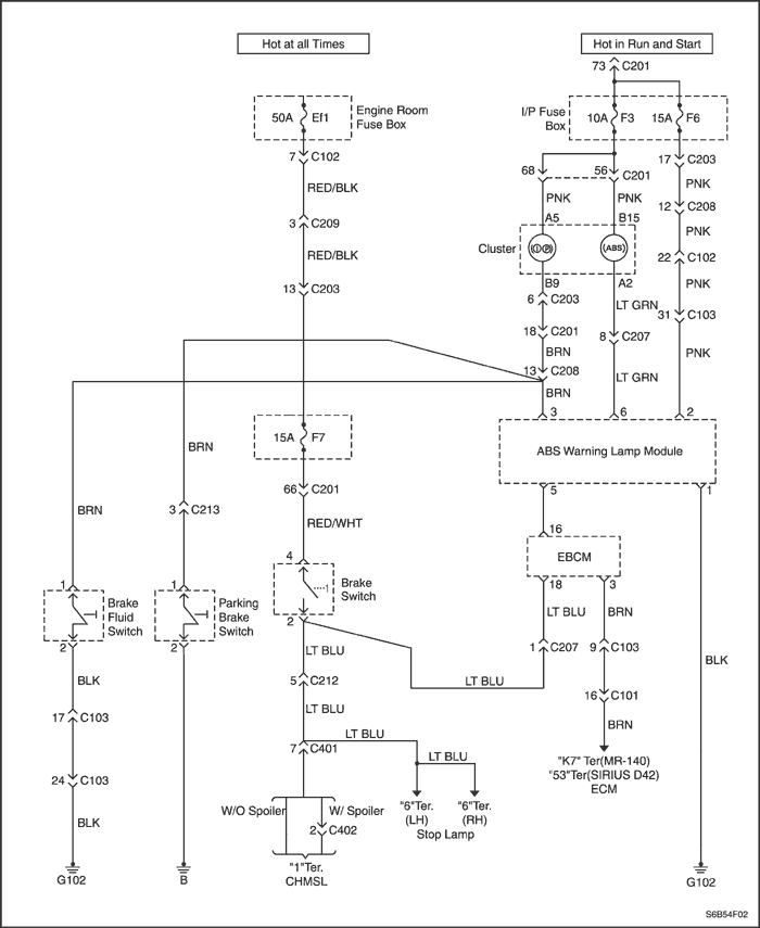
Диагностика электрических цепей контрольной лампы тормоза


S6B54F02
Показать иллюстрациюПеревод текста в иллюстрациях


Описание проверки

Последовательность соответствует шагам, указанным в диагностической таблице.
  1. Возможны следующие три признака неисправности: контрольная лампа тормоза горит постоянно; контрольная лампа тормоза не включается; контрольная лампа тормоза не включается при выполнении какой-либо операции. С помощью этой проверки вы определяете исходный пункт для выполнения дальнейшей процедуры.
  2. Эта проверка показывает, включила ли антиблокировочная тормозная система (АБС) контрольную лампу тормоза. Если автомобиль не оборудован АБС, то ответом будет НЕТ.
  3. Эти проверки показывают, выполняются ли простейшие условия включения контрольной лампы тормоза.
  4. Это проверка исправности датчика уровня тормозной жидкости.
  5. Это проверка исправности выключателя контрольной лампы стояночного тормоза.
  6. Отключение электрической цепи, идущей к контроллеру тормозной системы (EBCM) на автомобилях, оборудованных АБС.
  7. Отключение электрической цепи выключателя контрольной лампы стояночного тормоза.
  8. Отключение электрической цепи датчика уровня тормозной жидкости.
  9. Это проверка единственной оставшейся электрической цепи включения контрольной лампы тормоза.
  10. Это проверка напряжения, подаваемого от аккумулятора на контрольные лампы тормоза и давления масла.
  11. Это первый шаг при восстановлении подачи напряжения на лампы.
  12. Проверяется, не перегорела ли контрольная лампа.
  13. Это первый шаг при поиске обрыва, препятствующего контакту с "массой", необходимому для работы лампы.
  14. Проверяется, пыталась ли АБС включить контрольную лампу тормоза, которая осталась не включенной. Если автомобиль не оборудован АБС, то ответом будет НЕТ.
  15. Это первый шаг в последовательности действий по поиску неисправности в электрической цепи выключателя контрольной лампы стояночного тормоза.
  16. Это первый шаг в последовательности действий по поиску неисправности в электрической цепи датчика уровня тормозной жидкости.

Диагностика электрических цепей контрольной лампы тормоза

Шаг Операция Значения Да Нет
1
Включите зажигание.
Контрольная лампа тормоза горит постоянно?
-
Перейти к операции 2
Перейти к операции 19
2
Проверьте контрольную лампу АБС.
Контрольная лампа АБС включена?
-
Перейти к операции 3
Перейти к операции 3
3
Используйте диагностический прибор, чтобы проверить наличие кодов неисправностей. Следуйте инструкциям для обнаруженного кода.
Лампа продолжает гореть?
-
Перейти к операции 4
Система в норме
4
Полностью отпустите рычаг стояночного тормоза.
Лампа выключена?
-
Система в норме
Перейти к операции 5
5
Проверьте уровень тормозной жидкости.
В норме ли уровень жидкости?
-
Перейти к операции 7
Перейти к операции 6
6
  1. Залить в бачок чистую тормозную жидкость (dot-4 или ее эквивалент).
  2. Закрутить крышку бачка.
Лампа продолжает гореть?
-
Перейти к операции 7
Система в норме
7
Отсоединить разъем жгута проводов от датчика тормозной жидкости.
Лампа продолжает гореть?
-
Перейти к операции 9
Перейти к операции 8
8
Заменить выключатель контрольной лампы стояночного тормоза.
Закончен ли ремонт?
-
Система в норме
-
9
  1. Подключить датчик уровня тормозной жидкости.
  2. Снять задний кожух консоли, чтобы открыть механизм стояночного тормоза.
  3. Полностью отпустить рычаг стояночного тормоза.
  4. Отсоединить от датчика провод brn (коричневый) жгута проводов.
Погасла ли лампа?
-
Перейти к операции 10
Перейти к операции 11
10
Заменить датчик.
Закончен ли ремонт?
-
Система в норме
-
11
Подсоединить провод к датчику.
Автомобиль оборудован АБС?
-
Перейти к операции 12
Перейти к операции 14
12
Отсоединить разъем c207.
Погасла ли лампа?
-
Перейти к операции 13
Перейти к операции 14
13
Устранить замыкание на массу в цепи brn (коричневый провод) между контактом 1 разъема c207 и контактом 18 на ebcm.
Закончен ли ремонт?
-
Система в норме
-
14
Отсоединить разъем c212.
Лампа продолжает гореть?
-
Перейти к операции 16
Перейти к операции 15
15
Устранить замыкание на массу в цепи brn (коричневый провод) между разъемом c212 и разъемом c207 или между разъемом c213 и выключателем стояночного тормоза.
Закончен ли ремонт?
-
Система в норме
-
16
Отсоединить разъем c201.
Погасла ли лампа?
-
Перейти к операции 17
Перейти к операции 18
17
Устранить замыкание на "массу" в цепи BRN (коричневый провод) между разъемом C201 и датчиком уровня тормозной жидкости.
Закончен ли ремонт?
-
Система в норме
-
18
Устранить замыкание на массу в цепи brn (коричневый провод) между контактом А5 комбинации приборов и разъемом c201 или разъемом c213,
Закончен ли ремонт?
-
Система в норме
-
19
Проверьте работу контрольной лампы тормоза, выполняя следующие действия:
  • Включите стояночный тормоз.
  • Снимите крышку бачка тормозной жидкости.
  • С помощью диагностического прибора подать команду на включение лампы.
Контрольная лампа тормоза включается при выполнении какого-либо из вышеперечисленных действий?
-
Перейти к операции 32
Перейти к операции 20
20
Включите зажигание.
Горит ли контрольная лампа давления масла?
-
Перейти к операции 24
Перейти к операции 21
21
Проверить предохранитель 3.
Исправен ли плавкий предохранитель?
-
Перейти к операции 23
Перейти к операции 22
22
Заменить предохранитель 3 на другой, рассчитанный на ток 10 А.
Работает ли теперь контрольная лампа тормоза?
-
Система в норме
-
23
Проверить ef1 в блоке предохранителей двигателя.
Исправен ли ef1?
-
Перейти к операции 25
Перейти к операции 24
24
Заменить предохранитель ef1 на другой, рассчитанный на ток 30 А.
Закончен ли ремонт?
-
Система в норме
-
25
  1. Отсоединить С206 от соединительной коробки, находящейся за левой кик-панелью. Этот разъем - самый большой и находится в нижней части коробки.
  2. Измерить с помощью цифрового вольтметра напряжение на контакте А5 комбинации приборов.
Показывает ли цифровой вольтметр требуемое напряжение?
11-14 В
Перейти к операции 27
Перейти к операции 26
26
Устранить обрыв в цепи pnk (розовый провод), идущей от контакта А5 в соединительной коробке на предохранитель 3 в блоке предохранителей приборной панели.
Закончен ли ремонт?
-
Система в норме
-
27
  1. Подключить контакт А5 жгута проводов к соединительной коробке.
  2. Подготовить комбинацию приборов для доступа к ней сзади.
  3. Отсоединить 10-штырьковый разъем комбинации приборов.
  4. Измерить с помощью цифрового вольтметра напряжение между контактом В9 разъема комбинации приборов и массой.
Показывает ли цифровой вольтметр требуемое напряжение?
11-14 В
Перейдите к Шагу 28
Перейдите к Шагу 29
28
Устранить обрыв в цепи pnk (розовый провод) между контактами В9 и А5 или в цепи brn (коричневый провод), идущей от указанных контактов к контакту 18 разъема c201.
Закончен ли ремонт?
-
Система в норме
-
29
Извлечь контрольную лампу тормоза из патрона и осмотреть ее.
Лампа перегорела?
-
Перейдите к Шагу 30
Перейдите к Шагу 31
30
Заменить контрольную лампу тормоза.
Закончен ли ремонт?
-
Система в норме
-
31
  1. Вставить контрольную лампу тормоза в патрон на приборной панели.
  2. Проверить, нет ли обрыва в цепи brn (коричневый провод) между контактом А5 комбинации приборов и контактом 18 разъема c201.
  3. Устранить обрыв, обнаруженный в цепи brn (коричневый провод).
Закончен ли ремонт?
-
Система в норме
-
32
Проверить контрольную лампу АБС.
Лампа АБС мигает?
-
Перейдите к Шагу 33
Перейдите к Шагу 34
33
Использовать диагностический прибор, чтобы определить, какие имеются коды неисправностей и устранить неисправности в соответствии с инструкциями, предусмотренными для этих кодов.
Закончен ли ремонт?
-
Система в норме
-
34
Полностью включить стояночный тормоз.
Контрольная лампа стояночного тормоза не горит при включенном стояночном тормозе?
-
Перейдите к Шагу 35
Перейти к операции 38
35
  1. Открыть механизм стояночного тормоза, сняв задний кожух консоли. Использовать соединительный провод, чтобы замкнуть контакт
  2. провода brn (коричневый провод) на "массу".
Горит ли лампа?
-
Перейти к операции 36
Перейти к операции 37
36
Заменить выключатель контрольной лампы стояночного тормоза или восстановить контакт контрольной лампы стояночного тормоза с "массой" через крепление рычага стояночного тормоза или контакт крепления рычага стояночного тормоза с кузовом автомобиля.
Закончен ли ремонт?
-
Система в норме
-
37
Устранить обрыв в цепи brn (коричневый провод). Обрыв может находиться в одном из двух мест:
  • Жгут проводов приборной панели между контактом В9 комбинации приборов и контактом 3 разъема c213.
  • Жгут проводов, проложенный на полу салона, между контактом 3 разъема c213 и выключателем стояночного тормоза.
Закончен ли ремонт?
-
Система в норме
-
38
Если контрольная лампа тормоза не сигнализирует о низком уровне тормозной жидкости, то снять крышку бачка тормозной жидкости, чтобы извлечь из жидкости датчик уровня.
Горит ли лампа?
-
Система в норме
Перейти к операции 39
39
  1. Отсоединить разъем жгута проводов от датчика на крышке бачка тормозной жидкости.
  2. Использовать соединительный провод, чтобы замкнуть контакты разъема жгута проводов.
Горит ли лампа?
-
Перейти к операции 40
Перейти к операции 41
40
Установить новый датчик уровня в бачок тормозной жидкости.
Закончен ли ремонт?
-
Система в норме
-
41
Использовать соединительный провод, чтобы замкнуть на "массу" контакт 1 (коричневый провод BRN).
Горит ли лампа?
-
Перейти к операции 42
Перейти к операции 43
42
Устранить обрыв подключения к массе цепи blk (черный провод) между контактом 2 (черный провод blk) разъема жгута проводов датчика уровня и контактом массы g102 в левой передней части автомобиля.
Закончен ли ремонт?
-
Система в норме
-
43
Устранить обрыв в цепи brn (коричневый провод). Обрыв может находиться в одном из двух мест:
  • Жгут проводов приборной панели между контактом В9 комбинации приборов и контактом 18 разъема c201.
  • Передний жгут проводов между контактом 18 разъема c201 и контактом 1 разъема жгута проводов датчика уровня.
Закончен ли ремонт?
-
Система в норме
-
При снижении уровня тормозной жидкости главного цилиндра ниже допустимого уровня должна загореться контрольная лампа. Для выполнения проверки на утечку жидкости см. процедуру "Проверка тормозной системы" в этом разделе.

ТЕХНИЧЕСКОЕ ОБСЛУЖИВАНИЕ И РЕМОНТ

ТЕХНИЧЕСКОЕ ОБСЛУЖИВАНИЕ БЕЗ ДЕМОНТАЖА С АВТОМОБИЛЯ



T3B14A04
Показать иллюстрациюПеревод текста в иллюстрациях


Прокачка тормозной системы вручную; Удаление воздуха из гидропривода

    Важно: Ручная прокачка модулятора не предусмотрена. Если в гидравлический модулятор антиблокировочной тормозной системы попал воздух или если установлен незаполненный модулятор, то для удаления воздуха из тормозной системы следует использовать диагностический прибор. Запасные модуляторы поставляются заправленными и прокачанными. Воздух не будет попадать в модулятор при выполнении на автомобиле стандартных процедур технического обслуживания, затрагивающих и модулятор, например, при замене контроллера тормозной системы. В подобных случаях выполните прокачку в соответствии с инструкциями, приведенными в данном разделе.

  1. При выключенном двигателе несколько раз нажмите педаль тормоза, чтобы сравнять давление в вакуумном усилителе с атмосферным.


  2. T3B14A05
    Показать иллюстрациюПеревод текста в иллюстрациях


    Важно: Если вы предполагаете, что в главном цилиндре может быть воздух, следует его прокачать перед прокачкой колесного цилиндра или суппорта.

  3. Заполните бачок главного цилиндра тормозной жидкостью. Во время проведения прокачки главный цилиндр должен быть заполнен жидкостью не меньше, чем наполовину.


  4. T3B14A06
    Показать иллюстрациюПеревод текста в иллюстрациях


  5. Отсоедините трубки гидропривода тормозных механизмов передних колес от главного цилиндра.
  6. Заполняйте главный цилиндр жидкостью до тех пор, пока она не начнет выливаться через штуцер шлангов тормозных механизмов передних колес.
  7. Подключите трубки гидропривода тормозных механизмов передних колес к главному цилиндру.
  8. Затянуть
    Затяните соединения трубок моментом 16 Н•м (12 фунт-футов).



    T3B14A04
    Показать иллюстрациюПеревод текста в иллюстрациях


  9. Мягко выжмите педаль тормоза один раз и удерживайте ее в этом положении.


  10. T3B14A06
    Показать иллюстрациюПеревод текста в иллюстрациях


  11. Ослабить крепление трубок переднего контура к главному цилиндру, чтобы удалить весь воздух из цилиндра.
  12. Затянуть крепление трубки (см. операцию 5) и плавно отпустить педаль тормоза. Подождите 15 секунд, прежде чем переходить к следующему шагу.
  13. Повторяйте описанную процедуру с 15-секундной паузой до тех пор, пока из главного цилиндра не выйдет весь воздух.
  14. Примечание: Не допускайте попадания тормозной жидкости на лакокрасочное покрытие, т.к. это может привести к его повреждению.

  15. После того, как через передний штуцер весь воздух будет удален, повторите ту же процедуру для заднего штуцера.


  16. T3B14A07
    Показать иллюстрациюПеревод текста в иллюстрациях


  17. Наденьте на штуцер прозрачную трубку. Опустите трубку в прозрачный сосуд и погрузите ее в жидкость.


  18. T3B14A08
    Показать иллюстрациюПеревод текста в иллюстрациях


  19. Мягко выжмите педаль тормоза один раз и удерживайте ее в этом положении.
  20. Снять колпачок штуцера прокачки гидропривода и отвернуть штуцер, чтобы удалить воздух из цилиндра.
  21. Затяните штуцер прокачки.
  22. Затянуть
    Затянуть штуцер прокачки моментом 9 Н•м (80 фунт-дюйм).

  23. Плавно отпустите педаль тормоза. Выждите 15 секунд, прежде чем переходить к следующему шагу.
  24. Важно: При резком нажатии педали тормоза перемещение плавающего поршня в главном цилиндре происходит таким образом, что прокачка становится невозможной.

  25. Повторяйте описанную процедуру с 15-секундной паузой до тех пор, пока не выйдет весь воздух. Для полного удаления воздуха из системы процедуру, возможно, придется повторить 10 или более раз.
  26. Установите на место защитные колпачки переднего штуцера.


  27. T3B14A09
    Показать иллюстрациюПеревод текста в иллюстрациях


  28. Продолжайте прокачку переднего контура в необходимой последовательности, начиная с шага 12.
  29. Проверьте педаль тормоза на мягкость. Повторите процедуру прокачки сначала, чтобы устранить данный дефект.


T3B14A11
Показать иллюстрациюПеревод текста в иллюстрациях


Задний тормозной шланг

Процедура снятия

  1. Поднимите и зафиксируйте автомобиль.
  2. Отсоединить трубки тормозной системы от тормозных шлангов на кузове и на кронштейнах заднего моста.


  3. T3B14A12
    Показать иллюстрациюПеревод текста в иллюстрациях


  4. Снять обе стопорных скобы тормозного шланга.
  5. Снять тормозные шланги с кронштейнов.


T3B14A11
Показать иллюстрациюПеревод текста в иллюстрациях


Процедура установки

  1. Установить тормозные шланги на кузов и на кронштейны заднего моста.
  2. Присоединить трубки тормозной системы к тормозным шлангам.
  3. Затянуть
    Затяните соединения трубок моментом 16 Н•м (12 фунт-футов).



    T3B14A12
    Показать иллюстрациюПеревод текста в иллюстрациях


  4. Установить стопорные скобы тормозных шлангов.
  5. Опустите автомобиль.
  6. Прокачайте тормозную систему. См. процедуру "Прокачка тормозной системы вручную" в этом разделе.
  7. Проверьте тормозную систему на отсутствие утечек.


T3B14A13
Показать иллюстрациюПеревод текста в иллюстрациях


Передний тормозной шланг

Процедура снятия

  1. Поднимите и зафиксируйте автомобиль.
  2. Отсоединить трубопровод тормозной системы от кронштейна тормозного шланга на надколесной дуге.
  3. Снять стопорную скобу.


  4. T3B14A13
    Показать иллюстрациюПеревод текста в иллюстрациях


  5. Снять тормозной шланг с кронштейна на надколесной дуге.


  6. T3B14A15
    Показать иллюстрациюПеревод текста в иллюстрациях


  7. Выверните болт из суппорта.
  8. Снять уплотнительные кольца и тормозной шланг.


T3B14A15
Показать иллюстрациюПеревод текста в иллюстрациях


Процедура установки

  1. Подсоединить новый тормозной шланг к суппорту, используя новые уплотнительные кольца и болт.
  2. Затянуть
    Затянуть болт крепления переднего шланга к суппорту моментом 40 Н•м (30 фунт-футов).



    T3B14A13
    Показать иллюстрациюПеревод текста в иллюстрациях


  3. Установить тормозной шланг и стопорную скобу на кронштейн на надколесной дуге.
  4. Присоединить трубку тормозной системы к тормозному шлангу.
  5. Затянуть
    Затяните соединение трубопровода моментом 16 Н•м (12 фунт-футов).

  6. Опустите автомобиль.
  7. Прокачайте тормозную систему. См. процедуру "Прокачка тормозной системы вручную" в этом разделе.
  8. Проверьте тормозную систему на отсутствие утечек.


T3B14A16
Показать иллюстрациюПеревод текста в иллюстрациях


Выключатель стоп-сигнала

Процедура снятия

  1. Отсоедините отрицательный кабель аккумулятора.
  2. Снять винты крепления панели облицовки.
  3. Снять панель облицовки.


  4. T3B14A17
    Показать иллюстрациюПеревод текста в иллюстрациях


  5. Повернуть выключатель стоп-сигнала и разъем в сборе и извлечь из кронштейна педали тормоза.
  6. Отсоединить выключатель стоп-сигнала от разъема, чтобы заменить выключатель стоп-сигнала.


T3B14A17
Показать иллюстрациюПеревод текста в иллюстрациях


Процедура установки

  1. Установить разъем на выключатель стоп-сигнала.
  2. Повернуть выключатель стоп-сигнала и разъем в сборе и вкрутить в кронштейн педали тормоза.


  3. T3B14A16
    Показать иллюстрациюПеревод текста в иллюстрациях


  4. Нажать на педаль тормоза и выдвинуть плунжер выключателя на максимальную длину, чтобы отрегулировать выключатель.
  5. Отпустите плунжер и отпустите педаль тормоза.
  6. Установить винты крепления панели облицовки.
  7. Затянуть
    Затянуть винты крепления панели облицовки до 7 Н•м (62 фунт-дюйма).

  8. Нажать на педаль тормоза и выдвинуть плунжер выключателя на максимальную длину, чтобы отрегулировать выключатель.


T3B14A18
Показать иллюстрациюПеревод текста в иллюстрациях


Педаль тормоза

Процедура снятия

  1. Снять винты крепления панели облицовки к приборной панели.
  2. Снять панель облицовки.
  3. Снять выключатель стоп-сигнала. См. процедуру "Выключатель стоп-сигнала" в этом разделе.
  4. Снять стопорное кольцо, штифт и пружину соединения толкателя с педалью тормоза.


  5. T3B14A19
    Показать иллюстрациюПеревод текста в иллюстрациях


  6. Снять ось педали и гайку.
  7. Сняв педаль тормоза, получить доступ к толкателю усилителя тормозов и к кронштейну крепления педали к приборной панели.


  8. T3B14A20
    Показать иллюстрациюПеревод текста в иллюстрациях


  9. Снять накладку педали тормоза.


T3B14A18
Показать иллюстрациюПеревод текста в иллюстрациях


Процедура установки

  1. Установить новую накладку педали тормоза, если потребуется.
  2. Смазать ось педали пластичной смазкой.
  3. Установить педаль тормоза на кронштейн крепления педали к приборной панели и вставить ось педали.
  4. Установить на ось педали гайку.
  5. Затянуть
    Затянуть гайку крепления педали тормоза к кронштейну моментом 22 Н•м (16 фунт-футов).

  6. Установить на педаль толкатель, вставив штифт и надев стопорное кольцо.


  7. T3B14A17
    Показать иллюстрациюПеревод текста в иллюстрациях


  8. Установить пружину на ось в прежнем положении.
  9. Установить выключатель стоп-сигнала и разъем в сборе, ввернув в кронштейн педали.


  10. T3B14A16
    Показать иллюстрациюПеревод текста в иллюстрациях


  11. Установить панель облицовки, закрепив винтами.
  12. Затянуть
    Затянуть винты крепления панели облицовки до 7 Н•м (62 фунт-дюйма).

ОБЩЕЕ ОПИСАНИЕ И РАБОТА СИСТЕМЫ

Тормозная жидкость

Тормозная жидкость для главного цилиндра должна соответствовать техническим условиям DOT-4.
Используйте только чистую жидкость из герметичной емкости. Жидкость, контактирующая с воздухом, будет поглощать влагу. Вода в тормозной жидкости, находящейся в главном цилиндре, вызовет кипение последней и повреждение резиновых деталей.
Тщательно очистить крышку бачка главного цилиндра перед ее снятием. Не допускать попадания грязи в бачок тормозной жидкости.
В бачке главного цилиндра имеется датчик уровня жидкости. При снижении уровня жидкости ниже допустимого уровня должна загореться контрольная лампа. Требуемый уровень жидкости главного цилиндра указан на бачке с левой стороны. Если уровень жидкости находится ниже отметки MIN, то проверить гидравлическую тормозную систему на утечки, а затем долить в бачок жидкость до отметки MIN.


На предыдущую страницу На следующую страницу
https://vnx.su/ 🛠 Руководства по ремонту и эксплуатации для автомобилей

Поиск по сайту

Остались вопросы или пожелания? Пишите на почту: support@vnx.su

Карта Сайта