К началу документа
Aveo
На предыдущую страницу На следующую страницу
Главная страница GMDE Загрузить нединамическое оглавление Загрузить динамическое оглавление Помощь

РАЗДЕЛ

ПРИНЦИПИАЛЬНЫЕ И МОНТАЖНЫЕ СХЕМЫ

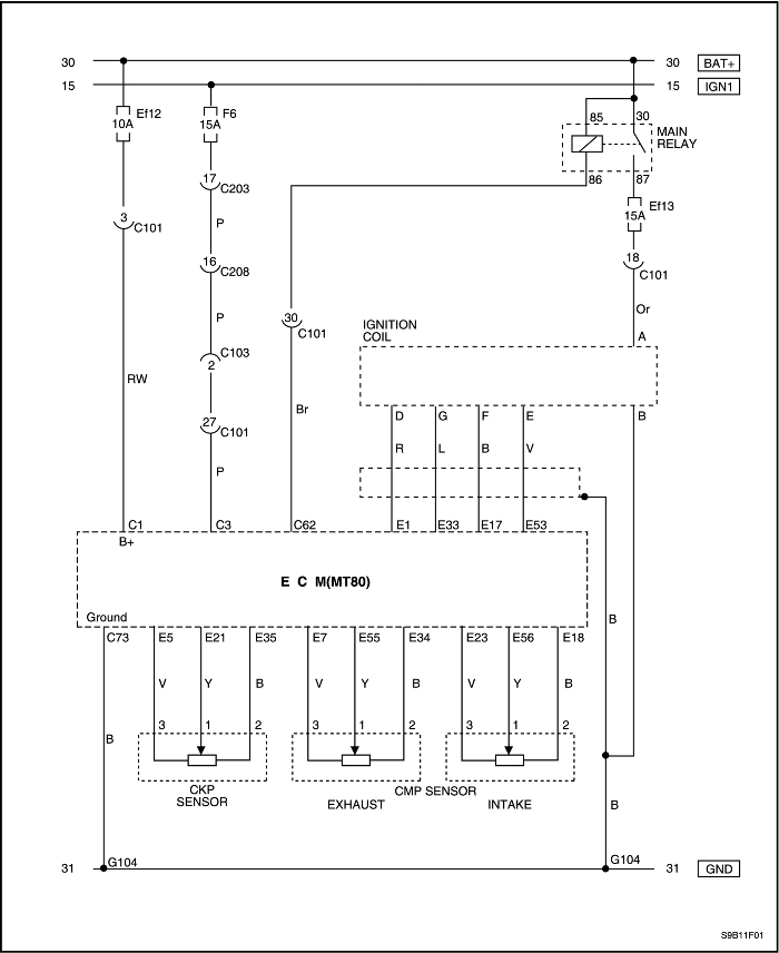
Электрическая схема контроллера системы управления двигателем - g14d mt80 - 1 из 8


S9B11F01
Показать иллюстрациюПеревод текста в иллюстрациях


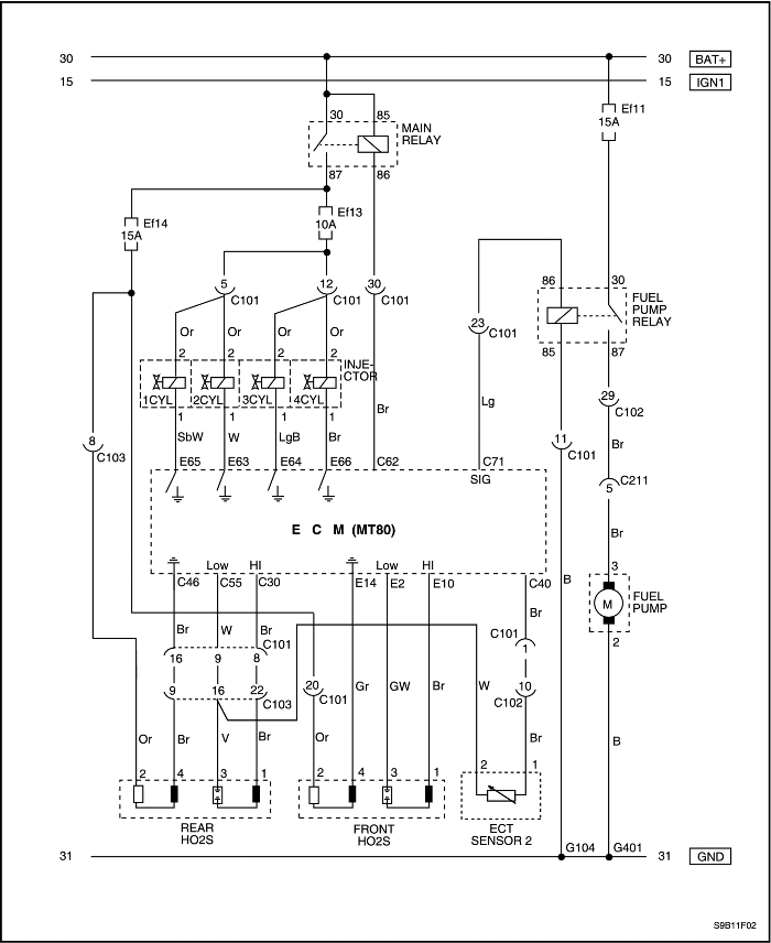
Электрическая схема контроллера системы управления двигателем - g14d mt80 - 2 из 8


S9B11F02
Показать иллюстрациюПеревод текста в иллюстрациях


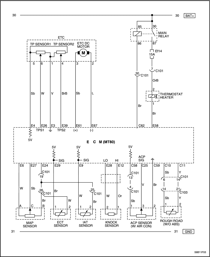
Электрическая схема контроллера системы управления двигателем - g14d mt80 - 3 из 8


S9B11F03
Показать иллюстрациюПеревод текста в иллюстрациях


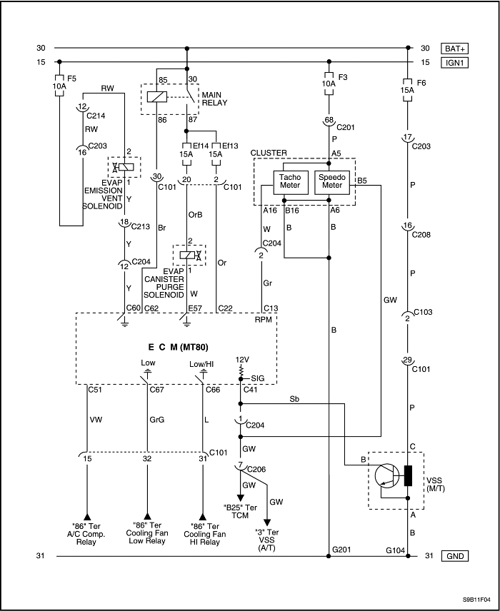
Электрическая схема контроллера системы управления двигателем - g14d mt80 - 4 из 8


S9B11F04
Показать иллюстрациюПеревод текста в иллюстрациях


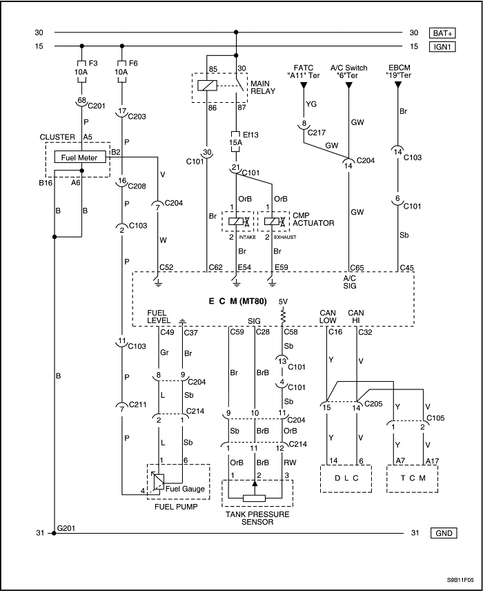
Электрическая схема контроллера системы управления двигателем - g14d mt80 - 5 из 8


S9B11F05
Показать иллюстрациюПеревод текста в иллюстрациях


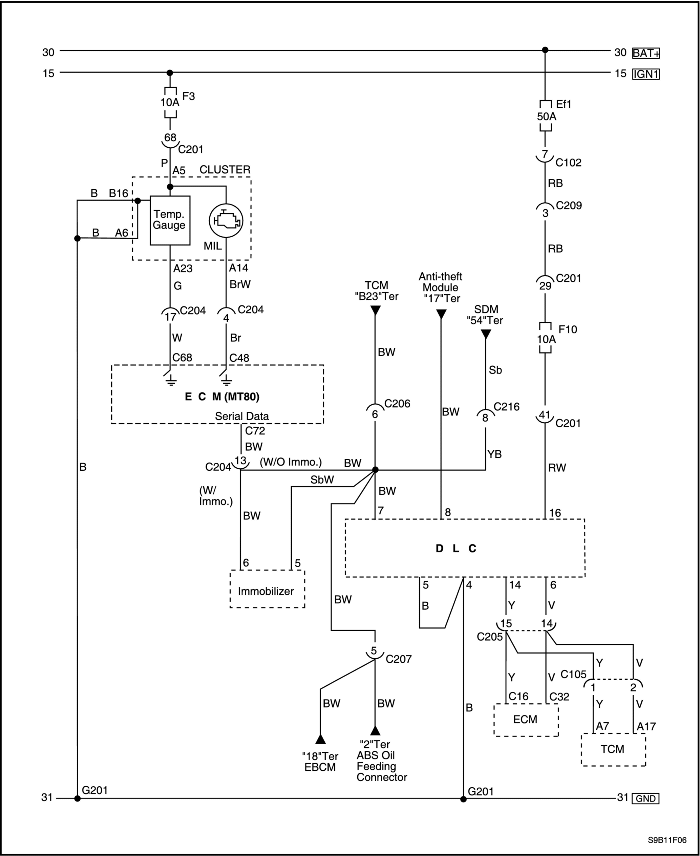
Электрическая схема контроллера системы управления двигателем - g14d mt80 - 6 из 8


S9B11F06
Показать иллюстрациюПеревод текста в иллюстрациях


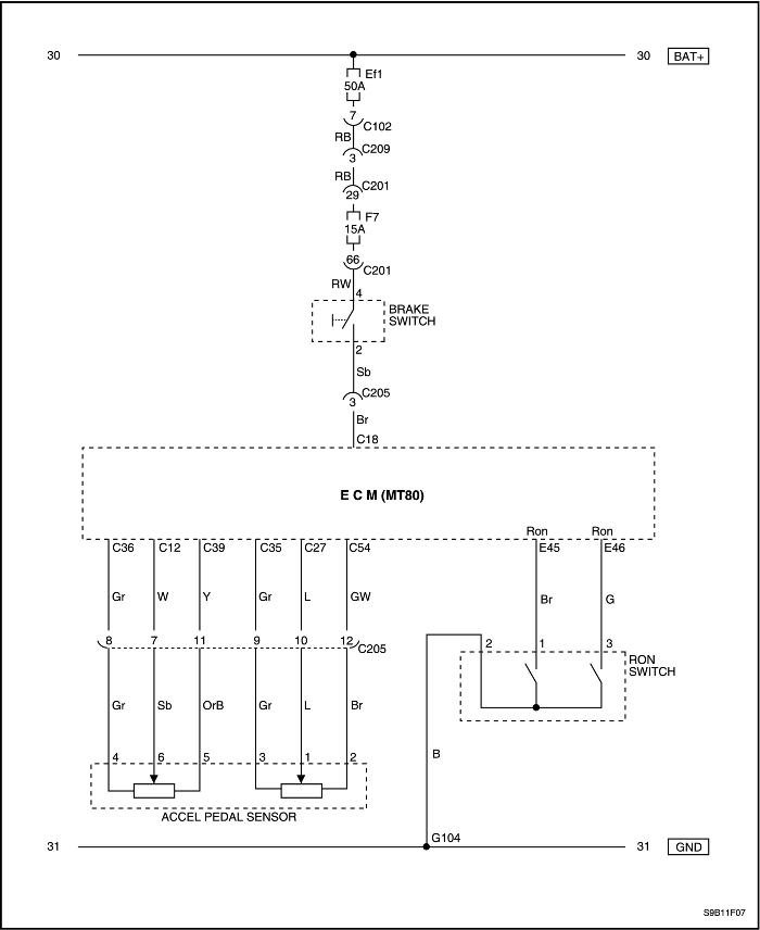
Электрическая схема контроллера системы управления двигателем - g14d mt80 - 7 из 8


S9B11F07
Показать иллюстрациюПеревод текста в иллюстрациях


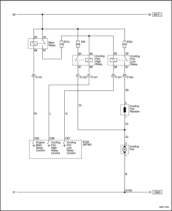
Электрическая схема контроллера системы управления двигателем - g14d mt80 - 8 из 8


S9B11F08
Показать иллюстрациюПеревод текста в иллюстрациях


Колодка (вид спереди); Колодка (вид со стороны разъема)


S9B11F09
Показать иллюстрациюПеревод текста в иллюстрациях



S9B11F10
Показать иллюстрациюПеревод текста в иллюстрациях



T3B11F21
Показать иллюстрациюПеревод текста в иллюстрациях



S9B11F11
Показать иллюстрациюПеревод текста в иллюстрациях



S9B11F12
Показать иллюстрациюПеревод текста в иллюстрациях



S9B11F13
Показать иллюстрациюПеревод текста в иллюстрациях



S9B11F14
Показать иллюстрациюПеревод текста в иллюстрациях



T3B31F38
Показать иллюстрациюПеревод текста в иллюстрациях



T6B31F13
Показать иллюстрациюПеревод текста в иллюстрациях



T6B31F14
Показать иллюстрациюПеревод текста в иллюстрациях



S9B11F15
Показать иллюстрациюПеревод текста в иллюстрациях



S9B11F16
Показать иллюстрациюПеревод текста в иллюстрациях



T3B11F12
Показать иллюстрациюПеревод текста в иллюстрациях



S9B11F17
Показать иллюстрациюПеревод текста в иллюстрациях



S9B11F18
Показать иллюстрациюПеревод текста в иллюстрациях



T3B11F11
Показать иллюстрациюПеревод текста в иллюстрациях



S7B31F10
Показать иллюстрациюПеревод текста в иллюстрациях



T3B31F39
Показать иллюстрациюПеревод текста в иллюстрациях



S9B11F19
Показать иллюстрациюПеревод текста в иллюстрациях



S9B11F20
Показать иллюстрациюПеревод текста в иллюстрациях



S7B31F11
Показать иллюстрациюПеревод текста в иллюстрациях



S9B11F21
Показать иллюстрациюПеревод текста в иллюстрациях



S9B11F22
Показать иллюстрациюПеревод текста в иллюстрациях




На предыдущую страницу На следующую страницу
https://vnx.su/ 🛠 Руководства по ремонту и эксплуатации для автомобилей

Поиск по сайту

Остались вопросы или пожелания? Пишите на почту: support@vnx.su

Карта Сайта