РАЗДЕЛ
ПРИНЦИПИАЛЬНЫЕ И МОНТАЖНЫЕ СХЕМЫ
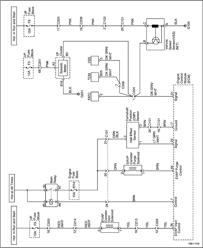
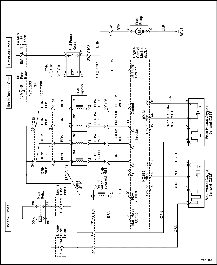
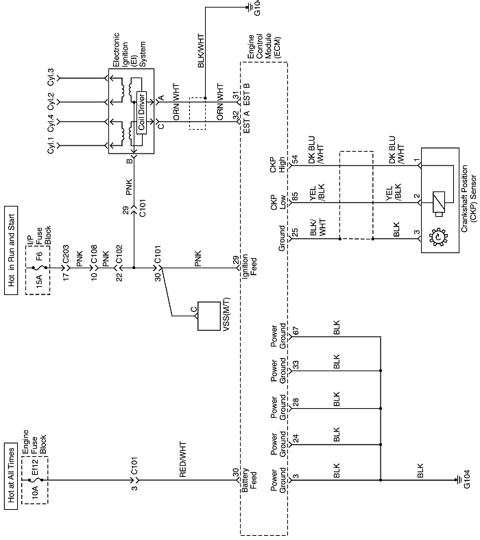
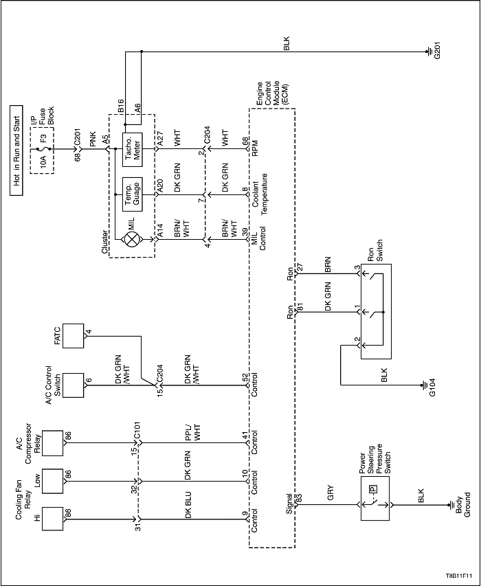
Электрическая схема контроллера системы управления двигателем - хэтчбек - - 1,2 л dohc
Электрическая схема контроллера системы управления двигателем - кузов-седан - - 1,2 л dohc
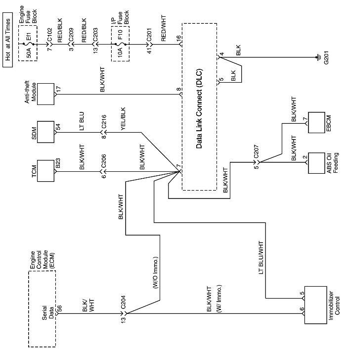
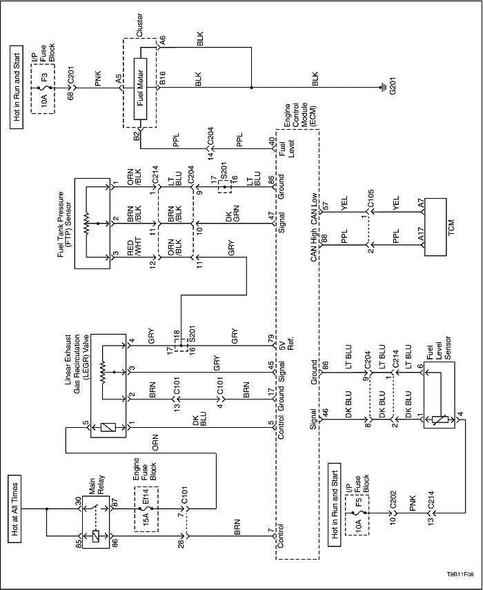
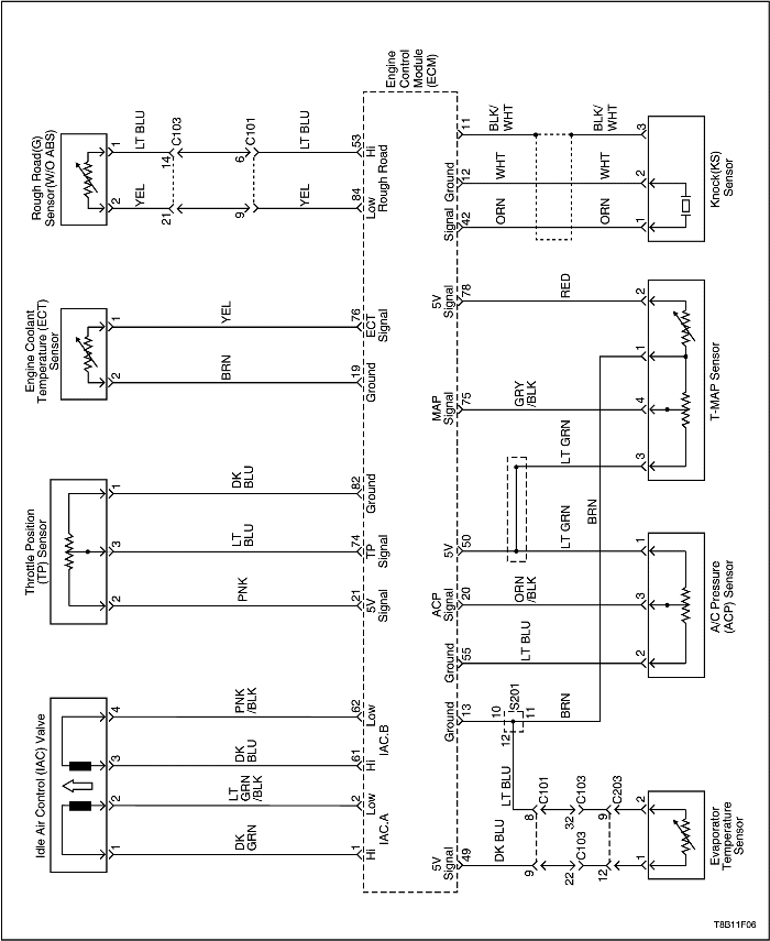
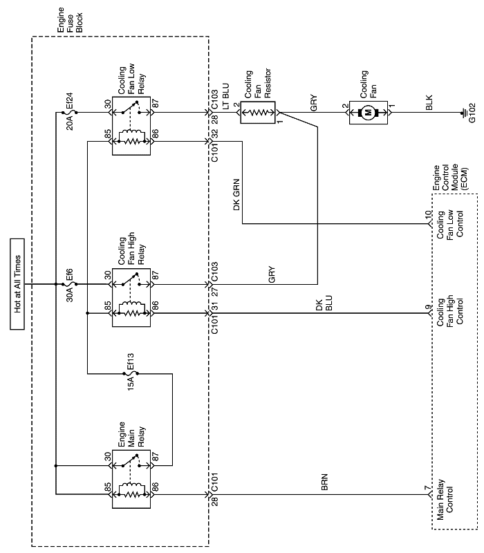
Электрическая схема контроллера системы управления двигателем - хэтчбек - - 1,2 л dohc
Электрическая схема контроллера системы управления двигателем - кузов-седан - - 1,2 л dohc
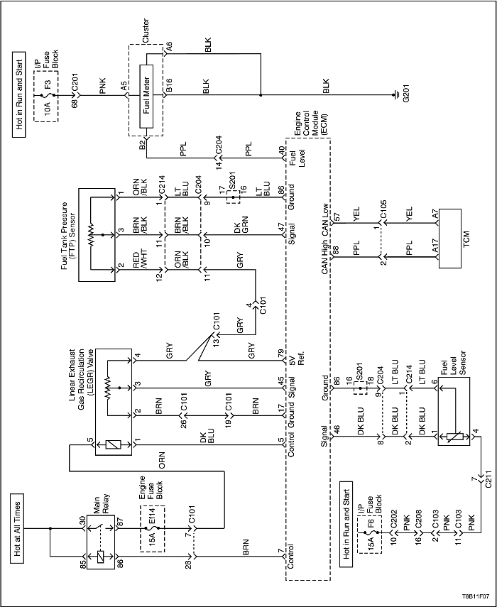
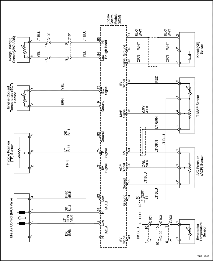
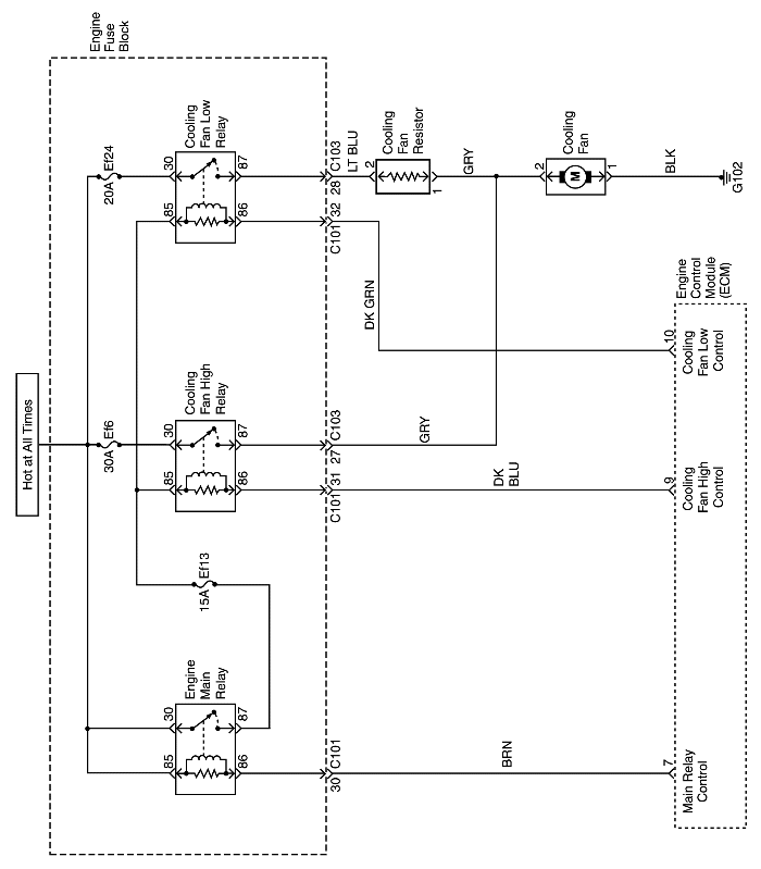
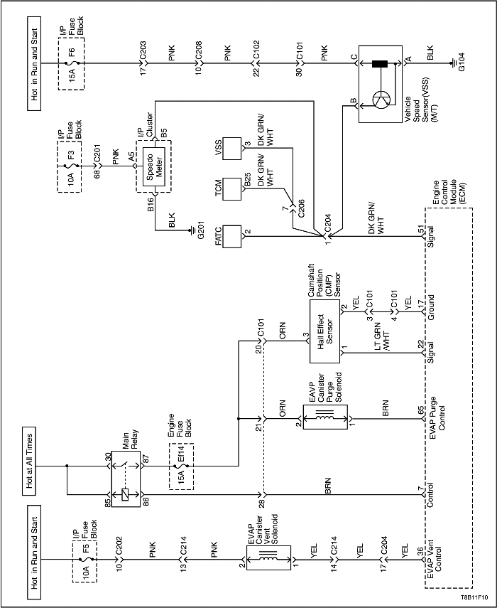
Электрическая схема контроллера системы управления двигателем - хэтчбек - - 1,2 л dohc
Электрическая схема контроллера системы управления двигателем - кузов-седан - - 1,2 л dohc
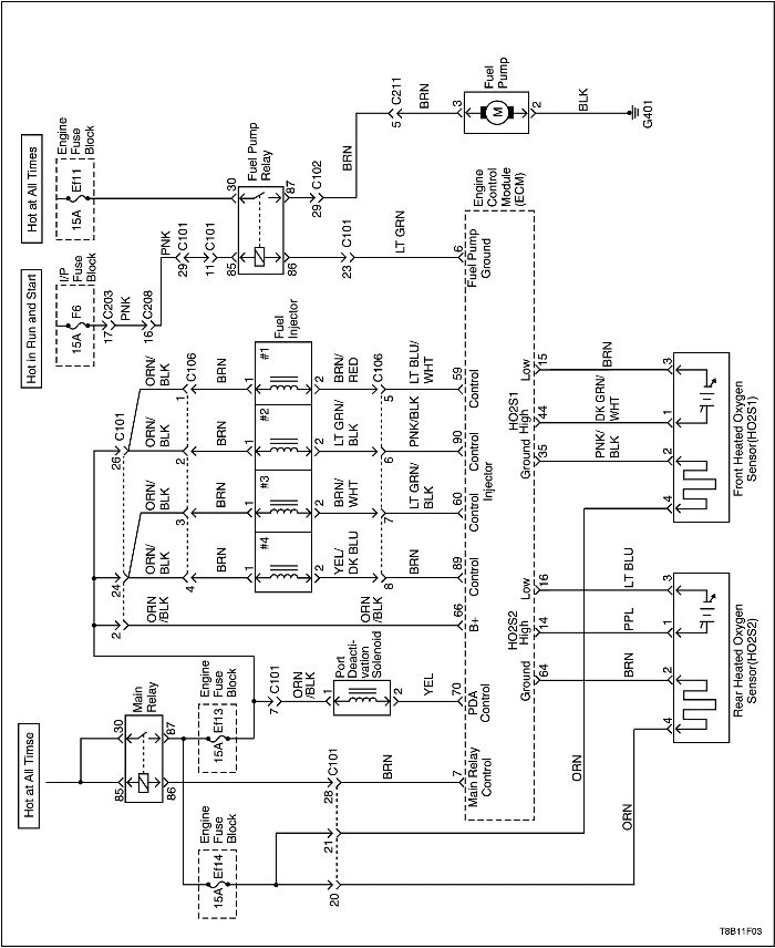
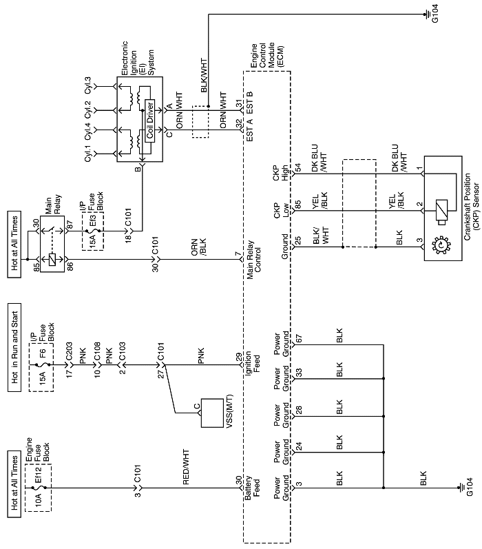
Электрическая схема контроллера системы управления двигателем - хэтчбек - - 1,2 л dohc
Электрическая схема контроллера системы управления двигателем - кузов-седан - - 1,2 л dohc
Электрическая схема контроллера системы управления двигателем - хэтчбек - - 1,2 л dohc
Электрическая схема контроллера системы управления двигателем - кузов-седан - - 1,2 л dohc
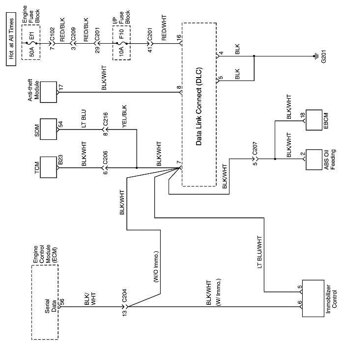
Электрическая схема контроллера системы управления двигателем - ВСЕ - - 1,2 л dohc
Электрическая схема контроллера системы управления двигателем - хэтчбек - - 1,2 л dohc
Электрическая схема контроллера системы управления двигателем - кузов-седан - - 1,2 л dohc
Электрическая схема контроллера системы управления двигателем - хэтчбек - - 1,2 л dohc
Электрическая схема контроллера системы управления двигателем - кузов-седан - - 1,2 л dohc
Колодка (вид со стороны разъема)






































РАСПОЛОЖЕНИЕ КОМПОНЕНТОВ
Расположение компонентов (1,2 л) dohc


Компоненты на жгуте проводов контроллера ЭСУД
- Контроллер электронной системы управления двигателем (ЭСУД)
- Колодка диагностики (DLC)
- Контрольная лампа индикации неисправности
- Масса жгута проводов ЭСУД/АБС
- Блок предохранителей (2)
Устройства, управляемые ЭСУД
- Клапан рециркуляции отработавших газов (EGR)
- Топливная форсунка (4)
- Клапан регулятора холостого хода (клапан РХХ)
- Реле топливного насоса
- Реле вентиляторов системы охлаждения
- Реле управления вентилятора системы охлаждения (только с кондиционером)
- Катушка электронной системы зажигания
- Клапан продувки адсорбера СУПБ
- Главное реле
- Реле компрессора кондиционера
Информационные датчики
- Датчик температуры-абсолютного давления в коллекторе (Т-МАР)
- Управляющий датчик кислорода (HO2S1)
- Датчик температуры охлаждающей жидкости (ЕТС)
- Датчик скорости автомобиля (VSS)
- Датчик положения коленчатого вала (CKP)
- Датчик детонации
- Диагностический датчик кислорода (HO2S2)
- Датчик положения распределительного вала (СМР)
Не соединенные с РСМ/ЭСУД
- Адсорбер СУПБ (под автомобилем, за правым задним колесом)
- Датчик давления моторного масла
- Воздухоочиститель