К началу документа
Aveo
На предыдущую страницу На следующую страницу
Главная страница GMDE Загрузить нединамическое оглавление Загрузить динамическое оглавление Помощь

РАЗДЕЛ 1E

ЭЛЕКТРООБОРУДОВАНИЕ ДВИГАТЕЛЯ

Внимание! Отключите отрицательный кабель батаре перед снятием или установкой любых электрических узлов или при возможном контакте инструментов или оборудования с оголенными электрическими клеммами. Отключение кабеля поможет избежать травм и механических поврежений. Зажигание должно быть заблокировано, если не указано иное.

ТЕХНИЧЕСКИЕ ХАРАКТЕРИСТИКИ

Технические характеристики стартера

Описание
Агрегат
1,2 dohc (b12d)
1,4 dohc - g14d
Тип
-
Прямолинейный привод с постоянным магнитом
pg 260c (g3)
Производительность (емкость)
кВт
0,8
1,2
Частота вращения ведущей шестерни (проверка без нагрузки при 12 В)
об/мин
4845 мин.
2800 мин
Длина щеток
мм (in.)
11,4 (0,448)
8,25 (0,325)

Технические характеристики генератора

Описание
Агрегат
1,2 dohc (b12d)
1,4 dohc - g14d
Тип
-
np08
np/oh
напряжение бортовой сети; напряжение системы
В
12
12
Длина щеток
мм (in.)
18,8 (0,74)
18,8 (0,740)
Производительность (емкость)
a
80
95

Технические характеристики аккумуляторной батареи

Описание
Агрегат
1,2 dohc (b12d)
1,4 dohc - g14d
Емкость; Объем; Производительность; Мощность; Рабочий объем
а/ч
45
50
Сила тока при холодном пуске
cca
430
550
Резервная емкость, мин.
мин.
80
90
Проверка с нагрузкой
А
200
270
Минимальное напряжение:
-
-
-
9,6
В
70°f (21°c) и выше
70°f (21°c) и выше
9,5
В
60°f (15,6°С)
60°f (15,6°С)
9,4
В
50°f (10°С)
50°f (10°С)
9,3
В
40°f (4,4°С)
40°f (4,4°С)
9,1
В
30°f (-1,1°С)
30°f (-1,1°С)
8,9
В
20°f (-6,7°С)
20°f (-6,7°С)
8,7
В
10°f (-12,2°С)
10°f (-12,2°С)
8,5
В
0°f (-17,8°С)
0°f (-17,8°С)

Моменты затяжки резьбовых соединений

Применение
Н•м
lb-ft
lb-in
Гайки проводов аккумуляторной батареи
4,5
-
40
.
Нижние винты полки аккумулятора
20
15
-
Верхние винты полки аккумулятора
20
15
-
Гайки крепления скоб аккумуляторной батареи
4
-
35
Стопорные винты топливной рампы
20
15
-
Гайка провода аккумулятора генератора
15
11
-
Гайка подшипника приводной стороны генератора
81
60
-
Гайки крепления нижнего кронштейна генератора к генератору
25
18
-
Стопорная гайка шкива генератора
95
70
-
Стопорная гайка задней крышки генератора (b12d)
16,5
12,1
-
Стопорная гайка задней крышки генератора (g14d)
18,5
13,6
-
Стопорная гайка/винт генератора (b12d)
25
18,4
-
Стопорная гайка/винт генератора (g14d)
35
25,8
-
Винт скобы генератора
25
18
-
Стяжные болты генератора (g12d)
4,75
3,5
-
Стяжные болты генератора (g14d)
4,75
3,5
-
Гайка разъема катушки возбуждения стартера
8
-
71
Крепежные болты стартера (g12d)
23
17
-
Крепежные болты стартера (g14d)
25
18,4
-
Гайки электромагнитного реле стартера
10,5
7,7
-

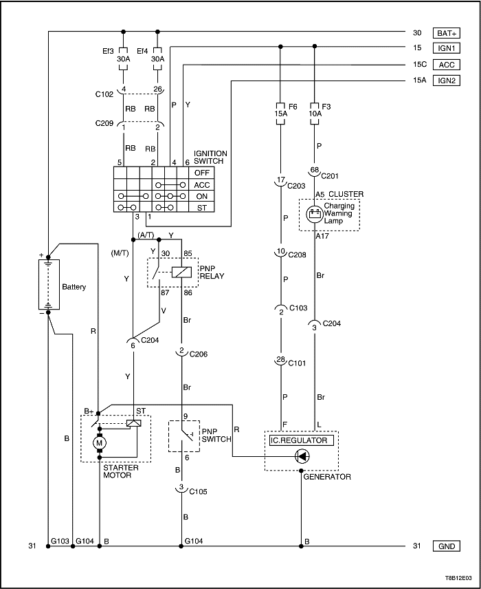
ПРИНЦИПИАЛЬНЫЕ И МОНТАЖНЫЕ СХЕМЫ

Система пуска двигателя и зарядки


T8B12E03
Показать иллюстрациюПеревод текста в иллюстрациях


РАСПОЛОЖЕНИЕ КОМПОНЕНТОВ

Система пуска двигателя - 1,2 dohc


M3C11E01
Показать иллюстрациюПеревод текста в иллюстрациях


  1. Узел стартера
  2. Тяговое реле стартера
  3. Корпус стартера
  4. Рычаг переключения передач
  5. Детали якоря
  6. Якорь
  7. Шестерня
  8. Набор колец
  9. Статор
  10. Держатель щеток
  11. Контактная сторона
  12. Сквозные винты стартера

Система пуска двигателя - 1,4 dohc


T3D11E05
Показать иллюстрациюПеревод текста в иллюстрациях


  1. Узел стартера
  2. Тяговое реле стартера
  3. Корпус стартера
  4. Рычаг переключения передач
  5. Детали якоря
  6. Якорь
  7. Шестерня
  8. Набор колец
  9. Статор
  10. Держатель щеток
  11. Контактная сторона
  12. Сквозные винты стартера

Система зарядки - 1,2 dohc


T3D11E02
Показать иллюстрациюПеревод текста в иллюстрациях


  1. Генератор
  2. Скоба генератора
  3. Гайка приводной стороны генератора
  4. Шкив генератора
  5. Шайба генератора (большая)
  6. Передний кронштейн генератора
  7. Передний подшипник
  8. Пластина подшипника
  9. Шайба генератора (малая)
  10. Ротор генератора
  11. Задний подшипник
  12. Статор генератора
  13. Выпрямительный блок
  14. Регулятор напряжения/держатель щеток
  15. Задний кронштейн генератора
  16. Гайка положительного зажима аккумулятора
  17. Сквозной винт

Система зарядки - 1,4 dohc


T3D11E06
Показать иллюстрациюПеревод текста в иллюстрациях


  1. Генератор
  2. Гайка приводной стороны генератора
  3. Шкив генератора
  4. Шайба генератора
  5. Передний кронштейн генератора
  6. Передний подшипник
  7. Статор генератора
  8. Вентилятор
  9. Ротор генератора
  10. Задний кронштейн генератора
  11. Выпрямительный блок
  12. Крышка
  13. Регулятор напряжения/держатель щеток

ДИАГНОСТИКА

Коленчатый вал не проворачивается

Шаг Операция Значения Да Нет
1
  1. Полностью утопить педаль сцепления.
  2. Перевести ключ в положение СТАРТ.
Двигатель запускается?
-
Система в норме
Перейти к операции 2
2
  1. Отсоединить провода выключателя положения педали сцепления.
  2. Проверить электропроводность между выводами выключателя при переводе выключателя педали сцепления во включенное положение.
Омметр показывает заданное значение?
-
Перейти к операции 4
Перейти к операции 3
3
Заменить выключатель положения педали сцепления.
Двигатель запускается?
-
Система в норме
Перейти к операции 4
4
  1. Включите фары.
  2. Включите освещение салона.
  3. Перевести ключ в положение СТАРТ.
Яркость освещения уменьшается или происходит его отключение?
-
Перейти к операции 5
Перейти к операции 11
5
Проверьте зарядку аккумуляторной батареи.
Видна ли зеленая точка на встроенном ареометре?
-
Перейти к операции 6
Перейти к "Процедура зарядки"
6
  1. Присоедините положительный провод вольтметра к положительной клемме аккумулятора.
  2. Присоедините отрицательный провод вольтметра к отрицательной клемме аккумулятора.
  3. Включите зажигание на СТАРТ.
Вольтметр показывает заданное значение?
< 9,6 В
Перейти к "Процедура зарядки"
Перейти к операции 7
7
  1. Присоедините отрицательный провод вольтметра к отрицательной клемме аккумулятора.
  2. Присоединить положительный провод вольтметра к блоку цилиндров.
  3. Установить ключ зажигания в положение start.
Закончен ли ремонт?
> 0,5 В
Перейти к операции 8
Перейти к операции 9
8
  1. Очистить и затянуть соединения отрицательного кабеля аккумулятора на самом аккумуляторе и на массе.
  2. При необходимости заменить кабель.
Закончен ли ремонт?
-
Система в норме
-
9
  1. Присоединить положительный провод вольтметра к выводу "В" стартера.
  2. Присоедините отрицательный провод вольтметра к отрицательной клемме аккумулятора.
  3. Проверить напряжение при проворачивании коленчатого вала.
Вольтметр показывает заданное значение?
< 9 В
Перейти к операции 10
Перейти к операции 16
10
Почистите, затяните или замените положительный провод аккумулятора.
Закончен ли ремонт?
-
Система в норме
-
11
Проверить предохранитель ef3 в блоке предохранителей двигателя.
Предохранитель ef3 перегорел?
-
Перейти к операции 12
Перейти к операции 13
12
Заменить предохранитель ef3.
Закончен ли ремонт?
-
Система в норме
-
13
Проверить соединение на выводе "S" стартера.
Соединение надежное?
-
Перейти к операции 15
Перейти к операции 14
14
Восстановить соединение вывода "S" стартера.
Закончен ли ремонт?
-
Система в норме
-
15
  1. Присоединить положительный провод вольтметра к выводу "S" стартера.
  2. Присоедините отрицательный провод вольтметра к отрицательной клемме аккумулятора.
  3. Установить ключ зажигания в положение start.
  4. Считать показание на вольтметре для вывода "S".
Вольтметр показывает заданное значение?
> 7 В
Перейти к операции 16
Перейти к операции 17
16
Отремонтировать или заменить стартер.
Закончен ли ремонт?
-
Система в норме
-
17
Включить вентилятор нагревателя.
Вентилятор работает?
-
Перейти к операции 27
Перейти к операции 18
18
  1. Отсоединить разъем С204.
  2. Присоединить положительный провод вольтметра к выводу 1 разъема С204.
  3. Присоединить отрицательный провод вольтметра к массе.
Вольтметр показывает заданное значение?
12 В
Перейти к операции 20
Перейти к операции 19
19
Восстановить КРАСНО/БЕЛЫЙ провод между предохранителем ef3 и разъемом С204.
Закончен ли ремонт?
-
Система в норме
-
20
Проверить контакты на выводе 1 разъема С204.
Контакты в порядке?
-
Перейти к операции 22
Перейти к операции 21
21
Восстановить нарушенный контакт в разъеме С204.
Закончен ли ремонт?
-
Система в норме
-
22
  1. Вновь присоединить разъем С204.
  2. Отсоединить разъем выключателя зажигания.
  3. Присоединить положительный провод вольтметра к выводу 5 разъема выключателя зажигания.
  4. Присоединить отрицательный провод вольтметра к массе.
Вольтметр показывает заданное значение?
11-14 В
Перейти к операции 24
Перейти к операции 23
23
Восстановить КРАСНО/БЕЛЫЙ провод между выводом 1 выключателя С204 и выводом 5 разъема выключателя зажигания.
Закончен ли ремонт?
-
Система в норме
-
24
Проверить контакт на выводе 5 разъема выключателя зажигания.
Контакты в порядке?
-
Перейти к операции 26
Перейти к операции 25
25
Восстановить нарушенный контакт разъема выключателя зажигания.
Закончен ли ремонт?
-
Система в норме
-
26
Замените выключатель зажигания.
Закончен ли ремонт?
-
Система в норме
-
27
  1. Отсоединить разъем С205.
  2. Присоединить положительный провод вольтметра к выводу 1 разъема С205 на жгуте входных проводов.
  3. Присоедините отрицательный провод вольтметра к массе.
  4. Перевести выключатель зажигания в положение СТАРТ.
Вольтметр показывает заданное значение?
12 В
Перейти к операции 28
Перейти к операции 31
28
Проверить вывод 1 с обеих сторон разъема С205.
Один из них неисправен?
-
Перейти к операции 29
Перейти к операции 30
29
Отремонтировать неисправный вывод.
Закончен ли ремонт?
-
Система в норме
-
30
Восстановить ЖЕЛТЫЙ провод, идущий от вывода 1 разъема С205 к выводу "ST" стартера.
Закончен ли ремонт?
-
Система в норме
-
31
  1. Отсоединить разъем выключателя зажигания.
  2. Присоединить положительный провод вольтметра к выводу st выключателя зажигания.
  3. Присоедините отрицательный провод вольтметра к массе.
  4. Перевести выключатель зажигания в положение СТАРТ.
Вольтметр показывает заданное значение?
12 В
Перейти к операции 33
Перейти к операции 32
32
Замените выключатель зажигания.
Закончен ли ремонт?
-
Система в норме
-
33
Проверить вывод st на выключателе зажигания и вывод 3 разъема выключателя зажигания.
Выводы в нормальном состоянии?
-
Перейти к операции 34
Перейти к операции 35
34
Восстановить КРАСНЫЙ провод между выводом 3 разъема выключателя зажигания и выводом 1 разъема С205.
Закончен ли ремонт?
-
Система в норме
-
35
Отремонтировать неисправный вывод.
Закончен ли ремонт?
-
Система в норме
-

Шум стартера

Чтобы устранить шум стартера при запуски, выполните следующие шаги:
Пункты проверки
Операция, действие
Обратите внимание на воющий шум коленчатого вала перед запуском двигателя. Коленчатый вал двигателя проворачивается и запускается нормально.
Слишком большое расстояние между шестернями стартера и маховиком. Необходимо придвинуть стартер к маховику при помощи компенсационной шайбы.
Проверьте наличие воющего шума после запуска двигателя и отпускания ключа зажигания. Коленчатый вал двигателя проворачивается и запускается нормально. Периодически возникающий шум часто диагностируется как "залипание стартера" или "ослабленное тяговое реле".
Слишком малое расстояние между шестернями стартера и маховиком. Необходимо отодвинуть стартер от маховика при помощи компенсационной шайбы.
Обратите внимание на громкий шум после запуска двигателя и при включенном стартере. Звук похож на сирену, когда при включенном стартере подается газ.
Возможной причиной является неисправное сцепление. Новое сцепление часто помогает решить эту проблему.
Обратите внимание на "гул", "грохот" или в тяжелых случаях "стучание", когда стартер после запуска двигателя останавливается.
Возможной причиной является погнутый или несбалансированный якорь стартера. Новый якорь часто помогает решить эту проблему.
Шумы могут быть устранены подбором исправной компенсационной шайбы.
  1. Обратите внимание на изогнутый или изношенный маховик.
  2. Запустите двигатель и осторожно пометьте вращающийся диск маховика мелом или цветным карандашом, чтобы отметить наибольший зазор между зубьями. Остановите двигатель и поверните маховик так, чтобы помеченные зубья оказались в зоне шестерни стартера.
  3. Отсоедините отрицательный кабель аккумулятора, чтобы предотвратить проворачивание коленчатого вала.
  4. Проверьте зазор между шестерней и маховиком используя калиброванный провод 0,5 мм (0,02 in.) минимальной толщины (или диаметра). Отцентруйте зуб шестерни между маховиком и калиброванным проводом. Не измеряйте в углах, так как размер там может быть ошибочно более значительным. Если зазор ниже минимума, необходимо отодвинуть стартер от маховика при помощи компенсационной шайбы.
  5. Если зазор достигает 1,5 мм (0,06 in.) или больше, необходимо придвинуть стартер к маховику при помощи компенсационной шайбы. Это обычно является причиной повреждения зубьев маховика или корпуса стартера. Придвиньте стартер к маховику при помощи компенсационной шайбы на опорной пластине маховика. Компенсационная шайба толщиной 0,40 мм (0,016 inch) в этом месте уменьшит зазор примерно на 0,30 мм (0,012 in.). Если нет компенсационных шайб, используйте обыкновенные подкладные шайбы или другой подходящий материал.

Проверка аккумуляторной батареи под нагрузкой

  1. Проверьте аккумуляторную батарею на видимые повреждения, такие как сломанный корпус или крышка, которые могут вызвать потерю электролита. Если имеются видимые повреждения, замените аккумуляторную батарею.
  2. Проверьте аккумуляторную батарею на видимые повреждения, такие как сломанный корпус или крышка, которые могут вызвать потерю электролита. Если имеются видимые повреждения, замените аккумуляторную батарею.

Внимание! Не заряжайте аккумуляторную батарею, если ареометр прозрачный или светло-желтый. Вместо этого замените аккумуляторную батарею. Если батарея горячая на ощупь и через вентиляционное отверстие выходит газ или кислота, прервите зарядку или уменьшите ток зарядки во избежание травм.

  1. Проверьте ареометр. Если видна зеленая точка, перейдите к процедуре проверки с нагрузкой. Если индикатор темный, но зеленого цвета не видно, зарядите батарею. Для зарядки снятой аккумуляторной батареи следуйте пункту "Зарядка полностью разряженной аккумуляторной батареи" в этом разделе.
  2. Проверьте ареометр. Если видна зеленая точка, перейдите к процедуре проверки с нагрузкой. Если индикатор темный, но зеленого цвета не видно, зарядите батарею. Для зарядки снятой аккумуляторной батареи следуйте пункту "Зарядка полностью разряженной аккумуляторной батареи" в этом разделе.
  3. Присоедините вольтметр и устройство проверки аккумуляторной батареи под нагрузкой к клеммам батареи.
  4. Подайте ток 300 А на 15 секунд, чтобы снять напряжение на поверхности аккумуляторной батареи.
  5. Уберите нагрузку.
  6. Подождите 15 секунд и подайте нагрузку в 270 А.

Важно: Температуру аккумуляторной батареи оценить на ощупь с учетом температуры окружающей среды за предшествующие несколько часов.

  1. Если напряжение не падает ниже заданного минимума, батарея в норме и может быть установлена на место. Если напряжение ниже заданного минимума, замените аккумуляторную батарею. Следуйте пункту "Технические характеристики аккумуляторной батареи" в этом разделе.
  2. Если напряжение не падает ниже заданного минимума, батарея в норме и может быть установлена на место. Если напряжение ниже заданного минимума, замените аккумуляторную батарею. Следуйте пункту "Технические характеристики аккумуляторной батареи" в этом разделе.

Проверка выходной мощности генератора

  1. Выполните проверку систем генератора. Следуйте пункту "Проверка систем генератора" в этом разделе.
  2. Выполните проверку систем генератора. Следуйте пункту "Проверка систем генератора" в этом разделе.
  3. Замените генератор, если он не прошел проверку. Следуйте пункту "Генератор" в части Обслуживание автомобиля этого раздела. Если он прошел проверку, выполните проверку выходной мощности на автомобиле следующим образом.

Важно: Всегда проверяйте выходную мощность генератора, прежде чем предположить поломку генератора от замыкания на массу клеммы "L".

  1. Присоедините к автомобилю цифровой мультеметр, амперметр и углеродистый пленочный резистор.
  2. Присоедините к автомобилю цифровой мультеметр, амперметр и углеродистый пленочный резистор.

Важно: Убедитесь, что аккумуляторная батарея полностью заряжена и углеродистый пленочный резистор отключен.

  1. При выключенном выключателе зажигания проверьте и запишите напряжение аккумуляторной батареи.
  2. При выключенном выключателе зажигания проверьте и запишите напряжение аккумуляторной батареи.
  3. Снимите разъем жгута проводов с генератора.
  4. Включите зажигание на run при выключенном двигателе. Используйте цифровой мультиметр для проверки напряжения на клемме "L" разъема кабельного жгута.
  5. Показания должны быть примерно равны заданному напряжению 12 В аккумуляторной батареи. Если напряжение слишком мало, проверьте цепь клеммы "L" на замыкание на корпус и обрыв цепи, которые могут вызвать падение напряжения. Исправьте обрывы провода, подключения клемм и т.д., если необходимо. Следуйте пункту "Система зарядки" в этом разделе.
  6. Присоедините разъем жгута проводов генератора.
  7. Запустите двигатель на среднем холостом ходу и измерьте напряжение между клеммами аккумуляторной батареи. Показания должны быть больше, чем записанные в операции 14, но меньше, чем 16 В. Если показания выше 16 В или меньше прежде зафиксированных, замените генератор. Следуйте пункту "Генератор" Обслуживание автомобиля этого раздела.
  8. Запустите двигатель на среднем холостом ходу и измерьте выходной ток генератора.
  9. Включите углеродистый пленочный резистор и отрегулируйте его, чтобы получить максимальный ток при напряжении аккумуляторной батареи выше 13 В.
  10. Если показания в пределах 15 А, помеченных на генераторе, генератор в порядке. Если нет, замените генератор. Следуйте пункту "Генератор" Обслуживание автомобиля этого раздела.
  11. На генераторе, работающем с максимальной выходной мощностью, измерьте напряжение между корпусом генератора и отрицательной клеммой аккумуляторной батареи. Падение напряжения должно составлять 0,5 В или меньше. Если падение напряжение больше 0,5 В, проверьте соединение между корпусом генератора и отрицательным проводом аккумуляторной батареи.
  12. Проверьте, почистите, затяните и перепроверьте все соединения на массу.

T3B11E03
Показать иллюстрациюПеревод текста в иллюстрациях


Проверка систем генератора

При нормальной работе контрольная лампа генератора включается, когода зажигание находится в положении RUN, и выключается при запуске двигателя. Если лампа работает не нормально или аккумуляторная батарея перезаряжена или разряжена, используйте следующую процедуру для диагностики системы зарядки. Помните, что разряженная аккумуляторная батарея бывает следствием не выключенных на ночь приборов, неисправных выключателей ламп, крышки багажника или вещевого ящика.
Проведите проверку генератора следующим образом:
  1. Осмотрите ремень и проводку.
  2. При включенном зажигании и остановленном двигателе, контрольная лампа зарядки должна гореть. Если это не так, отсоедините жгут проводов от генератора и подключите к массе клемму "L" через 5-амперную перемычку.
  1. При включенном зажигании и двигателе, работающем на средних оборотах, контрольная лампа зарядки не должна гореть. Если это не так, отсоедините жгут проводов от генератора.
  2. При включенном зажигании и двигателе, работающем на средних оборотах, контрольная лампа зарядки не должна гореть. Если это не так, отсоедините жгут проводов от генератора.

Важно: Всегда проверяйте выходную мощность генератора, прежде чем предположить поломку генератора от замыкания на массу клеммы "L". Следуйте пункту "Генератор" в разделе Ремонт агрегата.



На предыдущую страницу На следующую страницу
https://vnx.su/ 🛠 Руководства по ремонту и эксплуатации для автомобилей

Поиск по сайту

Остались вопросы или пожелания? Пишите на почту: support@vnx.su

Карта Сайта