К началу документа
Aveo
На предыдущую страницу На следующую страницу
Главная страница GMDE Загрузить нединамическое оглавление Загрузить динамическое оглавление Помощь



31. ЦЕПЬ УПРАВЛЕНИЯ ПРОТИВОУГОННОЙ СИСТЕМЫ

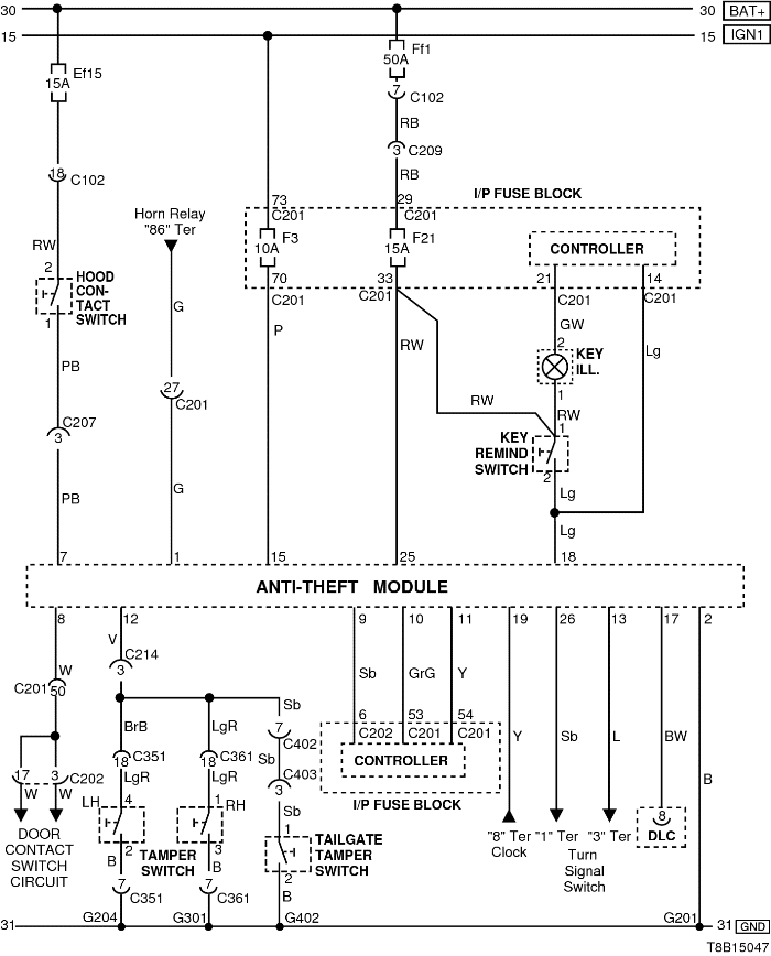
1) ХЭТЧБЭК

T8B15047.png
Показать иллюстрациюПеревод текста в иллюстрациях


а. ИНФОРМАЦИЯ О РАЗЪЁМЕ

№ РАЗЪЁМА
(№ И ЦВЕТ КОНТАКТА)
СОЕДИНИТЕЛЬНЫЙ ЖГУТ ПРОВОДОВ ПОЛОЖЕНИЕ РАЗЪЁМА
С102 (контакт 32, серый) Передняя часть кузова - блок предохранителей в моторном отсеке Блок предохранителей в моторном отсеке
C103 (контакт 32, коричневый) Передняя часть кузова - блок предохранителей в моторном отсеке Блок предохранителей в моторном отсеке
С201 (контакт 76, черный) Приборная панель - блок предохранителей на приборной панели Блок предохранителей на приборной панели
С202 (контакт 20, белый) Приборная панель - блок предохранителей на приборной панели Блок предохранителей на приборной панели
С203 (контакт 18, белый) Приборная панель - блок предохранителей на приборной панели Блок предохранителей на приборной панели
С207 (контакт 12, серый) Передняя часть - приборная панель Под блоком предохранителей на приборной панели
С212 (контакт 11, синий) Приборная панель - пол Под левой передней стойкой
С214 (контакт 24, черный) Приборная панель - пол Под левой передней стойкой
С351 (контакт 29, белый) Пол - передняя левая дверь Под левой передней стойкой
С361 (контакт 29, белый) Пол - передняя правая дверь Под правой передней стойкой
С402 (контакт 8, белый) Задняя дверь - пол Под левой задней стойкой
С403 (контакт 4, белый) Задняя откидная дверь - удлинитель задней откидной двери Под задней дверью с левой стороны
G201 Приборная панель Верхний выключатель управления зеркалом
G204 Пол Под правой передней стойкой
G301 Пол Под подушкой правого сиденья
G402 Удлинитель задней откидной двери Мотор верхнего заднего стеклоочистителя

б. УСЛОВНОЕ ОБОЗНАЧЕНИЕ & И НАХОЖДЕНИЕ НОМЕРА КОНТАКТА

S6B1P070.png
Показать иллюстрациюПеревод текста в иллюстрациях


в. РАСПОЛОЖЕНИЕ РАЗЪЁМОВ И СОЕДИНЕНИЙ МАССЫ

S6B12001.png
Показать иллюстрациюПеревод текста в иллюстрациях


T8B12005.png
Показать иллюстрациюПеревод текста в иллюстрациях


T8B12002.png
Показать иллюстрациюПеревод текста в иллюстрациях


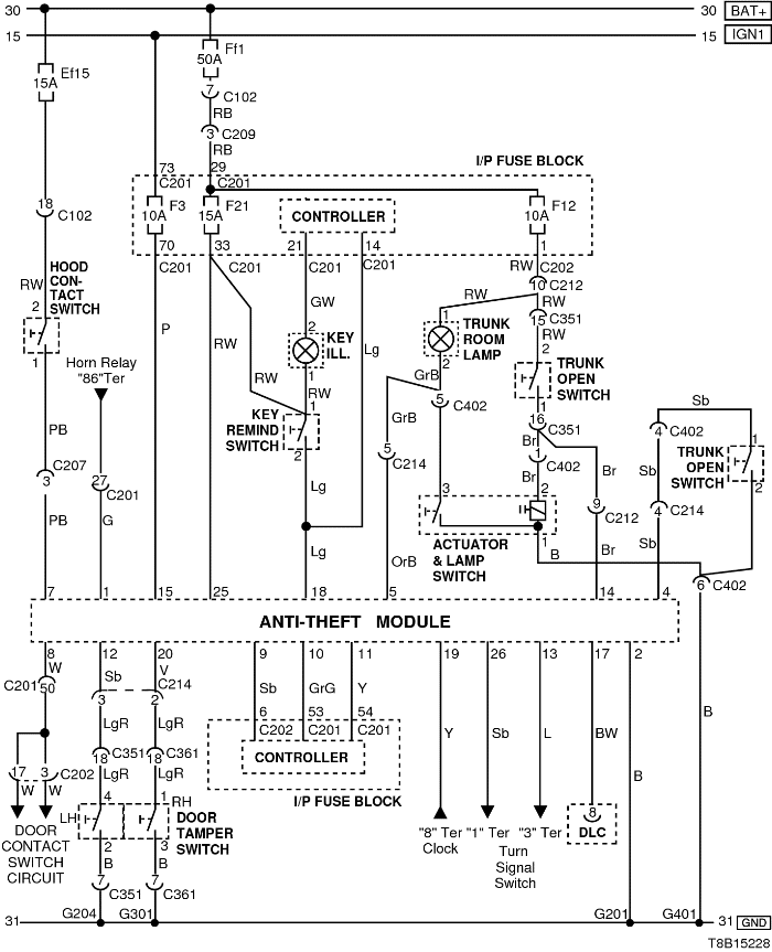
2) СЕДАН

T8B15228.png
Показать иллюстрациюПеревод текста в иллюстрациях


а. ИНФОРМАЦИЯ О РАЗЪЁМЕ

№ РАЗЪЁМА
(№ И ЦВЕТ КОНТАКТА)
СОЕДИНИТЕЛЬНЫЙ ЖГУТ ПРОВОДОВ ПОЛОЖЕНИЕ РАЗЪЁМА
С102 (контакт 32, серый) Передняя часть кузова - блок предохранителей в моторном отсеке Блок предохранителей в моторном отсеке
C103 (контакт 32, коричневый) Передняя часть кузова - блок предохранителей в моторном отсеке Блок предохранителей в моторном отсеке
С201 (контакт 76, черный) Приборная панель - блок предохранителей на приборной панели Блок предохранителей на приборной панели
С202 (контакт 20, белый) Приборная панель - блок предохранителей на приборной панели Блок предохранителей на приборной панели
С203 (контакт 18, белый) Приборная панель - блок предохранителей на приборной панели Блок предохранителей на приборной панели
С207 (контакт 12, серый) Передняя часть - приборная панель Под блоком предохранителей на приборной панели
С212 (контакт 11, синий) Приборная панель - пол Под левой передней стойкой
С214 (контакт 24, белый) Приборная панель - пол Под левой передней стойкой
С351 (контакт 29, белый) Пол - передняя левая дверь Под левой передней стойкой
С361 (контакт 29, белый) Пол - передняя правая дверь Под правой передней стойкой
С402 (контакт 6, белый) Крышка багажника - пол Под панелью задней полки
G201 Приборная панель Верхний выключатель управления зеркалом
G204 Пол Под правой передней стойкой
G301 Пол Под подушкой правого сиденья
G401 Пол Верхняя панель задней полки

б. УСЛОВНОЕ ОБОЗНАЧЕНИЕ & И НАХОЖДЕНИЕ НОМЕРА КОНТАКТА

S6B1P070.png
Показать иллюстрациюПеревод текста в иллюстрациях


в. РАСПОЛОЖЕНИЕ РАЗЪЁМОВ И СОЕДИНЕНИЙ МАССЫ

S6B12001.png
Показать иллюстрациюПеревод текста в иллюстрациях


S6B12011.png
Показать иллюстрациюПеревод текста в иллюстрациях


T8B12002.png
Показать иллюстрациюПеревод текста в иллюстрациях


На предыдущую страницу На следующую страницу


https://vnx.su/ 🛠 Руководства по ремонту и эксплуатации для автомобилей

Поиск по сайту

Остались вопросы или пожелания? Пишите на почту: support@vnx.su

Карта Сайта