К началу документа
Aveo
На предыдущую страницу На следующую страницу
Главная страница GMDE Загрузить нединамическое оглавление Загрузить динамическое оглавление Помощь



12. ЦЕПЬ ПОДСВЕТКИ

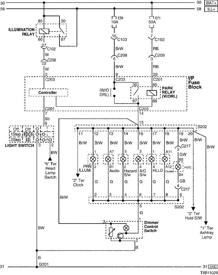
1) ЦЕПЬ ПОДСВЕТКИ - БЕЗ РЕГУЛЯТОРА ЯРКОСТИ

T8B15025.png
Показать иллюстрациюПеревод текста в иллюстрациях


а. ИНФОРМАЦИЯ О РАЗЪЁМЕ

№ РАЗЪЁМА
(№ И ЦВЕТ КОНТАКТА)
СОЕДИНИТЕЛЬНЫЙ ЖГУТ ПРОВОДОВ ПОЛОЖЕНИЕ РАЗЪЁМА
С102 (контакт 32, серый) Передняя часть кузова - блок предохранителей в моторном отсеке Блок предохранителей в моторном отсеке
C103 (контакт 32, коричневый) Передняя часть кузова - блок предохранителей в моторном отсеке Блок предохранителей в моторном отсеке
С201 (контакт 76, черный) Приборная панель - блок предохранителей на приборной панели Блок предохранителей на приборной панели
С203 (контакт 18, белый) Приборная панель - блок предохранителей на приборной панели Блок предохранителей на приборной панели
С208 (контакт 22, желтый) Передняя часть - приборная панель Передняя часть - контроллер КПП
S202 Приборная панель За поперечной рулевой тягой с левой стороны
G201 Приборная панель Верхний выключатель управления зеркалом

б. УСЛОВНОЕ ОБОЗНАЧЕНИЕ & И НАХОЖДЕНИЕ НОМЕРА КОНТАКТА

T8B1P026.png
Показать иллюстрациюПеревод текста в иллюстрациях


в. РАСПОЛОЖЕНИЕ РАЗЪЁМОВ И СОЕДИНЕНИЙ МАССЫ

S6B12001.png
Показать иллюстрациюПеревод текста в иллюстрациях


T8B12002.png
Показать иллюстрациюПеревод текста в иллюстрациях


г. КОНТАКТНАЯ КОЛОДКА

s202

T8B1S003.png
Показать иллюстрациюПеревод текста в иллюстрациях


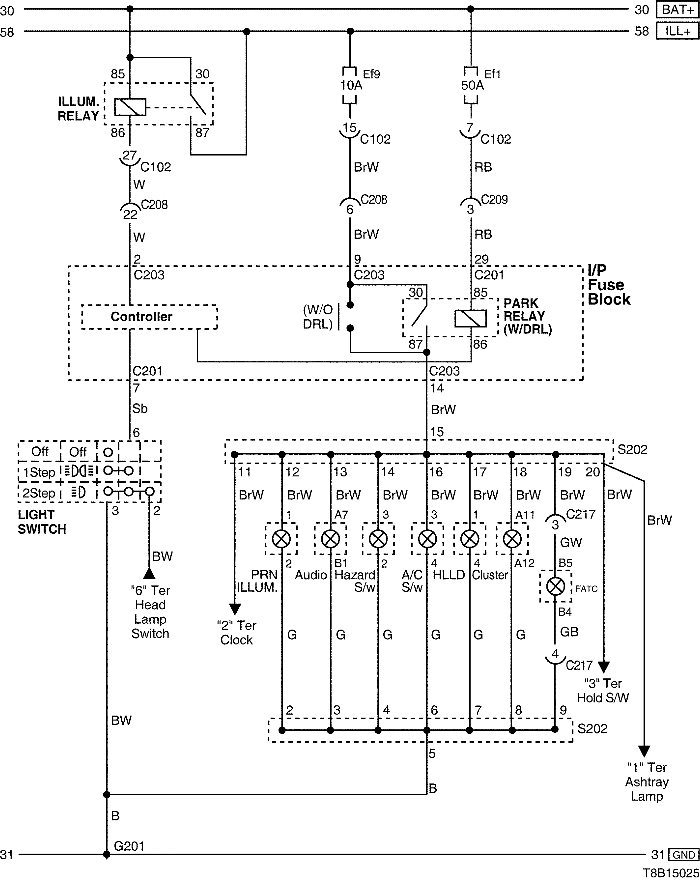
2) ЦЕПЬ ПОДСВЕТКИ - С РЕГУЛЯТОРОМ ЯРКОСТИ

T8B15026.png
Показать иллюстрациюПеревод текста в иллюстрациях


а. ИНФОРМАЦИЯ О РАЗЪЁМЕ

№ РАЗЪЁМА
(№ И ЦВЕТ КОНТАКТА)
СОЕДИНИТЕЛЬНЫЙ ЖГУТ ПРОВОДОВ ПОЛОЖЕНИЕ РАЗЪЁМА
С102 (контакт 32, серый) Передняя часть кузова - блок предохранителей в моторном отсеке Блок предохранителей в моторном отсеке
C103 (контакт 32, коричневый) Передняя часть кузова - блок предохранителей в моторном отсеке Блок предохранителей в моторном отсеке
С201 (контакт 76, черный) Приборная панель - блок предохранителей на приборной панели Блок предохранителей на приборной панели
С203 (контакт 18, белый) Приборная панель - блок предохранителей на приборной панели Блок предохранителей на приборной панели
С208 (контакт 22, желтый) Передняя часть - приборная панель Передняя часть - контроллер КПП
S202 Приборная панель За поперечной рулевой тягой с левой стороны
G201 Приборная панель Верхний выключатель управления зеркалом

б. УСЛОВНОЕ ОБОЗНАЧЕНИЕ & И НАХОЖДЕНИЕ НОМЕРА КОНТАКТА

T8B1P027.png
Показать иллюстрациюПеревод текста в иллюстрациях


в. РАСПОЛОЖЕНИЕ РАЗЪЁМОВ И СОЕДИНЕНИЙ МАССЫ

S6B12001.png
Показать иллюстрациюПеревод текста в иллюстрациях


T8B12002.png
Показать иллюстрациюПеревод текста в иллюстрациях


г. КОНТАКТНАЯ КОЛОДКА

s202

T8B1S003.png
Показать иллюстрациюПеревод текста в иллюстрациях


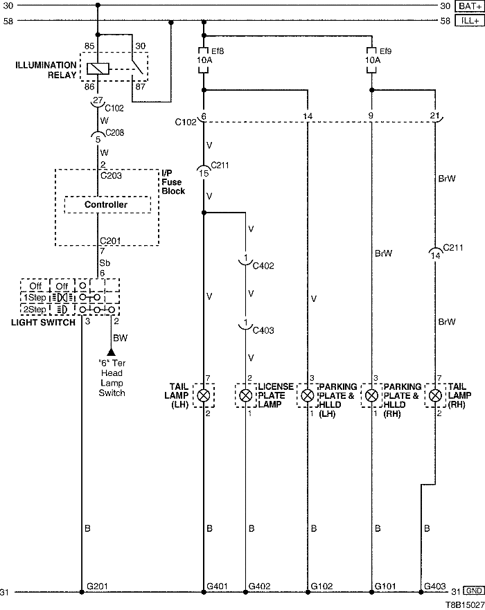
3) ЦЕПЬ ЛАМП (ОСВЕЩЕНИЯ НОМЕРНОГО ЗНАКА И ПЕРЕДНИХ/ЗАДНИХ СТОЯНОЧНЫХ ОГНЕЙ) - ХЭТЧБЭК

T8B15027.png
Показать иллюстрациюПеревод текста в иллюстрациях


а. ИНФОРМАЦИЯ О РАЗЪЁМЕ

№ РАЗЪЁМА
(№ И ЦВЕТ КОНТАКТА)
СОЕДИНИТЕЛЬНЫЙ ЖГУТ ПРОВОДОВ ПОЛОЖЕНИЕ РАЗЪЁМА
С102 (контакт 32, серый) Передняя часть кузова - блок предохранителей в моторном отсеке Блок предохранителей в моторном отсеке
C103 (контакт 32, коричневый) Передняя часть кузова - блок предохранителей в моторном отсеке Блок предохранителей в моторном отсеке
С201 (контакт 76, черный) Приборная панель - блок предохранителей на приборной панели Блок предохранителей на приборной панели
С203 (контакт 18, белый) Приборная панель - блок предохранителей на приборной панели Блок предохранителей на приборной панели
С208 (контакт 22, желтый) Передняя часть - приборная панель Передняя часть - контроллер КПП
С211 (контакт 15, желтый) Передняя часть - пол Под левой передней стойкой
С402 (контакт 8, белый) Задняя дверь - пол Под левой задней стойкой
С403 (контакт 4, белый) Задняя откидная дверь - удлинитель задней откидной двери Под задней дверью с левой стороны
G101 ПЕРЕДНЯЯ ЧАСТЬ За правой фарой
G102 ПЕРЕДНЯЯ ЧАСТЬ За левой фарой
G201 Приборная панель Верхний выключатель управления зеркалом
G401 Пол Верхняя левая панель задней полки
G402 Удлинитель задней откидной двери Мотор верхнего заднего стеклоочистителя
G403 Пол Верхняя правая панель задней полки

б. УСЛОВНОЕ ОБОЗНАЧЕНИЕ & И НАХОЖДЕНИЕ НОМЕРА КОНТАКТА

T8B1P028.png
Показать иллюстрациюПеревод текста в иллюстрациях


в. РАСПОЛОЖЕНИЕ РАЗЪЁМОВ И СОЕДИНЕНИЙ МАССЫ

S6B12001.png
Показать иллюстрациюПеревод текста в иллюстрациях


T8B12002.png
Показать иллюстрациюПеревод текста в иллюстрациях


T8B12004.png
Показать иллюстрациюПеревод текста в иллюстрациях


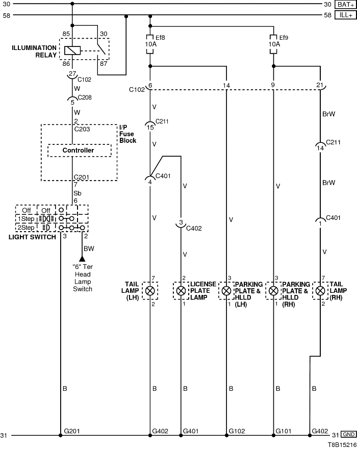
4) ЦЕПЬ ЛАМП (ОСВЕЩЕНИЯ НОМЕРНОГО ЗНАКА И ПЕРЕДНИХ/ЗАДНИХ СТОЯНОЧНЫХ ОГНЕЙ) - СЕДАН

T8B15216.png
Показать иллюстрациюПеревод текста в иллюстрациях


а. ИНФОРМАЦИЯ О РАЗЪЁМЕ

№ РАЗЪЁМА
(№ И ЦВЕТ КОНТАКТА)
СОЕДИНИТЕЛЬНЫЙ ЖГУТ ПРОВОДОВ ПОЛОЖЕНИЕ РАЗЪЁМА
С102 (контакт 32, серый) Передняя часть кузова - блок предохранителей в моторном отсеке Блок предохранителей в моторном отсеке
C103 (контакт 32, коричневый) Передняя часть кузова - блок предохранителей в моторном отсеке Блок предохранителей в моторном отсеке
С201 (контакт 76, черный) Приборная панель - блок предохранителей на приборной панели Блок предохранителей на приборной панели
С203 (контакт 18, белый) Приборная панель - блок предохранителей на приборной панели Блок предохранителей на приборной панели
С208 (контакт 22, желтый) Передняя часть - приборная панель Передняя часть - контроллер КПП
С211 (контакт 15, желтый) Передняя часть - пол Под левой передней стойкой
С401 (контакт 8, белый) Пол - багажник (седан) Позади обшивки левой колесной арки
С402 (контакт 6, белый) Крышка багажника - пол (седан) Под панелью задней полки
G101 ПЕРЕДНЯЯ ЧАСТЬ За правой фарой
G102 ПЕРЕДНЯЯ ЧАСТЬ За левой фарой
G201 Приборная панель Верхний выключатель управления зеркалом
G401 Пол Верхняя панель задней полки
G402 Багажник Центральная задняя панель багажника

б. УСЛОВНОЕ ОБОЗНАЧЕНИЕ & И НАХОЖДЕНИЕ НОМЕРА КОНТАКТА

T8B1P211.png
Показать иллюстрациюПеревод текста в иллюстрациях


в. РАСПОЛОЖЕНИЕ РАЗЪЁМОВ И СОЕДИНЕНИЙ МАССЫ

S6B12001.png
Показать иллюстрациюПеревод текста в иллюстрациях


T8B12002.png
Показать иллюстрациюПеревод текста в иллюстрациях


S6B12003.png
Показать иллюстрациюПеревод текста в иллюстрациях


На предыдущую страницу На следующую страницу


https://vnx.su/ 🛠 Руководства по ремонту и эксплуатации для автомобилей

Поиск по сайту

Остались вопросы или пожелания? Пишите на почту: support@vnx.su

Карта Сайта