К началу документа
Aveo
На предыдущую страницу На следующую страницу
Главная страница GMDE Загрузить нединамическое оглавление Загрузить динамическое оглавление Помощь




РАЗДЕЛ 3

ЭЛЕКТРИЧЕСКАЯ СХЕМА ИСТОЧНИКОВ ЭЛЕКТРОПИТАНИЯ



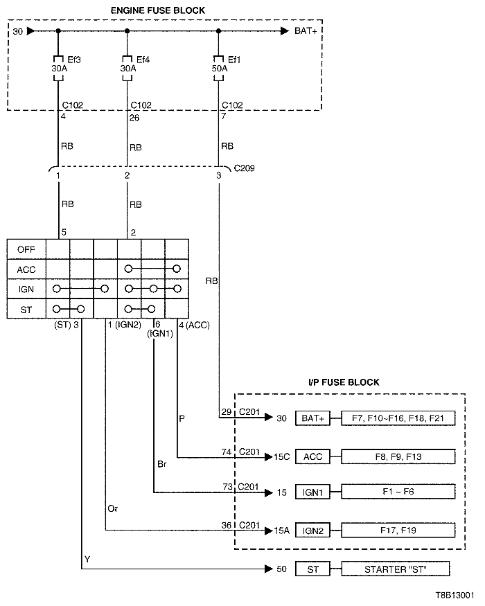
1. ЦЕПЬ ЗАМКА ЗАЖИГАНИЯ

T8B13001.png
Показать иллюстрациюПеревод текста в иллюстрациях


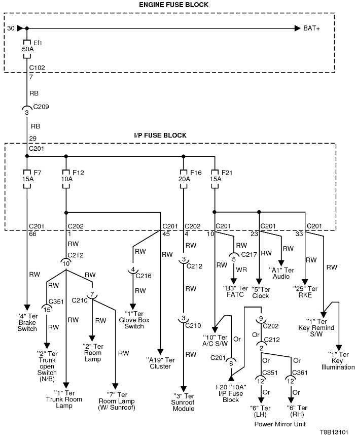
T8B13101.png
Показать иллюстрациюПеревод текста в иллюстрациях


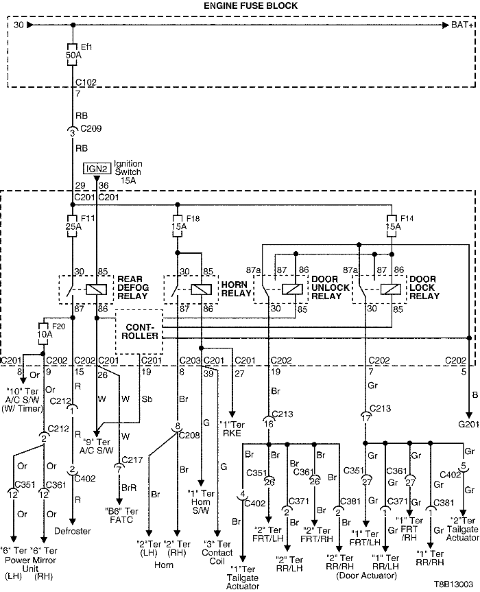
T8B13003.png
Показать иллюстрациюПеревод текста в иллюстрациях


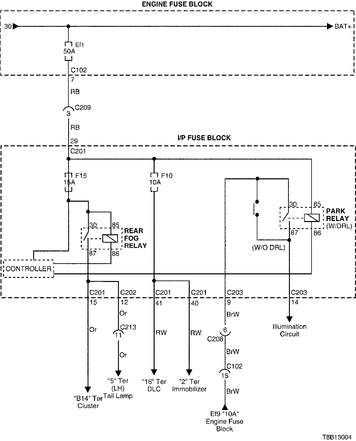
T8B13004.png
Показать иллюстрациюПеревод текста в иллюстрациях




2. ЦЕПЬ КОНТРОЛЛЕРА (БЛОК ПРЕДОХРАНИТЕЛЕЙ НА ПРИБОРНОЙ ПАНЕЛИ)

T8B13005.png
Показать иллюстрациюПеревод текста в иллюстрациях


T8B13006.png
Показать иллюстрациюПеревод текста в иллюстрациях




3. КЛЕММА 15 "IGN1", 15C "ACC", 15A "IGN2" ЦЕПИ ЭЛЕКТРОПИТАНИЯ (БЛОК ПРЕДОХРАНИТЕЛЕЙ НА ПРИБОРНОЙ ПАНЕЛИ)

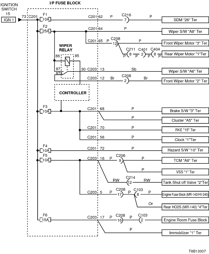
T8B13007.png
Показать иллюстрациюПеревод текста в иллюстрациях


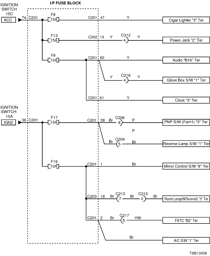
T8B13008.png
Показать иллюстрациюПеревод текста в иллюстрациях




4. ЦЕПЬ БЛОКА ПРЕДОХРАНИТЕЛЕЙ И РЕЛЕ В МОТОРНОМ ОТСЕКЕ

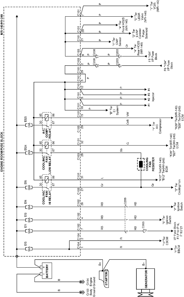
T8B13013.png
Показать иллюстрациюПеревод текста в иллюстрациях


T8B13102.png
Показать иллюстрациюПеревод текста в иллюстрациях


T8B13103.png
Показать иллюстрациюПеревод текста в иллюстрациях


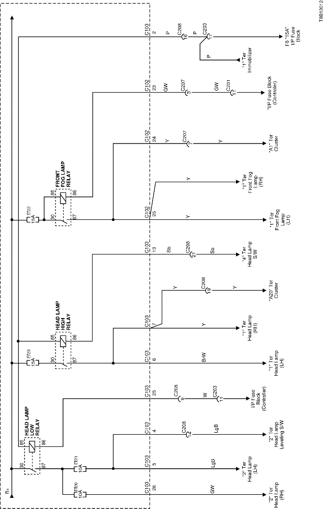
T8B13104.png
Показать иллюстрациюПеревод текста в иллюстрациях


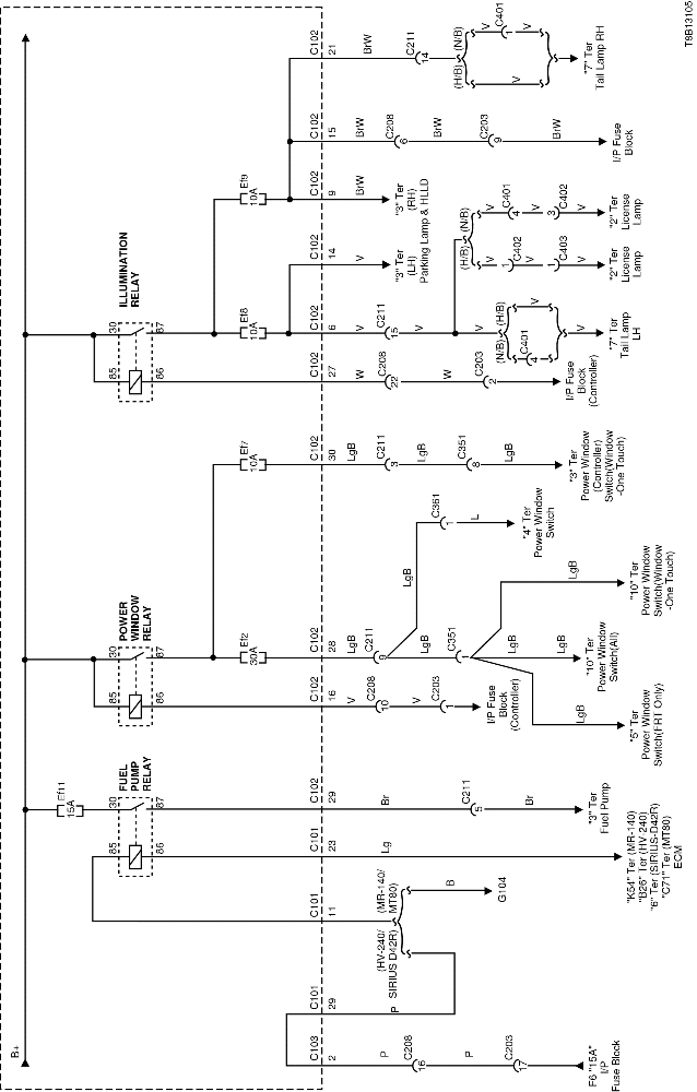
T8B13105.png
Показать иллюстрациюПеревод текста в иллюстрациях


T8B13012.png
Показать иллюстрациюПеревод текста в иллюстрациях


На предыдущую страницу На следующую страницу


https://vnx.su/ 🛠 Руководства по ремонту и эксплуатации для автомобилей

Поиск по сайту

Остались вопросы или пожелания? Пишите на почту: support@vnx.su

Карта Сайта