К началу документа
Tacuma
На предыдущую страницуНа следующую страницу
Главная страница GMDEЗагрузить нединамическое оглавлениеЗагрузить динамическое оглавлениеПомощь

РАЗДЕЛ 9H

СИДЕНЬЯ

Внимание! Отсоедините провод от отрицательного вывода аккумулятора, прежде чем снимать или устанавливать какие-либо электрические устройства, а также в ситуации, когда есть возможность касания оголенных электрических контактов каким-либо инструментом или приспособлением. Отсоединение этого провода позволяет избежать травм и повреждения оборудования автомобиля. Кроме того, если не указано иное, зажигание должно находиться в положении LOCK.

ОПИСАНИЕ И РАБОТА

СИДЕНЬЯ

Важно: Не следует пытаться изменить расчетное положение сиденья посредством изменения расчетных элементов панели, крепящих регулятор к полу, а также элементов рамы, крепящих регулятор к сиденью. Изменение положения сидений может негативно повлиять на работу системы сидений.

Данный автомобиль оборудован одноместными передними сиденьями с независимыми регулируемыми подголовниками и задним нераздельным сиденьем для трех пассажиров. Подушки и спинки сидений имеют штампованные пенопластовые подкладки, которые облегают контуры всей рамы спинки в сборе и профилированный контур рамы подушки. Передние одноместные сиденья имеют регулировку наклона. Сиденье водителя имеет регулировку высоты и в качестве опции поясничный подпор.

ПОЯСНИЧНЫЙ ПОДПОР

Регулируемый поясничный подпор является опцией. Ручка регулировки, расположенная сбоку переднего сиденья, позволяет регулировать поясничный подпор, создавая при желании дополнительную опору в нижней части спины.

ДИАГНОСТИЧЕСКАЯ ИНФОРМАЦИЯ И ПРОЦЕДУРЫ

Подогрев коврика

Не работает подогрев коврика

ШагОперацияЗначенияДаНет
1
Проверить подогрев коврика.
Работает ли подогрев коврика?
-
Система в норме
Перейдите на Шаг 2
2
Проверить предохранитель ef5(sirius-d4) или ef5, f15(mr-140 и itms-6f).
Перегорел ли предохранитель ef5(sirius-d4) или ef5, f15(mr-140 и itms-6f)?
-
Перейдите на Шаг 3
Перейдите на Шаг 4
3
  1. Проверьте на предмет короткого замыкания и при необходимости устраните его.
  2. Заменить предохранитель ef5(sirius-d4) или ef5, f15(mr-140 и itms-6f).
Ремонт закончен?
-
Система в норме
-
4
Демонтировать главное реле (реле зажигания) и временно задействовать хорошее реле, например, реле фары или реле освещения.
Действует ли главное реле с замененным реле?
-
Перейдите на Шаг 6
Перейдите на Шаг 5
5
  1. Установить заменявшее реле на место.
  2. Заменить неработающее главное реле (реле зажигания).
Ремонт закончен?
-
Система в норме
-
6
С помощью вольтметра проверить напряжение на выводе 5 каждого (с левой и правой стороны) выключателя подогрева коврика.
Показывает ли вольтметр напряжение, соответствующее указанному значению?
11~14 В
Перейдите на Шаг 8
Перейдите на Шаг 7
7
Устранить разрыв цепи между главным реле и выводом 5 выключателя подогрева коврика.
-
Система в норме
-
8
  1. Поверните ключ зажигания в положение on.
  2. Установить выключатель подогрева коврика во включенное положение.
  3. С помощью вольтметра проверить напряжение на выводе 2 каждого (с левой и правой стороны) выключателя подогрева коврика.
Показывает ли вольтметр напряжение, соответствующее указанному значению?
11~14 В
Перейдите на Шаг 10
Перейдите на Шаг 9
9
Заменить выключатель подогрева коврика.
Ремонт закончен?
-
Система в норме
-
10
  1. Поверните ключ зажигания в положение on.
  2. Установить выключатель подогрева коврика во включенное положение.
  3. С помощью вольтметра проверить напряжение на выводе 1 подогрева коврика.
Показывает ли вольтметр напряжение, соответствующее указанному значению?
11~14 В
Перейдите на Шаг 12
Перейдите на Шаг 11
11
Устранить разрыв цепи между выводом 2 выключателя подогрева коврика с левой или правой стороны и выводом 2 подогрева коврика с левой или правой стороны.
Ремонт закончен?
-
Система в норме
-
12
  1. Поверните ключ зажигания в положение on.
  2. Установить выключатель подогрева коврика во включенное положение.
  3. С помощью вольтметра проверить напряжение на выводе 1 подогрева коврика.
Показывает ли вольтметр напряжение, соответствующее указанному значению?
11~14 В
Перейдите на Шаг 14
Перейдите на Шаг 13
13
Заменить левый или правый коврик с подогревом.
Ремонт закончен?
-
Система в норме
-
14
Устранить разрыв цепи массы.
Ремонт закончен?
-
Система в норме
-

ИНСТРУКЦИИ ПО РЕМОНТУ

РАБОТЫ НА АВТОМОБИЛЕ



UAA9H010
Показать иллюстрациюПеревод текста в иллюстрациях


ПЕРЕДНЕЕ СИДЕНЬЕ

Процедура снятия и установки

  1. Отсоедините провод от отрицательного вывода аккумуляторной батареи.
  2. Снять пластмассовые колпачки, чтобы открыть доступ к болтам крепления задней части переднего сиденья к полу.
  3. Удалить болты.
  4. Замечания по установке
    Момент затяжки
    25 Н•м (18 lb-ft)

    Примечание: Непосредственный контакт разнородных металлов может привести к быстрой коррозии. Во избежание преждевременной коррозии используйте надлежащий крепеж.

  5. Отсоединить электрический разъем от сиденья водителя.
  6. Снять сиденье.
  7. Установка производится в порядке, обратном снятию.


UAA9H020
Показать иллюстрациюПеревод текста в иллюстрациях


СПИНКА ПЕРЕДНЕГО СИДЕНЬЯ

Процедура снятия и установки

  1. Снять переднее сиденье с автомобиля. См. «Передние сиденья» в этом разделе.
  2. Снять винты.
  3. Снять опору спинки переднего сиденья.


  4. UAA9H030
    Показать иллюстрациюПеревод текста в иллюстрациях


  5. Снять регулятор наклона.
  6. Снять винты.
  7. Снять внешний чехол переднего сиденья.


  8. UAA9H040
    Показать иллюстрациюПеревод текста в иллюстрациях


  9. Удалить болты.
  10. Замечания по установке
    Момент затяжки
    49 Н•м (36 lb-ft)

    Примечание: Непосредственный контакт разнородных металлов может привести к быстрой коррозии. Во избежание преждевременной коррозии используйте надлежащий крепеж.

  11. Удалить втулку.
  12. Снять колпачок регулятора.
  13. Снять спинку переднего сиденья.
  14. Установка производится в порядке, обратном снятию.


UAA9H050
Показать иллюстрациюПеревод текста в иллюстрациях


ПОДУШКА ПЕРЕДНЕГО СИДЕНЬЯ

Процедура снятия и установки

  1. Снять переднее сиденье с автомобиля. См. «Передние сиденья» в этом разделе.
  2. Удалить болты.
  3. Замечания по установке
    Момент затяжки
    24 Н•м (18 lb-ft)

    Примечание: Непосредственный контакт разнородных металлов может привести к быстрой коррозии. Во избежание преждевременной коррозии используйте надлежащий крепеж.

  4. Снять подушку переднего сиденья с направляющих сиденья.
  5. Установка производится в порядке, обратном снятию.


UAA9H060
Показать иллюстрациюПеревод текста в иллюстрациях


НАПРАВЛЯЮЩАЯ ПЕРЕДНЕГО СИДЕНЬЯ

Процедура снятия и установки

  1. Снять переднее сиденье с автомобиля. См. «Передние сиденья» в этом разделе.
  2. Снять спинку переднего сиденья. См. "Спинка переднего сиденья" в этом разделе.
  3. Снять подушку переднего сиденья. См. "Подушка переднего сиденья" в этом разделе.
  4. Снять винты.
  5. Снять крышку с направляющей.
  6. Снять направляющую переднего сиденья.
  7. Установка производится в порядке, обратном снятию.


UAA9H070
Показать иллюстрациюПеревод текста в иллюстрациях


ПОДУШКА ЗАДНЕГО СИДЕНЬЯ

Процедура снятия и установки

  1. Снимите заднее сиденье.


  2. UAA9H080
    Показать иллюстрациюПеревод текста в иллюстрациях


  3. Удалить болты.
  4. Замечания по установке
    Момент затяжки
    45 Н•м (36 lb-ft)

    Примечание: Непосредственный контакт разнородных металлов может привести к быстрой коррозии. Во избежание преждевременной коррозии используйте надлежащий крепеж.

  5. Снимите подушку заднего сиденья.
  6. Установка производится в порядке, обратном снятию.


C309H007
Показать иллюстрациюПеревод текста в иллюстрациях


ЧЕХЛЫ СИДЕНИЙ

Процедура снятия и установки

  1. Снять спинку сиденья и/или подушку. См. "Подушка переднего сиденья". "Спинка переднего сиденья" в этом разделе.
  2. Извлечь пружинные кольца из спинки сиденья и/или из подушки.
  3. Снять чехол со спинки сиденья и/или подушки.
  4. Установка производится в порядке, обратном снятию.


UAA9H090
Показать иллюстрациюПеревод текста в иллюстрациях


ВЫКЛЮЧАТЕЛЬ КОВРИКОВ С ПОДОГРЕВОМ

Процедура снятия и установки

  1. Отсоедините провод от отрицательного вывода аккумуляторной батареи.
  2. Снять крышку выключателя ковриков с подогревом.
  3. Отсоединить электрический разъем выключателя ковриков с подогревом.
  4. Установка производится в порядке, обратном снятию.


V5B39H03
Показать иллюстрациюПеревод текста в иллюстрациях


Подогрев коврика

(показана подушка сиденья, спинка такая же)

Внимание! Если поролон подушки или спинки сиденья повредился во время демонтажа подогревающего элемента, заменить подушку сиденья или спинку для предотвращения телесных повреждений.

Процедура снятия

  1. Отсоедините провод от отрицательного вывода аккумуляторной батареи.
  2. Отсоединить жгут проводов подушки безопасности и подогрева коврика.
  3. Снять спинку сиденья и/или подушку. См. "Подушка переднего сиденья". "Спинка переднего сиденья" в этом разделе.
  4. Извлечь пружинные кольца из спинки сиденья и/или из подушки.
  5. Снять чехол со спинки сиденья и/или с подушки.
  6. Удалить коврик с подогревом с подушки.


V5B39H03
Показать иллюстрациюПеревод текста в иллюстрациях


Процедура установки

  1. Установить коврик с подогревом.
  2. Одеть чехол на спинку сиденья и/или на подушку с помощью новых пружинных колец.
  3. Установить спинку и/или подушку сиденья. См. "Подушка переднего сиденья". "Спинка переднего сиденья" в этом разделе.
  4. Присоединить жгут проводов подушки безопасности и подогрева коврика.
  5. Присоедините провод к отрицательному выводу аккумуляторной батареи.

ТЕХНИЧЕСКИЕ ХАРАКТЕРИСТИКИ

МОМЕНТЫ ЗАТЯЖКИ РЕЗЬБОВЫХ СОЕДИНЕНИЙ

ПРОГРАММА
n•m
фунт-фут
фунт-дюйм
Болты передних сидений
49
36
-
Болты подушек передних сидений
24
18
-
Болты подушки заднего сиденья
45
33
-
Болты крепления сиденья к полу
25
18
35

ПРИНЦИПИАЛЬНЫЕ И МОНТАЖНЫЕ СХЕМЫ

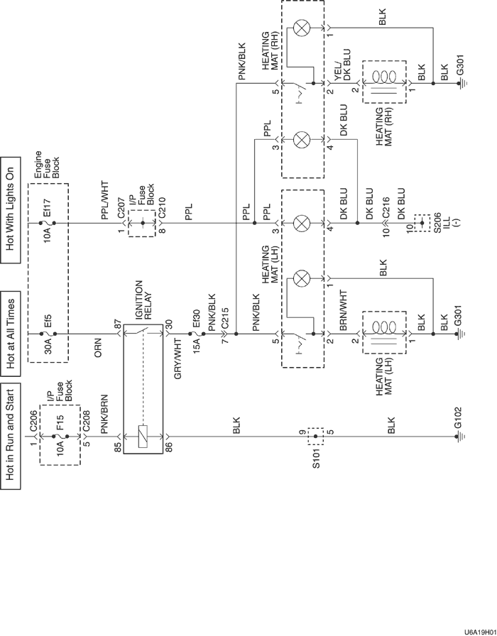
ПРОВОДКА ПОДОГРЕВА КОВРИКОВ (mr-140 и itms-6f)


U6A19H01
Показать иллюстрациюПеревод текста в иллюстрациях


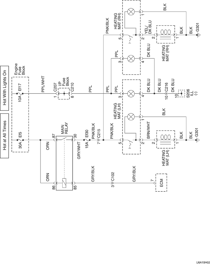
ПРОВОДКА ПОДОГРЕВА КОВРИКОВ (sirius-d4, sirius-d42)


U6A19H02
Показать иллюстрациюПеревод текста в иллюстрациях


СПЕЦИАЛЬНЫЕ ИНСТРУМЕНТЫ И ОБОРУДОВАНИЕ

ТАБЛИЦА СПЕЦИАЛЬНЫХ ИНСТРУМЕНТОВ


A109G029
Показать иллюстрациюПеревод текста в иллюстрациях


Съемник обивки km-475-b


На предыдущую страницуНа следующую страницу
https://vnx.su/ 🛠 Руководства по ремонту и эксплуатации для автомобилей

Поиск по сайту

Остались вопросы или пожелания? Пишите на почту: support@vnx.su

Карта Сайта