К началу документа
Tacuma
На предыдущую страницуНа следующую страницу
Главная страница GMDEЗагрузить нединамическое оглавлениеЗагрузить динамическое оглавлениеПомощь

РАЗДЕЛ 5A

ПРИНЦИПИАЛЬНЫЕ И МОНТАЖНЫЕ СХЕМЫ

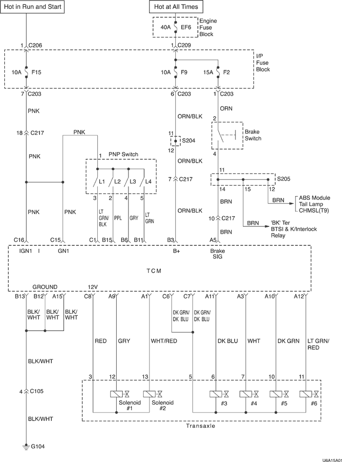
КОНТРОЛЛЕР КПП

2,0 л dohc (delphi, 32 бита) (1 из 2)


U6A15A01
Показать иллюстрациюПеревод текста в иллюстрациях


2,0 л dohc (delphi, 32 бита) (2 из 2)


U5A15A02
Показать иллюстрациюПеревод текста в иллюстрациях


СХЕМА РЕЖИМОВ ПЕРЕКЛЮЧЕНИЯ

Экономичный режим (2,0 л dohc eobd)


UAA5A4N0
Показать иллюстрациюПеревод текста в иллюстрациях


Блокирующая муфта включена (экономичный режим; третья передача, четвертая передача) (2,0 л dohc eobd)


UAA5A4P0
Показать иллюстрациюПеревод текста в иллюстрациях


Режим power (2,0 л dohc eobd)


UAA5A4Q0
Показать иллюстрациюПеревод текста в иллюстрациях


Режим hold (2,0 л dohc eobd)


UUA5A4R0
Показать иллюстрациюПеревод текста в иллюстрациях


СХЕМА ПЕРЕДАЧИ МОЩНОСТИ

Парковка/ нейтраль


UAA5A3M0
Показать иллюстрациюПеревод текста в иллюстрациях


Парковка/ нейтраль

В положении парковки и нейтрали двигатель работает. И планетарная передача не подключена. Давление в трубопроводе (от масляного насоса) действует на корпус клапана. Включена только муфта В, а гидротрансформатор выключен.

Управление

Клапан контроля давления в трубопроводе

Клапан-регулятор давления поддерживает магистральное давление в клапанном механизме на необходимом уровне. Вне переключения передач давление в трубопроводе варьируется между двумя уровнями в зависимости от вращающего момента турбины. Со временем давление в трубопроводе увеличивается линейно. Однако увеличение продолжается до определённого предела. Когда давление достигает этой точки, масло сливается в масляный поддон.

Редукционный клапан

Редукционный клапан сокращает давление в трубопроводе, которое подаётся на электромагнитный клапан нагнетательного потока и электромагнитный клапан регулировки давления (EDS). В результате можно использовать меньшие электромагнитные клапаны.
Давление в трубопроводе идет от потока масляного насоса на одиннадцатый золотник редукционного клапана и давит на четырнадцатый золотник редукционного клапана через двенадцатый золотник. В результате этого одиннадцатый золотник блокируется. Таким образом давление в трубопроводе поддерживается на необходимом уровне.

Электромагнитный клапан 1, 2

Соленоид 1 контролирует высокое и низкое давление в трубопроводе (поток к каждому клапану муфты) операцией включения/выключения, т.е. если соленоид 1 включен, давление в трубопроводе низкое (6~8 бар), если соленоид 1 выключен, давление в трубопроводе высокое (16~18 бар).
Клапан 2 управляет давлением на клапане муфты E, или блокировочной муфты.
Контроллер КПП отслеживает состояние нескольких входных сигналов и включает или выключает электромагнитные клапаны и выбирает передачи в соответствии с режимом движения автомобиля.
Если рычаг переключения передач находится в положении "Парковка" или "Нейтраль", электромагнитный клапан 1 включен и магистральное давление подается через него на предохранительный и регулирующий клапаны.
Если соленоид 1 включен, давление в трубопроводе будет поддерживаться на более низком уровне по сравнению в выключенным соленоидом 1.

Муфта В включена

В положении парковки и нейтрали электромагнитные клапаны 1, 2 включены и EDS4, 6 включены.
Так как EDS 6 включен, масло, подаваемое от редукционного клапана, идет на шестьдесят второй золотник предохранительного клапана через шестидесятый канал EDS и на клапан муфты В, входной канал обратного клапана В через шестьдесят третий золотник предохранительного клапана.
Масло, подаваемое на входной канал (64) клапана муфты, сжимает золотник клапана. В результате давление в трубопроводе идет на канал 102 через канал 101.
Таким же образом включается муфта В, шаровой клапан фиксируется в направлении тормоза D.
Масло, подаваемое на канал 102, соединяется с каналом 103, каналом 104 (золотник клапана муфты).
Масло давит на вышеуказанный золотник, в результате муфта В отключается.

Блокирующая муфта

Электромагнитный клапан 2 включен, золотник клапана регулировки давления в трубопроводе сжат, поток идет к каналу 131 через канал 130 клапана регулировки давления гидротрансформатора.
В результате давление рабочей жидкости в зоне за поршнем блокировочной муфты гидротрансформатора равно давлению в зоне турбины. Поток проходит к камере турбины через вал турбины и свободное пространство позади поршня. Смазка, охлаждение.
Смазывающий клапан в случае низкой скорости нагнетания подаёт охлаждающее масло в первую очередь в гидротрансформатор. Кроме того, этот клапан обеспечивает поступление необходимого количества охлаждающего и смазывающего масла через обводной контур.
Масло, подаваемое от гидротрансформатора, идет на канал 135 через каналы 133, 134 и идет на радиатор через смазочный клапан.

Задняя


UAA5A3N0
Показать иллюстрациюПеревод текста в иллюстрациях


Задняя

На заднем ходу привод коробки передач идет через первичный вал и муфту В. Элементы коробки передач работают следующим образом.

Управление

Муфта В (остается)

Давление в трубопроводе, подаваемое масляным насосом, включается напрямую. В этот раз изменяется место шарового клапана.

Тормоз d включен

Давление в трубопроводе, включающее муфту В, ожидает на канале 91 клапана муфты D.
На заднем ходу соленоид включается, a EDS 4 отключается. Так масло, подаваемое на редукционный клапан, идет на канал 42 клапана муфты D через каналы 40, 41 EDS 4.
Золотник клапана муфты сжат до низкого давления. Так, давление в трубопроводе идет на канал 95 через каналы 93, 94. Как правило, золотник клапана давит во встречную сторону.

Блокирующая муфта

Электромагнитный клапан 2 включен, золотник клапана регулировки давления в трубопроводе сжат, поток идет к каналу 131 через канал 130 клапана регулировки давления гидротрансформатора.
В результате давление рабочей жидкости в зоне за поршнем блокировочной муфты гидротрансформатора равно давлению в зоне турбины. Поток проходит к камере турбины через вал турбины и свободное пространство позади поршня.

Смазка, охлаждение

Смазывающий клапан в случае низкой скорости нагнетания подаёт охлаждающее масло в первую очередь в гидротрансформатор. Кроме того, этот клапан обеспечивает поступление необходимого количества охлаждающего и смазывающего масла через обводной контур.
Масло, подаваемое от гидротрансформатора, идет на канал 135 через каналы 133, 134 и идет на радиатор через смазочный клапан

Передачи переднего хода - Первая передача


UAA5A3P0
Показать иллюстрациюПеревод текста в иллюстрациях


Передачи переднего хода - Первая передача

На переднем ходу 1 привод коробки передач идет через первичный вал к муфте В. Элементы коробки передач работают следующим образом:

Управление

Муфта В включена

В положении парковки и нейтрали электромагнитный клапан 1, 2 включен и EDS4, 6 включены. Так как EDS 6 включен, масло, подаваемое от редукционного клапана, идет на шестьдесят второй золотник предохранительного клапана через шестидесятый канал EDS и на клапан муфты В, входной канал обратного клапана В через шестьдесят третий золотник предохранительного клапана.
Масло, подаваемое на входной канал (64) клапана муфты, давит на золотник клапана. В результате давление в трубопроводе идет на канал 102 через канал 101.
Таким же образом включается муфта В, шаровой клапан фиксируется в направлении тормоза D.
Масло, подаваемое на канал 102, соединяется с каналом 103, каналом 104 (золотник клапана муфты).
Масло давит на вышеуказанный золотник, в результате муфта В отключается.

Муфта f включена

EDS 5 включен. Давление в трубопроводе, прошедшее через редукционный клапан, идет на канал 52 обратного клапана, каналы 55, 56 верхнего входного канала клапана муфты. В результате золотник клапана сжимается.

Блокирующая муфта

Электромагнитный клапан 2 включен, золотник клапана регулировки давления в трубопроводе сжат, поток идет к каналу 131 через канал 130 клапана регулировки давления гидротрансформатора.
В результате давление рабочей жидкости в зоне за поршнем блокировочной муфты гидротрансформатора равно давлению в зоне турбины. Поток проходит к камере турбины через вал турбины и свободное пространство позади поршня.

Смазка, охлаждение

Смазывающий клапан в случае низкой скорости нагнетания подаёт охлаждающее масло в первую очередь в гидротрансформатор. Кроме того, этот клапан обеспечивает поступление необходимого количества охлаждающего и смазывающего масла через обводной контур.
Масло, подаваемое от гидротрансформатора, идет на канал 135 через каналы 133, 134 и идет на радиатор через смазочный клапан

Передачи переднего хода - Вторая передача


UAA5A3Q0
Показать иллюстрациюПеревод текста в иллюстрациях


Передачи переднего хода - Вторая передача

На переднем ходу 2 привод коробки передач идет через первичный вал и муфту В. Элементы коробки передач работают следующим образом:

Управление

Муфта Е включена

Соленоид 2 выключен. Давление в трубопроводе, подаваемое от канала 12 редукционного клапана, идет на верхний впускной канал (канал 34, 35, 36) клапана муфты Е. Давление в трубопроводе соединяется с каналом 72.
В результате этого включается муфта Е.

Муфта f включена

EDS 5 включен. Давление в трубопроводе, прошедшее через редукционный клапан, идет на канал 52 обратного клапана, каналы 55, 56 верхнего входного канала клапана муфты. В результате золотник клапана сжимается.

Блокирующая муфта

Электромагнитный клапан 2 включен, золотник клапана регулировки давления в трубопроводе сжат, поток идет к каналу 131 через канал 130 клапана регулировки давления гидротрансформатора.
В результате давление рабочей жидкости в зоне за поршнем блокировочной муфты гидротрансформатора равно давлению в зоне турбины. Поток проходит к камере турбины через вал турбины и свободное пространство позади поршня.

Смазка, охлаждение

Смазывающий клапан в случае низкой скорости нагнетания подаёт охлаждающее масло в первую очередь в гидротрансформатор. Кроме того, этот клапан обеспечивает поступление необходимого количества охлаждающего и смазывающего масла через обводной контур.
Масло, подаваемое от гидротрансформатора, идет на канал 135 через каналы 133, 134 и идет на радиатор через смазочный клапан

Передачи переднего хода - Третья передача


UAA5A3R0
Показать иллюстрациюПеревод текста в иллюстрациях


Передачи переднего хода - Третья передача

На переднем ходу 3 привод коробки передач идет через первичный вал к муфте В, Е. Элементы коробки передач работают следующим образом:

Управление

Муфта В включена

В положении парковки и нейтрали электромагнитные клапаны 1, 2 включены и EDS 4, 6 включены.
Так как EDS 6 включен, масло, подаваемое от редукционного клапана, идет на шестьдесят второй золотник предохранительного клапана через шестидесятый канал EDS и на клапан муфты В, входной канал обратного клапана В через шестьдесят третий золотник предохранительного клапана.
Масло, подаваемое на входной канал (64) клапана муфты, сжимает золотник клапана. В результате давление в трубопроводе идет на канал 102 через канал 101.
Таким же образом включается муфта В, шаровой клапан фиксируется в направлении тормоза D.
Масло, подаваемое на канал 102, соединяется с каналом 103, каналом 104 (золотник клапана муфты).
Масло давит на вышеуказанный золотник, в результате муфта В отключается.

Блокирующая муфта

Электромагнитный клапан 2 включен, золотник клапана регулировки давления в трубопроводе сжат, поток идет к каналу 131 через канал 130 клапана регулировки давления гидротрансформатора.
В результате давление рабочей жидкости в зоне за поршнем блокировочной муфты гидротрансформатора равно давлению в зоне турбины. Поток проходит к камере турбины через вал турбины и свободное пространство позади поршня.

Передачи переднего хода - четвёртая передача


UAA5A3S0
Показать иллюстрациюПеревод текста в иллюстрациях


Передачи переднего хода - четвёртая передача

На переднем ходу 4 привод коробки передач идет через первичный вал к муфте Е, С. Элементы коробки передач работают следующим образом: гидротрансформатор работает без проскальзывания.

Управление

Муфта Е включена

Соленоид 2 выключен. Давление в трубопроводе, подаваемое от канала 12 редукционного клапана, идет на верхний впускной канал (канал 34, 35, 36) клапана муфты Е. Давление в трубопроводе соединяется с каналом 72.
В результате этого включается муфта Е.
Включена муфта С

eds 4 отключен. Уровень масла высокий.

Давление в трубопроводе идет на канал 44 предохранительного клапана через каналы 40, 41, 42, 43.
Золотники клапана муфты D, обратный клапан D сжаты до низкого давления.
Масло, подаваемое на предохранительный клапан, идет на каналы 46, 47 обратного клапана С через канал 45.

Блокирующая муфта

Электромагнитный клапан 2 включен, золотник клапана регулировки давления в трубопроводе сжат, поток идет к каналу 131 через канал 130 клапана регулировки давления гидротрансформатора.
В результате давление рабочей жидкости в зоне за поршнем блокировочной муфты гидротрансформатора равно давлению в зоне турбины. Поток проходит к камере турбины через вал турбины и свободное пространство позади поршня.

Передачи переднего хода - четвёртая передача; аварийный режим/режим замещения


UAA5A3T0
Показать иллюстрациюПеревод текста в иллюстрациях


Передачи переднего хода - четвёртая передача; аварийный режим/режим замещения

На переднем ходу 4 привод коробки передач идет через первичный вал к муфте Е. Элементы коробки передач работают следующим образом: гидротрансформатор работает без проскальзывания.

Управление

Муфта Е включена

Соленоид 2 выключен. Давление в трубопроводе, подаваемое от канала 12 редукционного клапана, идет на верхний впускной канал (канал 34, 35, 36) клапана муфты Е.
Давление в трубопроводе соединяется с каналом 72. В результате этого включается муфта Е.

Включена муфта С

EDS 4 отключен. Уровень масла высокий.
Давление в трубопроводе идет на канал 44 предохранительного клапана через каналы 40, 41, 42, 43.
Золотники клапана муфты D, обратный клапан D сжаты до низкого давления.
Масло, подаваемое на предохранительный клапан, идет на каналы 46, 47 обратного клапана С через канал 45.

Передачи переднего хода - Третья передача; аварийный/ замещающий режим


UAA5A3U0
Показать иллюстрациюПеревод текста в иллюстрациях


Передачи переднего хода - Третья передача; аварийный/ замещающий режим

На переднем ходу 3 привод коробки передач идет через первичный вал к муфте В, Е. Элементы коробки передач работают следующим образом:

Управление

Муфта В включена

В положении парковки и нейтрали электромагнитный клапан 1, 2 включен и EDS4, 6 включены. Так как EDS 6 включен, масло, подаваемое от редукционного клапана, идет на шестьдесят второй золотник предохранительного клапана через шестидесятый канал EDS и на клапан муфты В, входной канал обратного клапана В через шестьдесят третий золотник предохранительного клапана.
Масло, подаваемое на входной канал (64) клапана муфты, сжимает золотник клапана. В результате давление в трубопроводе идет на канал 102 через канал 101.
Таким же образом включается муфта В, шаровой клапан фиксируется в направлении тормоза D.
Масло, подаваемое на канал 102, соединяется с каналом 103, каналом 104 (золотник клапана муфты).
Масло давит на вышеуказанный золотник, в результате муфта В отключается.

СПЕЦИАЛЬНЫЕ ИНСТРУМЕНТЫ И ОБОРУДОВАНИЕ

ТАБЛИЦА СПЕЦИАЛЬНЫХ ИНСТРУМЕНТОВ


UAA5A3V0
Показать иллюстрациюПеревод текста в иллюстрациях


Диагностический прибор

UAA5A3W0
Показать иллюстрациюПеревод текста в иллюстрациях


dw110-060 Кронштейн для подвески двигателя

UAA5A3X0
Показать иллюстрациюПеревод текста в иллюстрациях


dw260-020 Зажимное приспособление коробки передач с главной передачей в сборе

UAA5A3Y0
Показать иллюстрациюПеревод текста в иллюстрациях


dw260-010 Опора для коробки передач

UAA5A3Z0
Показать иллюстрациюПеревод текста в иллюстрациях


Приспособление для установки уплотнения моста dw260-030

UAA5A4B0
Показать иллюстрациюПеревод текста в иллюстрациях


dw 260-050 Приспособление для установки переключателя положения парковка/нейтраль

UAA5A4C0
Показать иллюстрациюПеревод текста в иллюстрациях


dw260-060 Приспособление для снятия/установки разрезного стопорного кольца тормоза f

UAA5A4D0
Показать иллюстрациюПеревод текста в иллюстрациях


dw 260-070 Приспособление для снятия/установки пробки жидкости коробки передач с главной передачей в сборе

UAA5A4E0
Показать иллюстрациюПеревод текста в иллюстрациях


dw 240-010-6 Универсальный манометр

UAA5A4E0
Показать иллюстрациюПеревод текста в иллюстрациях


dw 260-150 Приспособление для снятия/установки стопорного кольца фрикционной муфты e

UAA5A4G0
Показать иллюстрациюПеревод текста в иллюстрациях


Приспособление dw260-140 для снятия/установки стопорного кольца фрикционной муфты b

UAA5A4H0
Показать иллюстрациюПеревод текста в иллюстрациях


Приспособление dw260-160 для снятия/установки стопорного кольца тормоза c/d

UAA5A4J0
Показать иллюстрациюПеревод текста в иллюстрациях


Измерительное приспособление dw260-080 для установки регулировочной прокладки фрикционной муфты b/e

UAA5A4U0
Показать иллюстрациюПеревод текста в иллюстрациях


dw 260-120 Регулировочное кольцо фрикционной муфты В

UAA5A4T0
Показать иллюстрациюПеревод текста в иллюстрациях


dw 260-130 Регулировочное кольцо фрикционной муфты e

UAA5A5B0
Показать иллюстрациюПеревод текста в иллюстрациях


dw 260-100 Приспособление для измерения толщины диска муфты b/e

UAA5A5A0
Показать иллюстрациюПеревод текста в иллюстрациях


Приспособление dw260-090 для измерения фрикционной муфты b/e (свободный ход стопорных колец, посадочное место)

UAA5A5C0
Показать иллюстрациюПеревод текста в иллюстрациях


Приспособление dw 260-110 для измерения зазора диска тормоза f.


На предыдущую страницуНа следующую страницу
https://vnx.su/ 🛠 Руководства по ремонту и эксплуатации для автомобилей

Поиск по сайту

Остались вопросы или пожелания? Пишите на почту: support@vnx.su

Карта Сайта