К началу документа
Tacuma-Rezzo
На предыдущую страницуНа следующую страницу
Главная страница GMDEЗагрузить нединамическое оглавлениеЗагрузить динамическое оглавлениеПомощь

РАЗДЕЛ 1C2

МЕХАНИЧЕСКАЯ ЧАСТЬ ДВИГАТЕЛЯ С ДВУМЯ РАСПРЕДВАЛАМИ ВЕРХНЕГО РАСПОЛОЖЕНИЯ (DOHC) 2.0 л

Внимание! Отключите отрицательный кабель батаре перед снятием или установкой любых электрических узлов или при возможном контакте инструментов или оборудования с оголенными электрическими клеммами. Отключение кабеля поможет избежать травм и механических поврежений. Зажигание должно быть заблокировано, если не указано иное.

ОПИСАНИЕ И УПРАВЛЕНИЕ

ГОЛОВКА ЦИЛИНДРОВ И ПРОКЛАДКА

Головка цилиндров сделана из алюминиевого сплава. Головка цилиндров имеет каналы впуска и выпуска по разные стороны. Свеча зажигания расположена по центру каждой камеры сгорания. Головка цилиндров заключает в себе двойные распредвалы.

КОЛЕНЧАТЫЙ ВАЛ

Коленвал имеет восемь встроенные противовесы, отлитые вместе с ним для балансировки. Смазочные отверстия проходят через центр коленчатого вала и подают масло на шатуны, подшипники, поршни и другие детали. Осевая нагрузка воспринимается упорными шайбами, установленными на центральной шейке.

ЗУБЧАТЫЙ РЕМЕНЬ ПРИВОДА

Приводной ремень газораспределительного механизма координирует вращение коленчатого вала и двойных коленчатых валов верхнего расположения и синхронизирует их. Приводной ремень газораспределительного механизма также вращает насос охлаждающей жидкости. Приводной ремень газораспределительного механизма и шкивы имеют зубья, таким образом, между ними не допускается проскальзывание. Имеется два холостых шкива. Автоматический натяжитель обеспечивает правильное натяжение приводного ремня газораспределительного механизма. Приводной ремень газораспределительного механизма выполнен из прочной армированной резины, сходной с резиной, используемой для изгибающегося приводного ремня. Приводному ремню газораспределительного механизма не требуется смазка.

МАСЛЯНЫЙ НАСОС

Масляный насос закачивает моторное масло из масляного поддона и подает его под давлением на разные части двигателя. Масляный фильтр установлен перед впуском в масляный насос, чтобы удалять загрязнения, которые могут забить или повредить масляный насос или другие компоненты двигателя. При вращении коленчатого вала вращается ведомая шестерня масляного насоса. Это заставляет промежуток между шестернями постоянно сужаться и открываться, засасывая масло из масляного поддона, когда промежуток открывается, и качая масло в двигатель, когда он сужается.
На высоких скоростях двигателя масляный насос подает гораздо большее количество масла, чем необходимо для смазки двигателя. Регулятор давления масла предотвращает поступление избыточного количества масла в смазочные каналы двигателя. При нормальной подаче масла пружина катушки и клапан удерживают перепуск закрытым, направляя все масло в двигатель. При увеличении объема перекачиваемого масла давление возрастает до уровня, достаточного для преодоления силы пружины. Это открывает клапан регулировки давления масла, позволяя маслу протекать через клапан и сливаться назад в масляный поддон.

МАСЛЯНЫЙ ПОДДОН

Масляный поддон установлен внизу под блоком цилиндров. В масляном поддоне размещается картер, масляный поддон выполнен из алюминиевого сплава.
Моторное масло перекачивается из масляного поддона при помощи масляного насоса. После прохождения масляного фильтра, оно подается по двум путям для смазки блока цилиндров и головки цилиндров. По одному пути масло перекачивается через смазочные каналы в коленчатом вале на шатуны, а затем на поршни и цилиндры. Затем оно сливается назад в масляный поддон. По второму пути масло перекачивается через смазочные каналы к коленчатому валу. Масло проходит через внутренние каналы в распределительных валах для смазки блоков клапанов перед сливом назад в масляный поддон.

ВЫПУСКНОЙ КОЛЛЕКТОР

С этим двигателем применяется единственный коллектор с четырьмя отверстиями и направленным назад отводом отработавших газов. Коллектор спроектирован для прямого выпуска отработавших газов из камеры сгорания с минимальным противодавлением. Датчик кислорода смонтирован на выпускном коллекторе.

ВПУСКНОЙ КОЛЛЕКТОР

Впускной коллектор имеет четыре независимых отверстия и использует динамический наддувной эффект для увеличения крутящего момента на низких и средних скоростях.

РАСПРЕДЕЛИТЕЛЬНЫЕ ВАЛЫ

Двигатель типа DOHC (два распределительных вала с верхним расположением), что означает наличие двух распредвалов. Один распределительный вал управляет впускными клапанами, другой распределительный вал управляет выпускными клапанами. Распределительные валы посажены на шейки на верху двигателя (в головке цилиндров) и удерживаются на месте головками распределительного вала. Шейки распределительных валов головки цилиндров высверлены для создания смазочных каналов. Моторное масло под давлением поступает на распределительные валы, где оно смазывает каждую шейку распределительного вала. Масло возвращается в масляный поддон через сливные отверстия в головке цилиндров. Кулачки распределительного вала объединены в единый распределительный вал, чтобы открывать и закрывать впускные и выпускные клапаны для подачи правильного количества масла в правильное время. Кулачки распределительного вала омываются впрысками масла под давлением из шеек распределительных валов.

КЛАПАН РЕЦИРКУЛЯЦИИ ОТРАБОТАВШИХ ГАЗОВ

Система рециркуляции отработавших газов (EGR) используется для снижения содержания окиси азота (NOX) в выбрасываемых вредных веществах, образуемой вследствие высокой температуры сгорания. Основным элементом системы является клапан рециркуляции отработавших газов (EGR), приводимый в работу
Клапан EGR подает небольшие количества отработавших газов во впускной коллектор, чтобы понизить температуру сгорания. Количество рециркулируемого отработавшего газа контролируется изменением противодавления в вакууме и на выходе газов При поступлении излишнего количества отработавших газов сгорание не происходит. По этой причине для прохождения через этот клапан впускается совсем небольшое количество отработавших газов, особенно на холостом ходу.
Клапан рециркуляции выхлопных газов обычно открыт в следующих случаях:

РАСПОЛОЖЕНИЕ КОМПОНЕНТОВ

ВЕРХНЯЯ ЧАСТЬ


UAA1C010
Показать иллюстрациюПеревод текста в иллюстрациях


  1. Крышка свечей зажигания
  2. Масло - крышка
  3. Прокладка колпачка масленки
  4. Винт
  5. Винт
  6. Крышка клапанного механизма
  7. Прокладка крышки клапанного механизма
  8. Прокладка
  9. Гидравлический регулятор клапанного зазора
  10. Клин клапана
  11. Пружинодержатель клапана
  12. Пружина клапана
  13. Уплотнитель штока клапана
  14. Гнездо пружины клапана
  15. Направляющая клапана
  16. Гнездо пружины клапана
  17. Впускной клапан
  18. Выпускной клапан
  19. Резьбовая шпилька
  20. Прокладка выпускного коллектора
  21. Выпускной коллектор
  22. Гайка
  23. Теплоизоляционный щиток выпускного коллектора
  24. Винт
  25. Кронштейн датчика кислорода
  26. Датчик кислорода
  27. Зажим
  28. Резьбовая шпилька
  29. Гайка
  30. Винт
  31. Корпус термостата
  32. Сальник корпуса термостата
  33. Уплотнение адаптера термостата
  34. Адаптер термостата
  35. Винт
  36. Винт
  37. Гайка
  38. Шестерня распределительного вала
  39. Уплотнение распределительного вала
  40. Распределительный вал
  41. Заглушка
  42. Заглушка
  43. Заглушка
  44. Передняя головка распределительного вала
  45. Винт
  46. Средняя головка распределительного вала
  47. Головка цилиндров
  48. Кронштейн впускного коллектора
  49. Впускной коллектор
  50. Вакуумный соединитель
  51. Винт
  52. Проводка датчика МАР
  53. Датчик МАР
  54. Прокладка впускного коллектора
  55. Прокладка корпуса дроссельной заслонки
  56. Гайка
  57. Двигатель iacu
  58. Винт
  59. Датчик ТР
  60. Корпус дроссельной заслонки
  61. Гайка

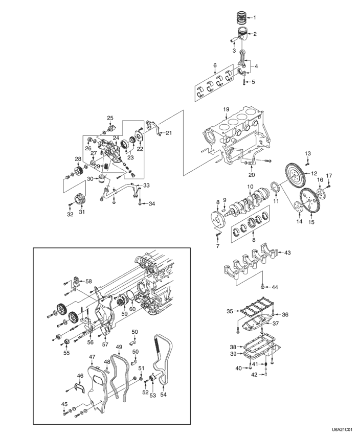
НИЖНЯЯ ЧАСТЬ


U6A21C01
Показать иллюстрациюПеревод текста в иллюстрациях


  1. Комплект поршневых колец
  2. Поршень
  3. Поршневой палец
  4. Шатун
  5. Винт
  6. Комплект шатунных подшипников
  7. Винт
  8. Диск датчика
  9. Сегментная шпонка
  10. Коленчатый вал
  11. Уплотнительное кольцо вала
  12. Маховик (ручная коробка передач с главной передачей в сборе)
  13. Винт (ручная коробка передач с главной передачей в сборе)
  14. Прокладка гибкой пластины (автоматическая коробка передач с главной передачей в сборе)
  15. Гибкая пластина (автоматическая коробка передач с главной передачей в сборе)
  16. Армирование диска (автоматическая коробка передач с главной передачей в сборе)
  17. Винт (автоматическая коробка передач с главной передачей в сборе)
  18. Крепление коренного подшипника
  19. Блок цилиндров
  20. Датчик СКР
  21. Прокладка корпуса масляного насоса
  22. Крышка
  23. Шестерня
  24. Масляный насос
  25. Датчик давления масла
  26. Заглушка
  27. Передняя прокладка коленчатого вала
  28. Шестерня коленчатого вала
  29. Перепускной клапан
  30. Масляный фильтр
  31. Демпфер крутильных колебаний
  32. Винт
  33. Маслооткачивающая труба
  34. Винт
  35. Перемычка подшипника
  36. Винт
  37. Скребок масляного поддона
  38. Прокладка масляного поддона
  39. Масляный поддон
  40. Винт
  41. Вставка заглушки масляного поддона
  42. Винт
  43. Крышка главного подшипника коленчатого вала
  44. Винт
  45. Винт
  46. Крышка оси крена крутящего момента
  47. Кожух (крышка) переднего зубчатого ремня
  48. Прокладка
  49. Прокладка переднего зубчатого ремня
  50. Зажим
  51. Демпфирующее кольцо
  52. Винт
  53. Натяжитель приводного ремня газораспределительного механизма
  54. Приводной ремень газораспределительного механизма
  55. Направляющий ролик
  56. Стопор против проворачивания оси
  57. Кожух (крышка) заднего зубчатого ремня
  58. Датчик СМР
  59. Насос охлаждающей жидкости
  60. Уплотнительное кольцо

Инструкции по ремонту

ТЕХНИЧЕСКОЕ ОБСЛУЖИВАНИЕ БЕЗ ДЕМОНТАЖА С АВТОМОБИЛЯ



UAA1C050
Показать иллюстрациюПеревод текста в иллюстрациях


КРЫШКА КЛАПАННОГО МЕХАНИЗМА

(показано левостороннее управление, правостороннее управление похожим образом)

Порядок снятия и установки

  1. Отсоедините отрицательный кабель аккумулятора.
  2. Отсоедините разъем датчика температуры воздуха на впуске (iat).
  3. Отсоединить всасывающие шланги от крышки клапанного механизма.
  4. Отсоединить шланг системы вентиляции картера (pcv) от крышки КЛАПАННОГО МЕХАНИЗМА
  5. Отсоединить зажим от крышки клапанного механизма
  6. Снимите винты крышки свечи зажигания и крышку.
  7. Указания по установке
    Момент затяжки
    8 Н•м (71 фунто-дюйма)


    UAB1C020
    Показать иллюстрациюПеревод текста в иллюстрациях


  8. Отсоедините провода цепи зажигания от свечей зажигания.
  9. Снимите винты крышки клапанного механизма.
  10. Указания по установке
    Момент затяжки
    8 Н•м (71 фунто-дюйма)
  11. Снимите крышку клапанного механизма.
  12. Снимите прокладку крышки клапанного механизма.
  13. Установку производить в порядке, обратном порядку снятия деталей.

ГОЛОВКА ЦИЛИНДРОВ И ПРОКЛАДКА

(показано левостороннее управление, правостороннее управление похожим образом)

Необходимое оборудование

J-42472 Регулировочный механизм приводного ремня газораспределительного механизма
KM-470-B Угловой индикатор крутящего момента

Порядок снятия и установки

  1. Снимите предохранитель топливного насоса.
  2. Запустите двигатель. После остановки проворачивайте коленвал 10 секунд, чтобы убрать в топливной системе давление топлива.


  3. UAA1B060
    Показать иллюстрациюПеревод текста в иллюстрациях


  4. Слейте охлаждающую жидкость двигателя. Следуйте разделу 1D, Охлаждение двигателя.
  5. Отсоедините отрицательный кабель аккумулятора.
  6. Снимите винты корпуса воздушного фильтра и узел с корпусом воздушного фильтра.
  7. Удалить винты патрубка впуска воздуха и сам патрубок впуска воздуха
  8. Указания по установке
    Момент затяжки
    8 Н•м (71 фунто-дюйма)


    UAA1C070
    Показать иллюстрациюПеревод текста в иллюстрациях


  9. Отсоедините разъем датчика температуры воздуха на впуске (iat).
  10. Отсоедините всасывающий шланг от крышки клапанного механизма.
  11. Снимите трубку впуска воздуха с корпуса дроссельной заслонки.


  12. UAA1C180
    Показать иллюстрациюПеревод текста в иллюстрациях


  13. Отсоедините разъем датчика положения распределительного вала (СМР).
  14. Отсоедините разъем датчика кислорода.
  15. Отсоедините разъем датчика температуры охлаждающей жидкости двигателя (ЕСТ).
  16. Отсоединить разъем индикатора температуры охлаждающей жидкости.
  17. Отсоединить разъем клапанного механизма egr.


  18. UAA1C190
    Показать иллюстрациюПеревод текста в иллюстрациях


  19. cнять катушку зажигания электронной системы зажигания Следуйте разделу 1F, Управление двигателя.
  20. Отсоединить впускной шланг нагревателя от головки цилиндров.
  21. Снять винт кронштейна трубы для подачи охлаждающей жидкости.


  22. UAA1C140
    Показать иллюстрациюПеревод текста в иллюстрациях


  23. Снимите рампу топливных форсунок и топливные форсунки в сборе. Следуйте разделу 1F, Управление двигателя.
  24. Снять винты опорного кронштейна генератора к впускному коллектору и опорный кронштейн.
  25. Указания по установке
    Момент затяжки
    20 Н•м (15 lb-ft)
  26. Снимите винт со скобой впускного коллектора к генератору и ослабьте винт на генераторе.
  27. Указания по установке
    Момент затяжки
    20 Н•м (15 lb-ft)
  28. Освободите впускной коллектор от скобы.


  29. UAA1C200
    Показать иллюстрациюПеревод текста в иллюстрациях


  30. Ослабить винт, соединяющий нижний кронштейн генератора с генератором.
  31. Вытащите генератор.
  32. Отсоединить шланг подачи охлаждающей жидкости от корпуса дроссельной заслонки.
  33. Отсоедините шланг подачи охлаждающей жидкости от головки цилиндров.
  34. Отсоедините верхний шланг радиатора от корпуса термостата.


  35. UAA1C210
    Показать иллюстрациюПеревод текста в иллюстрациях


  36. Снимите переднюю подвеску двигателя. Следуйте пункту "Передняя подвеска двигателя" в этом разделе.
  37. Отсоединить зажимы на верхней передней крышке приводного ремня газораспределительного механизма
  38. Снять винт крышки оси крена крутящего момента.
  39. Указания по установке
    Момент затяжки
    6 Н•м (53 lb-in)
  40. Снять крышку оси крена крутящего момента.


  41. UAA1C220
    Показать иллюстрациюПеревод текста в иллюстрациях


  42. Снимите правое переднее колесо. Следуйте разделу 2Е, Шины и колеса.
  43. Снимите брызговик ниши переднего правого колеса. Следуйте разделу 9R, Передняя часть кузова.
  44. Снимите изгибающийся вспомогательный приводной ремень. Следуйте разделу 6В, Насос рулевого управления с усилителем.
  45. Снимите винты шкива коленчатого вала.
  46. Снимите шкив коленчатого вала.
  47. Указания по установке
    Момент затяжки
    20 Н•м (15 lb-ft)


    UAA1C230
    Показать иллюстрациюПеревод текста в иллюстрациях


  48. Снимите винты передней крышки приводного ремня газораспределительного механизма
  49. Указания по установке
    Момент затяжки
    6 Н•м (53 lb-in)
  50. Снимите переднюю крышку приводного ремня газораспределительного механизма


  51. UAA1C240
    Показать иллюстрациюПеревод текста в иллюстрациях


  52. Используя винт шкива коленчатого вала, проверните коленчатый вал по часовой стрелке до совмещения отметки газораспределения шестерни коленчатого вала с насечкой в низу задней крышки приводного ремня газораспределительного механизма.
  53. Снимите приводной ремень газораспределительного механизма. Следуйте пункту "Приводной ремень газораспределительного механизма" в этом разделе.


  54. UAA1C250
    Показать иллюстрациюПеревод текста в иллюстрациях


  55. Снять винты теплоизоляционного щитка выпускного коллектора и теплоизоляционный щиток выпускного коллектора
  56. Указания по установке
    Момент
    затяжки
    1-й этап:
    .
    2-й этап:
    .
    3-й этап:
    .
    4-й этап:
    .
    13 Н•м (10 lb-ft):
    9,10,6,5,8,7,2,1,3,4
    13 Н•м (10 lb-ft):
    9,10,6,5,8,7,2,1,3,4
    15 Н•м (11 lb-ft):
    9,10,6,5,8,7,2,1,3,4
    15 Н•м (11 lb-ft):
    9,10,6,5,8,7,2,1,3,4,9,10,6
  57. Снимите стопорные гайки выпускного коллектора.
  58. Указания по установке
    Момент затяжки
    15 Н•м (11 lb-ft)
  59. Отсоединить выпускной коллектор от головки цилиндров.


  60. UAA1C170
    Показать иллюстрациюПеревод текста в иллюстрациях


  61. Снимите стопорные гайки/винт впускного коллектора.
  62. Указания по установке
    Момент затяжки
    22 Н•м (16 lb-ft)
  63. Отсоединить впускной коллектор от головки цилиндров.


  64. UAA1C260
    Показать иллюстрациюПеревод текста в иллюстрациях


  65. Снимите крышку клапанного механизма. См. "Крышка клапанного механизма" в данном разделе.
  66. Примечание: Проявляйте особую аккуратность, не допуская появления царапин, вмятин или повреждений на распредвалах.

  67. Крепко удерживая впускной распределительный вал, снимите винт шестерни впускного распредвала.
  68. Указания по установке
    Момент затяжки
    50 Н•м (37 lb-ft)
    +60° +15°

  69. Снимите шестерню впускного распределительного вала.
  70. Крепко удерживая выпускной распределительный вал, снимите винт шестерни выпускного распредвала.
  71. Указания по установке
    Момент затяжки
    50 Н•м (37 lb-ft)
    +60° +15°
  72. Снимите шестерню выпускного распределительного вала.


  73. UAA1C270
    Показать иллюстрациюПеревод текста в иллюстрациях


  74. Снять винты крышки подшипника распределительного вала постепенно и в указанной последовательности для каждой крышки подшипника распределительного вала.
  75. Указания по установке
    Момент затяжки
    8 Н•м (71 фунто-дюйма)
  76. Снимите головки впускного/выпускного распределительного вала. Выберите правильную позицию для установки.
  77. Снимите впускной/выпускной распределительный вал.


  78. UAA1C280
    Показать иллюстрациюПеревод текста в иллюстрациях


  79. Постепенно и в указанной последовательности освободите все винты головки цилиндров.
  80. Снимите винты головки цилиндров.
  81. Снять головку цилиндров и прокладку головки цилиндров.
  82. Примечание: Не допускайте попаданий моторного масла или охлаждающей жидкости в цилиндры при снятии головок цилиндров.

    Указания по установке
    Момент затяжки
    25 Н•м (18 lb-ft)
    +90° +90° +90°
  83. Установку производить в порядке, обратном порядку снятия деталей.

Процедура очистки

  1. Очистите поверхности прокладки головки цилиндров и блока цилиндров.
  2. Убедитесь, что поверхности прокладки головки цилиндров и блока цилиндров не имеют вмятин и глубоких царапин.
  3. Почистите винты головки цилиндров.
  4. Проверьте головку цилиндров на искривление. Следуйте пункту "Детали головки цилиндров и клапанного механизма" в этом разделе.


UAA1C260
Показать иллюстрациюПеревод текста в иллюстрациях


РАСПРЕДЕЛИТЕЛЬНЫЕ ВАЛЫ

(показано левостороннее управление, правостороннее управление похожим образом)

Порядок снятия и установки

  1. Снимите приводной ремень газораспределительного механизма. Следуйте пункту "Приводной ремень газораспределительного механизма" в этом разделе.
  2. Снимите крышку клапанного механизма. См. "Крышка клапанного механизма" в данном разделе.
  3. Примечание: Проявляйте особую аккуратность, не допуская появления царапин, вмятин или повреждений на распредвалах.

  4. Крепко удерживая впускной распределительный вал, снимите винт шестерни впускного распредвала.
  5. Указания по установке
    Момент затяжки
    50 Н•м (37 lb-ft)
    +60° +15°
  6. Снимите шестерню впускного распределительного вала.
  7. Крепко удерживая выпускной распределительный вал, снимите винт шестерни выпускного распредвала.
  8. Указания по установке
    Момент затяжки
    50 Н•м (37 lb-ft)
    +60° +15°


    UAA1C270
    Показать иллюстрациюПеревод текста в иллюстрациях


  9. Снимите шестерню выпускного распределительного вала.
  10. Снимите винты головки распределительного вала постепенно и в указанной последовательности для каждой головки распределительного вала.
  11. Указания по установке
    Момент затяжки
    8 Н•м (71 фунто-дюйма)
  12. Снимите головки впускного/выпускного распределительного вала. Выберите правильную позицию для установки.
  13. Снимите впускной/выпускной распределительный вал.
  14. Установку производить в порядке, обратном порядку снятия деталей.


UAA1B110
Показать иллюстрациюПеревод текста в иллюстрациях


ПРОВЕРКА И РЕГУЛИРОВКА НАТЯЖЕНИЯ ПРИВОДНОГО РЕМНЯ ГАЗОРАСПРЕДЕЛИТЕЛЬНОГО МЕХАНИЗМА

(показано левостороннее управление, правостороннее управление похожим образом)

    Необходимое оборудование

    KM-470-B Угловой индикатор крутящего момента
  1. Отсоедините отрицательный кабель аккумулятора.
  2. Снимите винты корпуса воздушного фильтра.
  3. Снимите узел корпуса воздушного фильтра.


  4. UAA1C070
    Показать иллюстрациюПеревод текста в иллюстрациях


  5. Отсоедините разъем датчика температуры воздуха на впуске (iat).
  6. Снимите трубу сапуна с крышки клапана.
  7. Снимите трубку впуска воздуха с корпуса дроссельной заслонки.


  8. UAA1C210
    Показать иллюстрациюПеревод текста в иллюстрациях


  9. Снимите переднюю подвеску двигателя. Следуйте пункту "Передняя подвеска двигателя" в этом разделе.
  10. Отсоединить зажимы на верхней передней крышке приводного ремня газораспределительного механизма
  11. Снять винт крышки оси крена крутящего момента.
  12. Указания по установке
    Момент затяжки
    6 Н•м (53 lb-in)
  13. Снять крышку оси крена крутящего момента.


  14. UAA1C220
    Показать иллюстрациюПеревод текста в иллюстрациях


  15. Снимите правое переднее колесо. Следуйте разделу 2Е, Шины и колеса.
  16. Снять брызговик переднего правого колеса. Следуйте разделу 9R, Передняя часть кузова.
  17. Снимите изгибающийся вспомогательный приводной ремень. Следуйте разделу 6В, Насос рулевого управления с усилителем.
  18. Снимите винты шкива коленчатого вала.
  19. Снимите шкив коленчатого вала.
  20. Указания по установке
    Момент затяжки
    20 Н•м (15 lb-ft)


    UAA1C230
    Показать иллюстрациюПеревод текста в иллюстрациях


  21. Снимите винты передней крышки приводного ремня газораспределительного механизма
  22. Снимите переднюю крышку приводного ремня газораспределительного механизма
  23. Указания по установке
    Момент затяжки
    6 Н•м (53 lb-in)


    UAA1C240
    Показать иллюстрациюПеревод текста в иллюстрациях


  24. Проверните коленчатый вал не менее, чем на один полный оборот по часовой стрелке, используя винт шестерни коленчатого вала.
  25. Совместите отметку на шестерне коленчатого вала с насечкой в низу крышки приводного ремня газораспределительного механизма.
  26. Совместите отметки газораспределения шестерни распределительного вала. Используйте отметку выпускной шестерни для выпускной шестерни и отметку впускной шестерни для впускной шестерни, так как шестерни взаимозаменяемы.


  27. UAA1C290
    Показать иллюстрациюПеревод текста в иллюстрациях


  28. Освободите винт автоматического натяжителя. Чтобы усилить натяжение ремня, поверните шестиугольную головку против часовой стрелки.
  29. Проверните шестиугольную головку автоматического натяжителя по часовой стрелке до совмещения указателя приводного ремня газораспределительного механизма с насечкой на кронштейне автоматического натяжителя приводного ремня газораспределительного механизма.


  30. UAA1C240
    Показать иллюстрациюПеревод текста в иллюстрациях


  31. Затяните винт автоматического натяжителя.
  32. Указания по установке
    Момент затяжки
    25 Н•м (18 lb-ft)
  33. Проверните коленчатый вал на два полных оборота, используя шестерни коленчатого вала.
  34. Проверьте указатель автоматического натяжителя.


  35. UAA1C290
    Показать иллюстрациюПеревод текста в иллюстрациях


  36. Когда указатель автоматического натяжителя приводного ремня газораспределительного механизма совмещен с насечкой на кронштейне автоматического натяжителя приводного ремня газораспределительного механизма, ремень натянут правильно.
  37. Установку производить в порядке, обратном порядку снятия деталей.


G102B501
Показать иллюстрациюПеревод текста в иллюстрациях


ЗУБЧАТЫЙ РЕМЕНЬ ПРИВОДА

(показано левостороннее управление, правостороннее управление похожим образом)

    Необходимое оборудование

    KM-470-B Угловой индикатор крутящего момента
  1. Отсоедините отрицательный кабель аккумулятора.
  2. Снимите винты корпуса воздушного фильтра.
  3. Снимите узел корпуса воздушного фильтра.


  4. UAA1C070
    Показать иллюстрациюПеревод текста в иллюстрациях


  5. Отсоедините разъем датчика температуры воздуха на впуске (iat).
  6. Отсоедините всасывающий шланг от крышки клапанного механизма.
  7. Снимите трубку впуска воздуха с корпуса дроссельной заслонки.


  8. UAA1C210
    Показать иллюстрациюПеревод текста в иллюстрациях


  9. Снимите переднюю подвеску двигателя. Следуйте пункту "Передняя подвеска двигателя" в этом разделе.
  10. Отсоединить зажимы на верхней передней крышке приводного ремня газораспределительного механизма
  11. Снять винт крышки оси крена крутящего момента.
  12. Указания по установке
    Момент затяжки
    6 Н•м (53 lb-in)
  13. Снять крышку оси крена крутящего момента.


  14. UAA1C220
    Показать иллюстрациюПеревод текста в иллюстрациях


  15. Снимите правое переднее колесо. Следуйте разделу 2Е, Шины и колеса.
    1. 18.Снимите брызговик ниши переднего правого колеса. Следуйте разделу 9R, Передняя часть кузова.
  16. Снимите изгибающийся вспомогательный приводной ремень. Следуйте разделу 6В, Насос рулевого управления с усилителем.
  17. Снимите винты шкива коленчатого вала.
  18. Снимите шкив коленчатого вала.
  19. Указания по установке
    Момент затяжки
    20 Н•м (15 lb-ft)


    UAA1C230
    Показать иллюстрациюПеревод текста в иллюстрациях


  20. Снимите винты передней крышки приводного ремня газораспределительного механизма
  21. Снимите переднюю крышку приводного ремня газораспределительного механизма
  22. Указания по установке
    Момент затяжки
    6 Н•м (53 lb-in)


    UAA1C240
    Показать иллюстрациюПеревод текста в иллюстрациях


  23. Используя винт шкива коленчатого вала, проверните коленчатый вал по часовой стрелке до совмещения отметки газораспределения шестерни коленчатого вала с насечкой в низу задней крышки приводного ремня газораспределительного механизма.
  24. Примечание: Шестерни распределительного вала должны совпадать с насечкой на крышке газораспределительного механизма, в противном случае возможно повреждение двигателя.

  25. Совместите шестерни распределительного вала с насечкой на крышке газораспределительного механизма.
  26. Важно: Используйте отметку впускной шестерни для впускной шестерни распределительного вала и отметку выпускной шестерни для выпускной шестерни распределительного вала, так как шестерни взаимозаменяемы.



    UAA1C310
    Показать иллюстрациюПеревод текста в иллюстрациях


  27. Освободите винт автоматического натяжителя. Поверните шестиугольную головку, чтобы ослабить натяжение ремня.
  28. Указания по установке
    Момент затяжки
    25 Н•м (18 lb-ft)
  29. Снимите приводной ремень газораспределительного механизма.
  30. Установку производить в порядке, обратном порядку снятия деталей.


UAA1C320
Показать иллюстрациюПеревод текста в иллюстрациях


ПРОЦЕДУРА ПРОВЕРКИ ДАВЛЕНИЯ МАСЛА В ДВИГАТЕЛЕ

    Необходимое оборудование

    KM-498-B Манометр
    KM–135 Адаптер
  1. Снимите брызговик ниши правого переднего колеса.
  2. Отсоедините разъем датчика давления масла.


  3. UAA1C330
    Показать иллюстрациюПеревод текста в иллюстрациях


  4. Установите адаптер km-135 на место датчика давления масла.
  5. Указания по установке
    Момент затяжки
    40 Н•м (30 lb-ft)
  6. Присоедините манометр km-498-b к адаптеру.
  7. Запустите двигатель и проверьте давление масла на холостом ходу и при температуре двигателя 80°c (176°f). Минимальное давление масла должно быть 80 кПа (11.6 psi)
  8. Заглушите двигатель и снимите манометр масла и переходник.


UAA1C320
Показать иллюстрациюПеревод текста в иллюстрациях


МАСЛЯНЫЙ НАСОС

Порядок снятия и установки

  1. Отсоедините отрицательный кабель аккумулятора.
  2. Снимите приводной ремень газораспределительного механизма. Следуйте пункту "Приводной ремень газораспределительного механизма" в этом разделе.
  3. Снимите заднюю крышку приводного ремня газораспределительного механизма. Следуйте пункту "Задняя крышка приводного ремня газораспределительного механизма" в этом разделе.
  4. Отсоедините разъем датчика давления масла.


  5. UAA1C340
    Показать иллюстрациюПеревод текста в иллюстрациях


  6. Снимите масляный поддон. Следуйте пункту "Масляный поддон" в этом разделе.
  7. Снять винты маслооткачивающей трубы на масляном насосе.
  8. Указания по установке
    Момент затяжки
    8 Н•м (71 фунто-дюйма)
  9. Снимите винты опорного кронштейна маслооткачивающей трубы .
  10. Указания по установке
    Момент затяжки
    20 Н•м (15 lb-ft) +453
  11. Снимите маслооткачивающую трубу.


  12. UAA1C360
    Показать иллюстрациюПеревод текста в иллюстрациях


  13. Снимите стопорные винты масляного насоса.
  14. Указания по установке
    Момент затяжки
    10 Н•м (89 lb-in)
  15. Осторожно отделите масляный насос и прокладку от блока цилиндров и масляного поддона.
  16. Примечание: Нанесите Loctite® 242 на винты масляного насоса и вулканизирующееся при комнатной температуре уплотнение (RTV) на новую прокладку масляного насоса.

  17. Снимите масляный насос.


UAA1C370
Показать иллюстрациюПеревод текста в иллюстрациях


Процедура проверки

  1. Очистите сопряженные поверхности прокладки масляного насоса и блока цилиндров двигателя.
  2. Снимите винт предохранительного редукционного клапана.
  3. Снимите предохранительный редукционный клапан и пружину.
  4. Снимите уплотнение между масляным насосом и коленчатым валом.


  5. UAA1C380
    Показать иллюстрациюПеревод текста в иллюстрациях


  6. Снять винты задней крышки масляного насоса.
  7. Снимите заднюю крышку.


  8. UAA1C390
    Показать иллюстрациюПеревод текста в иллюстрациях


  9. Очистите корпус масляного насоса и все детали его корпуса.
  10. Проверьте все детали на наличие износа. Следуйте пункту "Технические характеристики двигателя" в этом разделе.
  11. Смажьте детали корпуса масляного насоса чистым моторным маслом и установите их на место.
  12. Примечание: Заполните полости масляного насоса вазелином, чтобы обеспечить заливку насоса маслом и предупредить повреждения двигателя.

  13. Нанесите средство loctite® 242 на винты задней крышки и установите заднюю крышку масляного насос с винтами.
  14. Установите предохранительный редукционный клапан, пружину, шайбу и винт.
  15. Указания по установке
    Момент затяжки
    30 Н•м (22 lb-ft)
  16. Установку производить в порядке, обратном порядку снятия деталей.


UAA1G030
Показать иллюстрациюПеревод текста в иллюстрациях


МАСЛЯНЫЙ ПОДДОН

Порядок снятия и установки

  1. Отсоедините отрицательный кабель аккумулятора.
  2. Снимите правое переднее колесо. Следуйте разделу 2Е, Шины и колеса.
  3. Снимите брызговик ниши переднего правого колеса.
  4. Слейте моторное масло из картера двигателя.
  5. Снимите переднюю выхлопную трубу. См. Раздел 1G, Выпускная система двигателя.


  6. UAA1C270
    Показать иллюстрациюПеревод текста в иллюстрациях


  7. Снять нижний обратный шток См. "Нижний обратный штокв данном разделе.
  8. Снять болты крепления масляного поддона на картере коробки передач с главной передачей в сборе.
  9. Указания по установке
    Момент затяжки
    75 Н•м (55 lb-ft)
  10. Снимите стопорные винты масляного поддона.
  11. Указания по установке
    Момент затяжки
    10 Н•м (89 lb-in)
  12. Снимите масляный поддон с блока цилиндров.
  13. Снимите с масляного поддона сальник.
  14. Установку производить в порядке, обратном порядку снятия деталей.


UAA1C350
Показать иллюстрациюПеревод текста в иллюстрациях


Процедура очистки

  1. Почистите уплотнительную поверхность масляного поддона.
  2. Почистите уплотнительную поверхность блока цилиндров.
  3. Почистите стопорные винты масляного поддона.
  4. Почистите отверстия для соединительных винтов в блоке цилиндров.


UAA1B110
Показать иллюстрациюПеревод текста в иллюстрациях


Подвеска двигателя, правосторонняя

Необходимое оборудование

DW 110–060 Зажимное приспособление для двигателя

Порядок снятия и установки

  1. Снимите винты корпуса воздушного фильтра.
  2. Снимите узел корпуса воздушного фильтра.


  3. UAA1B470
    Показать иллюстрациюПеревод текста в иллюстрациях


  4. Подоприте двигатель, используя зажимное приспособление для двигателя dw 110-160.


  5. UAA1B130
    Показать иллюстрациюПеревод текста в иллюстрациях


  6. Снять верхний обратный шток и винты кронштейна верхнего обратного штока.
  7. Указания по установке
    Момент затяжки
    75 Н•м (55 lb-ft)
  8. Снять верхний обратный шток и кронштейн верхнего обратного штока.


  9. UAA1B140
    Показать иллюстрациюПеревод текста в иллюстрациях


  10. Снять стопорный винт/гайки кронштейна подвески двигателя.
  11. Указания по установке
    Момент затяжки
    60 Н•м (44 фунт-фут)
    1. Снимите кронштейн подвески двигателя.


    B102C046
    Показать иллюстрациюПеревод текста в иллюстрациях


    1. Снимите изгибающийся вспомогательный приводной ремень. Следуйте разделу 6В, Насос рулевого управления с усилителем.
    2. Снять винты передней крышки приводного ремня газораспределительного механизма и переднюю крышку приводного ремня газораспределительного механизма.


    B102C047
    Показать иллюстрациюПеревод текста в иллюстрациях


    1. Вращая винт шестерни коленчатого вала совместите отметку газораспределения шкива распределительного вала с указателем и шестерни распределительного вала с отметками газораспределения на задней крышке.
    2. Освободите винт автоматического натяжителя приводного ремня газораспределительного механизма.
    3. Поверните шестиугольную головку, чтобы ослабить натяжение ремня.
    4. Снимите приводной ремень газораспределительного механизма.


    UAA1C420
    Показать иллюстрациюПеревод текста в иллюстрациях


    1. Снимите винт/гайку холостого шкива приводного ремня газораспределительного механизма.
    Указания по установке
    Момент затяжки
    25 Н•м (18 lb-ft)
    1. Снимите холостые шкивы приводного ремня газораспределительного механизма.


    UAA1C430
    Показать иллюстрациюПеревод текста в иллюстрациях


    1. Снимите стопорные винты подвески двигателя.
    2. Снимите подвеску двигателя.
    Указания по установке
    Момент затяжки
    55 Н•м (44 lb-ft)
    1. Установку производить в порядке, обратном порядку снятия деталей.


UAA1B150
Показать иллюстрациюПеревод текста в иллюстрациях


Нижний обратный шток

Порядок снятия и установки

  1. Поднимите и зафиксируйте автомобиль.
  2. Снять брызговик передней панели и нижнюю крышку двигателя. См. Раздел 9N, Каркас и нижняя часть кузова.
  3. Снять винт/гайку кронштейна нижнего обратного штока.
  4. Снять кронштейн нижнего обратного штока.
  5. Указания по установке
    Момент затяжки
    69 Н•м (49 lb-ft)


    UAA1B160
    Показать иллюстрациюПеревод текста в иллюстрациях


  6. Снять винт крепления нижнего обратного штока.
  7. Снять крепление нижнего обратного штока.
  8. Указания по установке
    Момент затяжки
    55 Н•м (41 lb-ft)
  9. Установку производить в порядке, обратном порядку снятия деталей.


UAA1B110
Показать иллюстрациюПеревод текста в иллюстрациях


Впускной коллектор

(показано левостороннее управление, правостороннее управление похожим образом)

Порядок снятия и установки

  1. Снимите предохранитель топливного насоса.
  2. Запустите двигатель. После 10-секундной остановки двигателя провернуть коленвал, чтобы убрать в топливной системе давление топлива.
  3. Отсоедините отрицательный кабель аккумулятора.
  4. Снимите винты корпуса воздушного фильтра.
  5. Снимите узел корпуса воздушного фильтра.


  6. UAA1C070
    Показать иллюстрациюПеревод текста в иллюстрациях


  7. Отсоедините разъем датчика температуры воздуха коллектора (МАТ).
  8. Отсоедините всасывающий шланг от крышки клапанного механизма.
  9. Снимите трубку впуска воздуха с корпуса дроссельной заслонки.


  10. UAA1C100
    Показать иллюстрациюПеревод текста в иллюстрациях


  11. Отсоедините трос от дроссельной заслонки и от впускного коллектора.
  12. Отсоединить вакуумный шланг от регулятора давления топлива.


  13. UAA1C130
    Показать иллюстрациюПеревод текста в иллюстрациях


  14. Снимите рампу топливных форсунок и топливные форсунки в сборе. Следуйте разделу 1F, Управление двигателя.
  15. Снять винты кронштейна проводки двигателя с задней части впускного коллектора.
  16. Снять винт соленоидного кронштейна фильтра очистки паров топлива и переместить соленоид очистительного фильтра в чистое место вдали от участка ремонта.


  17. UAA1C140
    Показать иллюстрациюПеревод текста в иллюстрациях


  18. Снять винты верхнего кронштейна генератора.
  19. Снять верхний кронштейна генератора.


  20. UAA1C150
    Показать иллюстрациюПеревод текста в иллюстрациях


  21. Отсоединить вакуумный шланг тормозной системы от впускного коллектора.
  22. Снять винт заземления ЕСМ с впускного коллектора.
  23. Снять верхний винт опорного кронштейна впускного коллектора к впускному коллектору.
  24. Указания по установке
    Момент затяжки
    20 Н•м (15 lb-ft)


    UAA1C170
    Показать иллюстрациюПеревод текста в иллюстрациях


  25. Снять узел корпуса дроссельной заслонки. Следуйте разделу 1F, Управление двигателя.
  26. Снимите крышку клапанного механизма. См. "Крышка клапанного механизма" в данном разделе.
  27. Снимите стопорный винт/гайки впускного коллектора в нижеуказанной последовательности.
  28. Указания по установке
    Момент затяжки
    22 Н•м (16 lb-ft)
  29. Снимите прокладку впускного коллектора.
  30. Почистите уплотнительные поверхности впускного коллектора и головки цилиндров.
  31. Установку производить в порядке, обратном порядку снятия деталей.


UAA1B120
Показать иллюстрациюПеревод текста в иллюстрациях


ВЫПУСКНОЙ КОЛЛЕКТОР

Порядок снятия и установки

  1. Отсоедините отрицательный кабель аккумулятора.
  2. Снять винты воздухопровода.
  3. Снять узел воздухопровода.


  4. UAA1C410
    Показать иллюстрациюПеревод текста в иллюстрациях


  5. Отсоедините разъем датчика кислорода.
  6. Снимите винты теплоизоляционного щитка выпускного коллектора.
  7. Снимите теплоизоляционный щиток выпускного коллектора.
  8. Указания по установке
    Момент затяжки
    15 Н•м (11 lb-ft)


    UAA1G090
    Показать иллюстрациюПеревод текста в иллюстрациях


  9. Снимите стопорные гайки выпускной гибкой трубы со штырей выпускного коллектора.
  10. Указания по установке
    Момент затяжки
    35 Н•м (26 lb-ft)
  11. Снимите датчик кислорода.


  12. UAA1C250
    Показать иллюстрациюПеревод текста в иллюстрациях


  13. Снимите стопорные гайки выпускного коллектора в указанной последовательности.
  14. Снять выпускной коллектор и прокладку выпускного коллектора.
  15. Почистите уплотнительные поверхности выпускного коллектора и головки цилиндров.
  16. Указания по установке
    Момент
    затяжки
    1-й этап:
    .
    2-й этап:
    .
    3-й этап:
    .
    4-й этап:
    13 Н•м (10 lb-ft):
    9,10,6,5,8,7,2,1,3,4
    13 Н•м (10 lb-ft):
    9,10,6,5,8,7,2,1,3,4
    15 Н•м (11 lb-ft):
    9,10,6,5,8,7,2,1,3,4
    15 Н•м (11 lb-ft):
    9,10,6,5,8,7,2,1,3,4,9,10,6


UAA1C060
Показать иллюстрациюПеревод текста в иллюстрациях


ШЕСТЕРНИ РАСПРЕДЕЛИТЕЛЬНОГО ВАЛА

Порядок снятия и установки

  1. Отсоедините отрицательный кабель аккумулятора.
  2. Снимите приводной ремень газораспределительного механизма. Следуйте пункту "Приводной ремень газораспределительного механизма" в этом разделе.
  3. Снимите крышку клапанного механизма. См. "Крышка клапанного механизма" в данном разделе.


  4. UAA1C260
    Показать иллюстрациюПеревод текста в иллюстрациях


    Примечание: Проявляйте повышенную аккуратность, не допуская появления царапин, вмятин или повреждений на распредвалу. Такие повреждения могут привести к преждевременному износу двигателя.

  5. Крепко удерживая распределительный вал, снимите стопорный винт шестерни распредвала.
  6. Указания по установке
    Момент затяжки
    50 Н•м (37 lb-ft)
    +60° +15°
  7. Снимите шестерню распределительного вала.
  8. Установку производить в порядке, обратном порядку снятия деталей.


UAA1C300
Показать иллюстрациюПеревод текста в иллюстрациях


ЗАДНЯЯ КРЫШКА ПРИВОДНОГО РЕМНЯ ГАЗОРАСПРЕДЕЛИТЕЛЬНОГО МЕХАНИЗМА

Порядок снятия и установки

  1. Снимите приводной ремень газораспределительного механизма. Следуйте пункту "Приводной ремень газораспределительного механизма" в этом разделе.
  2. Снимите шестерню распределительного вала. См. "Шестерня распределительного вала"в данном разделе.
  3. Снимите винт автоматического натяжителя приводного ремня газораспределительного механизма.
  4. Снимите автоматический натяжитель приводного ремня газораспределительного механизма.


  5. UAA1C420
    Показать иллюстрациюПеревод текста в иллюстрациях


  6. Снимите винт/гайку холостого шкива приводного ремня газораспределительного механизма.
  7. Указания по установке
    Момент затяжки
    25 Н•м (18 lb-ft)
  8. Снимите холостые шкивы приводного ремня газораспределительного механизма.


  9. UAA1C430
    Показать иллюстрациюПеревод текста в иллюстрациях


  10. Снимите стопорные винты подвески двигателя.
  11. Указания по установке
    Момент затяжки
    55 Н•м (41 lb-ft)
  12. Снимите подвеску двигателя.


  13. UAA1C440
    Показать иллюстрациюПеревод текста в иллюстрациях


  14. Снимите винт механизма приводного ремня газораспределительного механизма.
  15. Указания по установке
    Момент затяжки
    130 Н•м (96 lb-ft)
    +45° +5°
  16. Снимите шестерню приводного ремня газораспределительного механизма.


  17. UAA1C450
    Показать иллюстрациюПеревод текста в иллюстрациях


  18. Снять винты/болт задней крышки зубчатого ремня.
  19. Снимите заднюю крышку приводного ремня газораспределительного механизма.
  20. Установку производить в порядке, обратном порядку снятия деталей.


UAA1B060
Показать иллюстрациюПеревод текста в иллюстрациях


ДВИГАТЕЛЬ

Необходимое оборудование

KM-470-B Угловой индикатор крутящего момента

Порядок снятия и установки

    Важно: На автомобилях с механической коробкой передач с главной передачей в сборе ее нужно снять прежде, чем будет снят двигатель. См/ раздел 5В, Механическая коробка передач с главной передачей в сборе.

  1. Снимите предохранитель топливного насоса.
  2. Запустите двигатель. После остановки проворачивайте коленвал 10 секунд, чтобы убрать в топливной системе давление топлива.
  3. Снимите винты воздушного фильтра и узел воздушного фильтра.
  4. Снять винты воздухопровода и виздухопровод.


  5. UAA1C070
    Показать иллюстрациюПеревод текста в иллюстрациях


  6. Отсоединить разъем датчика температуры на впуске коллектора (iat).
  7. Отсоедините всасывающий шланг от крышки клапанного механизма.
  8. Отсоедините трубку для впуска воздуха от корпуса дроссельной заслонки.


  9. UAA1E040
    Показать иллюстрациюПеревод текста в иллюстрациях


  10. Слейте охлаждающую жидкость двигателя. Следуйте разделу 1D, Охлаждение двигателя.
  11. Разрядите систему кондиционирования воздуха , если имеется. См. раздел 7В, Управление системами отопления, вентиляции и кондиционирования.
  12. Снимите аккумуляторную батарею и полку аккумуляторной батареи. См. Раздел 1Е, Аккумуляторная батарея и полка аккумуляторной батареи.


  13. UAA1C460
    Показать иллюстрациюПеревод текста в иллюстрациях


  14. Снимите крышку блока плавких предохранителей.
  15. Снять гайку провода аккумулятора от блока плавких предохранителей.
  16. Отсоединить провод аккумуляторной батареи от блока плавких предохранителей.
  17. Отсоединить разъемы проводки двигателя.


  18. UAA1B090
    Показать иллюстрациюПеревод текста в иллюстрациях


  19. Снять расширительный бачок. См. Раздел 1D, Охлаждающая жидкость двигателя.
  20. Отсоединить жгутовый разъем КПП с главной передачей в сборе от картера КПП с главной передачей в сборе.
  21. Отсоединить разъем переключателя p/n от картера КПП с с главной передачей в сборе.


  22. UAA1B100
    Показать иллюстрациюПеревод текста в иллюстрациях


  23. Отсоединить шланг сапуна от картера КПП с главной передачей в сборе.


  24. UAA1B080
    Показать иллюстрациюПеревод текста в иллюстрациях


  25. Снять зажим с соединения рычага избирателя на картере КПП с главной передачей в сборе и отсоединить трос управления переключением передач от соединения рычага избирателя.
  26. Снять зажим с троса управления переключением передач на соединении подвески КПП с главной передачей в сборе.
  27. Отсоединить трос управления переключением передач от подвески КПП с главной передачей в сборе.


  28. UAA1C110
    Показать иллюстрациюПеревод текста в иллюстрациях


  29. Отсоединить шланг сапуна от крышки клапанного механизма.
  30. Отсоедините трос к дроссельной заслонке и к впускному коллектору.
  31. Отсоедините подающий топливопровод от топливной рампы.
  32. Отсоединить обратный топливопровод от регулятора давления топлива.


  33. UAA1C030
    Показать иллюстрациюПеревод текста в иллюстрациях


  34. Отсоедините верхний шланг радиатора от корпуса термостата.
  35. Отсоединить напорный шланг рулевого привода с усилителем и всасывающий шланг рулевого привода с усилителем от насоса рулевого привода с усилителем. См. раздел 6А, Система рулевого привода с усилителем.
  36. Отсоединить узел шланга компрессора А/С от компрессора. См. раздел 7В, Управление системами отопления, вентиляции и кондиционирования.


  37. UAA1G030
    Показать иллюстрациюПеревод текста в иллюстрациях


  38. Снимите переднее колесо. Следуйте разделу 2Е, Шины и колеса.
  39. Снять брызговик ниши переднего колеса. Следуйте разделу 9R, Передняя часть кузова.
  40. Снимите переднюю выхлопную трубу. См. Раздел 1G, Выпускная система двигателя.


  41. UAA1C040
    Показать иллюстрациюПеревод текста в иллюстрациях


  42. Отсоединить впускной шланг нагревателя от сердечника нагревателя.
  43. Отсоединить наружный шланг нагревателя от сердечника нагревателя.


  44. UAA1C160
    Показать иллюстрациюПеревод текста в иллюстрациях


  45. Отсоединить вакуумную линию от соленоида угольного фильтра.
  46. Отсоединить вакуумный шланг тормозной системы от впускного коллектора.


  47. UAA1B550
    Показать иллюстрациюПеревод текста в иллюстрациях


  48. Отсоединить разъем компрессора А/С от катушки компрессора А/С.
  49. Отсоедините нижний шланг радиатора от трубы охлаждающей жидкости.
  50. Отсоединить шланг подачи охлаждающей жидкости от коробки передач с главным приводом в сборе.
  51. Отсоединить выпускной шланг охлаждающей жидкости от коробки передач.


  52. UAA1B210
    Показать иллюстрациюПеревод текста в иллюстрациях


  53. Снять правую подвеску двигателя и переднюю подвеску двигателя. Следуйте пункту "Передняя подвеска двигателя" в этом разделе.
  54. Снимите поперечину. См. раздел 2C, Передняя подвеска.
  55. Отсоединить узел ведущей оси от коробки передач с главной передачей в сборе.


  56. UAA1B200
    Показать иллюстрациюПеревод текста в иллюстрациях


  57. Поддерживайте двигатель и коробку передач с главной передачей в сборе с помощью силового стенда dw110-010.
  58. Снимите правую подвеску двигателя. Следйте пункту "Правая подвеска двигателя"в данном разделе.
  59. Снимите подвеску КПП с главной передачей в сборе. См. раздел 5A, Автоматическая коробка передач в сборе с главной передачей.
  60. Медленно поднять автомобиль.
  61. Отсоединить узел двигателя от КПП с главной передачей в сборе. См. раздел 5A, "Автоматическая коробка передач в сборе с главной передачей".
  62. Установку производить в порядке, обратном порядку снятия деталей.


UAA1C340
Показать иллюстрациюПеревод текста в иллюстрациях


Поршни и шатуны.

Необходимое оборудование

J–8037 Универсальное приспособление для сжимания поршневых колец
J–8087 Измеритель отверстий цилиндров
KM-427 Комплект для техобслуживания поршневых колец
KM 470-B Угловой индикатор крутящего момента

Порядок снятия и установки

  1. Снимите головку цилиндров с присоединенным впускным и выпускным коллектором. Следуйте пункту "Головка цилиндров и прокладка" в этом разделе.
  2. Снимите масляный поддон. Следуйте пункту "Масляный поддон" в этом разделе.
  3. Снимите винты маслооткачивающей трубы и винты опорного кронштейна.
  4. Снимите маслооткачивающую трубу.
  5. Снять нижнюю опору блока цилиндров двигателя и винты брызговика.
  6. Указания по установке
    Момент затяжки
    20 Н•м (15 lb-ft)
  7. Снять нижнюю опору блока цилиндров двигателя и брызговик.


  8. A102B079
    Показать иллюстрациюПеревод текста в иллюстрациях


  9. Переместите поршень к низу хода поршня.
  10. Пометьте позицию головки шатуна.
  11. Снимите винты головки шатуна.
  12. Указания по установке
    Момент затяжки
    35 Н•м (26 lb-ft)
    +45° +15°
  13. Снимите головку шатуна и нижний шатунный подшипник.
  14. Снимите шатунный подшипник верхнего поршня.
  15. Рассверлите стенку цилиндра.


  16. B102C068
    Показать иллюстрациюПеревод текста в иллюстрациях


    Внимание! Аккуратно обращайтесь с цилиндром. Изношенные поршневые кольца остры и могут причинить травму.

  17. Снимите поршень.
  18. Используйте расширитель для поршневых колец, чтобы расширить поршневые кольца.
  19. Снимите поршневые кольца.


  20. A102B081
    Показать иллюстрациюПеревод текста в иллюстрациях


  21. Снимите поршневой палец с поршня и узел шатуна, используя комплект для техобслуживания поршневых колец km-427.
  22. Отделите поршень от шатуна.


A102B087
Показать иллюстрациюПеревод текста в иллюстрациях


Процедура проверки

  1. Проверьте шатун на изгиб или перекручивание. Если шатун погнут или перекручен, замените шатун.
  2. Проверьте шатунные подшипники.
  3. Проверьте нижнюю часть шатуна на износ.
  4. Проверьте верхнюю часть шатуна на задиры.
  5. Проверьте шейку шатуна коленчатого вала на износ. Следуйте пункту "Технические характеристики двигателя" в этом разделе.
  6. Проверьте поршень на задиры, поломки и износ.
  7. Проверьте поршень на конусность, используя микрометр.


  8. A102B082
    Показать иллюстрациюПеревод текста в иллюстрациях


  9. Проверьте поршень на соответствие шатуну.


  10. C102B048
    Показать иллюстрациюПеревод текста в иллюстрациях


  11. Проверьте поверхность плиты блока цилиндров на плоскостность, используя проверочную линейку и щуп. Следуйте пункту "Технические характеристики двигателя" в этом разделе.
  12. Проверьте отверстие подшипника на концентричность и центровку, используя измеритель отверстий. Следуйте пункту "Технические характеристики двигателя" в этом разделе. Если блок цилиндров двигателя не соответствует указанным требованиям, замените его.
  13. Проверьте отверстие блока цилиндров на износ, биение и конусность, используя измеритель отверстий. Следуйте пункту "Технические характеристики двигателя" в этом разделе.
  14. Проверьте отверстие блока цилиндров на гладкость. Слегка отхонингуйте отверстие цилиндра, если необходимо.


A102B081
Показать иллюстрациюПеревод текста в иллюстрациях


Процедура установки

    Важно: Для облегчения монтажа поршневого пальца, шатун следует нагреть до 2803 С. Нагревать только верхний шатун. Используйте имеющуюся в продаже термокраску для определения правильной температуры. Когда термокраска меняет цвет с черного на зеленый, температура достигает необходимого для монтажа значения.

  1. Совместите насечку на поршне и шатун так, чтобы нужная сторона была направлена к передней стороне двигателя.
  2. Вставьте направляющую поршневого пальца в поршень и шатун.
  3. Смажьте поршень маслом без присадок.
  4. Вставьте поршневой палец в противоположную сторону поршня.
  5. Вставьте поршневой палец в поршень и узел шатуна, используя комплект для техобслуживания поршневых колец km-427.


  6. A102B084
    Показать иллюстрациюПеревод текста в иллюстрациях


  7. Выберите комплект новых поршневых колец.
  8. Измерьте зазор поршневого кольца с помощью щупа. Следуйте пункту "Технические характеристики двигателя" в этом разделе.
  9. Увеличьте зазор поршневого кольца, аккуратно снимая лишний материал, если зазор поршневого кольца ниже указанного в технических характеристиках.


  10. A102C055
    Показать иллюстрациюПеревод текста в иллюстрациях


  11. Измерьте боковой зазор поршневого кольца, используя щуп. Следуйте пункту "Технические характеристики двигателя" в этом разделе.
  12. Если поршневое кольцо слишком толстое, попробуйте использовать другое поршневое кольцо.
  13. Если нет поршневого кольца, соответствующего техническим характеристикам, его можно обточить наждачной бумагой, положенной на стекло.


  14. A102B086
    Показать иллюстрациюПеревод текста в иллюстрациях


  15. Установите маслосъемное кольцо, расширитель, затем второе маслосъемное кольцо на нижнюю канавку кольца поршня.
  16. Установите второе компрессионное кольцо на среднюю канавку кольца поршня.
  17. Установите верхнее компрессионное кольцо на верхнюю канавку кольца поршня.


  18. A102C058
    Показать иллюстрациюПеревод текста в иллюстрациях


  19. Используйте расширитель для поршневых колец, чтобы установить поршневые кольца. Не расширяйте поршневые кольца выше пределов, необходимых для установки.
  20. Расположите маслосъемные кольца, зазоры направляющих маслосъемных колец, второе компрессионное кольцо и верхнее компрессионное кольцо со смещением по отношению к насечке на верху поршня.


  21. G102G502
    Показать иллюстрациюПеревод текста в иллюстрациях


  22. Смажьте стенку цилиндра и поршневые кольца моторным маслом без присадок.
  23. Установить поршень с помощью приспособления для сжимания поршневых колец и деревянной рукоятки, направить нижнюю часть шатуна, чтобы не допустить повреждения шейки коленвала.
  24. Установите крышку шатуна и подшипники. Следуйте пункту "Коренные и шатунные подшипники – калиброванная пластмассовая проволока" в этом разделе.


  25. A102C151
    Показать иллюстрациюПеревод текста в иллюстрациях


  26. Установите винты крышки шатунных подшипников.
  27. Указания по установке
    Момент затяжки
    35 Н•м (26 lb-ft)+ 45°+ 15°
  28. Установите винты брызговика/нижнего опорного кронштейна блока цилиндров двигателя.
  29. Указания по установке
    Момент затяжки
    20 Н•м (15 lb-ft)
    +45°


    UAA1C340
    Показать иллюстрациюПеревод текста в иллюстрациях


  30. Установите маслооткачивающую трубу.
  31. Установите винты маслооткачивающей трубы.
  32. Указания по установке
    Момент затяжки
    20 Н•м (15 lb-in)
    +45°
  33. Установите опорный кронштейн маслооткачивающей трубы.
  34. Установите масляный поддон. Следуйте пункту "Масляный поддон" в этом разделе.
  35. Установите головку цилиндров с присоединенным впускным и выпускным коллектором. Следуйте пункту "Головка цилиндров и прокладка" в этом разделе.

РЕМОНТ АГРЕГАТА

ДЕТАЛИ ГОЛОВКИ ЦИЛИНДРОВ И КЛАПАННОГО МЕХАНИЗМА

Необходимое оборудование

MKM-571-B Измеритель
KM-340-0 Комплект режущих инструментов
KM-340-7 Направляющий бородок
KM–340–13 Режущие инструменты
KM–340–26 Режущие инструменты
KM–348 Устройство сжатия пружины клапана
KM–653 Адаптер


UAA1C250
Показать иллюстрациюПеревод текста в иллюстрациях


Процедура разборки

  1. Снимите головку цилиндров с присоединенным впускным и выпускным коллектором. Следуйте пункту "Головка цилиндров и прокладка" в этом разделе.
  2. Снимите датчик температуры охлаждающей жидкости (ЕСТ).
  3. Снимите винты теплоизоляционного щитка выпускного коллектора.
  4. Снимите теплоизоляционный щиток выпускного коллектора.
  5. Снимите стопорные гайки выпускного коллектора в указанной последовательности.
  6. Снимите выпускной коллектор.
  7. Снимите прокладку выпускного коллектора.
  8. Снимите штырь выпускного коллектора.


  9. B102C088
    Показать иллюстрациюПеревод текста в иллюстрациях


  10. Снимите крепежные винты корпуса термостата.
  11. Снимите узел корпуса термостата.
  12. Снимите узел топливной рампы. Следуйте разделу 1F, Управление двигателя.
  13. Снимите крепежные винты байпаса охлаждающей жидкости и корпус.


  14. UAA1C170
    Показать иллюстрациюПеревод текста в иллюстрациях


  15. Снимите стопорные винты и стопорную гайку впускного коллектора в нижеуказанной последовательности.
  16. Снимите впускной коллектор.
  17. Снимите прокладку впускного коллектора.


  18. B102C037
    Показать иллюстрациюПеревод текста в иллюстрациях


  19. Снимите катушку системы непосредственного зажигания (dis) и винты опорного кронштейна рециркуляции отработавших газов (egr).
  20. Снимите катушку зажигания dis и крепежный кронтшейн egr и провода зажигания.
  21. Снимите штыри впускного коллектора.
  22. Снимите свечи зажигания.


  23. UAA1C270
    Показать иллюстрациюПеревод текста в иллюстрациях


  24. Снимите постепенно винты головки подшипника распределительного вала в указанной последовательности для каждой головки распределительного вала.


  25. UAA1C280
    Показать иллюстрациюПеревод текста в иллюстрациях


  26. Снимите головки впускного распределительного вала. Выберите правильную позицию для установки.
  27. Снимите впускной распределительный вал.
  28. Снимите приспособления для регулировки толкателя впускного клапана.
  29. Снимите головки выпускного распределительного вала. Выберите правильную позицию для установки.
  30. Снимите выпускной распределительный вал.
  31. Снимите приспособления для регулировки толкателя выпускного клапана.


  32. A102C044
    Показать иллюстрациюПеревод текста в иллюстрациях


  33. Сожмите пружины клапана при помощи устройства сжатия пружины клапана km–348 и адаптера km–653.
  34. Снимите тарелки клапанной пружины.
  35. Снимите устройство сжатия пружины клапана km–348 и адаптер km–653.
  36. Снимите крышки пружины клапана.
  37. Снимите пружины клапана. Выберите исходное положение для монтажа пружин клапана.


  38. A102C048
    Показать иллюстрациюПеревод текста в иллюстрациях


  39. Снимите клапаны. Выберите исходное положение для монтажа клапана.
  40. Снимите уплотнения штока клапана.


A102C046
Показать иллюстрациюПеревод текста в иллюстрациях


Проверка головки цилиндров

  1. Почистите уплотнительные поверхности.
  2. Проверьте прокладку головки цилиндров и сопрягаемые поверхности на утечку, коррозию и прорыв газов.
  3. Проверьте головку цилиндров на трещины.
  4. Проверьте длину и ширину головки цилиндров, используя щуп и проверочную линейку.
  5. Проверьте уплотнительные поверхности на деформацию и искривление. Уплотнительные поверхности головки цилиндров должны быть плоскими на протяжении не более 0,025 мм (0.001 дюйма ).


  6. A102C045
    Показать иллюстрациюПеревод текста в иллюстрациях


  7. Измерьте высоту головки цилиндров от уплотнительной поверхности до уплотнительной поверхности. Высота головки цилиндров должна быть от 133,975 до 134,025 мм (от 5.274 до 5.276 in.). Если высота головки цилиндров меньше 133,9 мм (5.271 in.), замените головку цилиндров.
  8. Проверьте резьбовые отверстия на повреждения.
  9. Проверьте седла клапанов на чрезмерный износ и места пережога.


A102B054
Показать иллюстрациюПеревод текста в иллюстрациях


Проверка клапанов

  1. Проверьте упор штока клапана на износ.
  2. Проверьте канавки клиньев клапана и канавки масляного уплотнения на сколы и износ.
  3. Проверьте клапаны на пережоги и трещины.
  4. Проверьте шток клапана на неровности и царапины.
  5. Проверьте шток клапана. Шток клапана должен быть прямым.
  6. Проверьте фаску клапана на наличие канавок. Если канавка так глубока, что перешлифовка фаски клапана может привести к острым краям, замените клапан.
  7. Проверьте пружину клапана. Если конец пружины клапана не параллельны, замените пружину клапана.
  8. Проверьте седло механизма поворота клапана на износ или сколы. Замените, если необходима.


A102C047
Показать иллюстрациюПеревод текста в иллюстрациях


Процедура очистки

  1. Почистите головку цилиндров.
  2. Почистите направляющие клапана.
  3. Почистите все резьбовые отверстия.
  4. Почистите клапаны от сажи, масла и нагара.


A102C049
Показать иллюстрациюПеревод текста в иллюстрациях


Капремонт головки цилиндров

Притирка клапана

  1. Смажьте седло клапана мелкозернистой пастой.
  2. Равномерно поднимите клапан с седла при помощи имеющегося в продаже инструмента для заточки клапанов, чтобы распределить пасту.


  3. A102B057
    Показать иллюстрациюПеревод текста в иллюстрациях


  4. Проверьте контактный рисунок на головке клапана и головке цилиндров.
  5. Почистите клапаны, направляющие клапана и головку цилиндров.


A102B066
Показать иллюстрациюПеревод текста в иллюстрациях


Заточка клапана

  1. Убедитесь, что на конусе тарелки клапана нет пережогов.
  2. Клапан можно переточить не более двух раз. Не затачивайте торец штока клапана.
  3. Убедитесь, что угол фаски клапана составляет 45 градусов.
  4. Проверьте высоту блока впускных и выпускных клапанов.


A102C050
Показать иллюстрациюПеревод текста в иллюстрациях


Развертка направляющей клапана

  1. Измерьте диаметр направляющей клапана, используя измеритель mkm-571-b и имеющийся в продаже внутренний микрометр.


  2. A102C051
    Показать иллюстрациюПеревод текста в иллюстрациях


    Важно: Клапаны ремонтного размера могли быть уже подогнаны на производстве.

  3. Код ремонтного размера указан на направляющей клапана и торце штока клапана. Следующая таблица дает правильные размеры, развертку и код производства для каждого сервиса.
  4. Размер
    Развертка
    Производство
    код
    Сервис
    код
    обычный
    К
    0,075
    km-805
    1
    k1
    0,150
    2
    k2

  5. Расточите направляющую клапана с верхней стороны головки цилиндров до следующего ремонтного размера.
  6. После раcточки зачеркние код и выбейте на направляющей клапана новый код.


A102B060
Показать иллюстрациюПеревод текста в иллюстрациях


Обработка резанием седла клапана

  1. Установите головку цилиндров на деревянную колоду.
  2. Отрежьте седла впускного и выпускного клапанов, используя бородок km–340–7 следующим образом:
  3. Уберите стружку с головки цилиндров.
  4. Проверьте размер для ширины седла клапана.
  5. Проверьте высоту блока впускных и выпускных клапанов. Если размер превышен, установите новые клапаны. Снова проверьте высоту блока впускных и выпускных клапанов. Если высота блока все-таки выше, несмотря на замену клапанов, замените головку цилиндров.


B102C040
Показать иллюстрациюПеревод текста в иллюстрациях


Процедура сборки

  1. Смажьте штоки клапана моторным маслом.
  2. Установите клапаны в головку цилиндров в их исходное положение.
  3. Вставьте гнезда пружин клапана.
  4. Наденьте прилагающиеся втулки на шток клапана.
  5. Вставьте новое гнездо штока клапана.
  6. Осторожно, легким постукиванием установите уплотнитель штока клапана до упора.
  7. Установите пружины клапана в их исходное положение.
  8. Установите крышки пружины клапана.


  9. A102C044
    Показать иллюстрациюПеревод текста в иллюстрациях


  10. Сожмите пружины клапана при помощи устройства сжатия пружины клапана km–348 и адаптера km–653.
  11. Установите клинья клапана.
  12. Снимите устройство сжатия пружины клапана km–348 и адаптер km–653.


  13. UAA1C280
    Показать иллюстрациюПеревод текста в иллюстрациях


  14. Смажьте приспособления для регулировки толкателя клапана моторным маслом.
  15. Установите регуляторы зазора клапанов.


  16. UAA1C270
    Показать иллюстрациюПеревод текста в иллюстрациях


  17. Установите впускной распределительный вал.
  18. Установите головки подшипника впускного распределительного вала в их исходное положение.
  19. Установите выпускной распределительный вал.
  20. Установите головки подшипника выпускного распределительного вала в их исходное положение.
  21. Установите винты головки подшипника распределительного вала.
  22. Затяните постепенно винты головки подшипника распределительного вала в указанной последовательности для каждой головки распределительного вала.
  23. Указания по установке
    Момент затяжки
    8 Н•м (71 фунто-дюйма)


    B402C005
    Показать иллюстрациюПеревод текста в иллюстрациях


  24. Установите свечи зажигания.
  25. Указания по установке
    Момент затяжки
    20 Н•м (15 lb-ft)
  26. Установить катушку зажигания электронной системы зажигания и монтажный кронштейн egr и винты.
  27. Указания по установке
    Момент
    затяжки
    Нижняя левая сторона: 20 Н•м(15 фунто-футов)
    Прочие: 30 Н•м(22 фунто-фута)

  28. Установить катушку зажигания электронной системы зажигания и egr.
  29. Указания по установке
    Момент затяжки
    8 Н•м (71 фунто-дюйма)


    UAA1C170
    Показать иллюстрациюПеревод текста в иллюстрациях


  30. Установите штыри впускного коллектора.
  31. Установите прокладку впускного коллектора.
  32. Установите впускной коллектор.
  33. Снимите стопорные винты и стопорные гайки впускного коллектора в нижеуказанной последовательности.
  34. Указания по установке
    Момент затяжки
    22 Н•м (16 lb-ft)


    B102C088
    Показать иллюстрациюПеревод текста в иллюстрациях


  35. Установите узел топливной рампы. Следуйте разделу 1F, Управление двигателя.
  36. Установите узел корпуса термостата.
  37. Установите крепежные винты корпуса термостата.
  38. Указания по установке
    Момент затяжки
    15 Н•м (11 lb-ft)
  39. Установите корпус и крепежные винты байпаса охлаждающей жидкости.
  40. Указания по установке
    Момент затяжки
    15 Н•м (11 lb-ft)


    UAA1C250
    Показать иллюстрациюПеревод текста в иллюстрациях


  41. Установите штыри выпускного коллектора.
  42. Установите прокладку выпускного коллектора.
  43. Установите выпускной коллектор.
  44. Установите стопорные гайки выпускного коллектора в указанной последовательности.
  45. Указания по установке
    Момент
    затяжки
    1-й этап:
    .
    2-й этап:
    .
    3-й этап:
    .
    4-й этап:
    .
    13 Н•м (10 lb-ft):
    9,10,6,5,8,7,2,1,3,4
    13 Н•м (10 lb-ft):
    9,10,6,5,8,7,2,1,3,4
    15 Н•м (11 lb-ft):
    9,10,6,5,8,7,2,1,3,4
    15 Н•м (11 lb-ft):
    9,10,6,5,8,7,2,1,3,4,9,10,6
  46. Установите теплоизоляционный щиток выпускного коллектора.
  47. Установите винты теплоизоляционного щитка выпускного коллектора.
  48. Указания по установке
    Момент затяжки
    15 Н•м (11 lb-ft)
  49. Установите головку цилиндров с присоединенным впускным и выпускным коллектором. Следуйте пункту "Головка цилиндров и прокладка" в этом разделе.


A102B095
Показать иллюстрациюПеревод текста в иллюстрациях


КОЛЕНЧАТЫЙ ВАЛ

Необходимое оборудование

KM-412 Стенд для капремонта двигателя
KM-470-B Угловой индикатор крутящего момента
J–36792 или KM–635 Приспособление для монтажа заднего сальника коленчатого вала

Примечание: Проявляйте особую аккуратность, не допуская появления царапин, вмятин или повреждений на распредвалах.

Процедура разборки

  1. Снимите двигатель. Следуйте пункту "Двигатель" в этом разделе.
  2. Снимите винты маховика или гибкой пластины.
  3. Снимите маховик или гибкую пластину.


  4. A102C170
    Показать иллюстрациюПеревод текста в иллюстрациях


  5. Снимите задний сальник коленчатого вала.
  6. Установите двигатель на стенд для капремонта двигателя kw-412.


  7. UAA1C220
    Показать иллюстрациюПеревод текста в иллюстрациях


  8. Снимите винты передней крышки приводного ремня газораспределительного механизма
  9. Снимите переднюю крышку приводного ремня газораспределительного механизма
  10. Снимите винты шкива коленчатого вала.
  11. Снимите шкив коленчатого вала.


  12. UAA1C420
    Показать иллюстрациюПеревод текста в иллюстрациях


  13. Освободите винт автоматического натяжителя приводного ремня газораспределительного механизма.
  14. Поверните шестиугольную головку автоматического натяжителя приводного ремня газораспределительного механизма по часовой стрелке, чтобы ослабить натяжение.
  15. Снимите винт и гайку холостого шкива приводного ремня газораспределительного механизма.
  16. Снимите холостые шкивы приводного ремня газораспределительного механизма.


  17. UAA1C430
    Показать иллюстрациюПеревод текста в иллюстрациях


  18. Снимите приводной ремень газораспределительного механизма.
  19. Снимите стопорные винты подвески двигателя.
  20. Снимите подвеску двигателя.


  21. UAA1C060
    Показать иллюстрациюПеревод текста в иллюстрациях


  22. Отсоедините трубы сапуна от крышки клапана.
  23. Снимите винты крышки свечей зажигания.
  24. Снимите крышку свечей зажигания.
  25. Отсоедините провода зажигания от свечей зажигания.
  26. Снимите винты крышки клапанного механизма.
  27. Снимите кольцевые прокладки крышки клапанного механизма.
  28. Снимите крышку клапанного механизма и прокладку крышки клапанного механизма.


  29. UAA1C260
    Показать иллюстрациюПеревод текста в иллюстрациях


    Примечание: Проявляйте особую аккуратность, не допуская появления царапин, вмятин или повреждений на распредвалах.

  30. Крепко удерживая впускной распределительный вал, снимите винт впускного распредвала.
  31. Снимите шестерню впускного распределительного вала.
  32. Крепко удерживая выпускной распределительный вал, снимите винт выпускного распредвала.
  33. Снимите шестерню выпускного распределительного вала.


  34. UAA1C440
    Показать иллюстрациюПеревод текста в иллюстрациях


  35. Снимите винт механизма приводного ремня газораспределительного механизма.
  36. Снимите шестерню приводного ремня газораспределительного механизма.


  37. UAA1C450
    Показать иллюстрациюПеревод текста в иллюстрациях


  38. Снять винты/болт задней крышки зубчатого ремня.
  39. Снимите заднюю крышку приводного ремня газораспределительного механизма.


  40. A102C158
    Показать иллюстрациюПеревод текста в иллюстрациях


  41. Поверните двигатель на стенде для капремонта двигателя km-412.


  42. B102C092
    Показать иллюстрациюПеревод текста в иллюстрациях


  43. Снимите стопорные винты масляного поддона.
  44. Снимите масляный поддон.
  45. Снимите маслооткачивающую трубу и винты опорного кронштейна.
  46. Снимите маслооткачивающую трубу.
  47. Снимите перемычку коренного подшипника и винты скребка масляного поддона.
  48. Снимите масляный поддон.
  49. Снимите винты перемычки коренного подшипника.
  50. Снимите перемычку коренного подшипника.


  51. UAA1C360
    Показать иллюстрациюПеревод текста в иллюстрациях


  52. Снимите стопорные винты масляного насоса.
  53. Снимите масляный насос.


  54. B102C076
    Показать иллюстрациюПеревод текста в иллюстрациях


  55. Пометьте порядок расположения крышек шатунных подшипников.
  56. Снимите винты крышек шатунных подшипников для всех поршней.
  57. Снимите крышки шатунных подшипников и опустите шатунные подшипники.


  58. B102C078
    Показать иллюстрациюПеревод текста в иллюстрациях


  59. Пометьте порядок расположения крышек коренных подшипников.
  60. Снимите винты крышек коренных подшипников.
  61. Снимите крышки коренных подшипников и нижние коренные подшипники.
  62. Снимите коленчатый вал.
  63. Почистите детали, если необходимо.


B102C077
Показать иллюстрациюПеревод текста в иллюстрациях


Процедура сборки

  1. Смажьте коренные подшипники моторным маслом.
  2. При замене коленчатого вала, перенесите диск датчика импульсов на новый коленчатый вал.


  3. A102B070
    Показать иллюстрациюПеревод текста в иллюстрациях


  4. Установите коленчатый вал.
  5. Установите нижние коренные подшипники в крышки подшипников.
  6. Проверьте осевой люфт коленчатого вала с установленными коренными подшипниками.
  7. Проверьте допустимый осевой люфт коленчатого вала. Следуйте пункту "Технические характеристики двигателя" в этом разделе.


  8. A102B071
    Показать иллюстрациюПеревод текста в иллюстрациях


  9. Когда коленчатый вал установлен в передние и задние коренные подшипники, проверьте среднюю шейку коленвала на допустимую эксцентричность (биение). Следуйте пункту "Технические характеристики двигателя " в этом разделе.


  10. A102B072
    Показать иллюстрациюПеревод текста в иллюстрациях


    Важно: Смажьте шейки коленчатого вала консистентной смазкой и слегка смажьте коренные подшипники, чтобы пластмассовая калиброванная проволока не сорвалась при снятии крышек коренных подшипников.

  11. Проверьте все зазоры коренных подшипников, используя имеющуюся в продаже пластмассовую калибровочную проволоку (эластичная калибровочная проволока).
  12. Отрежьте пластмассовую калибровочную проволоку размером с ширину подшипника. Положите ее в осевом направлении между шейками коленчатого вала и коренными подшипниками.
  13. Установите крышки коренных подшипников и винты.
  14. Указания по установке
    Момент затяжки
    50 Н•м (37 lb-ft) +45°+15°


    A102B073
    Показать иллюстрациюПеревод текста в иллюстрациях


  15. Снимите винты крышек коренных подшипников и крышки.
  16. Измерьте ширину сплющенной пластмассовой калибровочной проволоки, используя линейку. (Пластмассовая калибровочная проволока имеется для разных допусков).
  17. Проверьте зазоры в подшипниках на разрешенные допуски. Следуйте пункту "Технические характеристики двигателя" в этом разделе.


  18. A102B091
    Показать иллюстрациюПеревод текста в иллюстрациях


  19. Нанесите валик клеевого герметика на канавки крышек коренных подшипников.
  20. Установите крышки коренных подшипников на блок цилиндров.
  21. Затяните крышки коренных подшипников, используя новые винты.
  22. Указания по установке
    Момент затяжки
    50 Н•м (37 lb-ft) +45°+15°


    A102B072
    Показать иллюстрациюПеревод текста в иллюстрациях


    Важно: Смажьте шейки шатунного подшипника и слегка смажьте шатунные подшипники, чтобы пластмассовая калиброванная проволока не сорвалась при снятии крышек шатунных подшипников.

  23. Проверьте все зазоры шатунных подшипников, используя имеющуюся в продаже пластмассовую калибровочную проволоку (эластичная калибровочная проволока).
  24. Отрежьте пластмассовую калибровочную проволоку размером с ширину шатунного подшипника. Положите ее в осевом направлении между шейками шатуна и шатунными подшипниками.
  25. Установите крышки шатунных подшипников.
  26. Указания по установке
    Момент затяжки
    35 Н•м (26 lb-ft)+ 45°+ 15°


    A102B073
    Показать иллюстрациюПеревод текста в иллюстрациях


  27. Снимите крышки шатунных подшипников.
  28. Измерьте ширину сплющенной пластмассовой калибровочной проволоки, используя линейку. (Пластмассовая калибровочная проволока имеется для разных допусков).
  29. Проверьте зазоры в подшипниках на разрешенные допуски. Следуйте пункту "Технические характеристики двигателя" в этом разделе.


  30. A102C151
    Показать иллюстрациюПеревод текста в иллюстрациях


  31. Установите крышки шатунных подшипников на шатуны.
  32. Затяните крышки шатунных подшипников, используя новые винты.
  33. Указания по установке
    Момент затяжки
    35 Н•м (26 lb-ft)+ 45°+ 15°


    UAA1C360
    Показать иллюстрациюПеревод текста в иллюстрациях


  34. Установите масляный насос.
  35. Установите стопорные винты масляного насоса.
  36. Указания по установке
    Момент затяжки
    10 Н•м (89 lb-in)


    B102C091
    Показать иллюстрациюПеревод текста в иллюстрациях


  37. Установить опорный кронштейн нижнего блока и винты.
  38. Указания по установке
    Момент затяжки
    20 Н•м (15 lb-ft)
    +45°
  39. Установить брызговик опорного кронштейна нижнего блока и винты.
  40. Указания по установке
    Момент затяжки
    20 Н•м (15 lb-ft)
    +45°
  41. Установите маслооткачивающую трубу.
  42. Установить маслооткачивающую трубу на винты масляного насоса.
  43. Указания по установке
    Момент затяжки
    8 Н•м (71 фунто-дюйма)
  44. Установите винты опорного кронштейна маслооткачивающей трубы.
  45. Указания по установке
    Момент затяжки
    20 Н•м (15 lb-ft)
    +45°


    UAA1C400
    Показать иллюстрациюПеревод текста в иллюстрациях


  46. Нанесите герметик на новую прокладку масляного поддона.
  47. Установите прокладку на масляный поддон.
  48. Установите масляный поддон.
  49. Установите стопорные винты масляного поддона.
  50. Указания по установке
    Момент затяжки
    20 Н•м (15 lb-ft)


    A102C158
    Показать иллюстрациюПеревод текста в иллюстрациях


  51. Поверните двигатель на стенде для капремонта двигателя km-412.


  52. B102C097
    Показать иллюстрациюПеревод текста в иллюстрациях


  53. Установите заднюю крышку приводного ремня газораспределительного механизма.
  54. Установите винты задней крышки приводного ремня газораспределительного механизма.
  55. Указания по установке
    Момент затяжки
    10 Н•м (89 lb-in)
  56. Установите шестерню коленчатого вала и винт.
  57. Указания по установке
    Момент затяжки
    130 Н•м (96 lb-ft) +40° ± 5°
  58. Установите стопорные винты и подвеску двигателя.
  59. Указания по установке
    Момент затяжки
    60 Н•м (44 фунт-фут)


    UAA1C420
    Показать иллюстрациюПеревод текста в иллюстрациях


  60. Установите автоматический натяжитель приводного ремня газораспределительного механизма.
  61. Установите винты автоматического натяжителя приводного ремня газораспределительного механизма.
  62. Указания по установке
    Момент затяжки
    25 Н•м (18 lb-ft)
  63. Установите холостые шкивы приводного ремня газораспределительного механизма.
  64. Установите винт и гайку холостого шкива приводного ремня газораспределительного механизма.
  65. Указания по установке
    Момент затяжки
    25 Н•м (18 lb-ft)

    Примечание: Проявляйте особую аккуратность, не допуская появления царапин, вмятин или повреждений на распредвалах.



    UAA1C260
    Показать иллюстрациюПеревод текста в иллюстрациях


  66. Установите шестерню впускного распределительного вала.
  67. Крепко удерживая впускной распределительный вал, снимите винт и шестерную впускного распредвала.
  68. Указания по установке
    Момент затяжки
    50 Н•м (37 lb-ft)+60°+15°
  69. Установите шестерню выпускного распределительного вала.
  70. Крепко удерживая выпускной распределительный вал, снимите винт и шестерную выпускного распредвала.
  71. Указания по установке
    Момент затяжки
    50 Н•м (37 lb-ft) +60°+15°


    UAA1C060
    Показать иллюстрациюПеревод текста в иллюстрациях


  72. Установите приводной ремень газораспределительного механизма. Следуйте пункту "Приводной ремень газораспределительного механизма" в этом разделе.
  73. Отрегулируйте натяжение приводного ремня газораспределительного механизма. Следуйте пункту "Проверка и регулировка натяжения приводного ремня газораспределительного механизма" в этом разделе.
  74. Нанесите небольшое количество герметика на углы передней головки распределительного вала и на верх уплотнения крышки газораспределительного механизма с головкой цилиндров.
  75. Установите новую прокладку крышки клапанного механизма и саму крышку клапанного механизма.
  76. Установите винты крышки клапанного механизма.
  77. Соедините провода зажигания со свечами зажигания.
  78. Установить крышку свечей зажигания и винты.
  79. Присоедините трубку сапуна к крышке газораспределительного механизма.


  80. B102C046
    Показать иллюстрациюПеревод текста в иллюстрациях


  81. Установите переднюю крышку приводного ремня газораспределительного механизма.
  82. Установите винты передней крышки приводного ремня газораспределительного механизма.
  83. Установите подъемное устройство для двигателя.
  84. Снимите двигатель со стенда для капремонта двигателя km-412.


  85. A102C152
    Показать иллюстрациюПеревод текста в иллюстрациях


  86. Установите новый задний сальник коленчатого вала, используя приспособление j–36792 или km–635.


  87. A102C159
    Показать иллюстрациюПеревод текста в иллюстрациях


  88. Установите маховик или гибкую пластину.
  89. Установите винты маховика или гибкой пластины.
  90. Указания по установке
    Момент затяжки
    Винты маховика
    60 Н•м (48 lb-ft)
    +30° +15°
    Момент затяжки
    Винты гибкой пластины
    65 Н•м (48 lb-ft)
  91. Установите двигатель. Следуйте пункту "Двигатель" в этом разделе.


A102B070
Показать иллюстрациюПеревод текста в иллюстрациях


КОРЕННЫЕ И ШАТУННЫЕ ПОДШИПНИКИ – КАЛИБРОВАННАЯ ПЛАСТМАССОВАЯ ПРОВОЛОКА

Необходимое оборудование

KM-470-B Угловой индикатор крутящего момента

Процедура проверки - коленчатый вал

  1. Смажьте коренные подшипники моторным маслом.
  2. Установите верхние коренные подшипники в шейки коленвала блока цилиндров.
  3. Установите нижние коренные подшипники в крышки коренных подшипников.
  4. Установите коленчатый вал.
  5. Проверьте осевой люфт коленчатого вала с установленными коренными подшипниками.
  6. Проверьте допустимый осевой люфт коленчатого вала. Следуйте пункту "Технические характеристики двигателя" в этом разделе.


  7. A102B071
    Показать иллюстрациюПеревод текста в иллюстрациях


  8. Когда коленчатый вал установлен в передние и задние коренные подшипники, проверьте среднюю шейку коленвала на допустимую эксцентричность (биение). Следуйте пункту "Технические характеристики двигателя " в этом разделе.


  9. A102B072
    Показать иллюстрациюПеревод текста в иллюстрациях


    Важно: Смажьте шейки коленчатого вала консистентной смазкой и слегка смажьте коренные подшипники, чтобы пластмассовая калиброванная проволока не сорвалась при снятии крышек коренных подшипников.

  10. Проверьте все зазоры коренных подшипников, используя имеющуюся в продаже пластмассовую калибровочную проволоку (эластичная калибровочная проволока).
  11. Отрежьте пластмассовую калибровочную проволоку размером с ширину подшипника. Положите ее в осевом направлении между шейками коленчатого вала и коренными подшипниками.


  12. A102B091
    Показать иллюстрациюПеревод текста в иллюстрациях


  13. Установите крышки коренных подшипников.
  14. Установите винты крышки коренных подшипников.
  15. Указания по установке
    Момент затяжки
    50 Н•м (37 lb-ft) +45°+15°


    A102B073
    Показать иллюстрациюПеревод текста в иллюстрациях


  16. Снимите крышки коренных подшипников.
  17. Измерьте ширину сплющенной пластмассовой калибровочной проволоки, используя линейку. (Пластмассовая калибровочная проволока имеется для разных допусков).
  18. Проверьте зазоры в подшипниках на разрешенные допуски. Следуйте пункту "Технические характеристики двигателя" в этом разделе.


A102B072
Показать иллюстрациюПеревод текста в иллюстрациях


Процедура проверки - шатуны

  1. Смажьте шатунные подшипники моторным маслом.
  2. Установите верхние шатунные подшипники в шейки шатунов.
  3. Установите нижние шатунные подшипники в крышки шатунных подшипников.
  4. Важно: Смажьте шейки шатунного подшипника и слегка смажьте шатунные подшипники, чтобы пластмассовая калиброванная проволока не сорвалась при снятии крышек шатунных подшипников.

  5. Проверьте все зазоры шатунных подшипников, используя имеющуюся в продаже пластмассовую калибровочную проволоку (эластичная калибровочная проволока).
  6. Отрежьте пластмассовую калибровочную проволоку размером с ширину подшипника. Положите ее в осевом направлении между шейками шатуна и шатунными подшипниками.


  7. A102C151
    Показать иллюстрациюПеревод текста в иллюстрациях


  8. Установите крышки шатунных подшипников.
  9. Установите винты крышки шатунных подшипников.
  10. Указания по установке
    Момент затяжки
    35 Н•м (26 lb-ft)+ 45°+ 15°


    A102B073
    Показать иллюстрациюПеревод текста в иллюстрациях


  11. Снимите крышки шатунных подшипников.
  12. Измерьте ширину сплющенной пластмассовой калибровочной проволоки, используя линейку. (Пластмассовая калибровочная проволока имеется для разных допусков).
  13. Проверьте зазоры в подшипниках на разрешенные допуски. Следуйте пункту "Технические характеристики двигателя" в этом разделе.

ТЕХНИЧЕСКИЕ ХАРАКТЕРИСТИКИ

ТЕХНИЧЕСКИЕ ХАРАКТЕРИСТИКИ ДВИГАТЕЛЯ

ПРОГРАММА
2,0 л двойной верх. распредвал
. Общие данные:
Тип двигателя
4 цилиндра (рядный)
Рабочий объем
1,998 см³ (121 in ³)
Ход цилиндра
86× 86 мм (3,38 дюймов× 3,38 дюймов)
Степень сжатия
9.6:1
Последовательность воспламенения
1-3-4-2
. Отверстие цилиндра:
Диаметр
85.975 ~ 86.025 мм
(3.384 ~ 3.386 дюймов)
Допуск по цилиндричности (максимум)
0,013 мм (0.0005 in.)
Коничность диаметра цилиндра (максимальная)
0,013 мм (0.0005 in.)
Выступание поршня
0.5 мм макс.(0.019 дюйма)
Увеличенный ремонтный размер (замерьте ремонтный поршень перед расточкой)
Имеется размер 0.50 мм в соответствии с диаметром расточки (0.019 дюйма)
Стандартная ремонтная расточка
имеются 4 комплекта поршня, пальца и кольца
Деформация фаски блока цилиндров
0,05 мм макс. (0.00197 дюйма)
. Поршень:
Диаметр
85.955 ~ 86.485 мм
(3.384 ~ 3.404 in.)
Зазор к цилиндру
0.030 ~ 0.050 мм
(0.00118 ~ 0.0020 in.)
Выступ поршня
0.5 мм макс.
(0.019 in.)
Конусность поршня
0,013 мм (0.0005 in.)
. Поршневые кольца:
Кольцо, зазор в конце, компрессия в верхнем положении
0.20 ~ 0.35 мм
(0.0079 ~ 0.0137 in.)
Кольцо, торцевой зазор, второе сжимание
0.3 ~ 0.5 мм
(0.011 ~ 0.019 in.)
Масло
0.25 ~ 0.76 мм
(0.0098 ~ 0.0299 in.)
. Поршневой палец:
Диаметр
20.9970 ~ 20.9985 мм
(0.82665 ~ 0.82671 in.)
Смещение пальца
1,0 мм (0,039 дюйма)
в сторону поршня
Зазор: В поршне
0.0035 ~ 0.0140 мм
(0.00013 ~ 0.00055 in.)
Зазор: В шатуне
Посадка с натягом в шатуне
Длина
61,5 мм (2.42 in.)
. Распределительный вал:
Впускной подъем
10,0 мм (0,39 дюйма)
Выпускной подъем
10,0 мм (0,39 дюйма)
Расстояние от головки распределительного вала до шейки распределительного вала ка распредвала к зазору
0.04 ~ 0.144 мм
(0.0015 ~ 0.0056 in.)
Наружный диаметр шейки подшипника
42.455 ~ 43.470 мм
(1.6714 ~ 1.7114 in.)
. Коленчатый вал:
Коренная шейка
-
Диаметр (все)
57.974 ~ 57.995 мм
(2.2824 ~ 2.2832 in.)
Радиальное биение (осевая опора у подшипника № 1 и № 5, измеряется у шейки № 3)
0.03 ~ 0.061 мм
(0.00118 ~ 0.00240 in.)
Зазор коренного подшипника (все)
0.015 ~ 0.061 мм
(0.00059 ~ 0.00240 in)
Осевой люфт
0.070 ~ 0.302 мм
(0.0027 ~ 0.0118 in.)
Увеличенный ремонтный размер, имеется 2 размера
0.25 и 0.5 мм
(0.00098 и 0.019 дюйма)
. Шейка шатуна:
Диаметр (все)
48.981 ~ 48.987 мм
(1.9283 ~ 1.9286 in.)
Допуск по цилиндричности (максимум)
0,004 мм (0.00015 in.)
Люфт подшипника штока
0.006 ~ 0.031 мм
(0.00023 ~ 0.00122 in.)
Зазор подшипника штока (все)
0.019 ~ 0.063 мм
(0.0007 ~ 0.0024 in.)
(производство 0,013 ~ 0,041 мм)
(0.0005 ~ 0,0016 дюйма)
. Головка цилиндров:
Выступ штока клапана
39.8 мм макс.(1.566 in.)
Высота направляющей клапана
13.7 ~ 14.0 мм
(0.53 ~ 0.55 in.)
Общая высота
134.0± 0.025 мм
(5.275 ~ 0.0009 in)
Минимальная общая высота после обработки
133.9 мм (5.271 in.)
. Клапанная система:
Компенсаторы зазора в клапанах
гидравлические
Биение седла (максимум, все)
0.03 мм (0.001 in.)
Биение фаски (максимум, все)
0.03 мм (0.001 in.)
Диаметр штока клапана
Впуск
.
5.970 ~ 5.955 мм
(0.235 ~ 0.234 in.)
Выпуск
5.960 ~ 5.945 мм
(0.23464 ~ 0.2360 in.)
Диаметр клапана:
Впуск
.
32 ±0.1 мм
(1.2598± 0.0039 in.)
Выпуск
29± 0.1 мм
(1.1417± 0.0039 in.)
Ширина седла клапана:
Впуск
.
1.0 ~ 1.5 мм
(0.039 ~ 0.059 in.)
Выпуск
1.7 ~ 2.2 мм
(0.066 ~ 0.086 in.)
Угол фаски клапана
44°
Угол седла клапана
40°
Внутренний диаметр направляющей клапана
6.000 ~ 6.012 мм
(0.236 ~ 0.237 in.)
. Масляный насос:
Зазор подшипника
0.10 ~ 0.20 мм
(0.0040 ~ 0.008 in.)
Наружная шестерня к кузову
0.11 ~ 0.19 мм
(0.0043 ~ 0.0074 in.)
Наружная шестерня к серповидной детали
0.11 ~ 0.24 мм
(0.0043 ~ 0.009 in.)
Внутренняя шестерня к серповидной детали
0.18 ~ 0.26 мм
(0.007 ~ 0.010 in.)
Торцевой зазор
0.03 ~ 0.10 мм
(0.001 ~ 0.004 in.)
. Уплотнители и клеи:
Крышка корпуса заднего коренного подшипника
ge p/n rtv 159
Опора распределительного вала к головке цилиндров
hn 1581 (loctite ® 515))
Винты масляного поддона
hn 1256 (loctite® 542)
Винты масляного насоса
hn 1256 (loctite® 542)
Винты подающей трубки масляного поддона
hn 1256 (loctite® 542)
Заглушка канала для смазки
hn 1256 (loctite® 542)
Крышки и заглушки охладительной рубашки (охладительные заглушки)
hn 1756 (loctite ®176)
Штыри/гайки выпускного коллектора
Противозадирный состав
(НМС спец. HN1325)

МОМЕНТЫ ЗАТЯЖКИ РЕЗЬБОВЫХ СОЕДИНЕНИЙ

ПРОГРАММА
Н•м
lb-ft
lb-in
Винт шланга приспособления для сжатия А/С
33
24
-
Винты корпуса воздушного фильтра
8
-
71
Винт кронштейна хомута генератора к впускному коллектору
20
15
-
Винты опорного кронштейна генератора к впускному коллектору
35
26
-
Винт автоматического натяжителя
25
18
-
Винты крышек подшипников распределительного вала
8
-
71
Винт кронштейна соленоида фильтра очистки паров топлива
5
-
44
Винты крышки шатунного подшипника
35
+ 45° + 15°
26
+ 45° + 15°
-
Винты корпуса байпаса охлаждающей жидкости.
15
11
-
Стопорные винты насоса охлаждающей жидкости
20
15
-
Датчик температуры охлаждающей жидкости
25
18
-
Винты крышки коренного подшипника
50
+45° +15°
37
+ 45°
-
Стопорный винт датчика положения коленчатого вала
13
-
115
Винты шкива коленчатого вала
20
15
-
Болт ведущей шестерни приводного ремня газораспределительного механизма коленчатого вала
130
+40° +50°
96
+ 40° + 50°
-
Винты головки цилиндров
25
+ 90°+ 90°+ 90°
18
+ 90°+ 90°+ 90°
-
Катушка зажигания dis и винты монтажного кронштейна egr
25
18
-
Винты нижнего опорного кронштейна блока цилиндров двигателя/Винты брызговика
35
26
-
Винты подвески двигателя
60
44
-
Стопорные винты крепления подвески двигателя на подвеске двигателя
60
44
-
Стопорные винты и гайка кронштейна подвески двигателя
60
44
-
Винты крепления кронштейна подвески двигателя с блоком цилиндров
90
66
-
Гайки крепления кронштейна подвески двигателя к блоку цилиндров
90
66
-
Стопорные винты подвески двигателя
60
44
-
Опорный кронштейн двигателя к впускному коллектору
20
15
-
Винты шестерни выпускного распределительного вала
50
+60° +15°
37
+60° +15°
-
Стопорные гайки выпускной гибкой трубы к каталитическому преобразователю
30
22
-
Выпускная гибкая труба к стопорным гайкам выпускного коллектора
22
16
-
Болты опорного кронштейна гибкой трубы глушителя
30
22
-
Винты клапана рециркуляции отработавших газов
20
15
-
Винты теплоизоляционного щитка выпускного коллектора
15
11
-
Стопорные гайки выпускного коллектора
15
11
-
Винты опорного кронштейна на выходе
30
22
.
Винты гибкой пластины
65
48
-
Винты маховика
65
+ 30° + 15°
48
+ 30° + 15°
-
Винты передней крышки приводного ремня газораспределительного механизма
6
-
53
Стопорные винты топливной рампы
25
18
-
Монтажные болты катушки зажигания
10
-
89
Винт шестерни впускного распредвала
50
+60° +15°
37
+60° +15°
-
Стопорные гайки и винты впускного коллектора
18
13
-
Нижние винты опорного кронштейна впускного коллектора
20
15
-
Верхние винты опорного кронштейна впускного коллектора
20
15
-
Пробка сливного отверстия масляного поддона
35
26
-
Винты фланца масляного поддона к коробке передач с главной передачей в сборе
40
30
-
Стопорные винты масляного поддона
10
-
89
Стопорные винты масляного насоса
10
-
89
Винты подающей трубки масляного насоса
8
-
71
Винт опорного кронштейна приемной трубки масляного насоса
10
-
89
Винты задней крышки масляного насоса
6
-
53
Винт зажима шланга рулевого привода с усилителем
8
-
71
Винты задней крышки приводного ремня газораспределительного механизма
6
-
53
Стопорные винты резонатора
8
-
71
Винты крышки свечей зажигания
3
-
27
Свечи зажигания
20
15
-
Крепежные винты корпуса термостата
15
11
-
Винты кронштейна троса дроссельной заслонки
8
-
71
Болт автоматического натяжителя приводного ремня газораспределительного механизма
25
18
-
Гайки холостого шкива забчатого ремня привода
25
18
-
Винты корпуса картера коробки передач с главной передачей в сборе
75
55
-
Винты гидротрансформатора коробки передач с главной передачей в сборе
60
44
-
Винты крышки клапанного механизма
8
-
71

СПЕЦИАЛЬНЫЕ ИНСТРУМЕНТЫ И ОБОРУДОВАНИЕ

ТАБЛИЦА СПЕЦИАЛЬНЫХ ИНСТРУМЕНТОВ


A102C153
Показать иллюстрациюПеревод текста в иллюстрациях


. km-653
. Пружина клапана
. Адаптер для сжатия пружин

B102C045
Показать иллюстрациюПеревод текста в иллюстрациях


. km-535
. Приспособление для установки

B102C044
Показать иллюстрациюПеревод текста в иллюстрациях


. km-135
. адаптер

A102C154
Показать иллюстрациюПеревод текста в иллюстрациях


. km-805
. Направляющая клапана
. Развертка

A102C155
Показать иллюстрациюПеревод текста в иллюстрациях


. j-36972
. Приспособление для монтажа заднего сальника коленчатого вала
.

A102B154
Показать иллюстрациюПеревод текста в иллюстрациях


. МКМ-571-В
. Индикатор

A102B152
Показать иллюстрациюПеревод текста в иллюстрациях


. dw110-060
. Приспособление для
. Оправка

A102B159
Показать иллюстрациюПеревод текста в иллюстрациях


. km-412
. Стенд для капремонта двигателя
. Стенд

A102B157
Показать иллюстрациюПеревод текста в иллюстрациях


. km-348
. Пружина клапана
. Приспособление для сжатия пружин

A102B160
Показать иллюстрациюПеревод текста в иллюстрациях


. km-635
. Приспособление для монтажа заднего сальника коленчатого вала
.

A102B153
Показать иллюстрациюПеревод текста в иллюстрациях


. km-427
. Поршневой палец
. Комплект для техобслуживания

C102B004
Показать иллюстрациюПеревод текста в иллюстрациях


. j-8037
. Универсальное приспособление
. для сжимания поршневых колец

A102B156
Показать иллюстрациюПеревод текста в иллюстрациях


. КМ--340-О
. Комплект режущих инструментов

A102B161
Показать иллюстрациюПеревод текста в иллюстрациях


. km-470-b
. Угловой индикатор крутящего момента

C102B005
Показать иллюстрациюПеревод текста в иллюстрациях


. j-8087
. Отверстие цилиндра
. Измеритель

A202B005
Показать иллюстрациюПеревод текста в иллюстрациях


. km-498-b
. Манометр


На предыдущую страницуНа следующую страницу
https://vnx.su/ 🛠 Руководства по ремонту и эксплуатации для автомобилей

Поиск по сайту

Остались вопросы или пожелания? Пишите на почту: support@vnx.su

Карта Сайта