Tacuma-Rezzo
To Previous Page To Next Page



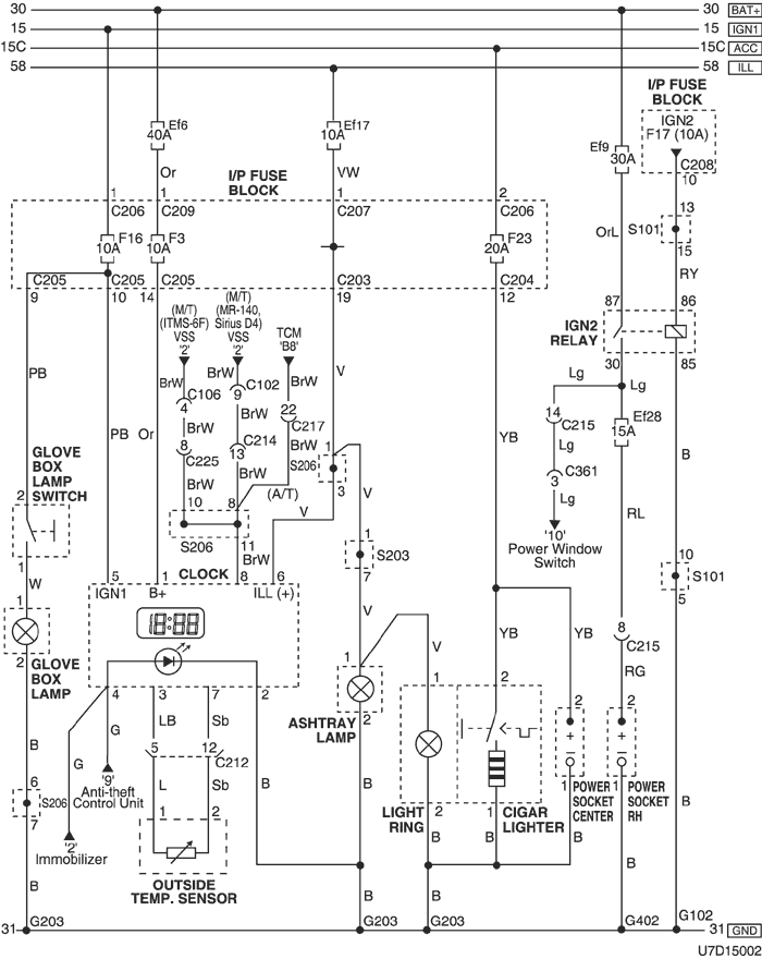
14. ILLUMINATION(ASHTRAY & CIGARETTE LIGHTER), GLOVE BOX LAMP & CLOCK CIRCUIT

U7D15002.png


a. CONNECTOR INFORMATION

connector no
(pin no, color)
connecting wiring harness connector position
C102 (16 Pin, Black) Engine – Front Behind the Left Headlamp (MR-140, Sirius D4)
C106 (16 pin, Black) Engine - ECM Right Upper The Driver Leg Room
C203 (22 Pin, White) I/P Fuse Block – IP Front the I/P Fuse Block
C204 (12 Pin, White) I/P Fuse Block – IP Front the I/P Fuse Block
C205 (14 Pin, White) I/P Fuse Block – IP Front the I/P Fuse Block
C206 (3 Pin, Brown) I/P Fuse Block – IP Front the I/P Fuse Block
C207 (22 Pin, White) I/P Fuse Block – Front Behind the I/P Fuse Block
C208 (14 Pin, White) I/P Fuse Block – Front Behind the I/P Fuse Block
C209 (1 Pin, Colorless) I/P Fuse Block – Front Behind the I/P Fuse Block
C212 (18 Pin, Blue) Front – IP Left Upper the Driver Leg Room
C214 (26 Pin, Yellow) Front – IP Left Upper the Driver Leg Room
C215 (16 Pin, White) Floor – Front Under the I/P Fuse Block
C217 (22 Pin, White) IP – TCM Center Upper the Driver Leg Room
C225 (8 Pin, White) IP – ECM Center Upper The Driver Leg Room
C361 (29 Pin, White) Floor – Driver Door Inside Right 'A' Pillar
S101 (White) Front Inside the Engine Fuse Block
S203 (Orange) IP Rear Center Instrument Panel
S206 (Violet) IP Rear Left Glove Box
G102 Front Behind the Left Headlamp
G203 IP Under Right Ashtray
G402 Floor Right the Trunk Room Under the Tail Lamp

b. CONNECTOR IDENTIFICATION SYMBOL & PIN NUMBER POSITION

U4D1P112.png


c. POSITION OF CONNECTORS AND GROUNDS

U4D12024.png


d. SPLICE PACK

s101

U6D1S008.png


s203

U5D1S016.png


s206

U5D1S018.png


To Previous Page To Next Page


https://vnx.su/ 🛠 Руководства по ремонту и эксплуатации для автомобилей

Поиск по сайту

Остались вопросы или пожелания? Пишите на почту: support@vnx.su

Карта Сайта