Tacuma-Rezzo
To Previous Page To Next Page




3

wiring diagram for power supplies



1. IGNITION SWITCH CIRCUIT

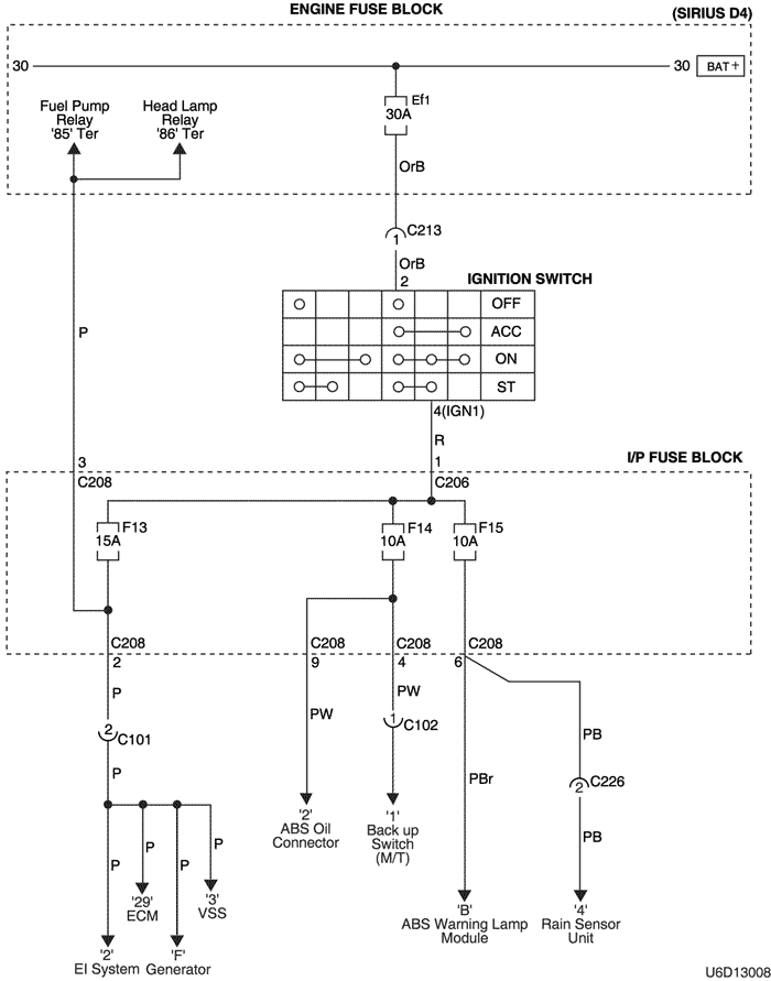
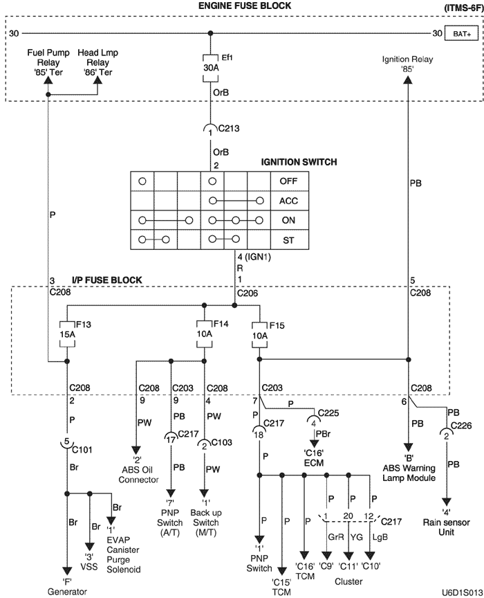
1) 15 ter ign 1 power supply circuit (i/p fuse block)

U6D13001.png


U6D13008.png


U6D13013.png


U5D13023.png


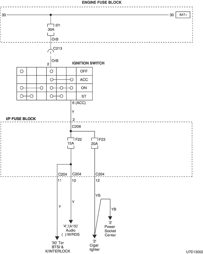
2) 15c acc power supply circuit (i/p fuse block)

U7D13002.png


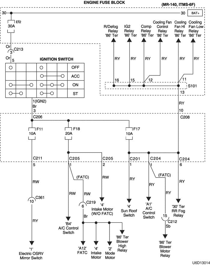
3) 15a ign 2 power supply circuit (i/p fuse block)

U6D13014.png


U5D13026.png


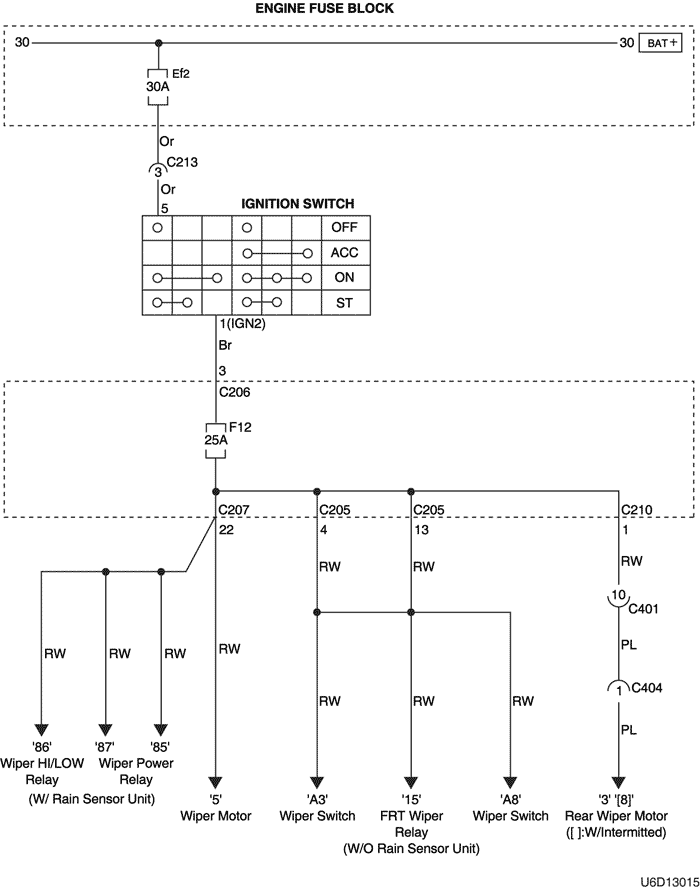
U6D13015.png




2. ENGINE FUSE BLOCK & RELAY CIRUIT

U4D13040.png


U5D13028.png


U5D13029.png


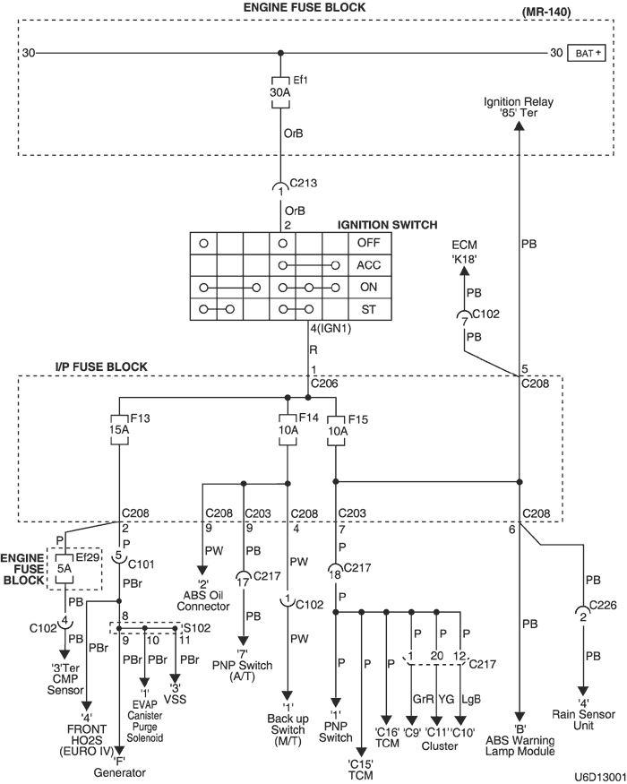
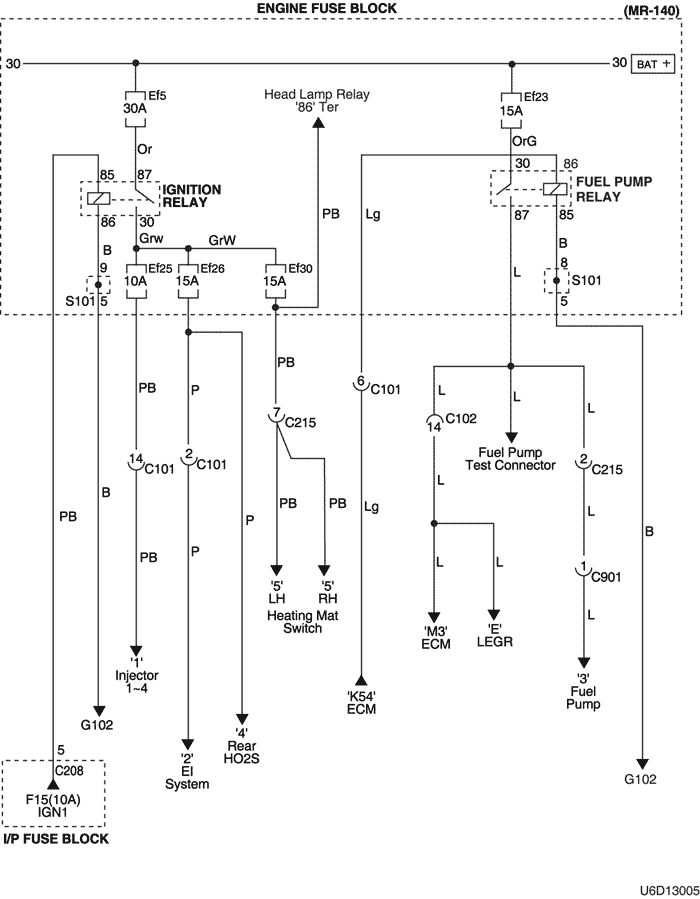
U6D13005.png


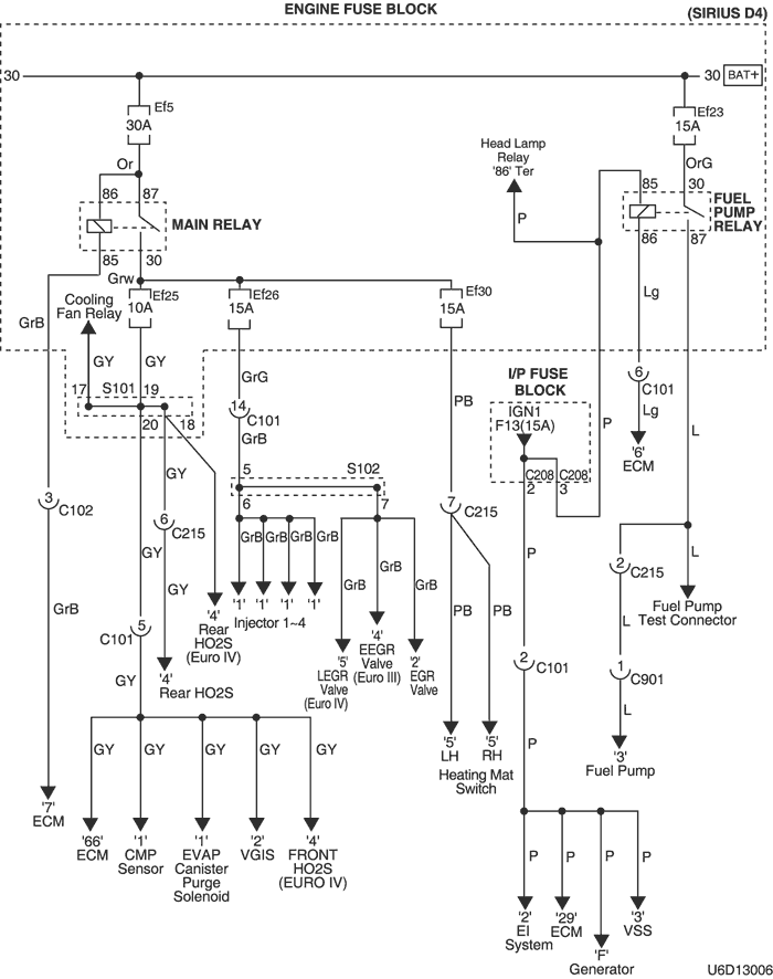
U6D13006.png


U6D13016.png


U5D13031.png


U5D13015.png


U5D13032.png


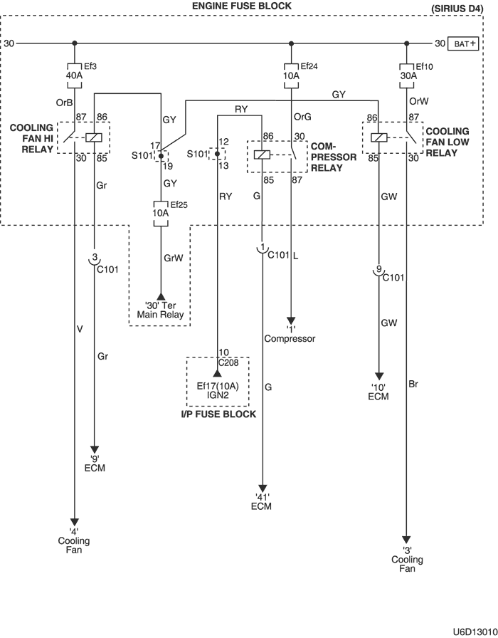
U6D13010.png


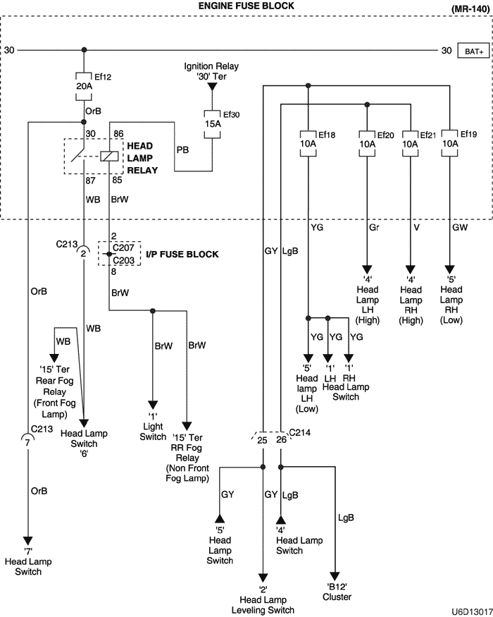
U6D13017.png


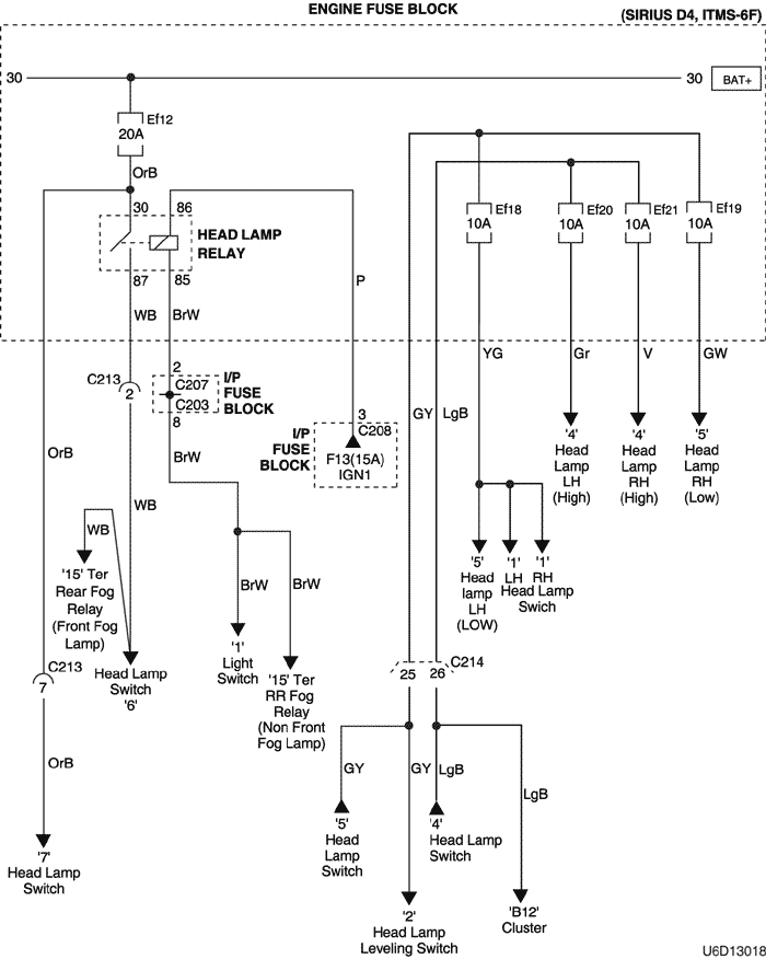
U6D13018.png


U5D13035.png


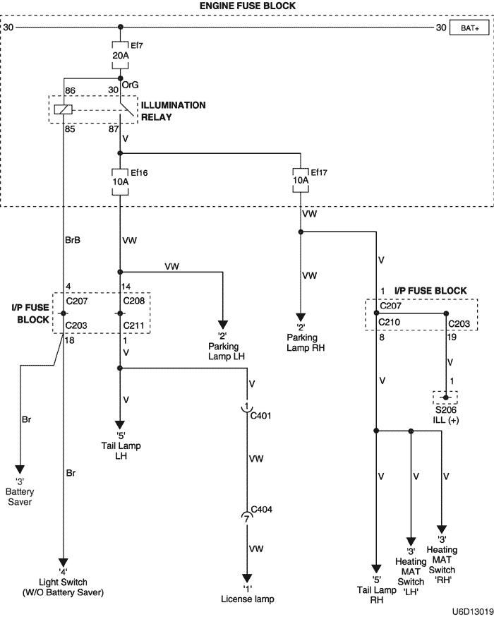
U6D13019.png


To Previous Page To Next Page


https://vnx.su/ 🛠 Руководства по ремонту и эксплуатации для автомобилей

Поиск по сайту

Остались вопросы или пожелания? Пишите на почту: support@vnx.su

Карта Сайта