К началу документа
Tacuma-Rezzo
На предыдущую страницуНа следующую страницу
Главная страница GMDEЗагрузить нединамическое оглавлениеЗагрузить динамическое оглавлениеПомощь



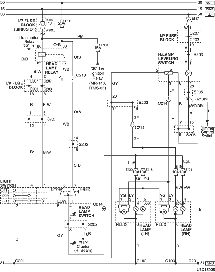
9. ЦЕПЬ ФАР И КОРРЕКТОРА ФАР

1) БЕЗ ЭКОНОМАЙЗЕРА

U6D15025.png
Показать иллюстрациюПеревод текста в иллюстрациях


а. ИНФОРМАЦИЯ О РАЗЪЁМЕ

№ РАЗЪЁМА
(№ И ЦВЕТ КОНТАКТА)
СОЕДИНИТЕЛЬНЫЙ ЖГУТ ПРОВОДОВПОЛОЖЕНИЕ РАЗЪЁМА
С203 (контакт 22, белый) Блок предохранителей на приборной панели - приборная панель Передняя часть блока предохранителей на приборной панели
C206 (контакт 3, коричневый) Блок предохранителей на приборной панели - приборная панель Передняя часть блока предохранителей на приборной панели
С207 (контакт 22, белый) Блок предохранителей на приборной панели - передняя часть За блоком предохранителей на приборной панели
С208 (контакт 25, белый) Блок предохранителей на приборной панели - передняя часть За блоком предохранителей на приборной панели
С213 (контакт 7, серый) Передняя часть - приборная панель Левая верхняя часть пространства для ног водителя
С214 (контакт 22, желтый) Передняя часть - приборная панель Левая верхняя часть пространства для ног водителя
S202 (оранжев.) Приборная панель За приборной панелью с левой стороны
S203 (белый) Приборная панель Центральная верхняя часть пространства для ног водителя
S205 (оранжев.) Приборная панель За приборной панелью в центре
G102 ПЕРЕДНЯЯ ЧАСТЬ За левой фарой
G103 ПЕРЕДНЯЯ ЧАСТЬ За правой фарой
G201 Приборная панель Над кронштейном блока предохранителей на приборной панели

б. УСЛОВНОЕ ОБОЗНАЧЕНИЕ & И НАХОЖДЕНИЕ НОМЕРА КОНТАКТА

U5D1P060.png
Показать иллюстрациюПеревод текста в иллюстрациях


в. РАСПОЛОЖЕНИЕ РАЗЪЁМОВ И СОЕДИНЕНИЙ МАССЫ

U4D12005.png
Показать иллюстрациюПеревод текста в иллюстрациях


U4D12008.png
Показать иллюстрациюПеревод текста в иллюстрациях


г. КОНТАКТНАЯ КОЛОДКА

s202

U5D1S006.png
Показать иллюстрациюПеревод текста в иллюстрациях


s203

U5D1S007.png
Показать иллюстрациюПеревод текста в иллюстрациях


s205

U5D1S009.png
Показать иллюстрациюПеревод текста в иллюстрациях


2) С ЭКОНОМАЙЗЕРОМ

U6D15026.png
Показать иллюстрациюПеревод текста в иллюстрациях


а. ИНФОРМАЦИЯ О РАЗЪЁМЕ

№ РАЗЪЁМА
(№ И ЦВЕТ КОНТАКТА)
СОЕДИНИТЕЛЬНЫЙ ЖГУТ ПРОВОДОВПОЛОЖЕНИЕ РАЗЪЁМА
С203 (контакт 22, белый) Блок предохранителей на приборной панели - приборная панель Передняя часть блока предохранителей на приборной панели
C206 (контакт 3, коричневый) Блок предохранителей на приборной панели - приборная панель Передняя часть блока предохранителей на приборной панели
С207 (контакт 22, белый) Блок предохранителей на приборной панели - передняя часть За блоком предохранителей на приборной панели
С208 (контакт 25, белый) Блок предохранителей на приборной панели - передняя часть За блоком предохранителей на приборной панели
С213 (контакт 7, серый) Передняя часть - приборная панель Левая верхняя часть пространства для ног водителя
С214 (контакт 22, желтый) Передняя часть - приборная панель Левая верхняя часть пространства для ног водителя
S202 (оранжев.) Приборная панель За приборной панелью с левой стороны
S203 (белый) Приборная панель Центральная верхняя часть пространства для ног водителя
S205 (оранжев.) Приборная панель За приборной панелью в центре
G102 ПЕРЕДНЯЯ ЧАСТЬ За левой фарой
G103 ПЕРЕДНЯЯ ЧАСТЬ За правой фарой
G201 Приборная панель Над кронштейном блока предохранителей на приборной панели

б. УСЛОВНОЕ ОБОЗНАЧЕНИЕ & И НАХОЖДЕНИЕ НОМЕРА КОНТАКТА

U5D1P061.png
Показать иллюстрациюПеревод текста в иллюстрациях


в. РАСПОЛОЖЕНИЕ РАЗЪЁМОВ И СОЕДИНЕНИЙ МАССЫ

U4D12005.png
Показать иллюстрациюПеревод текста в иллюстрациях


U4D12008.png
Показать иллюстрациюПеревод текста в иллюстрациях


г. КОНТАКТНАЯ КОЛОДКА

s202

U5D1S006.png
Показать иллюстрациюПеревод текста в иллюстрациях


s203

U5D1S007.png
Показать иллюстрациюПеревод текста в иллюстрациях


s205

U5D1S009.png
Показать иллюстрациюПеревод текста в иллюстрациях


На предыдущую страницуНа следующую страницу


https://vnx.su/ 🛠 Руководства по ремонту и эксплуатации для автомобилей

Поиск по сайту

Остались вопросы или пожелания? Пишите на почту: support@vnx.su

Карта Сайта