К началу документа
Tacuma-Rezzo
На предыдущую страницуНа следующую страницу
Главная страница GMDEЗагрузить нединамическое оглавлениеЗагрузить динамическое оглавлениеПомощь



26. АНТИБЛОКИРОВОЧНАЯ ТОРМОЗНАЯ СИСТЕМА (АБС)

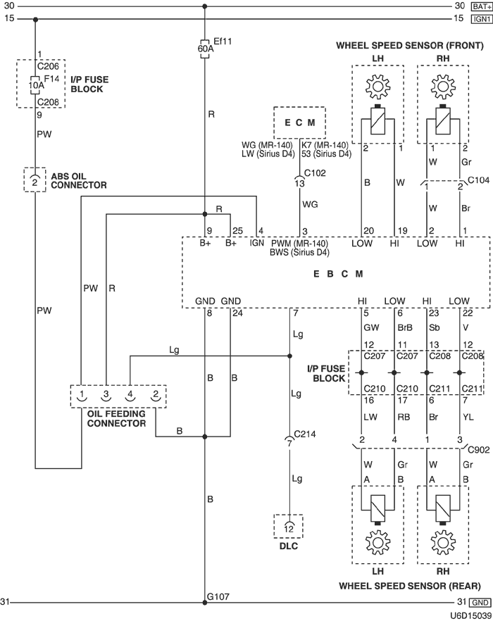
1) ЦЕПЬ БЛОКА ПИТАНИЯ И ДАТЧИКА СКОРОСТИ КОЛЕСА

U6D15039.png
Показать иллюстрациюПеревод текста в иллюстрациях


а. ИНФОРМАЦИЯ О РАЗЪЁМЕ

№ РАЗЪЁМА
(№ И ЦВЕТ КОНТАКТА)
СОЕДИНИТЕЛЬНЫЙ ЖГУТ ПРОВОДОВПОЛОЖЕНИЕ РАЗЪЁМА
С102 (контакт 16, черный) Двигатель - передняя часть кузова За левой фарой
С104 (контакт 2, черный) Передняя часть - датчик АБС - передняя часть Под резонатором
C206 (контакт 3, коричневый) Блок предохранителей на приборной панели - приборная панель Передняя часть блока предохранителей на приборной панели
С207 (контакт 22, белый) Блок предохранителей на приборной панели - передняя часть За блоком предохранителей на приборной панели
С208 (контакт 14, белый) Блок предохранителей на приборной панели - передняя часть За блоком предохранителей на приборной панели
С210 (контакт 18, белый) Блок предохранителей на приборной панели - пол За блоком предохранителей на приборной панели
С211 (контакт 12, белый) Блок предохранителей на приборной панели - пол За блоком предохранителей на приборной панели
С212 (контакт 18, синий) Передняя часть - приборная панель Левая верхняя часть пространства для ног водителя
С214 (контакт 22, желтый) Передняя часть - приборная панель Левая верхняя часть пространства для ног водителя
С902 (контакт 4, черный) Задний датчик АБС - пол За топливным баком
G107 ПЕРЕДНЯЯ ЧАСТЬ Под задним блоком предохранителей в моторном отсеке

б. УСЛОВНОЕ ОБОЗНАЧЕНИЕ & И НАХОЖДЕНИЕ НОМЕРА КОНТАКТА

U5D1P021.png
Показать иллюстрациюПеревод текста в иллюстрациях


в. РАСПОЛОЖЕНИЕ РАЗЪЁМОВ И СОЕДИНЕНИЙ МАССЫ

U4D12011.png
Показать иллюстрациюПеревод текста в иллюстрациях


U4D12008.png
Показать иллюстрациюПеревод текста в иллюстрациях


U4D12003.png
Показать иллюстрациюПеревод текста в иллюстрациях


2) ЦЕПЬ КОНТРОЛЬНОЙ ЛАМПЫ АБС И КОНТРОЛЬНОГО МОДУЛЯ АБС

U5D15070.png
Показать иллюстрациюПеревод текста в иллюстрациях


а. ИНФОРМАЦИЯ О РАЗЪЁМЕ

№ РАЗЪЁМА
(№ И ЦВЕТ КОНТАКТА)
СОЕДИНИТЕЛЬНЫЙ ЖГУТ ПРОВОДОВПОЛОЖЕНИЕ РАЗЪЁМА
С203 (контакт 22, белый) Блок предохранителей на приборной панели - приборная панель Передняя часть блока предохранителей на приборной панели
С205 (контакт 14, белый) Блок предохранителей на приборной панели - приборная панель Передняя часть блока предохранителей на приборной панели
C206 (контакт 3, коричневый) Блок предохранителей на приборной панели - приборная панель Передняя часть блока предохранителей на приборной панели
С207 (контакт 22, белый) Блок предохранителей на приборной панели - передняя часть За блоком предохранителей на приборной панели
С208 (контакт 14, белый) Блок предохранителей на приборной панели - передняя часть За блоком предохранителей на приборной панели
C209 (контакт 1, бесцветный) Блок предохранителей на приборной панели - передняя часть За блоком предохранителей на приборной панели
С210 (контакт 18, белый) Блок предохранителей на приборной панели - пол За блоком предохранителей на приборной панели
С214 (контакт 22, желтый) Передняя часть - приборная панель Левая верхняя часть пространства для ног водителя
С401 (контакт 10, белый) Задняя дверь - пол За боковым стеклом в задней части кузова
S101 (бел.) ПЕРЕДНЯЯ ЧАСТЬ Внутренняя сторона блока предохранителей в моторном отсеке
S205 (оранжев.) Приборная панель За приборной панелью в центре
G102 ПЕРЕДНЯЯ ЧАСТЬ За левой фарой
G401 Пол С левой стороны багажного отсека под задним фонарем
G402 Пол С правой стороны багажного отсека под задним фонарем
G403 Задняя дверь С левой стороны под задней дверью за задним фонарем

б. УСЛОВНОЕ ОБОЗНАЧЕНИЕ & И НАХОЖДЕНИЕ НОМЕРА КОНТАКТА

U5D1P063.png
Показать иллюстрациюПеревод текста в иллюстрациях


в. РАСПОЛОЖЕНИЕ РАЗЪЁМОВ И СОЕДИНЕНИЙ МАССЫ

U4D12003.png
Показать иллюстрациюПеревод текста в иллюстрациях


г. КОНТАКТНАЯ КОЛОДКА

s101 (itms-6f)

U6D1S002.png
Показать иллюстрациюПеревод текста в иллюстрациях


s101 (mr-140, sirius d4)

U6D1S001.png
Показать иллюстрациюПеревод текста в иллюстрациях


s205

U5D1S009.png
Показать иллюстрациюПеревод текста в иллюстрациях


На предыдущую страницуНа следующую страницу


https://vnx.su/ 🛠 Руководства по ремонту и эксплуатации для автомобилей

Поиск по сайту

Остались вопросы или пожелания? Пишите на почту: support@vnx.su

Карта Сайта