К началу документа
Tacuma-Rezzo
На предыдущую страницуНа следующую страницу
Главная страница GMDEЗагрузить нединамическое оглавлениеЗагрузить динамическое оглавлениеПомощь



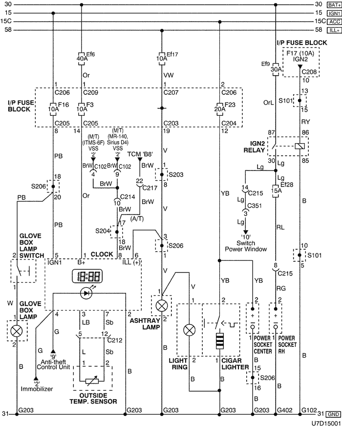
15. ЦЕПЬ ПОДСВЕТКИ (ПЕПЕЛЬНИЦЫ И ПРИКУРИВАТЕЛЯ), ЛАМПЫ ВЕЩЕВОГО ЯЩИКА И ЧАСОВ

U7D15001.png
Показать иллюстрациюПеревод текста в иллюстрациях


а. ИНФОРМАЦИЯ О РАЗЪЁМЕ

№ РАЗЪЁМА
(№ И ЦВЕТ КОНТАКТА)
СОЕДИНИТЕЛЬНЫЙ ЖГУТ ПРОВОДОВПОЛОЖЕНИЕ РАЗЪЁМА
С102 (контакт 16, черный) Двигатель - передняя часть кузова За левой фарой
С203 (контакт 22, белый) Блок предохранителей на приборной панели - приборная панель Передняя часть блока предохранителей на приборной панели
С204 (контакт 12, белый) Блок предохранителей на приборной панели - приборная панель Передняя часть блока предохранителей на приборной панели
С205 (контакт 14, белый) Блок предохранителей на приборной панели - приборная панель Передняя часть блока предохранителей на приборной панели
C206 (контакт 3, коричневый) Блок предохранителей на приборной панели - приборная панель Передняя часть блока предохранителей на приборной панели
С207 (контакт 22, белый) Блок предохранителей на приборной панели - передняя часть За блоком предохранителей на приборной панели
С208 (контакт 14, белый) Блок предохранителей на приборной панели - передняя часть За блоком предохранителей на приборной панели
C209 (контакт 1, бесцветный) Блок предохранителей на приборной панели - передняя часть За блоком предохранителей на приборной панели
С212 (контакт 18, синий) Передняя часть - приборная панель Левая верхняя часть пространства для ног водителя
С214 (контакт 22, желтый) Передняя часть - приборная панель Левая верхняя часть пространства для ног водителя
С215 (контакт 16, белый) Пол - передняя часть Под блоком предохранителей на приборной панели
С217 (контакт 22, белый) Приборная панель - контроллер КПП Центральная верхняя часть пространства для ног водителя
С351 (контакт 29, белый) Пол - дверь водителя Внутренняя сторона левой передней стойки
S101 (бел.) ПЕРЕДНЯЯ ЧАСТЬ Внутренняя сторона блока предохранителей в моторном отсеке
S203 (белый) Приборная панель Центральная верхняя часть пространства для ног водителя
S204 (оранжев.) Приборная панель За приборной панелью в центре
S206 (фиолетов.) Приборная панель За вещевым ящиком с левой стороны
G102 ПЕРЕДНЯЯ ЧАСТЬ За левой фарой
G203 Приборная панель Под пепельницей с правой стороны
G402 Пол С правой стороны багажного отсека под задним фонарем

б. УСЛОВНОЕ ОБОЗНАЧЕНИЕ & И НАХОЖДЕНИЕ НОМЕРА КОНТАКТА

U4D1P039.png
Показать иллюстрациюПеревод текста в иллюстрациях


г. КОНТАКТНАЯ КОЛОДКА

s101 (itms-6f)

U6D1S002.png
Показать иллюстрациюПеревод текста в иллюстрациях


s101 (mr-140, sirius d4)

U6D1S001.png
Показать иллюстрациюПеревод текста в иллюстрациях


s203

U5D1S007.png
Показать иллюстрациюПеревод текста в иллюстрациях


s204

U5D1S008.png
Показать иллюстрациюПеревод текста в иллюстрациях


s206

U5D1S010.png
Показать иллюстрациюПеревод текста в иллюстрациях


На предыдущую страницуНа следующую страницу


https://vnx.su/ 🛠 Руководства по ремонту и эксплуатации для автомобилей

Поиск по сайту

Остались вопросы или пожелания? Пишите на почту: support@vnx.su

Карта Сайта