К началу документа
Nubira-Lacetti
На предыдущую страницуНа следующую страницу
Главная страница GMDEЗагрузить нединамическое оглавлениеЗагрузить динамическое оглавлениеПомощь

РЕМОНТ АГРЕГАТА



L7B53AS7
Показать иллюстрациюПеревод текста в иллюстрациях


Разборка основного узла

Необходимое оборудование

J-45053 Пресс для универсальных зажимов
DT-47599 Ключ для анкерных болтов
J-45161 Съемник для замены подшипников вала ручного переключения передач
J-45000 Съемник уплотнений

Порядок разборки

  1. Снять КПП в сборе с автомобиля. См. "Коробка передач с главной передачей в сборе" в этом разделе.


  2. L7B53A45
    Показать иллюстрациюПеревод текста в иллюстрациях


  3. Демонтировать гидротрансформатор.
    1. Снять гидротрансформатор с коробки передач с главной передачей в сборе.


    L7B53A46
    Показать иллюстрациюПеревод текста в иллюстрациях


  4. Вывернуть сливную пробку.
    1. Вывернуть сливную пробку и слить рабочую жидкость АКПП.
    2. Демонтировать прокладку со сливной пробки.


    L7B53A47
    Показать иллюстрациюПеревод текста в иллюстрациях


  5. Снять датчик уровня масла.
    1. Вывернуть 1 болт и снять датчик уровня масла.


    L7B53A48
    Показать иллюстрациюПеревод текста в иллюстрациях




    L7B53A49
    Показать иллюстрациюПеревод текста в иллюстрациях


  6. Снять датчик скорости вторичного вала.
    1. Вывернуть 1 болт и вытащить датчик скорости вторичного вала.

    Важно: Следует проявлять осторожность, чтобы не повредить датчик скорости вторичного вала и корпус коробки передач с главной передачей в сборе.



    L7B53A50
    Показать иллюстрациюПеревод текста в иллюстрациях


  7. Снять датчик скорости первичного вала и переключатель диапазонов АКПП.
    1. Вывернуть 1 болт и вытащить датчик скорости первичного вала.

    Важно: Следует проявлять осторожность, чтобы не повредить датчик скорости первичного вала и корпус коробки передач с главной передачей в сборе.



    L7B53A51
    Показать иллюстрациюПеревод текста в иллюстрациях


    1. Отверткой отжать стопорную шайбу.


    L7B53A52
    Показать иллюстрациюПеревод текста в иллюстрациях


    1. Снять гайку и стопорную шайбу.


    L7B53A53
    Показать иллюстрациюПеревод текста в иллюстрациях


    1. Вывернуть 2 болта и вытащить переключатель диапазонов АКПП.


    L7B53A54
    Показать иллюстрациюПеревод текста в иллюстрациях


  8. Снять заднюю крышку картера коробки передач с главной передачей в сборе.
    1. Вывернуть 9 болтов torx и снять заднюю крышку картера коробки передач с главной передачей в сборе.

    Важно: Следует проявлять осторожность, чтобы не повредить заднюю крышку картера коробки передач с главной передачей в сборе и корпус коробки передач с главной передачей в сборе.



    L7B53A55
    Показать иллюстрациюПеревод текста в иллюстрациях




    L7B53A56
    Показать иллюстрациюПеревод текста в иллюстрациях


  9. Отсоединить разъемы провода коробки передач с главной передачей в сборе.
    1. Отсоединить 8 проводных разъемов электромагнитных клапанов.


    L7B53A57
    Показать иллюстрациюПеревод текста в иллюстрациях




    L7B53A58
    Показать иллюстрациюПеревод текста в иллюстрациях


    1. Вывернуть 1 болт и снять зажим, вытащить датчик температуры рабочей жидкости КПП.

    Важно: Следует проявлять осторожность, чтобы не повредить соединительный разъём.



    L7B53A59
    Показать иллюстрациюПеревод текста в иллюстрациях




    L7B53A60
    Показать иллюстрациюПеревод текста в иллюстрациях


  10. Снять корпус клапана.
    1. Вывернуть 2 болта, снять крышку со стороны всасывания и прокладку.


    L7B53A61
    Показать иллюстрациюПеревод текста в иллюстрациях




    L7B53A62
    Показать иллюстрациюПеревод текста в иллюстрациях


    1. Вывернуть 6 болтов.


    L7B53A63
    Показать иллюстрациюПеревод текста в иллюстрациях




    L7B53A64
    Показать иллюстрациюПеревод текста в иллюстрациях


    1. Удерживая блок клапанов в сборе, отсоединить соединительный шток клапана выбора диапазона от рычага клапана выбора диапазона и снять блок клапанов в сборе.

    Важно: Положение переключения передач - "N".



    L7B53A65
    Показать иллюстрациюПеревод текста в иллюстрациях


  11. Демонтировать прокладку.
    1. Демонтировать 2 прокладки.


    L7B53A66
    Показать иллюстрациюПеревод текста в иллюстрациях


  12. Снять переключатель и датчик в сборе с корпуса коробки передач с главной передачей в сборе.
    1. Снять провод коробки передач с главной передачей в сборе с зажимов.
    2. Вытолкнуть провод электромагнитного клапана из внутренней части и снять его.

    Важно: Следует проявлять осторожность, чтобы не сломать проводной разъем и датчик температуры рабочей жидкости КПП.



    L7B53A67
    Показать иллюстрациюПеревод текста в иллюстрациях


  13. Снять масляный насос в сборе.
    1. Вывернуть 8 болтов.


    L7B53A68
    Показать иллюстрациюПеревод текста в иллюстрациях




    L7B53A69
    Показать иллюстрациюПеревод текста в иллюстрациях


    1. Вытянуть масляный насос в сборе из корпуса коробки передач с главной передачей в сборе с помощью j-45053.

    Важно: Следует проявлять осторожность, чтобы не повредить втулку вала реактора.



    L7B53A70
    Показать иллюстрациюПеревод текста в иллюстрациях


  14. Снять инерционный тормоз 2-й передачи (b1), тормоз 2-й передачи (b2) и обгонную муфту № 1 в сборе (f1).
    1. Снять ступицу и шайбу инерционного тормоза 2-й передачи (b1) и тормоза 2-й передачи (b2).


    L7B53A71
    Показать иллюстрациюПеревод текста в иллюстрациях


  15. Снять картер коробки передач с главной передачей в сборе.
    1. Вывернуть 17 болтов.


    L7B53A72
    Показать иллюстрациюПеревод текста в иллюстрациях




    L7B53A73
    Показать иллюстрациюПеревод текста в иллюстрациях


    1. Пластиковым молотком снять картер коробки передач с главной передачей в сборе.


    L7B53A74
    Показать иллюстрациюПеревод текста в иллюстрациях


  16. Снять прокладку масляного канала.


  17. L7B53A75
    Показать иллюстрациюПеревод текста в иллюстрациях


  18. Снять трубку подвода смазки к дифференциальной передаче.
    1. Вывернуть 1 болт и снять зажим.


    L7B53A76
    Показать иллюстрациюПеревод текста в иллюстрациях


    1. Отверткой снять трубку подвода смазки к дифференциальной передаче.

    Важно: Следует проявлять осторожность, чтобы не погнуть или не повредить трубку подвода.



    L7B53A77
    Показать иллюстрациюПеревод текста в иллюстрациях


  19. Снять фиксирующую пластину масляного бачка (картер коробки передач с главной передачей в сборе).
    1. Вывернуть 3 болта и снять фиксирующую пластину масляного бачка.


    L7B53A78
    Показать иллюстрациюПеревод текста в иллюстрациях


    1. Снять 4 магнита с фиксирующей пластины масляного бачка.


    L7B53A79
    Показать иллюстрациюПеревод текста в иллюстрациях


  20. Снять дифференциал в сборе.


  21. L7B53A80
    Показать иллюстрациюПеревод текста в иллюстрациях


  22. Снять масляный фильтр.
    1. Вывернуть 1 болт и снять масляный фильтр.


    L7B53A81
    Показать иллюстрациюПеревод текста в иллюстрациях


  23. Снять пластину корпуса коробки передач с главной передачей в сборе.
    1. Вывернуть 2 болта и снять пластину корпуса коробки передач с главной передачей в сборе.


    L7B53A82
    Показать иллюстрациюПеревод текста в иллюстрациях


  24. Снять фиксирующую пластину масляного бачка (корпус коробки передач с главной передачей в сборе).
    1. Вывернуть 3 болта и снять фиксирующую пластину масляного бачка.


    L7B53A83
    Показать иллюстрациюПеревод текста в иллюстрациях


  25. Снять трубку подвода к тормозу понижающей передачи (b4).
    1. Вывернуть 2 болта и снять зажим.


    L7B53A84
    Показать иллюстрациюПеревод текста в иллюстрациях


    1. Отверткой снять трубку подвода к тормозу понижающей передачи (b4).

    Важно: Следует проявлять осторожность, чтобы не погнуть или не повредить трубку подвода и уплотнительное кольцо. Следует проявлять осторожность, чтобы не повредить корпус коробки передач с главной передачей в сборе.



    L7B53A85
    Показать иллюстрациюПеревод текста в иллюстрациях


  26. Снять рычаг клапана выбора диапазона и штангу механизма парковочной блокировки.
    1. Отсоединить пружину блокировки от рычага клапана выбора диапазона.


    L7B53A86
    Показать иллюстрациюПеревод текста в иллюстрациях


    1. Отсоединить рычаг клапана выбора диапазона от штанги механизма парковочной блокировки.


    L7B53A87
    Показать иллюстрациюПеревод текста в иллюстрациях


    1. Снять штангу механизма парковочной блокировки.


    L7B53A88
    Показать иллюстрациюПеревод текста в иллюстрациях


    1. Вывернуть 2 болта.


    L7B53A89
    Показать иллюстрациюПеревод текста в иллюстрациях


    1. Снять пружину блокировки.


    L7B53A90
    Показать иллюстрациюПеревод текста в иллюстрациях


    1. Снять вал собачки механизма парковочной блокировки и торсионную пружину № 1.


    L7B53A91
    Показать иллюстрациюПеревод текста в иллюстрациях


    1. Снять кулачковую пластину и собачку механизма парковочной блокировки.


    L7B53A92
    Показать иллюстрациюПеревод текста в иллюстрациях


    1. Снять штифт механизма парковочной блокировки.


    L7B53A93
    Показать иллюстрациюПеревод текста в иллюстрациях


    1. Вывернуть 1 болт torx, снять направляющую втулку и торсионную пружину № 2.


    L7B53AX1
    Показать иллюстрациюПеревод текста в иллюстрациях


    1. Отверткой снять сальник клапана выбора диапазона.


    L7B53AX2
    Показать иллюстрациюПеревод текста в иллюстрациях


    1. С помощью j-45161 и пластикового молотка через отверстие в корпусе коробки передач с главной передачей в сборе выбить подшипник вала ручного переключения передач и удалить подшипник.


    L7B53A95
    Показать иллюстрациюПеревод текста в иллюстрациях


  27. Снять механизм понижающей передачи в сборе.
    1. Снять упорный подшипник и обойму упорного подшипника с механизма понижающей передачи в сборе.


    L7B53A96
    Показать иллюстрациюПеревод текста в иллюстрациях


    1. Снять механизм понижающей передачи в сборе с корпуса коробки передач с главной передачей в сборе.


    L7B53A97
    Показать иллюстрациюПеревод текста в иллюстрациях


  28. Снять муфту понижающей передачи в сборе (c3).
    1. Снять муфту понижающей передачи в сборе (c3).


    L7B53A98
    Показать иллюстрациюПеревод текста в иллюстрациях


  29. Снять ленту тормоза понижающей передачи (b4).
    1. Снять ленту тормоза понижающей передачи (b4).

    Важно: Следует проявлять осторожность, чтобы не повредить корпус коробки передач с главной передачей в сборе.



    L7B53A99
    Показать иллюстрациюПеревод текста в иллюстрациях


  30. Снять задний планетарный механизм понижающей передачи в сборе.
    1. Снять задний планетарный механизм понижающей передачи в сборе.


    L7B53AA1
    Показать иллюстрациюПеревод текста в иллюстрациях


    1. Снять эпициклическое зубчатое колесо заднего планетарного ряда понижающей передачи в сборе.
    2. Снять упорный подшипник и регулировочную прокладку с эпициклического зубчатого колеса заднего планетарного ряда понижающей передачи.


    L7B53AA2
    Показать иллюстрациюПеревод текста в иллюстрациях


  31. Снять поршень тормоза понижающей передачи (b4).
    1. Клещами снять стопорное кольцо.


    L7B53AA3
    Показать иллюстрациюПеревод текста в иллюстрациях


    1. Снять крышку тормоза понижающей передачи (b4) в сборе с корпуса коробки передач с главной передачей в сборе.
    2. Снять 2 уплотнительных кольца с крышки тормоза понижающей передачи (b4).


    L7B53AA4
    Показать иллюстрациюПеревод текста в иллюстрациях


    1. Снять поршень тормоза понижающей передачи (b4) в сборе и пружину с корпуса коробки передач с главной передачей в сборе.
    2. Снять уплотнительное кольцо с поршня тормоза понижающей передачи (b4) в сборе.


    L7B53AA5
    Показать иллюстрациюПеревод текста в иллюстрациях


    1. С помощью ключа для анкерных болтов dt-47599 вывернуть анкерный болт.


    L7B53AA6
    Показать иллюстрациюПеревод текста в иллюстрациях


  32. Снять задний картер в сборе.
    1. Вывернуть 13 болтов.


    L7B53AA7
    Показать иллюстрациюПеревод текста в иллюстрациях




    L7B53AA8
    Показать иллюстрациюПеревод текста в иллюстрациях


    1. Пластиковым молотком снять задний картер в сборе.

    Важно: Следует проявлять осторожность, чтобы не повредить задний картер.



    L7B53AA9
    Показать иллюстрациюПеревод текста в иллюстрациях


    1. Снять задний картер в сборе.


    L7B53AB1
    Показать иллюстрациюПеревод текста в иллюстрациях


    1. Демонтировать 5 прокладок с корпуса коробки передач с главной передачей в сборе.


    L7B53AB2
    Показать иллюстрациюПеревод текста в иллюстрациях


  33. Снять трубку подвода.
    1. Вывернуть 1 болт torx и снять зажим.


    L7B53AB3
    Показать иллюстрациюПеревод текста в иллюстрациях


    1. Отверткой снять трубку подвода.

    Важно: Следует проявлять осторожность, чтобы не погнуть или не повредить трубку подвода.



    L7B53AB4
    Показать иллюстрациюПеревод текста в иллюстрациях


  34. Снять муфту переднего хода (c1) и прямой передачи (c2).
    1. Снять муфту переднего хода (c1) и прямой передачи (c2) в сборе.


    L7B53AB5
    Показать иллюстрациюПеревод текста в иллюстрациях


  35. Снять солнечное колесо планетарного ряда в сборе.
    1. Снять солнечное колесо планетарного ряда в сборе.


    L7B53AB6
    Показать иллюстрациюПеревод текста в иллюстрациях


  36. Снять эпициклическое колесо переднего планетарного ряда в сборе.
    1. Снять эпициклическое колесо переднего планетарного ряда в сборе.


    L7B53AB7
    Показать иллюстрациюПеревод текста в иллюстрациях


  37. Снять планетарный механизм в сборе.
    1. Снять планетарный механизм в сборе.


    L7B53AB8
    Показать иллюстрациюПеревод текста в иллюстрациях


  38. Снять переднее эпициклическое зубчатое колесо с обгонной муфтой № 2 (f2) и пластину, диск и фланец тормоза 1-й передачи и заднего хода (b3).
    1. Снять подшипник с обоймой.


    L7B53AB9
    Показать иллюстрациюПеревод текста в иллюстрациях


    1. Снять стопорное кольцо отверткой.


    L7B53AC1
    Показать иллюстрациюПеревод текста в иллюстрациях


    1. Снять пластину, диск и фланец.


    L7B53AC2
    Показать иллюстрациюПеревод текста в иллюстрациях


    1. Снять переднее эпициклическое зубчатое колесо и обгонную муфту № 2 (f2).


    L7B53AC3
    Показать иллюстрациюПеревод текста в иллюстрациях


    1. С помощью отвертки снять стопорное кольцо.


    L7B53AC4
    Показать иллюстрациюПеревод текста в иллюстрациях


    1. Снять возвратную пружину в сборе тормоза 1-й передачи и заднего хода (b3).


    L7B53AC5
    Показать иллюстрациюПеревод текста в иллюстрациях


    Внимание! При работе со сжатым воздухом следует надевать защитные очки, чтобы предотвратить травмирование глаз.

  39. Снять поршень тормоза 1-й передачи и заднего хода (b3).
    1. Надавливая поршень рукой, подать сжатый воздух (4 кг/см²) в канал для смазки корпуса коробки передач с главной передачей в сборе, как показано на рисунке, и снять поршень b3.


    L7B53AC6
    Показать иллюстрациюПеревод текста в иллюстрациях


    1. Снять уплотнительные кольца с поршня.

  40. Проверить исправность диска и пластины тормоза 1-й передачи и заднего хода (b3).
    1. Убедиться в отсутствии износа и прогара поверхности скольжения дисков. При необходимости заменить детали.

    Важно: Перед заменой новые диски выдержать в рабочей жидкости АКПП не менее 2 часов.



    L7B53AC7
    Показать иллюстрациюПеревод текста в иллюстрациях


  41. Снять обойму упорного подшипника.
    1. Снять обойму с ведущей шестерни промежуточного вала.


    L7B53AC8
    Показать иллюстрациюПеревод текста в иллюстрациях


  42. Снять ведущую шестерню промежуточного вала.
    1. Клещами снять стопорное кольцо.


    L7B53AC9
    Показать иллюстрациюПеревод текста в иллюстрациях


    1. Снять ведущую шестерню промежуточного вала.


    L7B53AD1
    Показать иллюстрациюПеревод текста в иллюстрациях


  43. Снять сальник.
    1. Снять сальник со стороны картера и со стороны корпуса коробки передач с главной передачей в сборе с помощью съемника уплотнений j-45000.


L7B53AC9
Показать иллюстрациюПеревод текста в иллюстрациях


Сборка основного узла

Необходимое оборудование

J-45053 Пресс для универсальных зажимов
DT-47599 Ключ для анкерных болтов
DT-47687 Преобразователь вращательного момента
J-45187 Приспособление для установки сальника вторичного вала дифференциала
J-44809 Приспособление для установки уплотнения вторичного вала
J-45124 Демонтажный мост
J-45160 Съемник обоймы подшипника дифференциала
J-8092 Направляющая ручка
J-45184 Приспособление для установки обоймы подшипника дифференциала
J-45161 Съемник для замены подшипников вала ручного переключения передач
J-45404 Приспособление для юстировки коробки передач с указателем


L7B53AC8
Показать иллюстрациюПеревод текста в иллюстрациях


Порядок сборки

  1. Установить ведущую шестерню промежуточного вала.
    1. Установить ведущую шестерню промежуточного вала.
    2. Клещами установить стопорное кольцо.


    L7B53AC6
    Показать иллюстрациюПеревод текста в иллюстрациях


  2. Установить поршень тормоза 1-й передачи и заднего хода (b3).
    1. Смазать новые уплотнительные кольца рабочей жидкостью АКПП и установить их на поршень.
    2. Смазать внутреннюю поверхность корпуса коробки передач с главной передачей в сборе рабочей жидкостью АКПП.
    3. Вдавить поршень тормоза 1-й передачи и заднего хода (b3) в корпус коробки передач с главной передачей в сборе.

    Важно: Следует проявлять осторожность, чтобы не повредить уплотнительное кольцо.



    L7B53AC4
    Показать иллюстрациюПеревод текста в иллюстрациях


  3. Установить возвратную пружину тормоза в сборе 1-й передачи и заднего хода (b3).
    1. Установить возвратную пружину в сборе тормоза 1-й передачи и заднего хода (b3) на поршень b3.


    L7B53AC3
    Показать иллюстрациюПеревод текста в иллюстрациях


    1. Сжимая рукой возвратную пружину тормоза 1-й передачи и заднего хода (b3), отверткой установить стопорное кольцо в паз.


    L7B53AD2
    Показать иллюстрациюПеревод текста в иллюстрациях


    Важно: Следует проявлять осторожность, чтобы не повредить внутреннюю поверхность корпуса коробки передач с главной передачей в сборе. Убедиться в правильности установки стопорного кольца, как показано на рисунке.



    L7B53AC7
    Показать иллюстрациюПеревод текста в иллюстрациях


  4. Установить переднее эпициклическое зубчатое колесо с обгонной муфтой № 2 (f2) и фланец, диск и пластину тормоза 1-й передачи и заднего хода (b3).
    1. Установить обойму на ведущую шестерню промежуточного вала.


    L7B53AC2
    Показать иллюстрациюПеревод текста в иллюстрациях


    1. Установить переднее эпициклическое зубчатое колесо и обгонную муфту № 2 (f2).

    Важно: Убедиться, что эпициклическое зубчатое колесо свободно поворачивается против часовой стрелки и блокируется при повороте по часовой стрелке.



    L7B53AC1
    Показать иллюстрациюПеревод текста в иллюстрациях


    1. Установить фланец, диск и пластину, как показано на рисунке.

    Важно: Убедиться в правильности их числа и порядка.

    Муфта и тормоз
    Фланец (Ф)
    Пластина (П)
    Диск (Д)
    Тормоз 1-й передачи и заднего хода (b3)
    2
    4
    5


    L7B53AB9
    Показать иллюстрациюПеревод текста в иллюстрациях


    1. Используя отвертку, установить стопорное кольцо.

    Важно: Убедиться, что разрез стопорного кольца не совпадает с одним из вырезов.



    L7B53AD3
    Показать иллюстрациюПеревод текста в иллюстрациях


    Внимание! При работе со сжатым воздухом следует надевать защитные очки, чтобы предотвратить травмирование глаз.

  5. Проверить ход поршня тормоза 1-й передачи и заднего хода (b3).
    1. Установить индикатор, как показано на рисунке.
    2. Подать сжатый воздух (4 кг/см²) и измерить ход поршня тормоза 1-й передачи и заднего хода (b3).


    L7B53AB8
    Показать иллюстрациюПеревод текста в иллюстрациях


  6. Установить планетарный механизм в сборе.
    1. Установить планетарный механизм в сборе.

    Важно: Следует следить за правильностью направления упорного подшипника.



    L7B53AB7
    Показать иллюстрациюПеревод текста в иллюстрациях




    L7B53AB6
    Показать иллюстрациюПеревод текста в иллюстрациях


  7. Установить эпициклическое колесо переднего планетарного ряда.
    1. Установить эпициклическое колесо переднего планетарного ряда.

    Важно: Следует следить за правильностью направления упорного подшипника.



    L7B53AB5
    Показать иллюстрациюПеревод текста в иллюстрациях


  8. Установить солнечное колесо планетарного ряда в сборе.
    1. Установить солнечное колесо планетарного ряда в сборе.

    Важно: Следует следить за правильностью направления упорного подшипника.



    L7B53AB4
    Показать иллюстрациюПеревод текста в иллюстрациях


  9. Установить муфту переднего хода (c1) и прямой передачи (c2).
    1. Установить муфту переднего хода (c1) и прямой передачи (c2) в сборе.


    L7B53AD4
    Показать иллюстрациюПеревод текста в иллюстрациях


    1. Проверить расстояние "A".

    Важно: Если расстояние не укладывается в норму, снова отрегулировать до достижения нормы.



    L7B53AD5
    Показать иллюстрациюПеревод текста в иллюстрациях


  10. Установить трубку подвода.
    1. Пластиковым молотком установить трубку подвода, как показано на рисунке.

    Важно: Следует проявлять осторожность, чтобы не погнуть и не повредить трубку подвода.



    L7B53AB2
    Показать иллюстрациюПеревод текста в иллюстрациях


    1. Установить 1 зажим и затянуть 1 болт torx.

    Затянуть
    Затянуть болт крепления зажима трубки подвода масла моментом 6 Н•м (53 фунт-дюйма).



    L7B53AB1
    Показать иллюстрациюПеревод текста в иллюстрациях


  11. Установить задний картер в сборе.
    1. Нанести смазку на 5 новых прокладок и установить их в корпус коробки передач с главной передачей в сборе.


    L7B53AD6
    Показать иллюстрациюПеревод текста в иллюстрациях


    1. Установить 3 новых уплотнительных кольца и обойму подшипника в задний картер.


    L7B53AD7
    Показать иллюстрациюПеревод текста в иллюстрациях


    1. Очистить сопрягаемые поверхности заднего картера и корпуса коробки передач с главной передачей в сборе от следов упаковочного материала и стереть рабочую жидкость АКПП с сопрягаемых поверхностей.
    2. Нанести пластичную прокладку (fipg) на задний картер, как показано на рисунке.

    Важно: Следует следить за тем, чтобы на сопрягаемых поверхностях заднего картера и корпуса коробки передач с главной передачей в сборе не было масла.



    L7B53AA9
    Показать иллюстрациюПеревод текста в иллюстрациях


    1. Установить задний картер.


    L7B53AA6
    Показать иллюстрациюПеревод текста в иллюстрациях


    1. Установить и затянуть 13 болтов.

    Затянуть
    Затянуть болт крепления заднего картера моментом 30 Н•м (22 фунт-фута).



    L7B53AA7
    Показать иллюстрациюПеревод текста в иллюстрациях




    L7B53AA5
    Показать иллюстрациюПеревод текста в иллюстрациях


  12. Установить тормоз понижающей передачи (b4).
    1. Смазать новое уплотнительное кольцо рабочей жидкостью АКПП, установить и затянуть 1 анкерный болт с помощью ключа для анкерных болтов dt-47599.

    Затянуть
    Затянуть анкерный болт тормоза понижающей передачи (B4) моментом 167 Н•м (123 фунт-фута).



    L7B53AA4
    Показать иллюстрациюПеревод текста в иллюстрациях


  13. Установить поршень тормоза понижающей передачи (b4).
    1. Смазать внутреннюю поверхность корпуса коробки передач с главной передачей в сборе рабочей жидкостью АКПП.
    2. Установить пружину и поршень тормоза понижающей передачи (b4) в сборе в корпус коробки передач с главной передачей в сборе.


    L7B53AA3
    Показать иллюстрациюПеревод текста в иллюстрациях


    1. Смазать 2 новых уплотнительных кольца рабочей жидкостью АКПП и установить их в крышку тормоза понижающей передачи (b4).


    L7B53AA2
    Показать иллюстрациюПеревод текста в иллюстрациях


    1. Нажимая на крышку тормоза понижающей передачи (b4), клещами установить стопорное кольцо.

    Важно: Если стопорное кольцо деформировано, заменить его.



    L7B53AA1
    Показать иллюстрациюПеревод текста в иллюстрациях


  14. Установить задний планетарный механизм понижающей передачи в сборе.
    1. Установить эпициклическое зубчатое колесо заднего планетарного ряда понижающей передачи в сборе.
    Название компонента
    Технические характеристики
    Обозначение
    Тип толщины шайбы
    0,81 мм (0,032 дюйма)
    8
    0,90 мм (0,035 дюйма)
    9
    1,00 мм (0,039 дюйма)
    10
    1,10 мм (0,043 дюйма)
    11
    1,20 мм (0,047 дюйма)
    12
    1,30 мм (0,051 дюйма)
    13
    1,40 мм (0,055 дюйма)
    14
    1,50 мм (0,059 дюйма)
    15
    1,60 мм (0,063 дюйма)
    16


    L7B53A99
    Показать иллюстрациюПеревод текста в иллюстрациях


    1. Установить задний планетарный механизм понижающей передачи в сборе.


    L7B53A98
    Показать иллюстрациюПеревод текста в иллюстрациях


  15. Установить ленту тормоза понижающей передачи (b4).
    1. Установить ленту тормоза понижающей передачи (b4).


    L7B53A97
    Показать иллюстрациюПеревод текста в иллюстрациях


  16. Установить муфту понижающей передачи (c3) в сборе.
    1. Установить муфту понижающей передачи (c3) в сборе.


    L7B53AD8
    Показать иллюстрациюПеревод текста в иллюстрациях


    Внимание! При работе со сжатым воздухом следует надевать защитные очки, чтобы предотвратить травмирование глаз.

  17. Проверить ход поршня тормоза понижающей передачи (b4).
    1. Нанести отметку на шток поршня тормоза понижающей передачи (b4).
    2. Измерить ход поршня b4, подавая и выпуская сжатый воздух (4 кг/см²), как показано на рисунке.
    Если ход штока не укладывается в норму, выбрать другой шток.


    L7B53AD9
    Показать иллюстрациюПеревод текста в иллюстрациях




    L7B53AE1
    Показать иллюстрациюПеревод текста в иллюстрациях


    Длина штока
    r=76,2 мм (3,000 дюйма)
    r=76,7 мм (3,020 дюйма)
    r=77,2 мм (3,039 дюйма)
    r=77,7 мм (3,059 дюйма)
    r=78,2 мм (3,079 дюйма)


    L7B53A96
    Показать иллюстрациюПеревод текста в иллюстрациях


  18. Установить механизм понижающей передачи в сборе.
    1. Установить механизм понижающей передачи в сборе в корпус коробки передач с главной передачей в сборе.


    L7B53AE2
    Показать иллюстрациюПеревод текста в иллюстрациях


    1. Установить упорный подшипник и обойму.
    2. Проверить расстояние e.

    Важно: Измерение производить от торцевой поверхности картера до подшипника (часть ролика).

    Если измеренное значение не укладывается в норму, выбрать обойму "L" для установки.


    L7B53AE3
    Показать иллюстрациюПеревод текста в иллюстрациях


    Название компонента
    Технические характеристики
    Обозначение
    Тип толщины шайбы
    0,80 мм (0,031 дюйма)
    (Нет)
    0,90 мм (0,035 дюйма)
    a
    1,00 мм (0,039 дюйма)
    b
    1,10 мм (0,043 дюйма)
    c
    1,20 мм (0,047 дюйма)
    d
    1,30 мм (0,051 дюйма)
    e
    1,40 мм (0,055 дюйма)
    f
    1,50 мм (0,059 дюйма)
    g
    И, если значение полностью не укладывается в норму при использовании указанных выше обойм, выбрать регулировочную прокладку "P" согласно пункту "14. Установить задний планетарный механизм понижающей передачи в сборе" для установки.


    L7B53AE4
    Показать иллюстрациюПеревод текста в иллюстрациях


    При этом с обоймой "L" следует использовать толщину = 0,80 мм (0,031 дюйма).


    L7B53AE5
    Показать иллюстрациюПеревод текста в иллюстрациях


  19. Отрегулировать предварительный натяг конического роликового подшипника.
    1. Установить картер дифференциала в сборе в корпус коробки передач с главной передачей в сборе.
    2. Установить картер коробки передач с главной передачей в сборе в корпус коробки передач с главной передачей в сборе.


    L7B53AE6
    Показать иллюстрациюПеревод текста в иллюстрациях


    1. Установить и затянуть 17 болтов, как показано на рисунке.

    Затянуть
    Затянуть болт крепления картера коробки передач с главной передачей в сборе моментом 30 Н•м (22 фунт-фута).



    L7B53A72
    Показать иллюстрациюПеревод текста в иллюстрациях




    L7B53AE7
    Показать иллюстрациюПеревод текста в иллюстрациях


    1. Покрутить дифференциал в обоих направлениях, чтобы плотно посадить подшипник.
    2. С помощью преобразователя вращательного момента dt-47687 и торсиометра измерить предварительный натяг (при вращении) бокового подшипника без установки механизма понижающей передачи и вала в сборе.
    1. Если предварительный натяг не соответствует технической характеристике, то регулировочную прокладку обоймы подшипника дифференциала требуется заменить.
    2. Снять картер коробки передач с главной передачей в сборе и дифференциал в сборе с корпуса коробки передач с главной передачей в сборе.


    L7B53AE8
    Показать иллюстрациюПеревод текста в иллюстрациях


  20. Снять обойму подшипника дифференциала и регулировочную прокладку.
    1. Установить j-45160 в обойму подшипника, наблюдая за тем, чтобы перед затягиванием нижняя часть инструмента полностью опустилась вниз внутри обоймы и ровно села на верхнюю часть регулировочной прокладки.
    2. Двумя гаечными ключами затянуть j-45160, чтобы инструмент плотно сел в обойму подшипника для снятия.


    L7B53AE9
    Показать иллюстрациюПеревод текста в иллюстрациях


    1. Расположить секции регулируемых опор моста j-45124 так, чтобы они встали перпендикулярно верхней части секции корпуса вокруг обоймы подшипника дифференциала.
    2. Присоединить j-45124 к j-45160 и слегка прижать, затянув руками центральный болт, чтобы не допустить перемещения инструмента в сборе. Повторно проверить положение регулируемых опор моста J-45124, чтобы гарантировать, что обойма подшипника дифференциала не будет цепляться за регулируемые опоры и что корпус коробки передач с главной передачей в сборе в сборе не будет поврежден при снятии обоймы подшипника.
    3. Затянуть болт на j-45124, чтобы снять с корпуса коробки передач с главной передачей в сборе обойму подшипника дифференциала.


    L7B53AF1
    Показать иллюстрациюПеревод текста в иллюстрациях


    1. Снять регулировочную прокладку обоймы подшипника дифференциала с корпуса коробки передач с главной передачей в сборе.
    2. Измерить регулировочную прокладку обоймы подшипника дифференциала, чтобы определить ее размер. Взяв за основу полученное значение измерения, см. следующую таблицу, чтобы определить правильный размер регулировочной прокладки, которая потребуется.
    1,00 мм (0,039 дюйма)
    1,48 мм (0,058 дюйма)
    1,05 мм (0,041 дюйма)
    1,51 мм (0,059 дюйма)
    1,10 мм (0,043 дюйма)
    1,54 мм (0,061 дюйма)
    1,15 мм (0,045 дюйма)
    1,57 мм (0,062 дюйма)
    1,20 мм (0,047 дюйма)
    1,60 мм (0,063 дюйма)
    1,25 мм (0,049 дюйма)
    1,65 мм (0,065 дюйма)
    1,30 мм (0,051 дюйма)
    1,70 мм (0,067 дюйма)
    1,33 мм (0,052 дюйма)
    1,75 мм (0,069 дюйма)
    1,36 мм (0,053 дюйма)
    1,80 мм (0,071 дюйма)
    1,39 мм (0,055 дюйма)
    1,85 мм (0,073 дюйма)
    1,42 мм (0,056 дюйма)
    1,90 мм (0,075 дюйма)
    1,45 мм (0,057 дюйма)
    -

    Если полученное значение измерения крутящего момента ниже указанных в списке характеристик, то потребуется регулировочная прокладка больше/толще. Если полученное значение измерения крутящего момента выше указанных в списке характеристик, то потребуется регулировочная прокладка меньше/тоньше.


    L7B53AF1
    Показать иллюстрациюПеревод текста в иллюстрациях


  21. Снять обойму подшипника дифференциала и регулировочную прокладку.
    1. После выбора правильной регулировочной прокладки установить новую регулировочную прокладку обоймы подшипника дифференциала в корпус коробки передач с главной передачей в сборе.


    L7B53AF2
    Показать иллюстрациюПеревод текста в иллюстрациях


    1. С помощью j-8092 и j-45184 установить обойму подшипника дифференциала в корпус коробки передач с главной передачей в сборе.
    2. После правильной установки обоймы подшипника дифференциала в корпус повторить измерение, чтобы убедиться в правильности выбора толщины регулировочной прокладки.


    L7B53AX3
    Показать иллюстрациюПеревод текста в иллюстрациях


  22. Установить подшипник вала ручного переключения передач.
    1. С помощью j-45161 и пластикового молотка установить подшипник вала ручного переключения передач в корпус коробки передач с главной передачей в сборе.


    L7B53AX1
    Показать иллюстрациюПеревод текста в иллюстрациях


  23. Установить сальник клапана выбора диапазона, вдавив сальник в корпус.
    1. Установить новый сальник клапана выбора диапазона, вдавив сальник в корпус.


    L7B53A93
    Показать иллюстрациюПеревод текста в иллюстрациях


    1. Установить 1 болт torx, направляющую втулку и торсионную пружину № 2.

    Затянуть
    Затянуть болт крепления торсионной пружины № 2 моментом 10 Н•м (89 фунт-дюймов).



    L7B53A92
    Показать иллюстрациюПеревод текста в иллюстрациях


    1. Установить штифт механизма парковочной блокировки.


    L7B53A91
    Показать иллюстрациюПеревод текста в иллюстрациях


    1. Установить кулачковую пластину и собачку механизма парковочной блокировки.


    L7B53A90
    Показать иллюстрациюПеревод текста в иллюстрациях


    1. Установить вал собачки механизма парковочной блокировки и торсионную пружину № 1.


    L7B53A89
    Показать иллюстрациюПеревод текста в иллюстрациях


    1. Установить пружину блокировки.


    L7B53A88
    Показать иллюстрациюПеревод текста в иллюстрациях


    1. Временно затянуть 2 болта.


    L7B53A87
    Показать иллюстрациюПеревод текста в иллюстрациях


    1. Установить штангу механизма парковочной блокировки.


    L7B53A86
    Показать иллюстрациюПеревод текста в иллюстрациях


    1. Установить рычаг клапана выбора диапазона и присоединить к нему штангу механизма парковочной блокировки.


    L7B53A85
    Показать иллюстрациюПеревод текста в иллюстрациях


    1. Отверткой подсоединить пружину блокировки к рычагу клапана выбора диапазона.


    L7B53A88
    Показать иллюстрациюПеревод текста в иллюстрациях


    1. Закрепить двумя болтами.

    Затянуть
    Затянуть болт (1) крепления пружины блокировки (16,7 мм) моментом 10 Н•м (89 фунт-дюймов).
    Затянуть болт (2) крепления пружины блокировки (14 мм) моментом 6 Н•м (53 фунт-дюйма).



    L7B53AF4
    Показать иллюстрациюПеревод текста в иллюстрациях


  24. Установить трубку подвода к тормозу понижающей передачи (b4).
    1. Установить 2 новых уплотнительных кольца в паз трубки и пластиковым молотком установить трубку подвода к тормозу понижающей передачи (b4).


    L7B53AF5
    Показать иллюстрациюПеревод текста в иллюстрациях


    Важно: Следует проявлять осторожность, чтобы не повредить уплотнительное кольцо и не погнуть или не повредить трубку.



    L7B53A83
    Показать иллюстрациюПеревод текста в иллюстрациях


    1. Установить зажим и затянуть 2 болта.

    Затянуть
    Затянуть болт крепления зажима трубки подвода к тормозу понижающей передачи (B4)моментом 6 Н•м (53 фунт-дюйма).



    L7B53A82
    Показать иллюстрациюПеревод текста в иллюстрациях


  25. Установить фиксирующую пластину масляного бачка (корпус коробки передач с главной передачей в сборе).
    1. Установить фиксирующую пластину масляного бачка и затянуть 3 болта.

    Затянуть
    Затянуть болт крепления фиксирующей пластины масляного бачка (корпус коробки передач с главной передачей в сборе) моментом 6 Н•м (53 фунт-дюйма).



    L7B53A81
    Показать иллюстрациюПеревод текста в иллюстрациях


  26. Установить пластину корпуса коробки передач с главной передачей в сборе.
    1. Установить пластину корпуса коробки передач с главной передачей в сборе и затянуть 2 болта.

    Затянуть
    Затянуть болт крепления пластины корпуса коробки передач с главной передачей в сборе моментом 6 Н•м (53 фунт-дюйма).



    L7B53A80
    Показать иллюстрациюПеревод текста в иллюстрациях


  27. Установить масляный фильтр.
    1. Установить масляный фильтр и затянуть 1 болт.

    Затянуть
    Затянуть болт крепления масляного фильтра моментом 6 Н•м (53 фунт-дюйма).



    L7B53A79
    Показать иллюстрациюПеревод текста в иллюстрациях


  28. Установить дифференциал в сборе.


  29. L7B53A78
    Показать иллюстрациюПеревод текста в иллюстрациях


  30. Установить фиксирующую пластину масляного бачка (картер коробки передач с главной передачей в сборе).
    1. Установить 4 магнита на фиксирующую пластину масляного бачка.


    L7B53A77
    Показать иллюстрациюПеревод текста в иллюстрациях


    1. Установить фиксирующую пластину масляного бачка и затянуть 3 болта.

    Затянуть
    Затянуть болт крепления фиксирующей пластины масляного бачка (картер коробки передач с главной передачей в сборе) моментом 6 Н•м (53 фунт-дюйма).



    L7B53AF6
    Показать иллюстрациюПеревод текста в иллюстрациях


  31. Установить трубку подвода смазки к дифференциальной передаче.


  32. L7B53AF7
    Показать иллюстрациюПеревод текста в иллюстрациях


    1. Пластиковым молотком установить трубку подвода смазки к дифференциальной передаче.

    Важно: Следует проявлять осторожность, чтобы не погнуть или не повредить трубку.



    L7B53A75
    Показать иллюстрациюПеревод текста в иллюстрациях


    1. Установить зажим и затянуть 1 болт.

    Затянуть
    Затянуть болт крепления зажима трубки подвода смазки к дифференциальной передаче моментом 6 Н•м (53 фунт-дюйма).



    L7B53A74
    Показать иллюстрациюПеревод текста в иллюстрациях


  33. Установить прокладку.
    1. Установить 1 новую прокладку.


    L7B53AF8
    Показать иллюстрациюПеревод текста в иллюстрациях


  34. Собрать картер коробки передач с главной передачей в сборе.
    1. Очистить детали от следов упаковочного материала. Не допускать попадания масла на сопрягаемые поверхности корпуса коробки передач с главной передачей в сборе и картера коробки передач с главной передачей в сборе.
    2. Нанести пластичную прокладку (fipg) на картер коробки передач с главной передачей в сборе, как показано на рисунке.


    L7B53A71
    Показать иллюстрациюПеревод текста в иллюстрациях


    1. Установить картер коробки передач с главной передачей в сборе в корпус коробки передач с главной передачей в сборе.


    L7B53A72
    Показать иллюстрациюПеревод текста в иллюстрациях


    1. Установить и затянуть 17 болтов, как показано на рисунке.

    Затянуть
    Затянуть болт крепления картера коробки передач с главной передачей в сборе моментом 30 Н•м (22 фунт-фута).

    Важно: Обязательно использовать новый уплотняющий болт.



    L7B53AF9
    Показать иллюстрациюПеревод текста в иллюстрациях


  35. Установить масляный насос в сборе.
    1. Установить упорное кольцо со смазкой в масляный насос в сборе.
    2. Установить ступицу инерционного тормоза 2-й передачи (b1) и тормоза 2-й передачи (b2) и обгонную муфту № 1 (f1) на масляный насос в сборе.


    L7B53AG1
    Показать иллюстрациюПеревод текста в иллюстрациях


    1. Проверить расстояние b.

    Важно: Если расстояние не укладывается в норму, снова отрегулировать до достижения нормы.



    L7B53AG2
    Показать иллюстрациюПеревод текста в иллюстрациях


    1. Установить новое уплотнительное кольцо в масляный насос в сборе.
    2. Установить масляный насос в сборе по первичному валу в горизонтальном положении и совместить болтовые отверстия корпуса насоса с отверстиями корпуса коробки передач с главной передачей в сборе. Слегка прижать корпус масляного насоса.

    Важно: Следует проявлять осторожность, чтобы не уронить ступицу инерционного тормоза 2-й передачи (B1) и тормоза 2-й передачи (B2) и обгонную муфту № 1 (F1).



    L7B53A67
    Показать иллюстрациюПеревод текста в иллюстрациях


    1. Установить и затянуть 8 болтов.

    Затянуть
    Затянуть болт крепления масляного насоса в сборе моментом 25 Н•м (18 фунт-футов).



    L7B53AG3
    Показать иллюстрациюПеревод текста в иллюстрациях


  36. Проверить осевой зазор.
    1. Установить индикатор, как показано на рисунке, подвигать первичный вал и измерить осевой зазор.
    Если осевой зазор не укладывается в норму, выбрать другую обойму подшипника "K" согласно пункту "№ 11, 2) Сборка основного узла" в этом разделе.
    Название компонента
    Характеристики толщины
    Внешний диаметр
    Внутренний диаметр
    Обозначение
    Тип толщины шайбы
    0,81 мм (0,032 дюйма)
    41,00 мм (1,614 дюйма)
    22,00 мм (0,866 дюйма)
    (Нет)
    0,90 мм (0,035 дюйма)
    41,00 мм (1,614 дюйма)
    22,00 мм (0,866 дюйма)
    9
    1,00 мм (0,039 дюйма)
    41,00 мм (1,614 дюйма)
    21,70 мм (0,854 дюйма)
    10
    1,10 мм (0,043 дюйма)
    41,00 мм (1,614 дюйма)
    21,50 мм (0,846 дюйма)
    11
    1,20 мм (0,047 дюйма)
    41,00 мм (1,614 дюйма)
    21,30 мм (0,839 дюйма)
    12
    1,30 мм (0,051 дюйма)
    41,00 мм (1,614 дюйма)
    21,20 мм (0,835 дюйма)
    13
    1,40 мм (0,055 дюйма)
    41,00 мм (1,614 дюйма)
    21,00 мм (0,827 дюйма)
    14
    1,50 мм (0,059 дюйма)
    41,00 мм (1,614 дюйма)
    20,80 мм (0,819 дюйма)
    15


    L7B53A66
    Показать иллюстрациюПеревод текста в иллюстрациях


  37. Установить переключатель и датчик в сборе в корпус коробки передач с главной передачей в сборе.
    1. Установить новое уплотнительное кольцо с использованием рабочей жидкости АКПП на жгут коробки передач с главной передачей в сборе.
    2. Установить переключатель и датчик в сборе в корпус коробки передач с главной передачей в сборе.


    L7B53A65
    Показать иллюстрациюПеревод текста в иллюстрациях


  38. Установить прокладку.
    1. Установить 2 новые прокладки в корпус коробки передач с главной передачей в сборе.


    L7B53A64
    Показать иллюстрациюПеревод текста в иллюстрациях


  39. Установить корпус клапана.
    1. Удерживая блок клапанов в сборе, присоединить соединительный шток клапана выбора диапазона к рычагу клапана выбора диапазона.

    Важно: Положение переключения передач - "N".

    Важно: Следует проявлять осторожность, чтобы не повредить жгут коробки передач с главной передачей в сборе.



    L7B53A62
    Показать иллюстрациюПеревод текста в иллюстрациях


    1. Установить и равномерно затянуть 6 болтов.

    Затянуть
    Затянуть болт крепления блока клапанов в сборе моментом 10 Н•м (89 фунт-дюймов).



    L7B53A63
    Показать иллюстрациюПеревод текста в иллюстрациях




    L7B53A60
    Показать иллюстрациюПеревод текста в иллюстрациях


  40. Установить крышку со стороны всасывания.
    1. Установить новую прокладку и крышку со стороны всасывания, равномерно затянуть 2 болта.

    Затянуть
    Затянуть болт крепления крышки со стороны всасывания моментом 10 Н•м (89 фунт-дюймов).



    L7B53A61
    Показать иллюстрациюПеревод текста в иллюстрациях




    L7B53A58
    Показать иллюстрациюПеревод текста в иллюстрациях


  41. Соединить разъемы провода коробки передач с главной передачей в сборе.
    1. Смазать новое уплотнительное кольцо рабочей жидкостью АКПП, установить в паз датчика температуры рабочей жидкости КПП.
    2. Установить зажим и затянуть 1 болт.

    Затянуть
    Затянуть болт крепления датчика температуры рабочей жидкости КПП моментом 10 Н•м (89 фунт-дюймов).



    L7B53A59
    Показать иллюстрациюПеревод текста в иллюстрациях




    L7B53A56
    Показать иллюстрациюПеревод текста в иллюстрациях


    1. Соединить 8 проводных разъемов электромагнитных клапанов.

    Важно: Следует проявлять осторожность, чтобы не погнуть штырек соединительного разъёма электромагнитного клапана.



    L7B53A57
    Показать иллюстрациюПеревод текста в иллюстрациях


    (1) Электромагнитный клапан № 1 (черный)
    (2) Электромагнитный клапан № 2 (серый)
    (3) Электромагнитный клапан № 3 (серый)
    (4) Электромагнитный клапан № 4 (синий)
    (5) Электромагнитный клапан № 5 (коричневый)
    (6) Электромагнитный клапан (синий)
    (7) Электромагнитный клапан (зеленый)
    (8) Электромагнитный клапан (черный)


    L7B53AG4
    Показать иллюстрациюПеревод текста в иллюстрациях


  42. Установить заднюю крышку картера коробки передач с главной передачей в сборе.
    1. Очистить сопрягаемую поверхность корпуса коробки передач с главной передачей в сборе от следов упаковочного материала и стереть масло с сопрягаемой поверхности.
    2. Нанести пластичную прокладку (fipg) на новую заднюю крышку картера КПП.

    Важно: Следует следить за тем, чтобы на сопрягаемой поверхности не было масла.

    1. Установить заднюю крышку картера коробки передач с главной передачей в сборе на корпус коробки передач с главной передачей в сборе.


    L7B53A54
    Показать иллюстрациюПеревод текста в иллюстрациях


    1. Установить и равномерно затянуть 9 новых болтов torx.

    Затянуть
    Затянуть болты крепления задней крышки картера КПП моментом 13 Н•м (10 фунт-футов).

    Важно: Обязательно использовать новый уплотняющий болт.



    L7B53A50
    Показать иллюстрациюПеревод текста в иллюстрациях


  43. Установить датчик скорости первичного вала и переключатель диапазонов АКПП.
    1. Установить новое уплотнительное кольцо, смазанное рабочей жидкостью АКПП, на датчик скорости первичного вала.
    2. Установить датчик скорости первичного вала и затянуть 1 болт.

    Затянуть
    Затянуть болт крепления датчика скорости первичного вала моментом 6 Н•м (53 фунт-дюйма).

    Важно: Обязательно использовать новый уплотняющий болт.



    L7B53A53
    Показать иллюстрациюПеревод текста в иллюстрациях


    1. Установить переключатель диапазонов АКПП на рычаг клапана выбора диапазона.
    2. Временно затянуть 2 болта.


    L7B53A52
    Показать иллюстрациюПеревод текста в иллюстрациях


    1. Установить пружинную шайбу с гайкой и затянуть гайку.

    Затянуть
    Затянуть гайку переключателя диапазонов АКПП моментом 7 Н•м (62 фунт-дюйма).



    L7B53AG5
    Показать иллюстрациюПеревод текста в иллюстрациях


    1. Рычаг клапана выбора диапазона должен быть отрегулирован на положение "N".
    2. Установить j-45404 на рычаг клапана выбора диапазона.
    3. Вращать переключатель диапазонов АКПП до тех пор, пока базовая линия нейтральной передачи на переключателе не выровняется с линией указателя на j-45404.


    L7B53AG6
    Показать иллюстрациюПеревод текста в иллюстрациях


    1. Затянуть 2 болта переключателя диапазонов АКПП.

    Затянуть
    Затянуть болты переключателя диапазонов АКПП моментом 25 Н•м (18 фунт-футов).



    L7B53A51
    Показать иллюстрациюПеревод текста в иллюстрациях


    1. Отверткой поджать пружинную шайбу.


    L7B53A49
    Показать иллюстрациюПеревод текста в иллюстрациях


  44. Установить датчик скорости вторичного вала.
    1. Установить новое уплотнительное кольцо, смазанное рабочей жидкостью АКПП, на датчик скорости вторичного вала.
    2. Установить датчик скорости вторичного вала и затянуть 1 болт.

    Затянуть
    Затянуть болт крепления датчика скорости вторичного вала моментом 6 Н•м (53 фунт-дюйма).

    Важно: Обязательно использовать новый уплотняющий болт.



    L7B53A48
    Показать иллюстрациюПеревод текста в иллюстрациях


  45. Установить датчик уровня масла.
    1. Установить новое уплотнительное кольцо, смазанное рабочей жидкостью АКПП, и датчик уровня масла.


    L7B53A47
    Показать иллюстрациюПеревод текста в иллюстрациях


    1. Затянуть 1 болт.

    Затянуть
    Затянуть болт крепления датчика уровня масла моментом 10 Н•м (89 фунт-дюймов).



    L7B53A46
    Показать иллюстрациюПеревод текста в иллюстрациях


  46. Установить сливную пробку на место.
    1. Установить новую прокладку на сливную пробку.

    Затянуть
    Затянуть пробку сливного отверстия моментом 40 Н•м (30 фунтов на фут).



    L7B53AG7
    Показать иллюстрациюПеревод текста в иллюстрациях


  47. Установить гидротрансформатор.
    1. Установить гидротрансформатор.


    L7B53AG8
    Показать иллюстрациюПеревод текста в иллюстрациях


    1. Проверить расстояние c.

    Важно: Если расстояние не укладывается в норму, снова отрегулировать до достижения нормы.



    L7B53AG9
    Показать иллюстрациюПеревод текста в иллюстрациях


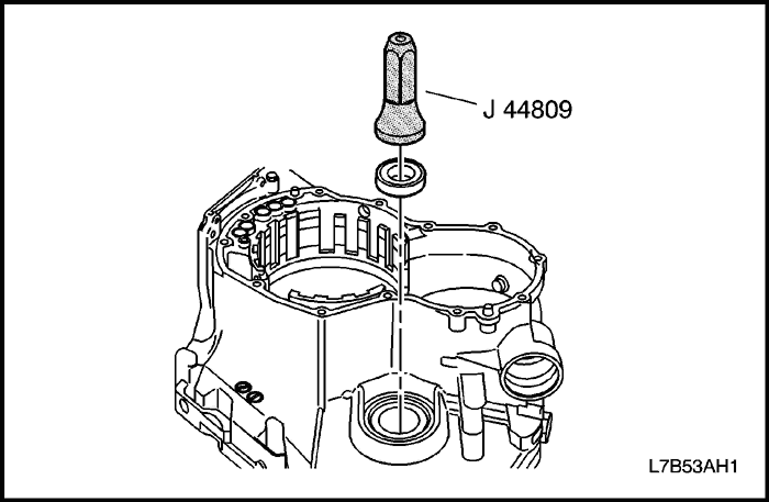
  48. Установить сальник дифференциала.
    1. Установить сальник со стороны картера коробки передач с главной передачей в сборе с помощью j-45187.


    L7B53AH1
    Показать иллюстрациюПеревод текста в иллюстрациях


    1. Установить сальник со стороны корпуса коробки передач с главной передачей в сборе с помощью j-44809.


На предыдущую страницуНа следующую страницу
https://vnx.su/ 🛠 Руководства по ремонту и эксплуатации для автомобилей

Поиск по сайту

Остались вопросы или пожелания? Пишите на почту: support@vnx.su

Карта Сайта