К началу документа
Nubira-Lacetti
На предыдущую страницуНа следующую страницу
Главная страница GMDEЗагрузить нединамическое оглавлениеЗагрузить динамическое оглавлениеПомощь

ТЕХНИЧЕСКОЕ ОБСЛУЖИВАНИЕ И РЕМОНТ

ТЕХНИЧЕСКОЕ ОБСЛУЖИВАНИЕ БЕЗ ДЕМОНТАЖА С АВТОМОБИЛЯ



J7C11B01
Показать иллюстрациюПеревод текста в иллюстрациях


Декоративная крышка

Порядок снятия/установки

  1. Отвернуть болты и гайки декоративной крышки.
  2. Снять декоративную крышку.
  3. Затянуть
    Затянуть гайки декоративной крышки до 8 Н•м (70,8 фунт-дюйма).



J7C11B02
Показать иллюстрациюПеревод текста в иллюстрациях


Узел и элемент воздухоочистителя

Порядок снятия/установки/замены

  1. Снять верхний корпус фильтра воздухоочистителя.


  2. J7C11B03
    Показать иллюстрациюПеревод текста в иллюстрациях


  3. Заменить элемент воздушного фильтра.


  4. J7C11B04
    Показать иллюстрациюПеревод текста в иллюстрациях


  5. Отвернуть болт крепления узла воздухоочистителя.
  6. Отсоединить хомут шланга воздухоочистителя.
  7. Снять воздушный фильтр в сборе.
  8. Затянуть
    Затянуть болт крепления узла воздухоочистителя до 10 Н•м (88,5 фунт-дюйма).



J7C11B01
Показать иллюстрациюПеревод текста в иллюстрациях


Система нагнетания воздуха

Процедура снятия

  1. Отсоедините отрицательный кабель аккумулятора.
  2. Снять декоративную крышку. См. пункт "Декоративная крышка" в этом разделе.


  3. J7C11B05
    Показать иллюстрациюПеревод текста в иллюстрациях


  4. Отсоединить разъемом датчика maf (массового расхода воздуха).
  5. Отвернуть болт крепления узла воздухоочистителя.
  6. Отсоединить шланг принудительной вентиляции картера (pcv) и зажим от впускного колена турбонагнетателя.
  7. Отвернуть болт крепления впускного колена турбонагнетателя.
  8. Снять впускное колено турбонагнетателя и воздушный фильтр в сборе.
  9. Снять выпускной канал турбонагнетателя.
  10. Снять зажимы с впуска/выпуска охладителя нагнетаемого воздуха и зажим со стороны электронного управления дроссельной заслонкой (etc)
  11. Снять шланги впуска/выпуска охладителя нагнетаемого воздуха.


J7C11B05
Показать иллюстрациюПеревод текста в иллюстрациях


Процедура установки

  1. Установить впускной/выпускной шланги охладителя нагнетаемого воздуха.
  2. Завернуть болт крепления впускного колена турбонагнетателя.
  3. Затянуть
    Затянуть болт крепления впускного колена турбонагнетателя до 6 Н•м (53,1 фунт-дюйма).

  4. Завернуть болты крепления выпускной трубы турбонагнетателя.
  5. Затянуть
    Затянуть болт крепления выпускной трубы турбонагнетателя до 6 Н•м (53,1 фунт-дюйма).



J7C17B03
Показать иллюстрациюПеревод текста в иллюстрациях


Охладитель нагнетаемого воздуха

Процедура снятия

  1. Отсоедините отрицательный кабель аккумулятора.
  2. Снимите конденсатор кондиционера. См. раздел 7B, "Система отопления, вентиляции и кондиционирования".


  3. J7C11B06
    Показать иллюстрациюПеревод текста в иллюстрациях


  4. Отвернуть болты крепления охладителя нагнетаемого воздуха.
  5. Снять охладитель нагнетаемого воздуха.


J7C11B06
Показать иллюстрациюПеревод текста в иллюстрациях


Процедура установки

  1. Установить охладитель нагнетаемого воздуха на радиатор.
  2. Затянуть
    Затяните стопорные болты охладитель нагнетаемого воздуха до 9 Н•м (79,7 фунт-дюйма).

  3. Установите конденсатор кондиционера. См. раздел 7B, "Система отопления, вентиляции и кондиционирования".


J7C11B01
Показать иллюстрациюПеревод текста в иллюстрациях


Клапан и переходник принудительной вентиляции картера (pcv)

Процедура снятия

  1. Отсоедините отрицательный кабель аккумулятора.
  2. Снять декоративную крышку. См. пункт "Декоративная крышка" в этом разделе.


  3. J7C11B07
    Показать иллюстрациюПеревод текста в иллюстрациях


  4. Отсоединить разъем электромагнитного клапана и впускной/выпускной шланги вакуума от электромагнитного клапана рециркуляции отработавших газов.
  5. Отсоединить шланг принудительной вентиляции картера (pcv) от впускного колена турбонагнетателя.
  6. Отвернуть болты клапана принудительной вентиляции картера (pcv) от переходника клапана принудительной вентиляции картера (pcv).
  7. Снять клапан принудительной вентиляции картера.


  8. C7A52B29
    Показать иллюстрациюПеревод текста в иллюстрациях


  9. Снять теплозащитный экран турбонагнетателя. См. раздел 1F2, "Органы управления двигателем - дизель 2.0".
  10. Снять переходник клапана принудительной вентиляции картера (pcv) с прокладкой переходника.


C7A52B29
Показать иллюстрациюПеревод текста в иллюстрациях


Процедура установки

  1. Установить переходник клапана принудительной вентиляции картера (pcv) с новой прокладкой.
  2. Затянуть
    Затянуть болты переходника клапана принудительной вентиляции картера (PCV) до 11 Н•м (97,4 фунт-дюйма).



    J7C11B07
    Показать иллюстрациюПеревод текста в иллюстрациях


  3. Клапан принудительной вентиляции картера (pcv).
  4. Затянуть
    Затянуть болты клапана принудительной вентиляции картера (PCV) до 11 Н•м (97,4 фунт-дюйма).



J7C11B01
Показать иллюстрациюПеревод текста в иллюстрациях


Вспомогательный ремень и натяжитель

Необходимое оборудование

EN-48253 Приспособление для снятия/установки приводного ремня вспомогательных агрегатов
EN-48300 Приспособление для снятия/установки натяжителя
EN-48301 Штифт для удержания пружины натяжителя

Процедура снятия

  1. Снять декоративную крышку. См. "Декоративная крышка" в этом разделе.
  2. Поднимите и зафиксируйте автомобиль.
  3. Снимите правое переднее колесо. См. раздел 2E, "Шины и колеса".
  4. Снять передний щиток двигателя со стороны правого переднего колеса. Следуйте разделу 9R, Передняя часть кузова.


  5. C7A52B30
    Показать иллюстрациюПеревод текста в иллюстрациях


  6. Установить съемник/приспособление для установки ремня привода вспомогательных агрегатов en-48253 на направляющую рычага натяжителя и провернуть натяжитель по часовой стрелке.
  7. Полностью провернуть натяжитель и одновременно вставить фиксирующий штифт пружины натяжителя en-48301 в отверстие штифта натяжителя.


  8. C7A52B31
    Показать иллюстрациюПеревод текста в иллюстрациях


  9. Снять вспомогательный ремень.


  10. C7A52B40
    Показать иллюстрациюПеревод текста в иллюстрациях


  11. Снять натяжитель при помощи съемника/приспособления для установки натяжителя en-48300.


C7A52B41
Показать иллюстрациюПеревод текста в иллюстрациях


Процедура установки

  1. Завернуть болт натяжителя от руки.
  2. Примечание: Не отпуская натяжитель, плотно завернуть болт натяжителя от руки. В этот момент установочный шип (a) натяжителя отклоняется от отверстия (b) установочного шипа натяжителя.

    Внимание! При чрезмерном вращении болта натяжителя инструментом установочный шип и кронштейн натяжителя могут износиться.



    C7A52B42
    Показать иллюстрациюПеревод текста в иллюстрациях


  3. Установить ремень привода вспомогательных агрегатов.


  4. C7A52B43
    Показать иллюстрациюПеревод текста в иллюстрациях


  5. Установить съемник/приспособление для установки ремня привода вспомогательных агрегатов en-48253 на направляющую рычага натяжителя и провернуть натяжитель против часовой стрелки.
  6. Примечание: Установочный шип (a) натяжителя вставляется в отверстие (b) установочного шипа натяжителя.

  7. Установить натяжитель при помощи съемника/приспособления для установки натяжителя en-48300.
  8. Затянуть
    Затянуть стопорный болт натяжителя до 48 Н•м (35,4 фунт-фута).

  9. Снять фиксирующий штифт пружины натяжителя en-48301 при помощи съемника/приспособление для установки ремня привода вспомогательных агрегатов en-48253.


J7C11B05
Показать иллюстрациюПеревод текста в иллюстрациях


Впускной коллектор

Процедура снятия

  1. Отсоедините отрицательный кабель аккумулятора.
  2. Снять декоративную крышку. См. "Декоративная крышка" в этом разделе.
  3. Снять шланги и воздуховоды системы нагнетаемого воздуха. См. "Система нагнетания воздуха" в этом разделе.


  4. J7C11B08
    Показать иллюстрациюПеревод текста в иллюстрациях


  5. Слить охлаждающую жидкость. См. раздел 1D2, "Охлаждение двигателя - дизель 2.0".


  6. C7A52B31
    Показать иллюстрациюПеревод текста в иллюстрациях


  7. Снять вспомогательный ремень. См. "Ремень привода вспомогательных агрегатов и натяжитель" в этом разделе.


  8. J7C11B09
    Показать иллюстрациюПеревод текста в иллюстрациях


  9. Отсоедините верхний шланг радиатора от корпуса термостата.
  10. Снять топливопровод к насосу впрыска с насоса для впрыска топлива.
  11. Отвернуть болты крепления насоса рулевого управления с гидроусилителем и отвести в левую сторону.
  12. Отсоединить возвратный топливный шланг от насоса высокого давления.
  13. Отсоединить подающий топливный шланг от насоса высокого давления.
  14. Отсоединить вакуумные шланги от вакуумной коробки системы рециркуляции отработавших газов.
  15. Отсоединить шланг подачи охлаждающей жидкости от обратного шланга.
  16. Снять трубку указателя уровня масла.
  17. Снять проводку двигателя.
    1. Отсоединить разъем датчика давления в общей топливной рампе.
    2. Отсоедините разъем cts.
    3. Отсоединить разъем насоса впрыска.
    4. Отсоединить разъем генератора.
    5. Отсоединить разъем провода электромагнитного клапана стартера.
    6. Отсоединить разъемом датчика t-map.
    7. Отсоединить разъем датчика положения распределительного вала
    8. Отсоединить разъем корпуса etc.
    9. Отсоединить разъем регулятора общей топливной рампы.
  18. Снять направляющую жгута проводов двигателя.


  19. C7A52B45
    Показать иллюстрациюПеревод текста в иллюстрациях


  20. Снять перепускной шланг охлаждающей жидкости с впускного коллектора.
  21. Снять выпускной трубопровод охладителя рециркуляции отработавших газов.
  22. Снимите впускной коллектор с прокладкой.


C7A52B45
Показать иллюстрациюПеревод текста в иллюстрациях


Процедура установки

  1. Установить выпускной коллектор с новой прокладкой.
  2. Установить выпускной трубопровод охладителя рециркуляции отработавших газов.
  3. Затянуть
    Затянуть болты и гайки впускного коллектора с моментом 23 Н•м (17 фунт-футов).
    Затянуть болты и гайки выпускной трубы охладителя рециркуляции выхлопных газов с моментом 20 Н•м (14,8 фунт-фута).



    J7C11B09
    Показать иллюстрациюПеревод текста в иллюстрациях


  4. Установить проводку двигателя.
  5. Установить топливопровод к общей топливной рампе, находящийся между общей топливной рампой и насосом для впрыска топлива. См. раздел 1F2, "Органы управления двигателем - дизель 2.0".
  6. Установить трубку указателя уровня масла.
  7. Установите насос рулевого управления с гидроусилителем.
  8. Установить топливопровод к насосу впрыска на насос для впрыска топлива.
  9. Затянуть
    Затянуть гайку крепления топливопровода к общей топливной рампе до 20 Н•м (14,8 фунт-фута).
    Затянуть болт крепления топливопровода к общей топливной рампе до 10 Н•м (88,5 фунт-дюйма).
    Затянуть болты трубки указателя уровня масла до 11 Н•м (97,4 фунт-дюйма).
    Затянуть болты насоса рулевого управления с гидроусилителем до 25 Н•м (18,4 фунт-фута).
    Затянуть болт крепления топливопровода к насосу впрыска (к впускному коллектору) до 9 Н•м (79,7 фунт-дюйма).
    Затянуть болт крепления топливопровода к насосу впрыска до 25 Н•м (18,4 фунт-фута).



J7C11B05
Показать иллюстрациюПеревод текста в иллюстрациях


Выпускной коллектор

Процедура снятия

    Внимание! Не снимайте, если детали выпускного коллектора горячие.

  1. Отсоедините отрицательный кабель аккумулятора.
  2. Снять декоративную крышку. См. "Декоративная крышка" в этом разделе.
  3. Снять шланги и воздуховоды системы нагнетаемого воздуха. См. "Система нагнетания воздуха" в этом разделе.


  4. C7A52B29
    Показать иллюстрациюПеревод текста в иллюстрациях


  5. Снять клапан принудительной вентиляции картера (pcv) и переходник. См. "Клапан и переходник принудительной вентиляции картера (PCV)" в этом разделе.


  6. C7A52B46
    Показать иллюстрациюПеревод текста в иллюстрациях


  7. Снять теплозащитный экран выпуска.


  8. J7C11B10
    Показать иллюстрациюПеревод текста в иллюстрациях


  9. Снять пусковой катализатор. См. Раздел 1G2, "Система выпуска отработавших газов - дизель 2.0".
  10. Снять турбонагнетатель с выпускного коллектора. См. раздел 1F2, "Органы управления двигателем - дизель 2.0".


  11. C7A52B47
    Показать иллюстрациюПеревод текста в иллюстрациях


  12. Снять впускной трубопровод охладителя системы рециркуляции отработавших газов с клапана рециркуляции отработавших газов вместе с прокладкой.
  13. Снять выпускной коллектор вместе с впускной трубкой охладителя системы рециркуляции отработавших газов.
  14. Снять впускной трубопровод охладителя рециркуляции отработавших газов с выпускного коллектора.


C7A52B47
Показать иллюстрациюПеревод текста в иллюстрациях


Процедура установки

  1. Установить впускной трубопровод охладителя рециркуляции отработавших газов на выпускной коллектор.
  2. Установить выпускной коллектор на головку цилиндров с новой прокладкой.
  3. Установить впускной трубопровод охладителя системы рециркуляции отработавших газов на клапан рециркуляции отработавших газов с новой прокладкой.
  4. Затянуть
    Затянуть гайки впускной трубы системы рециркуляции выхлопных газов (к выпускному коллектору) с моментом 33 Н•м (24,3 фунт-фута).
    Затянуть гайки выпускного коллектора с моментом 33 Н•м (24,3 фунт-фута).
    Затянуть болты впускной трубы охладителя системы рециркуляции выхлопных газов (к заслонке системы рециркуляции выхлопных газов) с моментом 20 Н•м (14,8 фунт-фута).



    C7A52B46
    Показать иллюстрациюПеревод текста в иллюстрациях


  5. Установите теплоизоляционный щиток выпускного коллектора.
  6. Затянуть
    Затянуть болт и гайки теплозащитного экрана выпускного коллектора до 20 Н•м (14,8 фунт-фута).



J7C11B05
Показать иллюстрациюПеревод текста в иллюстрациях


Крышка головки цилиндров

Процедура снятия

  1. Отсоедините отрицательный кабель аккумулятора.
  2. Снять декоративную крышку. См. "Декоративная крышка" в этом разделе.
  3. Снять шланги и воздуховоды системы нагнетаемого воздуха. См. "Система нагнетания воздуха" в этом разделе.
  4. Снять клапан принудительной вентиляции картера (pcv) и переходник. См. "Клапан и переходник принудительной вентиляции картера (PCV)" в этом разделе.


  5. J7C11B11
    Показать иллюстрациюПеревод текста в иллюстрациях


  6. Отсоединить вакуумные шланги от вакуумной коробки системы рециркуляции отработавших газов.
  7. Снять возвратный трубопровод охлаждающей жидкости и отвернуть болт крепления.
  8. Отсоединить разъем датчика положения распределительного вала


  9. C7A52FB9
    Показать иллюстрациюПеревод текста в иллюстрациях


  10. Снять топливопровод к форсунке, находящийся между общей топливной рампой и форсункой. См. раздел 1F2, "Органы управления двигателем - дизель 2.0".
  11. Снять возвратный топливопровод в сборе. См. раздел 1F2, "Органы управления двигателем - дизель 2.0".


  12. L7C11B12
    Показать иллюстрациюПеревод текста в иллюстрациях


  13. Снять крышку головки цилиндров с прокладкой.

Процедура очистки

  1. Очистить уплотняемую поверхность крышки головки цилиндров.
  2. Очистить уплотняемую поверхность головки цилиндров.
  3. Очистить болты крышки головки цилиндров.
  4. Очистить отверстия под болты крышки головки цилиндров.


C7A52B50
Показать иллюстрациюПеревод текста в иллюстрациях


Процедура установки

  1. Нанести герметик (loctite 5900) на поверхность передней/задней крышки распределительного вала.


  2. L7C11B12
    Показать иллюстрациюПеревод текста в иллюстрациях


  3. Установить крышку головки цилиндров с новой прокладкой на головку цилиндров.
  4. Затянуть
    Затянуть болты крышки головки цилиндров до 12 Н•м (8,9 фунт-фута).



    J7C11B11
    Показать иллюстрациюПеревод текста в иллюстрациях


  5. Установить верхнюю крышку приводного ремня ГРМ.
  6. Установить возвратный топливопровод в сборе.
  7. Установить скобу шлангов, которой закрепляются шланги гидроусилителя рулевого управления, топливный и охлаждающей жидкости.
  8. Установить топливопровод к форсунке, находящийся между общей топливной рампой и форсункой. См. раздел 1F2, "Органы управления двигателем - дизель 2.0".
  9. Затянуть

    Затянуть болты верхнего кожуха приводного ремня ГРМ с моментом 11 Н•м (97,4 фунт-дюйма).
    Затянуть болты соединительного блока с моментом 11 Н•м (97,4 фунт-дюйма).
    Затянуть болты скобы шлангов с моментом 10 Н•м (88,5 фунт-дюйма).


J7C11B05
Показать иллюстрациюПеревод текста в иллюстрациях


Система приводного ремня ГРМ

Необходимое оборудование

DW110-060 Опорное приспособление для двигателя в сборе
EN-48245 Регулятор приводного ремня ГРМ - держатель распредвала
EN-48246 Регулятор приводного ремня ГРМ - держатель коленвала

Процедура снятия

  1. Отсоедините отрицательный кабель аккумулятора.
  2. Снять декоративную крышку. См. "Декоративная крышка" в этом разделе.
  3. Снять шланги и воздуховоды системы нагнетаемого воздуха. См. "Система нагнетания воздуха" в этом разделе.
  4. Снять вспомогательный ремень. См. "Ремень привода вспомогательных агрегатов и натяжитель" в этом разделе.


  5. C7A52B31
    Показать иллюстрациюПеревод текста в иллюстрациях


    Внимание! Поднять двигатель настолько, чтобы снять нагрузку с узла подвески двигателя, иначе может произойти повреждение подвески и отказ подъемного оборудования.

  6. Подпереть узел двигателя, используя зажимное приспособление для двигателя dw110-060.


  7. J7C11B12
    Показать иллюстрациюПеревод текста в иллюстрациях


  8. Снять демпфирующий блок подвески двигателя. См. "Подвеска двигателя в сборе (правая сторона)" в этом разделе.


  9. C7A52B51
    Показать иллюстрациюПеревод текста в иллюстрациях


  10. Снять верхнюю крышку приводного ремня ГРМ.
  11. Снять натяжной ролик ремня привода вспомогательных агрегатов.
  12. Снять натяжитель. См. "Ремень привода вспомогательных агрегатов и натяжитель" в этом разделе.
  13. Снимите шкив коленчатого вала.
  14. Снять нижнюю крышку приводного ремня ГРМ.
  15. Снимите кронштейн подвески двигателя.


  16. C7A52B52
    Показать иллюстрациюПеревод текста в иллюстрациях


  17. Снять натяжитель приводного ремня ГРМ.
  18. Снимите приводной ремень газораспределительного механизма.
  19. Снять звездочку распределительного вала.


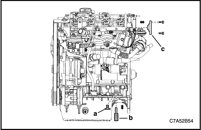
C7A52FC7
Показать иллюстрациюПеревод текста в иллюстрациях


регулировка натяжения приводного ремня газораспределительного механизма

  1. Снять вакуумный насос. См. раздел 1F2, "Органы управления двигателем - дизель 2.0.


  2. C7A52B53
    Показать иллюстрациюПеревод текста в иллюстрациях


  3. Вращая распределительный вал, совместить с отверстием на верхней точке.
  4. Вращая коленчатый вал, совместить с меткой на звездочке коленчатого вала.


  5. C7A52B54
    Показать иллюстрациюПеревод текста в иллюстрациях


  6. Снимите подвеску двигателя. См. "Передняя подвеска двигателя" в этом разделе.
  7. Открутить болт-заглушку под держатель коленвала (a).
  8. Вставить держатель коленвала en-48246 в отверстие для держателя коленвала (b).
  9. Примечание: Понемногу вращая звездочку коленчатого вала, одновременно вставить держатель коленчатого вала.

  10. Установить держатель распределительного вала en-48245 с задней стороны (c) распределительного вала.


  11. C7A52B52
    Показать иллюстрациюПеревод текста в иллюстрациях


  12. Установить звездочку распределительного вала и затянуть болт вручную.
  13. Установите приводной ремень газораспределительного механизма.
  14. Установить натяжитель приводного ремня ГРМ, затянув болт вручную.


  15. C7A52B55
    Показать иллюстрациюПеревод текста в иллюстрациях


  16. Повернуть выступ шестигранного ключа (a) против часовой стрелки, чтобы натянуть ремень. Повернуть до тех пор, пока точка не совпадет с прорезью (b).
  17. Выравнивая по прорези, вставить болт натяжителя приводного ремня ГРМ.
  18. Завернуть болт звездочки распределительного вала.
  19. Затянуть
    Затянуть болт натяжителя приводного ремня ГРМ с моментом 25 Н•м (18,4 фунт-фута).
    Затянуть болт звездочки распредвала с моментом 133 Н•м (98,1 фунт-фута).

  20. Снять держатель распредвала en-48245 и держатель коленвала en-48246.
  21. Повернуть коленвал по часовой стрелке не менее чем на 2 оборота и проверить отметку на звездочке коленвала.
  22. После выравнивания приводного ремня ГРМ завернуть болт-заглушка отверстия под держатель коленчатого вала.
  23. Затянуть
    Затянуть болт-заглушку отверстия под держатель коленчатого вала до 30 Н•м (22,1 фунт-фута).

    Примечание: Если нет совмещения с точкой ВМТ цилиндра № 1, повторить указанную выше процедуру для № 4 ~ № 10, пока не будет совмещения.

    Внимание! Так как установка этих специальных инструментов техобслуживания нацелена на совмещение с точкой ВМТ цилиндра № 1, то, если нет точного совмещения, это будет влиять на мощность двигателя и уровень выбросов.



C7A52B51
Показать иллюстрациюПеревод текста в иллюстрациях


Процедура установки

  1. Установите кронштейн подвески двигателя.
  2. Установить нижнюю крышку приводного ремня ГРМ.
  3. Установите шкив коленчатого вала.
  4. Установить натяжной ролик ремня привода вспомогательных агрегатов.
  5. Установить верхнюю крышку приводного ремня ГРМ.
  6. Затянуть
    Затянуть болты кронштейна подвески двигателя с моментом 50 Н•м (37 фунт-футов).
    Затянуть болты нижнего кожуха приводного ремня ГРМ с моментом 11 Н•м (97,4 фунт-дюйма).
    Затянуть болты шкива коленвала с моментом 34 Н•м (25,1 фунт-фута).

    Затянуть
    Затянуть болт натяжного ролика приводного ремня вспомогательных агрегатов с моментом 52 Н•м (38,4 фунт-фута).
    Затянуть болты верхнего кожуха приводного ремня ГРМ с моментом 11 Н•м (97,4 фунт-дюйма).



J7C11B05
Показать иллюстрациюПеревод текста в иллюстрациях


Головка цилиндров и прокладка

Процедура снятия

  1. Отсоедините отрицательный кабель аккумулятора.
  2. Снять декоративную крышку. См. "Декоративная крышка" в этом разделе.
  3. Снять шланги и воздуховоды системы нагнетаемого воздуха. См. "Система нагнетания воздуха" в этом разделе.
  4. Снять вспомогательный ремень. См. "Ремень привода вспомогательных агрегатов и натяжитель" в этом разделе.


  5. C7A52B52
    Показать иллюстрациюПеревод текста в иллюстрациях


  6. Снять крышку головки цилиндров. См. "Крышка головки цилиндров" в данном разделе.
  7. Снимите приводной ремень газораспределительного механизма. См. "Система приводного ремня ГРМ" в этом разделе.


  8. L7C11B14
    Показать иллюстрациюПеревод текста в иллюстрациях


  9. Снять топливопровод к общей топливной рампе, находящийся между общей топливной рампой и насосом для впрыска топлива. См. раздел 1F2, "Органы управления двигателем - дизель 2.0".
  10. Снять крепеж насоса рулевого управления с гидроусилителем и отвести в левую сторону.
  11. Снять трубку указателя уровня масла.
  12. Снять верхний шланг радиатора с корпуса термостата.
  13. Снять проводку двигателя.


  14. C7A52B57
    Показать иллюстрациюПеревод текста в иллюстрациях


  15. Снять трубку подачи масла в подшипник крыльчатки турбонагнетателя.
  16. Снять шланг выпуска масла из подшипника крыльчатки турбонагнетателя.
  17. Снять зажим предварительного каталитического нейтрализатора с турбонагнетателя.


  18. C7A52B58
    Показать иллюстрациюПеревод текста в иллюстрациях


  19. Снимите винты головки цилиндров.
  20. Снять головку цилиндров в сборе с прокладкой.
  21. Снять впускной коллектор и выпускной коллектор с головки цилиндров в сборе. См. "Впускной коллектор" и "Выпускной коллектор" в этом разделе.

Процедура очистки

  1. Очистить поверхность головки цилиндров.
  2. Очистить поверхность блока цилиндров двигателя.
  3. Почистите винты головки цилиндров.
  4. Очистить отверстия под болты блока цилиндров двигателя.


C7A52B89
Показать иллюстрациюПеревод текста в иллюстрациях


Выбрать прокладку

  1. Установить поршень в ВМТ.
  2. Очистить уплотняемую поверхность головки цилиндров и поршень.
  3. Измерить выступание поршня циферблатным индикатором.
  4. Повторить это измерение на других цилиндрах и вычислить по результатам измерений среднее арифметическое значение выступания поршней.
  5. Выбрать прокладку головки цилиндров по приведенным ниже техническим характеристикам.
  6. Выступание поршня, мм
    Толщина прокладки, мм
    0,194...0,337
    1.1
    0,337...0,440
    1,2
    0,440...0,542
    1.3


C7A52B58
Показать иллюстрациюПеревод текста в иллюстрациях


Процедура установки

  1. Установить головку цилиндров в сборе с новой прокладкой.
  2. Завернуть стяжные болты головки цилиндров.
  3. Затянуть
    Затянуть болты головки цилиндров до 65 Н•м (47,9 фунт-фута). Используя угловой индикатор крутящего момента KM-470-B, затянуть болты головки цилиндров еще на 120 градусов плюс 120 градусов.



    C7A52B57
    Показать иллюстрациюПеревод текста в иллюстрациях


  4. Установить зажим предварительного каталитического нейтрализатора на турбонагнетатель.
  5. Установить трубку подачи масла в подшипник крыльчатки турбонагнетателя.
  6. Затянуть
    Затянуть болты трубки подачи масла в подшипник крыльчатки турбонагнетателя до 23 Н•м (17 фунт-футов).



    L7C11B14
    Показать иллюстрациюПеревод текста в иллюстрациях


  7. Установить крепеж насоса рулевого управления с гидроусилителем.
  8. Установить топливопровод к общей топливной рампе, находящийся между общей топливной рампой и насосом для впрыска топлива.
  9. Установить трубку указателя уровня масла.
  10. Затянуть
    Затянуть болты насоса гидроусилителя рулевого управления с моментом 25 Н•м (18,4 фунт-фута).
    Затянуть топливопровод к общей топливной рампе с моментом 20 Н•м (14,8 фунт-фута).
    Затянуть крепежный болт топливопровода к общей топливной рампе с моментом 10 Н•м (88,5 фунт-дюйма).
    Затянуть болты указателя уровня масла с моментом 11 Н•м (97,4 фунт-дюйма).



J7C11B05
Показать иллюстрациюПеревод текста в иллюстрациях


Фильтр моторного масла и радиатор

Процедура снятия

  1. Отсоедините отрицательный кабель аккумулятора.
  2. Снять декоративную крышку. См. "Декоративная крышка" в этом разделе.
  3. Снять шланги и воздуховоды системы нагнетаемого воздуха. См. "Система нагнетания воздуха" в этом разделе.
  4. Снять топливный фильтр в сборе. См. раздел 1F2, "Органы управления двигателем - дизель 2.0".


  5. C7A52B59
    Показать иллюстрациюПеревод текста в иллюстрациях


  6. Слейте моторное масло.
  7. Отвернуть сливной болт в корпусе масляного фильтра вместе с шайбой и слить моторное масло из корпуса масляного фильтра.
  8. Снять крышку масляного фильтра с уплотнительным кольцом.
  9. Снять масляный фильтр.
  10. Примечание: Проверить интервал между циклами заправки моторного масла и заменить фильтр моторного масла в соответствии с интервалом. Также можно проверить остаточный срок службы моторного масла по диагностическому прибору.



    C7A52B60
    Показать иллюстрациюПеревод текста в иллюстрациях


  11. Снять переходную площадку для корпуса масляного фильтра.
  12. Снять корпус масляного фильтра с кольцевым уплотнением.


  13. C7A52B61
    Показать иллюстрациюПеревод текста в иллюстрациях


  14. Слейте охлаждающую жидкость двигателя. См. раздел 1D2, "Охлаждение двигателя - дизель 2.0".
  15. Отвернуть болт фитинга корпуса масляного фильтра.
  16. Отсоединить впускной/выпускной шланги масляного радиатора системы охлаждения двигателя.
  17. Снять масляный радиатор системы охлаждения двигателя с кольцевым уплотнением.


C7A52B61
Показать иллюстрациюПеревод текста в иллюстрациях


Процедура установки

  1. Установить масляный радиатор двигателя с новым уплотнительным кольцом.
  2. Присоединить впускной и выпускной шланги масляного радиатора двигателя.
  3. Затянуть
    Затянуть болт фитинга корпуса фильтра моторного масла до 50 Н•м(36,9 фунт-фута).



    C7A52B60
    Показать иллюстрациюПеревод текста в иллюстрациях


  4. Установить корпус масляного фильтра двигателя с новым уплотнительным кольцом.
  5. Установить переходную пластину для корпуса масляного фильтра.
  6. Затянуть
    Затянуть переходную площадку для корпуса масляного фильтра до 40 Н•м(29,5 фунт-фута).



    C7A52B59
    Показать иллюстрациюПеревод текста в иллюстрациях


  7. Установить фильтр моторного масла и крышку с новым кольцевым уплотнением.
  8. Затянуть
    Затянуть крышку фильтра моторного масла до 25 Н•м (18,4 фунт-фута).

  9. Если заменялось моторное масло, выполнить сброс контроллера ЭСУД с помощью диагностического прибора.


V3B39N01
Показать иллюстрациюПеревод текста в иллюстрациях


Масляный поддон

Процедура снятия

  1. Снимите нижний щиток двигателя. См. раздел 9N, "Рама и нижняя часть кузова".
  2. Слейте моторное масло.
  3. Открутить болты промежуточного кронштейна вала оси. См. раздел 3A, "Автоматическая коробка передач с главной передачей в сборе, полуось" и раздел 3В, "Механическая коробка передач с главной передачей в сборе, полуось".


  4. J7C11B13
    Показать иллюстрациюПеревод текста в иллюстрациях


  5. Вывернуть болты крепления фланца масляного поддона к коробке передач с главной передачей в сборе.
  6. Открутить болты кронштейна компрессора кондиционера. См. раздел 7В, "Система отопления, вентиляции и кондиционирования с ручным управлением".
  7. Снимите центральный элемент. Следуйте разделу 9N, Рама и нижняя часть кузова.


  8. L7C11B15
    Показать иллюстрациюПеревод текста в иллюстрациях


  9. Снимите масляный поддон.

Процедура очистки

  1. Почистите уплотнительную поверхность масляного поддона.
  2. Очистить уплотняемую поверхность опорной плиты двигателя.
  3. Очистить винты масляного поддона.
  4. Очистить отверстия под болты опорной плиты двигателя.


C7A52B63
Показать иллюстрациюПеревод текста в иллюстрациях


Процедура установки

  1. Нанести герметик (loctite 5900) на уплотняемую поверхность масляного поддона.


  2. L7C11B15
    Показать иллюстрациюПеревод текста в иллюстрациях


  3. Установите масляный поддон.
  4. Закрутить болты кронштейна компрессора кондиционера.
  5. Установите винты фланца масляного поддона к коробке передач с главной передачей в сборе.
  6. Затянуть
    Затянуть стяжные болты масляного поддона с моментом 11 Н•м (97,4 фунт-дюйма).
    Затянуть болты кронштейна компрессора кондиционера с моментом 23 Н•м (17 фунт-футов).
    Затянуть болты фланца масляного поддона к коробке передач в сборе с главной передачей с моментом 50 Н•м (36,9 фунт-фута).



L7C11B15
Показать иллюстрациюПеревод текста в иллюстрациях


Масляный фильтр

Порядок снятия/установки

  1. Снимите нижний щиток двигателя. См. раздел 9N, "Рама и нижняя часть кузова".
  2. Слейте моторное масло.
  3. Снимите масляный поддон. См. пункт "Масляный поддон" в этом разделе.


  4. C7A52B64
    Показать иллюстрациюПеревод текста в иллюстрациях


  5. Снять масляный фильтр грубой очистки с шайбой.
  6. Затянуть
    Затянуть болт масляного фильтра грубой очистки с моментом 11 Н•м (97,4 фунт-дюйма).
    Затянуть болт кронштейна масляного фильтра грубой очистки (наружный болт опорной пластины) с моментом 35 Н•м (25,8 фунт-фута).



L7C11B15
Показать иллюстрациюПеревод текста в иллюстрациях


Балансир коленчатого вала

Процедура снятия

  1. Снимите нижний щиток двигателя. См. раздел 9N, "Рама и нижняя часть кузова".
  2. Слейте моторное масло.
  3. Снимите масляный поддон. Следуйте пункту "Масляный поддон" в этом разделе.
  4. Снять масляный фильтр. См. "Масляный фильтр грубой очистки" в этом разделе.


  5. C7A52B65
    Показать иллюстрациюПеревод текста в иллюстрациях


  6. Снять балансир коленчатого вала.


C7A52B65
Показать иллюстрациюПеревод текста в иллюстрациях


Процедура установки

  1. Установить балансир коленчатого вала.
  2. Затянуть
    Затянуть болты балансира коленчатого вала до 55 Н•м (40,6 фунт-фута).



    C7A52B66
    Показать иллюстрациюПеревод текста в иллюстрациях


  3. Вращая коленчатый вал, выровнять балансир коленчатого вала по 3 точкам на шестернях.
  4. Внимание! Не разбирать балансир коленчатого вала. В противном случае возможна вибрация двигателя и кузова.



J7C11B05
Показать иллюстрациюПеревод текста в иллюстрациях


Масляный насос

Необходимое оборудование

EN-48250 Приспособление для установки переднего сальника коленчатого вала

Процедура снятия

  1. Отсоедините отрицательный кабель аккумулятора.
  2. Снять декоративную крышку. См. "Декоративная крышка" в этом разделе.
  3. Снять шланги и воздуховоды системы нагнетаемого воздуха. См. "Система нагнетания воздуха" в этом разделе.
  4. Снять вспомогательный ремень. См. "Ремень привода вспомогательных агрегатов и натяжитель" в этом разделе.


  5. J7C11B12
    Показать иллюстрациюПеревод текста в иллюстрациях


  6. Снять демпфирующий блок подвески двигателя. См. "Подвеска двигателя в сборе (правая сторона)" в этом разделе.
  7. Слейте моторное масло.
  8. Снимите приводной ремень газораспределительного механизма. См. "Система приводного ремня ГРМ" в этом разделе.


  9. C7A52B67
    Показать иллюстрациюПеревод текста в иллюстрациях


  10. Снять натяжной ролик приводного ремня ГРМ.
  11. Снять звездочку насоса впрыска.
  12. Снимите заднюю крышку приводного ремня газораспределительного механизма.
  13. Снять звездочку коленчатого вала.
  14. Отсоедините разъем датчика давления масла в двигателе.


  15. L7C11B15
    Показать иллюстрациюПеревод текста в иллюстрациях


  16. Отсоединить впускной/выпускной шланги масляного радиатора системы охлаждения двигателя. См. "Фильтр моторного масла и радиатор" в этом разделе.
  17. Снять насос моторного масла в сборе.


  18. C7A52B68
    Показать иллюстрациюПеревод текста в иллюстрациях


  19. Снять насос моторного масла в сборе.

Процедура очистки

  1. Очистить уплотняемую поверхность масляного насоса.
  2. Почистите уплотнительную поверхность блока цилиндров.
  3. Очистить стяжные болты масляного насоса.
  4. Очистить отверстия под болты масляного насоса.


C7A52B69
Показать иллюстрациюПеревод текста в иллюстрациях


Процедура установки

  1. Нанести герметик (loctite 5900) на уплотняемую поверхность масляного насоса.


  2. C7A52B70
    Показать иллюстрациюПеревод текста в иллюстрациях


  3. Установить масляный насос в сборе с новым уплотнением масляного насоса.
  4. Установить передний сальник коленчатого вала при помощи приспособления для установки переднего сальника коленчатого вала en-48250 (a).
  5. Примечание: При повреждении передний сальник коленчатого вала нужно заменить на новый. При установке переднего сальника коленчатого вала на масляный насос сделать так, чтобы канавка сальника была обращена в направлении контакта кожуха масляного насоса.

    Затянуть
    Затянуть стяжные болты масляного насоса до 24 Н•м (17,7 фунт-фута).



    C7A52B68
    Показать иллюстрациюПеревод текста в иллюстрациях


  6. Установить заднюю крышку приводного ремня ГРМ.
  7. Установить звездочку насоса впрыска.
  8. Установить натяжной ролик приводного ремня ГРМ.
  9. Затянуть
    Затянуть болты заднего кожуха приводного ремня ГРМ с моментом 11 Н•м (97,4 фунт-дюйма).
    Затянуть гайку звездочки топливного насоса высокого давления с моментом 70 Н•м (51,6 фунт-фута).
    Затянуть крепежный болт натяжного ролика приводного ремня ГРМ с моментом 52 Н•м (38,4 фунт-фута).



    C7A52B67
    Показать иллюстрациюПеревод текста в иллюстрациях


  10. Установить звездочку коленчатого вала.
  11. Затянуть
    Затянуть гайку звездочки коленчатого вала до 235 Н•м (173,3 фунт-фута).



J7C11B01
Показать иллюстрациюПеревод текста в иллюстрациях


Опорная плита двигателя

Процедура снятия

  1. Отсоедините отрицательный кабель аккумулятора.
  2. Снять декоративную крышку. См. "Декоративная крышка" в этом разделе.
  3. Снять шланги и воздуховоды системы нагнетаемого воздуха. См. "Система нагнетания воздуха" в этом разделе.


  4. J7C11B12
    Показать иллюстрациюПеревод текста в иллюстрациях


  5. Снять вспомогательный ремень. См. "Ремень привода вспомогательных агрегатов и натяжитель" в этом разделе.
  6. Снять демпфирующий блок подвески двигателя. См. "Подвеска двигателя в сборе (правая сторона)" в этом разделе.


  7. C7A52B68
    Показать иллюстрациюПеревод текста в иллюстрациях


  8. Слейте моторное масло.
  9. Снимите приводной ремень газораспределительного механизма. См. "Система приводного ремня ГРМ" в этом разделе.
  10. Снимите масляный насос. См. "Масляный насос" в этом разделе.


  11. C7A52B71
    Показать иллюстрациюПеревод текста в иллюстрациях


  12. Отвернуть болт крепления опорной плиты к коробке передач с главной передачей в сборе.
  13. Отвернуть болт заземления блока цилиндров двигателя.
  14. Снять опорную плиту двигателя.

Процедура очистки

  1. Очистить уплотнительную поверхность опорной плиты.
  2. Почистите уплотнительную поверхность блока цилиндров.
  3. Очистить стяжные болты опорной плиты.
  4. Очистить отверстия под болты опорной плиты.


C7A52B71
Показать иллюстрациюПеревод текста в иллюстрациях


Процедура установки

  1. Нанести герметик (hylomar 3000) на уплотняемую поверхность опорной плиты.
  2. Установите опорную плиту.
  3. Завернуть болт заземления блока цилиндров двигателя.
  4. Завернуть болт крепления опорной плиты к коробке передач с главной передачей в сборе.
  5. Затянуть
    Затянуть внутренние болты опорной плиты до 25 Н•м (18,4 фунт-фута). Используя угловой индикатор крутящего момента KM-470-B, затянуть внутренние болты опорной плиты еще на 45 градусов плюс 90 градусов.
    Затянуть наружные болты опорной плиты с моментом 35 Н•м (25,8 фунт-фута).
    Затянуть болт соединения с массой блока цилиндров с моментом 25 Н•м (18,4 фунт-фута).
    Затянуть стяжной болт коробки передач в сборе с главной передачей (болт крепления опорной плита к коробке передач) с моментом 75 Н•м (55,3 фунт-фута).



J7C11B01
Показать иллюстрациюПеревод текста в иллюстрациях


Узел подвески двигателя (правая сторона)

Необходимое оборудование

DW 110–060 Зажимное приспособление для двигателя

Процедура снятия

  1. Снять декоративную крышку. См. "Декоративная крышка" в этом разделе.
  2. Снять воздушный фильтр в сборе. См. "Узел и элемент воздухоочистителя" в этом разделе.
  3. Подпереть узел двигателя, используя зажимное приспособление для двигателя dw110-060.


  4. J7C11B12
    Показать иллюстрациюПеревод текста в иллюстрациях


  5. Открутить стопорные болты переходника подвески двигателя с опорного кронштейна подвески двигателя.
  6. Внимание! Поднять двигатель настолько, чтобы снять нагрузку с узла подвески двигателя, иначе может произойти повреждение подвески и отказ подъемного оборудования.

  7. Открутить крепежные болты и гайки кронштейна подвески двигателя.
  8. Демонтировать узел подвески двигателя.


J7C11B12
Показать иллюстрациюПеревод текста в иллюстрациях


Процедура установки

  1. Установить узел подвески двигателя.
  2. Затянуть
    Затянуть крепежные болты кронштейна подвески двигателя с моментом 60 Н•м (44,3 фунт-фута).
    Затянуть болты и гайку подвески двигателя с моментом 55 Н•м (40,2 фунт-фута).

  3. Удалить зажимное приспособление двигателя в сборе dw110-060.


J7C11B13
Показать иллюстрациюПеревод текста в иллюстрациях


Передняя подвеска двигателя

Необходимое оборудование

DW 110–060 Зажимное приспособление для двигателя

Процедура снятия

    Внимание! Поднять двигатель настолько, чтобы снять нагрузку с узла передней подвески коробки передач с главной передачей в сборе, иначе может произойти повреждение подвески и отказ подъемного оборудования.

  1. Подпереть узел двигателя, используя зажимное приспособление для двигателя dw110-060.
  2. Снимите нижний щиток двигателя. См. раздел 9N, "Рама и нижняя часть кузова".
  3. Снимите центральный элемент. Следуйте разделу 9N, Рама и нижняя часть кузова.


  4. J7C11B14
    Показать иллюстрациюПеревод текста в иллюстрациях


  5. Открутить крепежные болты передней подвески двигателя от блока цилиндров.
  6. Снять переднюю подвеску двигателя.


J7C11B14
Показать иллюстрациюПеревод текста в иллюстрациях


Процедура установки

  1. Установить переднюю подвеску двигателя.
  2. Затянуть
    Затянуть крепежные болты передней подвески двигателя с моментом 60 Н•м (44,3 фунт-фута).

  3. Установите центральный элемент. См. раздел 9N, "Рама и нижняя часть кузова".
  4. Удалить зажимное приспособление двигателя в сборе dw110-060.


J7C11B13
Показать иллюстрациюПеревод текста в иллюстрациях


Задняя подвеска коробки передач с главной передачей в сборе

Необходимое оборудование

DW 110–060 Зажимное приспособление для двигателя

Процедура снятия

    Внимание! Поднять двигатель настолько, чтобы снять нагрузку с узла задней подвески коробки передач с главной передачей в сборе, иначе может произойти повреждение подвески и отказ подъемного оборудования.

  1. Подпереть узел двигателя, используя зажимное приспособление для двигателя dw110-060.
  2. Снимите нижний щиток двигателя. См. раздел 9N, "Рама и нижняя часть кузова".
  3. Снимите центральный элемент. Следуйте разделу 9N, Рама и нижняя часть кузова.


  4. L7C11B17
    Показать иллюстрациюПеревод текста в иллюстрациях


  5. Снять заднюю подвеску коробки передач с главной передачей в сборе с коробки передач.

Процедура установки

  1. Установить заднюю подвеску коробки передач с главной передачей в сборе.
  2. Затянуть
    Затянуть стопорные болты задней подвески коробки передач с главной передачей в сборе моментом 90 Н•м (66,4 фунт-фута).

  3. Установите центральный элемент. См. раздел 9N, "Рама и нижняя часть кузова".
  4. Удалить зажимное приспособление двигателя в сборе dw110-060.


J7C11B05
Показать иллюстрациюПеревод текста в иллюстрациях


Зажимное приспособление для двигателя

Необходимое оборудование

EN-48613 Стеллаж для демонтажа/установки двигателя в сборе
EN-48244 Кронштейн стеллажа для демонтажа/установки двигателя в сборе

Процедура снятия

  1. Отсоедините отрицательный кабель аккумулятора.


  2. J7C11B08
    Показать иллюстрациюПеревод текста в иллюстрациях


  3. Снять декоративную крышку. См. "Декоративная крышка" в этом разделе.
  4. Снять шланги и воздуховоды системы нагнетаемого воздуха. См. "Система нагнетания воздуха" в этом разделе.
  5. Слейте охлаждающую жидкость двигателя. См. раздел 1D2, "Охлаждение двигателя - дизель 2.0".


  6. J7C11E01
    Показать иллюстрациюПеревод текста в иллюстрациях


  7. Снять аккумуляторную батарею и полку. См. раздел 1E2, "Электрическая часть двигателя - дизель 2.0".
  8. Снять топливный фильтр. См. раздел 1F2, "Органы управления двигателем - дизель 2.0".


  9. J7C11B15
    Показать иллюстрациюПеревод текста в иллюстрациях


  10. Снять трубки рулевого управления с гидроусилителем с насоса рулевого управления. Смотрите раздел 6А, Система рулевого привода с усилителем.
  11. Отсоединить обратный шланг охлаждающей жидкости от бачка охлаждающей жидкости.
  12. Отсоединить возвратный топливный шланг от соединительного блока.
  13. Отсоединить подающий топливный шланг от насоса высокого давления.
  14. Отсоедините от радиатора верхний/нижний шланги радиатора.
  15. Отсоединить вакуумный шланг турбонагнетателя от турбонагнетателя.
  16. Отсоединить шланг подачи охлаждающей жидкости от бачка охлаждающей жидкости.


  17. J7C11B16
    Показать иллюстрациюПеревод текста в иллюстрациях


  18. Снять жгут проводов двигателя.
  19. a) Отсоединить разъемы форсунок.
    b) Отсоедините разъем датчика давления масла в двигателе.
    c) Отсоединить разъем насоса высокого давления.
    d) Отсоединить разъем генератора.
    e) Отсоединить разъем датчика температуры охлаждающей жидкости (cts).
    f) Отсоединить разъем датчика давления в общей топливной рампе.

    g) Отсоединить разъем системы электронного управления дроссельной заслонкой (etc).
    h) Отсоединить разъем электромагнитного клапана вакуума рециркуляции отработавших газов.
    i) Отсоединить разъем компрессора кондиционера.
    j) Отсоединить разъем датчика положения распределительного вала (cmp).
    k) Отсоединить разъем привода турбонагнетателя.
    l) Отсоединить разъем провода свечей предпускового подогрева.
    m) Отсоединить разъемом датчика давления наддува (t-map).
    n) Отсоединить разъем регулятора общей топливной рампы.
    o) Отсоединить разъем проводки электромагнитного клапана стартера.
    p) Отсоединить датчик положения коленчатого вала.
    1. Снять коробку предохранителей свечей накаливания.
    2. Отвернуть гайку разъема b+ генератора.
    3. Отвернуть гайку разъема электромагнитного клапана стартера.
    4. Отвернуть болт заземления двигателя.
    5. Открутить болт соединения с массой коробки передач в сборе с главной передачей.
    6. Отвернуть болт заземления двигателя.


    L7B53AR9
    Показать иллюстрациюПеревод текста в иллюстрациях


  20. Снимите расширительный бачок. См. раздел 1D2, "Охлаждение двигателя - дизель 2.0".
  21. Снять правую/левую ведущую полуось. См. раздел 3A, "Автоматическая коробка передач с главной передачей в сборе, полуось" и раздел 3В, "Механическая коробка передач с главной передачей в сборе, полуось".
  22. Снять жгут проводов коробки передач в сборе с главной передачей. См. раздел 5 "Коробка передач с главной передачей в сборе".
  23. Снять трос управления переключением с автоматической коробки передач с главной передачей в сборе. См. раздел 5A, "Автоматическая коробка передач с главной передачей в сборе AISIN 55-51LE", если это автоматическая коробка передач с главной передачей в сборе.


  24. C7A15B79
    Показать иллюстрациюПеревод текста в иллюстрациях


  25. Снять трос выбора с коробки передач с главной передачей в сборе. См. Раздел 5B, Пятиступенчатая механическая коробка передач с главной передачей в сборе, если это механическая коробка передач с главной передачей в сборе.


  26. L7B53AS2
    Показать иллюстрациюПеревод текста в иллюстрациях


  27. Снять шланги масляного радиатора коробки передач с главной передачей в сборе с автоматизированной коробки передач с главной передачей в сборе. См. Раздел 5A, Автоматическая коробка передач с главной передачей в сборе AISIN 55-51LE, если это автоматизированная коробка передач с главной передачей в сборе.


  28. C7A15B77
    Показать иллюстрациюПеревод текста в иллюстрациях


  29. Снять трубку цилиндра привода сцепления с коробки передач с главной передачей в сборе. См. Раздел 5B, Пятиступенчатая механическая коробка передач с главной передачей в сборе, если это механическая коробка передач с главной передачей в сборе.


  30. J7C11B13
    Показать иллюстрациюПеревод текста в иллюстрациях


  31. Снять центральную балку. См. раздел 9N "Рама и нижняя часть кузова".


  32. L7C11G01
    Показать иллюстрациюПеревод текста в иллюстрациях


  33. Снять приемную трубу глушителя между предварительным каталитическим нейтрализатором и трубкой сажевого фильтра дизельного двигателя (dpf). См. Раздел 1G1, Система выпуска отработавших газов - 2.0 Дизель.


  34. V3B31C76
    Показать иллюстрациюПеревод текста в иллюстрациях


  35. Снять шланг обогрева. См. раздел 7A, "Система отопления и вентиляции".
  36. Снять трубку компрессора кондиционера с компрессора. Следуйте разделу 7В, Управление системами отопления, вентиляции и кондиционирования.


  37. J3B12C26
    Показать иллюстрациюПеревод текста в иллюстрациях


  38. Демонтировать поперечину в сборе. См. раздел 2C, "Передняя подвеска".


  39. L7C11B20
    Показать иллюстрациюПеревод текста в иллюстрациях


    Внимание! Опустить автомобиль настолько, чтобы снять нагрузку с подвески двигателя и коробки передач с главной передачей в сборе, иначе может произойти повреждение подвески и отказ стеллажа/кронштейна стеллажа.

  40. Опустить автомобиль и поместить двигатель в сборе на стеллаж для демонтажа/установки двигателя в сборе en-48613 с кронштейном стеллажа en-48244.


  41. J7C11B12
    Показать иллюстрациюПеревод текста в иллюстрациях


  42. Снять подвеску двигателя. См. "Подвеска двигателя в сборе (правая сторона)" в этом разделе.


  43. L7B53AS8
    Показать иллюстрациюПеревод текста в иллюстрациях


  44. Снять болт крепления подвески коробки передач с главной передачей в сборе с коробки передач.


  45. C7A52B28
    Показать иллюстрациюПеревод текста в иллюстрациях


  46. Снять двигатель и коробку передач с главной передачей в сборе.


L7C11B20
Показать иллюстрациюПеревод текста в иллюстрациях


Процедура установки

  1. Установить коробку передач с главной передачей в сборе на двигатель в сборе.
  2. Затянуть
    Затянуть стяжные болты коробки передач с главной передачей в сборе с моментом 75 Н•м (55,3 фунт-фута).
    Затянуть болты крепления фланца масляного поддона к коробке передач с моментом 50 Н•м (36,9 фунт-фута).

  3. Установить двигатель в сборе на автомобиль с помощью стеллажа для демонтажа/установки двигателя в сборе en-48613 с кронштейном для стеллажа en-48244.


  4. L7B53AS8
    Показать иллюстрациюПеревод текста в иллюстрациях


  5. Закрутить болты подвески коробки передач с главной передачей в сборе.
  6. Затянуть
    Затянуть стопорные болты (1) крепления кронштейна подвески коробки передач с главной передачей в сборе моментом 47 Н•м (34,7 фунт-фута).



    J7C11B12
    Показать иллюстрациюПеревод текста в иллюстрациях


  7. Завернуть болт подвески двигателя.
  8. Затянуть
    Затянуть стопорные болты кронштейна подвески двигателя до 60 Н•м (44,3 фунт-фута).



    J7C11B13
    Показать иллюстрациюПеревод текста в иллюстрациях


  9. Установить поперечину в сборе. См. раздел 2C, "Передняя подвеска".


  10. L7C11G01
    Показать иллюстрациюПеревод текста в иллюстрациях


  11. Установить приемную трубу глушителя между предварительным каталитическим нейтрализатором и трубкой сажевого фильтра дизельного двигателя (dpf). См. раздел 1G2, "Система выпуска отработавших газов - 2.0 Дизель".


  12. J7C11B13
    Показать иллюстрациюПеревод текста в иллюстрациях


  13. Установите центральный элемент. Следуйте разделу 9N, Рама и нижняя часть кузова.


  14. L7C11B19
    Показать иллюстрациюПеревод текста в иллюстрациях


  15. Демонтировать с автомобиля стеллаж для демонтажа/установки двигателя в сборе en-48613 с кронштейном стеллажа en-48244.
  16. Установить жгут проводов двигателя.
  17. a) Присоединить разъемы топливных форсунок.
    b) Присоединить разъем реле давления моторного масла.
    c) Присоединить разъем топливного насоса высокого давления.
    d) Присоединить разъем генератора.
    e) Присоединить разъем датчика cts (температуры охлаждающей жидкости).
    f) Присоединить разъем датчика давления в общей топливной рампе.
    1. Установить коробку предохранителей свечей накаливания.
    2. Завернуть гайку разъема b+ генератора.
    3. Завернуть гайку разъема электромагнитного клапана стартера.
    4. Завернуть болт заземления двигателя.
    5. Закрутить болт заземления коробки передач с главной передачей в сборе.
    6. Завернуть болт заземления двигателя.

    Затянуть
    Затянуть болты коробки предохранителей свечей накаливания с моментом 10 Н•м (88,5 фунт-дюйма).
    Затянуть гайку контакта B+ генератора с моментом 25 Н•м (18,4 фунт-фута).
    Затянуть гайку контакта соленоида стартера с моментом 15 Н•м (11,1 фунт-фута).
    Затянуть болт соединения с массой коробки передач с главной передачей в сборе с моментом 25 Н•м (18,4 фунт-фута).
    Затянуть болт соединения с массой блока цилиндров двигателя с моментом 25 Н•м (18,4 фунт-фута).



На предыдущую страницуНа следующую страницу
https://vnx.su/ 🛠 Руководства по ремонту и эксплуатации для автомобилей

Поиск по сайту

Остались вопросы или пожелания? Пишите на почту: support@vnx.su

Карта Сайта