К началу документа
Nubira-Lacetti
На предыдущую страницуНа следующую страницу
Главная страница GMDEЗагрузить нединамическое оглавлениеЗагрузить динамическое оглавлениеПомощь



8. КОНТРОЛЛЕР КПП (TCM) : ДИЗЕЛЬ

1) ЦЕПЬ ЭЛЕКТРОПИТАНИЯ, МАССЫ, ВЫКЛЮЧАТЕЛЯ ТОРМОЗА, ДАТЧИКОВ (ВЫХОДНЫХ ОБОРОТОВ oss, ВХОДНЫХ ОБОРОТОВ iss) И КОНТРОЛЛЕРА ЭСУД

J7B15107.png
Показать иллюстрациюПеревод текста в иллюстрациях


а. ИНФОРМАЦИЯ О РАЗЪЁМЕ

№ РАЗЪЁМА
(№ И ЦВЕТ КОНТАКТА)
СОЕДИНИТЕЛЬНЫЙ ЖГУТ ПРОВОДОВПОЛОЖЕНИЕ РАЗЪЁМА
С102 (контакт 11, белый) Кузов - блок предохранителей в моторном отсеке Блок предохранителей в моторном отсеке
С105 (контакт 4, белый) Кузов - блок предохранителей в моторном отсеке Блок предохранителей в моторном отсеке
С108 (контакт 36, черный) Кузов - двигатель (дизель) Слева от блока предохранителей в моторном отсеке
С201 (контакт 76, черный) Приборная панель - блок предохранителей на приборной панели Блок предохранителей на приборной панели
С202 (контакт 89, белый) Приборная панель - кузов Левая часть пространства для ног водителя
С206 (контакт 22, белый) Приборная панель - контроллер КПП Верхняя часть пространства для ног водителя
С213 (контакт 26, черный) ПРОВОД КОНТРОЛЛЕРА КПП - КОНТРОЛЛЕР КПП Под топливным фильтром
G201 Приборная панель С левой стороны блока предохранителей на приборной панели

б. УСЛОВНОЕ ОБОЗНАЧЕНИЕ & И НАХОЖДЕНИЕ НОМЕРА КОНТАКТА

J7B1P109.png
Показать иллюстрациюПеревод текста в иллюстрациях


в. РАСПОЛОЖЕНИЕ РАЗЪЁМОВ И СОЕДИНЕНИЙ МАССЫ

J5B12004.png
Показать иллюстрациюПеревод текста в иллюстрациях


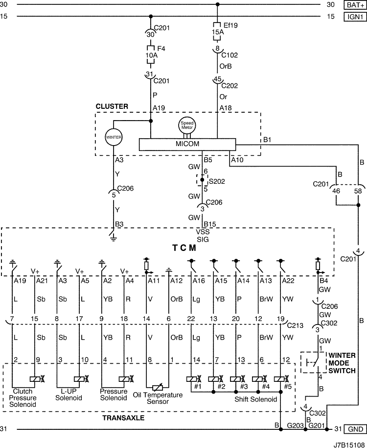
2) ЦЕПЬ КОМБИНАЦИИ ПРИБОРОВ, КПП С ГЛАВНОЙ ПЕРЕДАЧЕЙ В СБОРЕ И ВЫКЛЮЧАТЕЛЯ ЗИМНЕГО РЕЖИМА

J7B15108.png
Показать иллюстрациюПеревод текста в иллюстрациях


а. ИНФОРМАЦИЯ О РАЗЪЁМЕ

№ РАЗЪЁМА
(№ И ЦВЕТ КОНТАКТА)
СОЕДИНИТЕЛЬНЫЙ ЖГУТ ПРОВОДОВПОЛОЖЕНИЕ РАЗЪЁМА
С102 (контакт 11, белый) Кузов - блок предохранителей в моторном отсеке Блок предохранителей в моторном отсеке
С201 (контакт 76, черный) Приборная панель - блок предохранителей на приборной панели Блок предохранителей на приборной панели
С202 (контакт 89, белый) Приборная панель - кузов Левая часть пространства для ног водителя
С206 (контакт 22, белый) Приборная панель - контроллер КПП Верхняя часть пространства для ног водителя
С213 (контакт 26, черный) ПРОВОД КОНТРОЛЛЕРА КПП - КОНТРОЛЛЕР КПП Под топливным фильтром
С302 (контакт 6, белый) Приборная панель - консоль Под ящиком в консоли
G201 Приборная панель С левой стороны блока предохранителей на приборной панели
G203 Приборная панель За левым кронштейном аудиосистемы

б. УСЛОВНОЕ ОБОЗНАЧЕНИЕ & И НАХОЖДЕНИЕ НОМЕРА КОНТАКТА

J7B1P110.png
Показать иллюстрациюПеревод текста в иллюстрациях


в. РАСПОЛОЖЕНИЕ РАЗЪЁМОВ И СОЕДИНЕНИЙ МАССЫ

J5B12004.png
Показать иллюстрациюПеревод текста в иллюстрациях


J3B12002.png
Показать иллюстрациюПеревод текста в иллюстрациях


г. КОНТАКТНАЯ КОЛОДКА

s202

J3D1S003.png
Показать иллюстрациюПеревод текста в иллюстрациях


3) ЦЕПЬ ПЕРЕКЛЮЧАТЕЛЯ ПАРКОВКИ/НЕЙТРАЛИ : СЕДАН

J7B15109.png
Показать иллюстрациюПеревод текста в иллюстрациях


а. ИНФОРМАЦИЯ О РАЗЪЁМЕ

№ РАЗЪЁМА
(№ И ЦВЕТ КОНТАКТА)
СОЕДИНИТЕЛЬНЫЙ ЖГУТ ПРОВОДОВПОЛОЖЕНИЕ РАЗЪЁМА
С201 (контакт 76, черный) Приборная панель - блок предохранителей на приборной панели Блок предохранителей на приборной панели
С202 (контакт 89, белый) Приборная панель - кузов Левая часть пространства для ног водителя
С206 (контакт 22, белый) Приборная панель - контроллер КПП Верхняя часть пространства для ног водителя
С213 (контакт 26, черный) ПРОВОД КОНТРОЛЛЕРА КПП - КОНТРОЛЛЕР КПП Под топливным фильтром
C401 (СЕДАН) (контакт 10, белый) Багажник - кузов Внутренняя правая панель багажника
G201 Приборная панель С левой стороны блока предохранителей на приборной панели
G401 Багажник Центральная нижняя панель багажника

б. УСЛОВНОЕ ОБОЗНАЧЕНИЕ & И НАХОЖДЕНИЕ НОМЕРА КОНТАКТА

J7B1P111.png
Показать иллюстрациюПеревод текста в иллюстрациях


в. РАСПОЛОЖЕНИЕ РАЗЪЁМОВ И СОЕДИНЕНИЙ МАССЫ

J5B12005.png
Показать иллюстрациюПеревод текста в иллюстрациях


J5B12007.png
Показать иллюстрациюПеревод текста в иллюстрациях


4) ЦЕПЬ ПЕРЕКЛЮЧАТЕЛЯ ПАРКОВКИ/НЕЙТРАЛИ : ХЭТЧБЭК

J7B15110.png
Показать иллюстрациюПеревод текста в иллюстрациях


а. ИНФОРМАЦИЯ О РАЗЪЁМЕ

№ РАЗЪЁМА
(№ И ЦВЕТ КОНТАКТА)
СОЕДИНИТЕЛЬНЫЙ ЖГУТ ПРОВОДОВПОЛОЖЕНИЕ РАЗЪЁМА
С201 (контакт 76, черный) Приборная панель - блок предохранителей на приборной панели Блок предохранителей на приборной панели
С202 (контакт 89, белый) Приборная панель - кузов Левая часть пространства для ног водителя
С206 (контакт 22, белый) Приборная панель - контроллер КПП Верхняя часть пространства для ног водителя
С213 (контакт 26, черный) ПРОВОД КОНТРОЛЛЕРА КПП - КОНТРОЛЛЕР КПП Под топливным фильтром
C403 (ХЭТЧБЭК) (контакт 6, белый) Удл. задней двери - кузов Внутренняя сторона левой задней стойки
C405 (ХЭТЧБЭК) (контакт 10, белый) Удл. задней двери - задняя дверь (с зад. прерыв.) С левой стороны рядом с двигателем заднего стеклоочистителя
G201 Приборная панель С левой стороны блока предохранителей на приборной панели
G402 Удл. задней двери Внутренняя сторона задней стойки со стороны водителя

б. УСЛОВНОЕ ОБОЗНАЧЕНИЕ & И НАХОЖДЕНИЕ НОМЕРА КОНТАКТА

J7B1P112.png
Показать иллюстрациюПеревод текста в иллюстрациях


в. РАСПОЛОЖЕНИЕ РАЗЪЁМОВ И СОЕДИНЕНИЙ МАССЫ

J5B12003.png
Показать иллюстрациюПеревод текста в иллюстрациях


5) ЦЕПЬ ПЕРЕКЛЮЧАТЕЛЯ ПАРКОВКИ/НЕЙТРАЛИ : УНИВЕРСАЛ

J7B15111.png
Показать иллюстрациюПеревод текста в иллюстрациях


а. ИНФОРМАЦИЯ О РАЗЪЁМЕ

№ РАЗЪЁМА
(№ И ЦВЕТ КОНТАКТА)
СОЕДИНИТЕЛЬНЫЙ ЖГУТ ПРОВОДОВПОЛОЖЕНИЕ РАЗЪЁМА
С201 (контакт 76, черный) Приборная панель - блок предохранителей на приборной панели Блок предохранителей на приборной панели
С202 (контакт 89, белый) Приборная панель - кузов Левая часть пространства для ног водителя
С206 (контакт 22, белый) Приборная панель - контроллер КПП Верхняя часть пространства для ног водителя
С213 (контакт 26, черный) ПРОВОД КОНТРОЛЛЕРА КПП - КОНТРОЛЛЕР КПП Под топливным фильтром
G201 Приборная панель С левой стороны блока предохранителей на приборной панели
G303 Кузов Под правым задним комбинированным фонарем
G304 Кузов Под левым задним комбинированным фонарем

б. УСЛОВНОЕ ОБОЗНАЧЕНИЕ & И НАХОЖДЕНИЕ НОМЕРА КОНТАКТА

J7B1P113.png
Показать иллюстрациюПеревод текста в иллюстрациях


в. РАСПОЛОЖЕНИЕ РАЗЪЁМОВ И СОЕДИНЕНИЙ МАССЫ

J5B12004.png
Показать иллюстрациюПеревод текста в иллюстрациях


На предыдущую страницуНа следующую страницу


https://vnx.su/ 🛠 Руководства по ремонту и эксплуатации для автомобилей

Поиск по сайту

Остались вопросы или пожелания? Пишите на почту: support@vnx.su

Карта Сайта