К началу документа
Nubira-Lacetti
На предыдущую страницуНа следующую страницу
Главная страница GMDEЗагрузить нединамическое оглавлениеЗагрузить динамическое оглавлениеПомощь




РАЗДЕЛ 3

ЭЛЕКТРИЧЕСКАЯ СХЕМА ИСТОЧНИКОВ ЭЛЕКТРОПИТАНИЯ



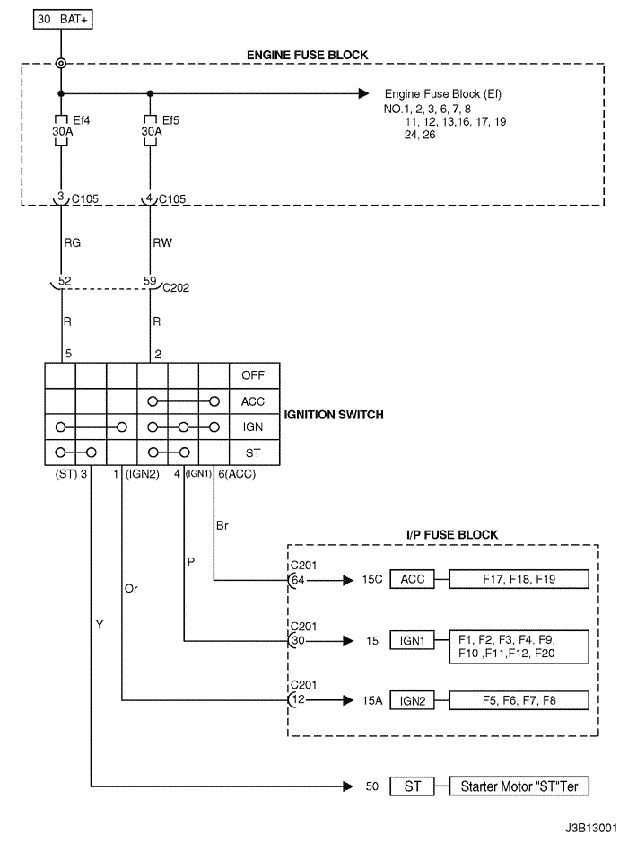
1. ЦЕПЬ ЗАМКА ЗАЖИГАНИЯ

J3B13001.png
Показать иллюстрациюПеревод текста в иллюстрациях




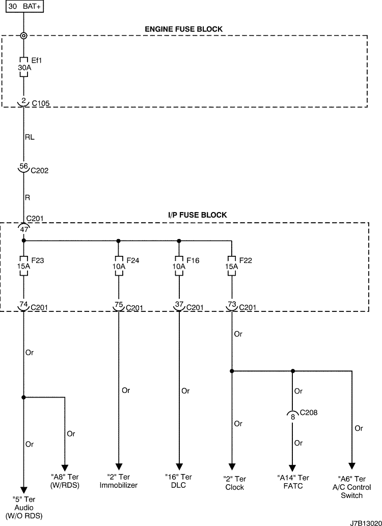
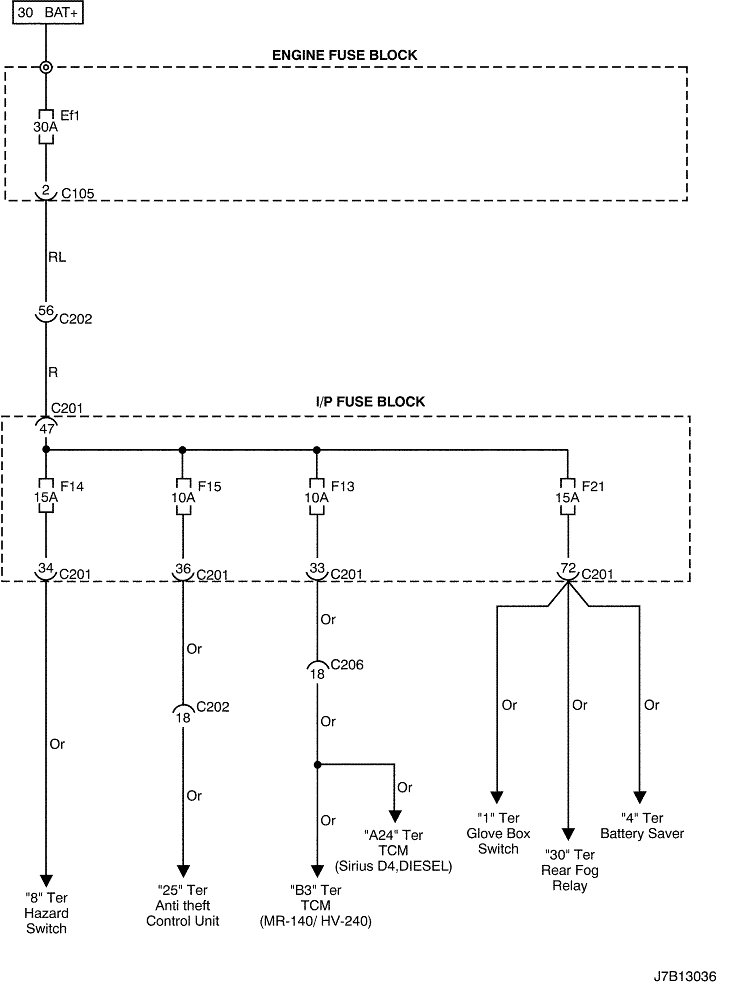
2. КЛЕММА 30 "BAT+" ЦЕПИ ЭЛЕКТРОПИТАНИЯ (БЛОК ПРЕДОХРАНИТЕЛЕЙ НА ПРИБОРНОЙ ПАНЕЛИ)

J7B13020.png
Показать иллюстрациюПеревод текста в иллюстрациях


J7B13036.png
Показать иллюстрациюПеревод текста в иллюстрациях




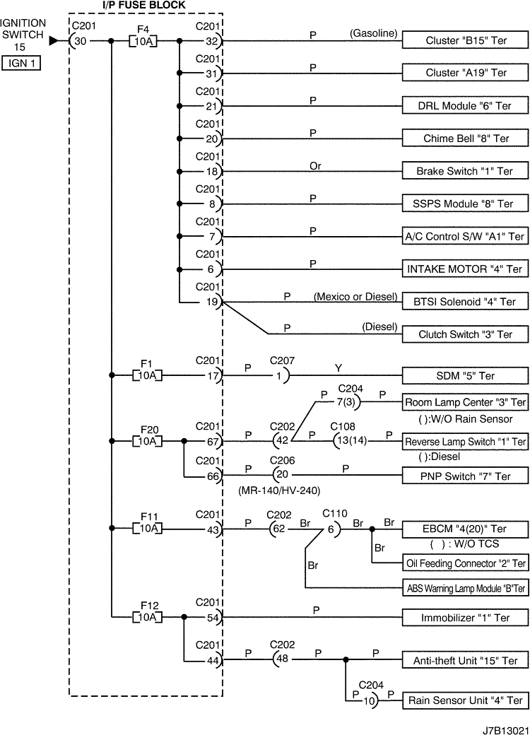
3. КЛЕММА 15 "IGN1" ЦЕПИ ЭЛЕКТРОПИТАНИЯ (БЛОК ПРЕДОХРАНИТЕЛЕЙ НА ПРИБОРНОЙ ПАНЕЛИ)

J7B13021.png
Показать иллюстрациюПеревод текста в иллюстрациях


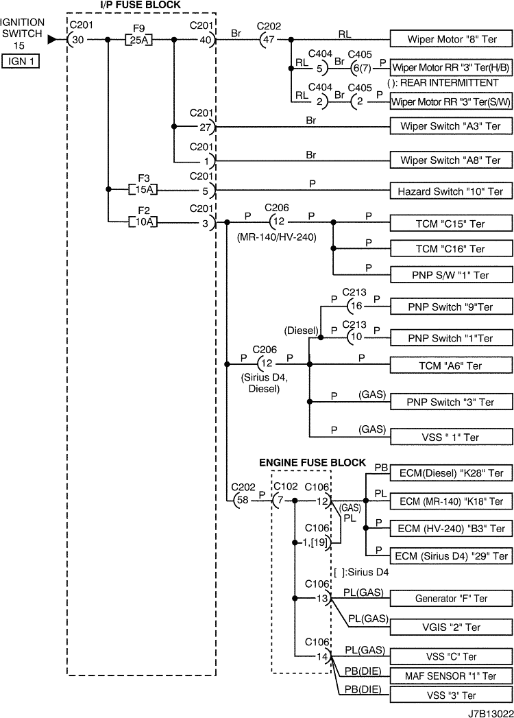
J7B13022.png
Показать иллюстрациюПеревод текста в иллюстрациях




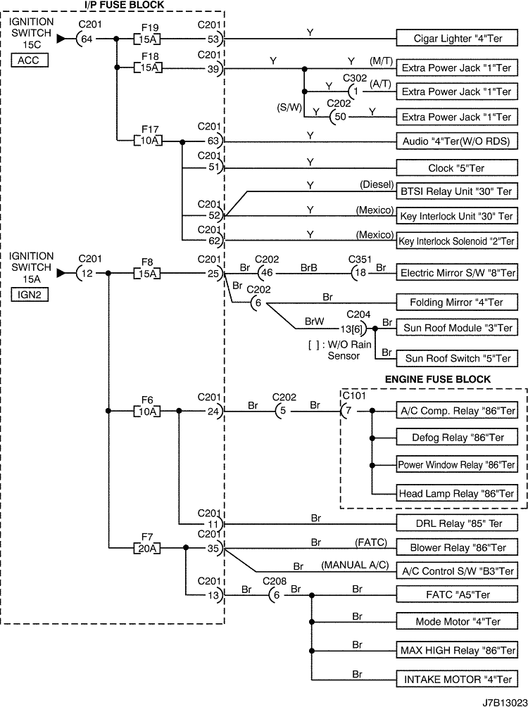
4. КЛЕММА 15А "IGN2", КЛЕММА 15С "ACC" ЦЕПИ ЭЛЕКТРОПИТАНИЯ (БЛОК ПРЕДОХРАНИТЕЛЕЙ НА ПРИБОРНОЙ ПАНЕЛИ)

J7B13023.png
Показать иллюстрациюПеревод текста в иллюстрациях




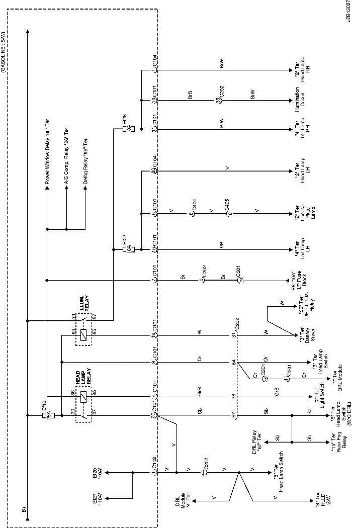
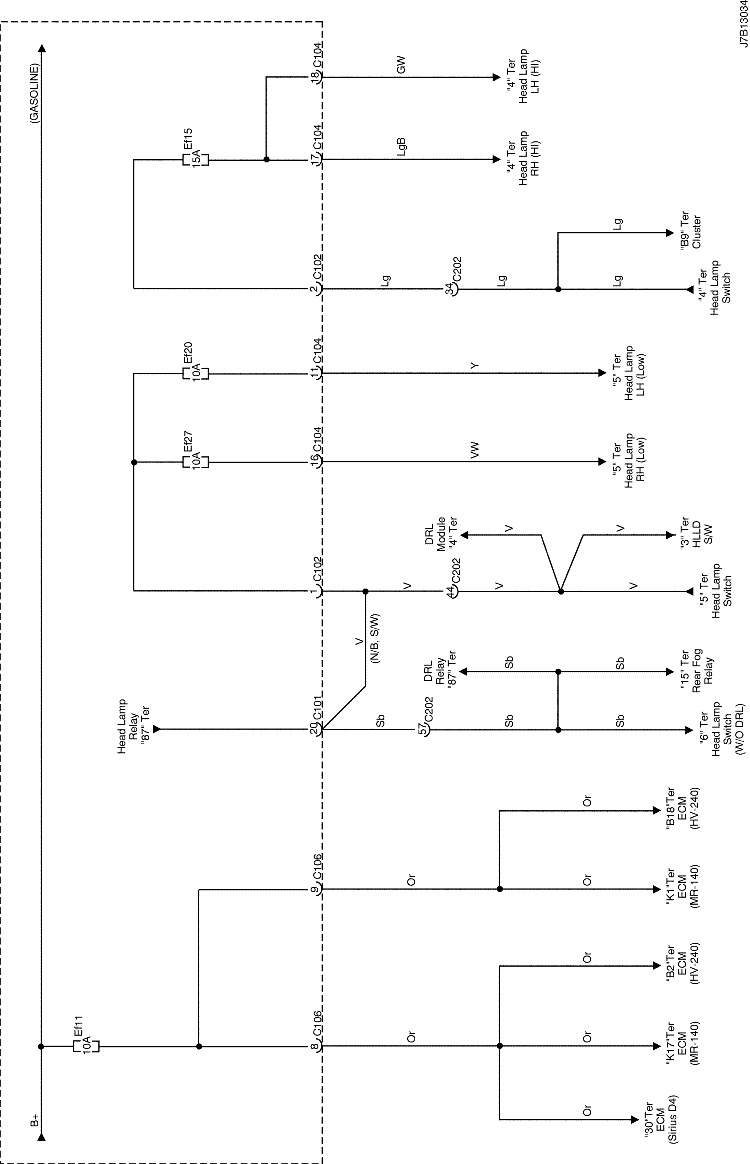
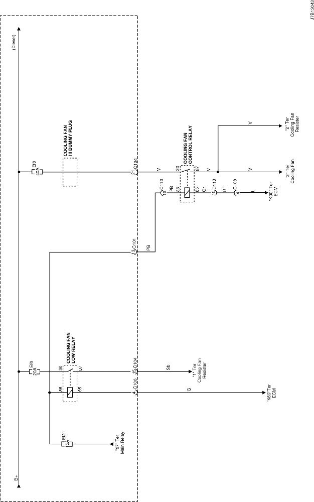
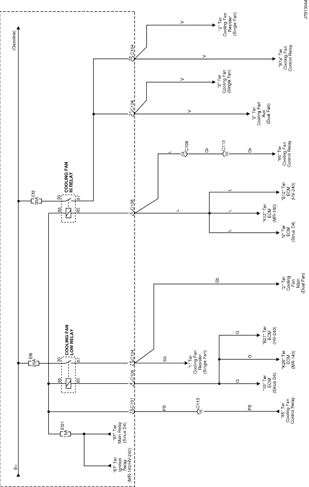
5. ЦЕПЬ БЛОКА ПРЕДОХРАНИТЕЛЕЙ И РЕЛЕ В МОТОРНОМ ОТСЕКЕ

J7B13004.png
Показать иллюстрациюПеревод текста в иллюстрациях


J7B13005.png
Показать иллюстрациюПеревод текста в иллюстрациях


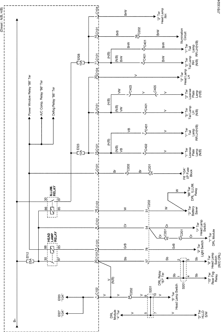
J7B13024.png
Показать иллюстрациюПеревод текста в иллюстрациях


J7B13025.png
Показать иллюстрациюПеревод текста в иллюстрациях


J7B13026.png
Показать иллюстрациюПеревод текста в иллюстрациях


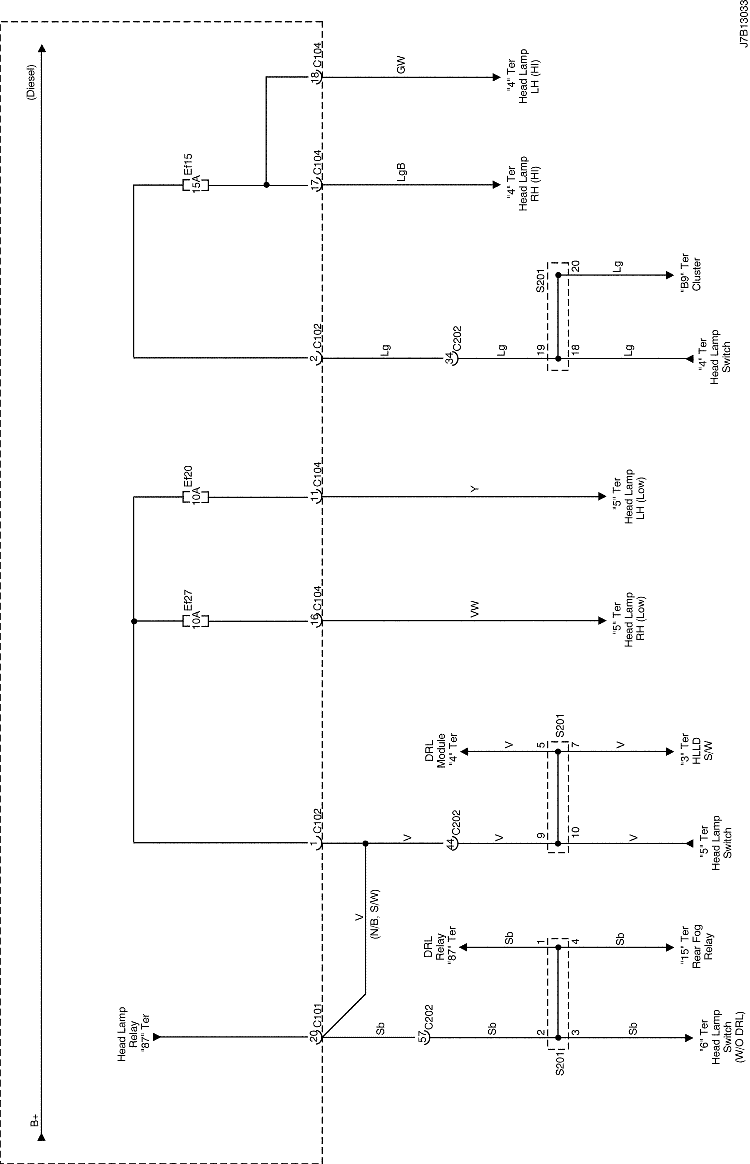
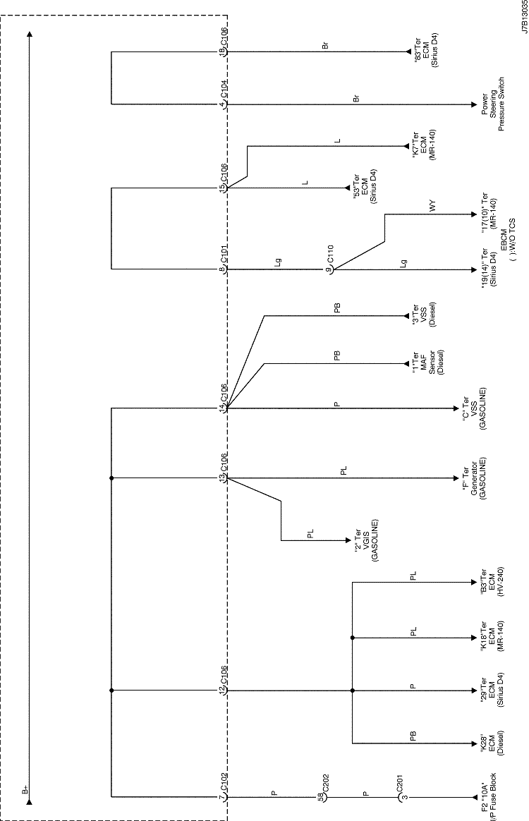
J7B13027.png
Показать иллюстрациюПеревод текста в иллюстрациях


J3B13010.png
Показать иллюстрациюПеревод текста в иллюстрациях


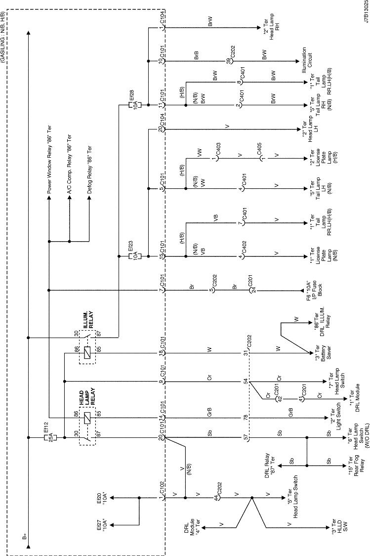
J7B13028.png
Показать иллюстрациюПеревод текста в иллюстрациях


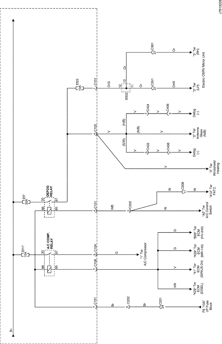
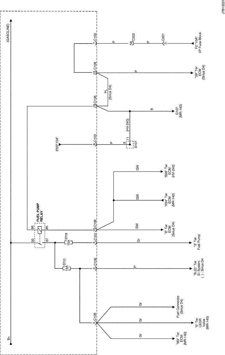
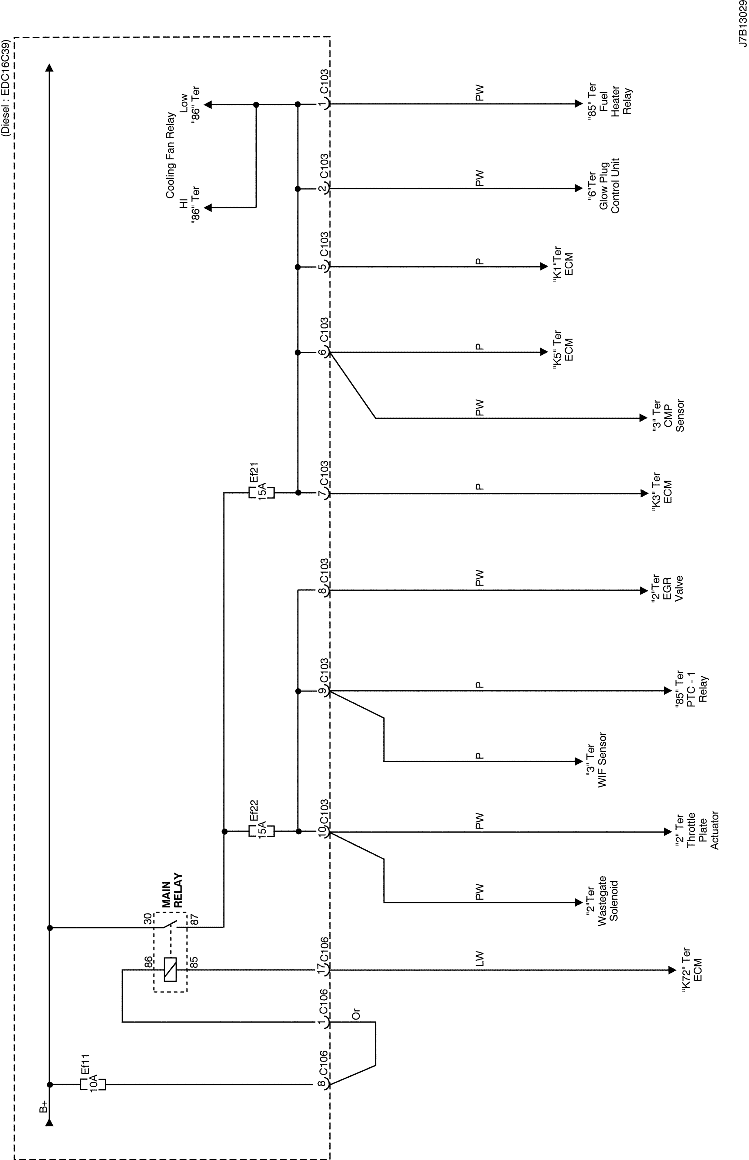
J7B13029.png
Показать иллюстрациюПеревод текста в иллюстрациях


J7B13008.png
Показать иллюстрациюПеревод текста в иллюстрациях


J7B13013.png
Показать иллюстрациюПеревод текста в иллюстрациях


J7B13009.png
Показать иллюстрациюПеревод текста в иллюстрациях


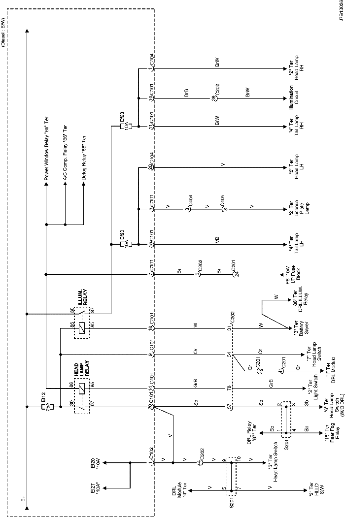
J7B13031.png
Показать иллюстрациюПеревод текста в иллюстрациях


J7B13044.png
Показать иллюстрациюПеревод текста в иллюстрациях


J7B13043.png
Показать иллюстрациюПеревод текста в иллюстрациях


J7B13033.png
Показать иллюстрациюПеревод текста в иллюстрациях


J7B13034.png
Показать иллюстрациюПеревод текста в иллюстрациях


J7B13035.png
Показать иллюстрациюПеревод текста в иллюстрациях


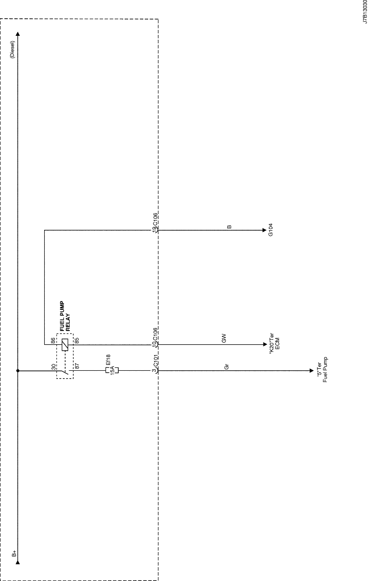
J7B13030.png
Показать иллюстрациюПеревод текста в иллюстрациях


На предыдущую страницуНа следующую страницу


https://vnx.su/ 🛠 Руководства по ремонту и эксплуатации для автомобилей

Поиск по сайту

Остались вопросы или пожелания? Пишите на почту: support@vnx.su

Карта Сайта