К началу документа
Kalos/Aveo
На предыдущую страницу На следующую страницу
Главная страница GMDE Загрузить нединамическое оглавление Загрузить динамическое оглавление Помощь



24. ANTI LOCK BRAKE SYSTEM (ABS)

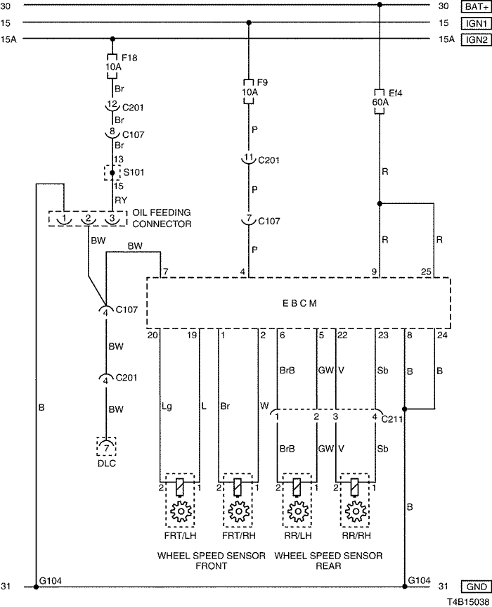
1) power supply, wheel speed sensor & oil feeding connector circuit

T4B15038.png
Показать иллюстрациюПеревод текста в иллюстрациях


а. ИНФОРМАЦИЯ О РАЗЪЁМЕ

№ РАЗЪЁМА
(№ И ЦВЕТ КОНТАКТА)
СОЕДИНИТЕЛЬНЫЙ ЖГУТ ПРОВОДОВ ПОЛОЖЕНИЕ РАЗЪЁМА
C107 (10 Pin, Black) Front – Body Behind Left A Pillar
C201 (18 Pin, Blue) Body – IP Under I/P Fuse Block
C211 (22 Pin, Yellow) IP – Body Under Left A Pillar
G104 Front Behind Right Head Lamp

б. УСЛОВНОЕ ОБОЗНАЧЕНИЕ & И НАХОЖДЕНИЕ НОМЕРА КОНТАКТА

T4B1P110.png
Показать иллюстрациюПеревод текста в иллюстрациях


в. РАСПОЛОЖЕНИЕ РАЗЪЁМОВ И СОЕДИНЕНИЙ МАССЫ

T3B12007.png
Показать иллюстрациюПеревод текста в иллюстрациях


T3B12008.png
Показать иллюстрациюПеревод текста в иллюстрациях


г. КОНТАКТНАЯ КОЛОДКА

s101 (mr-140/hv-240)

T5B1S005.png
Показать иллюстрациюПеревод текста в иллюстрациях


s101 (sirius d4)

T5B1S006.png
Показать иллюстрациюПеревод текста в иллюстрациях


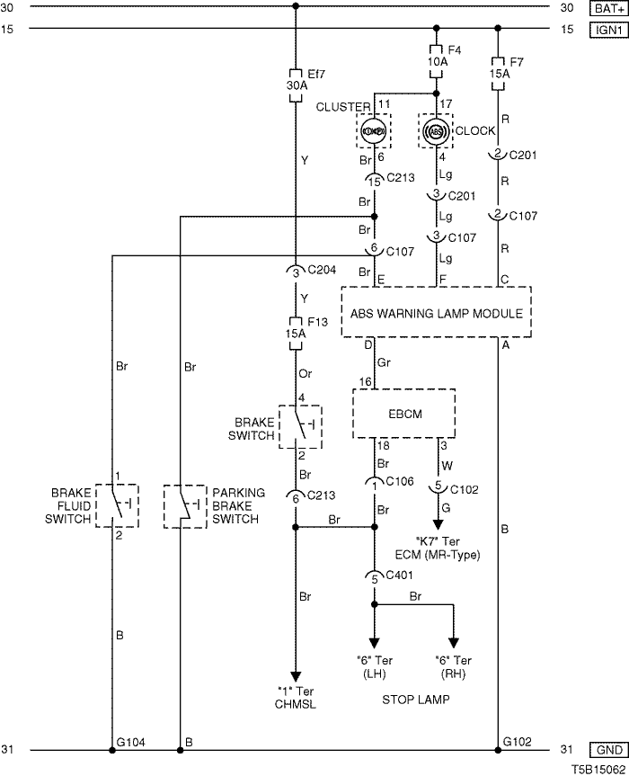
2) abs warning lamp module, parking brake, brake fluid switch & warning (abs, brake) lamp circuit

2-1) notch back

T5B15062.png
Показать иллюстрациюПеревод текста в иллюстрациях


а. ИНФОРМАЦИЯ О РАЗЪЁМЕ

№ РАЗЪЁМА
(№ И ЦВЕТ КОНТАКТА)
СОЕДИНИТЕЛЬНЫЙ ЖГУТ ПРОВОДОВ ПОЛОЖЕНИЕ РАЗЪЁМА
C102 (20 Pin, White) Engine – Front Engine Room Fuse Block
C106 (8 Pin, Black) Front – Body Behind Left A Pillar
C107 (10 Pin, Black) Front – Body Behind Left A Pillar
C201 (18 Pin, Blue) Body – IP Under I/P Fuse Block
C204 (4 Pin, White) Front – IP Under I/P Fuse Block
C213 (15 Pin, White) IP - Body Under Left A Pillar
C401 (8 Pin, White) Body – Rear (N/B) Behind Left Rear Wheel House
G102 Front Behind Left Head Lamp
G104 Front Behind Right Head Lamp

б. УСЛОВНОЕ ОБОЗНАЧЕНИЕ & И НАХОЖДЕНИЕ НОМЕРА КОНТАКТА

T5B1P046.png
Показать иллюстрациюПеревод текста в иллюстрациях


в. РАСПОЛОЖЕНИЕ РАЗЪЁМОВ И СОЕДИНЕНИЙ МАССЫ

T3B12007.png
Показать иллюстрациюПеревод текста в иллюстрациях


T3B12008.png
Показать иллюстрациюПеревод текста в иллюстрациях


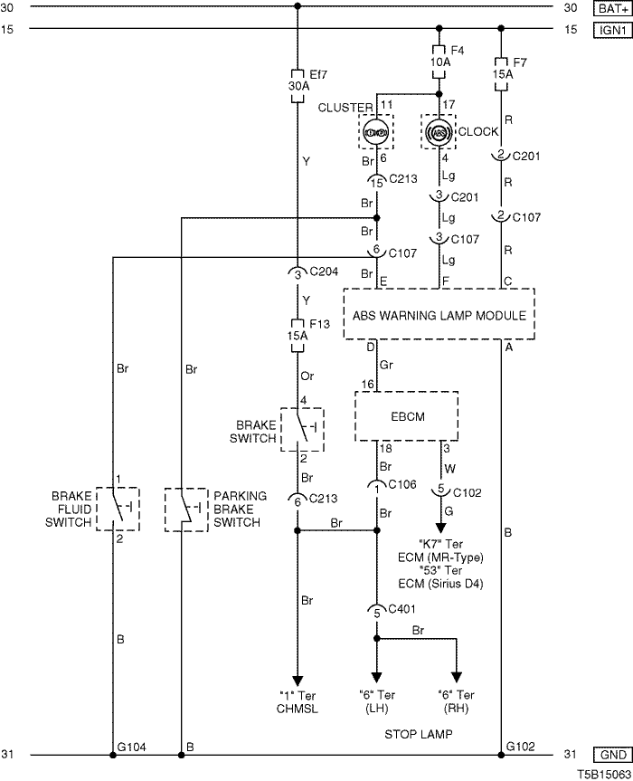
2-2) hatch back

T5B15063.png
Показать иллюстрациюПеревод текста в иллюстрациях


а. ИНФОРМАЦИЯ О РАЗЪЁМЕ

№ РАЗЪЁМА
(№ И ЦВЕТ КОНТАКТА)
СОЕДИНИТЕЛЬНЫЙ ЖГУТ ПРОВОДОВ ПОЛОЖЕНИЕ РАЗЪЁМА
C102 (20 Pin, White) Engine – Front Engine Room Fuse Block
C106 (8 Pin, Black) Front – Body Behind Left A Pillar
C107 (10 Pin, Black) Front – Body Behind Left A Pillar
C201 (18 Pin, Blue) Body – IP Under I/P Fuse Block
C204 (4 Pin, White) Front – IP Under I/P Fuse Block
C213 (15 Pin, White) IP – Body Under Left A Pillar
C401 (8 Pin, White) Tail Gate – Body (H/B) Under Left C Pillar
G102 Front Behind Left head Lamp
G104 Front Behind Right Haed Lamp

б. УСЛОВНОЕ ОБОЗНАЧЕНИЕ & И НАХОЖДЕНИЕ НОМЕРА КОНТАКТА

T5B1P047.png
Показать иллюстрациюПеревод текста в иллюстрациях


в. РАСПОЛОЖЕНИЕ РАЗЪЁМОВ И СОЕДИНЕНИЙ МАССЫ

T3B12007.png
Показать иллюстрациюПеревод текста в иллюстрациях


T3B12008.png
Показать иллюстрациюПеревод текста в иллюстрациях


На предыдущую страницу На следующую страницу


https://vnx.su/ 🛠 Руководства по ремонту и эксплуатации для автомобилей

Поиск по сайту

Остались вопросы или пожелания? Пишите на почту: support@vnx.su

Карта Сайта