К началу документа
Nubira-Lacetti
На предыдущую страницуНа следующую страницу
Главная страница GMDEЗагрузить нединамическое оглавлениеЗагрузить динамическое оглавлениеПомощь



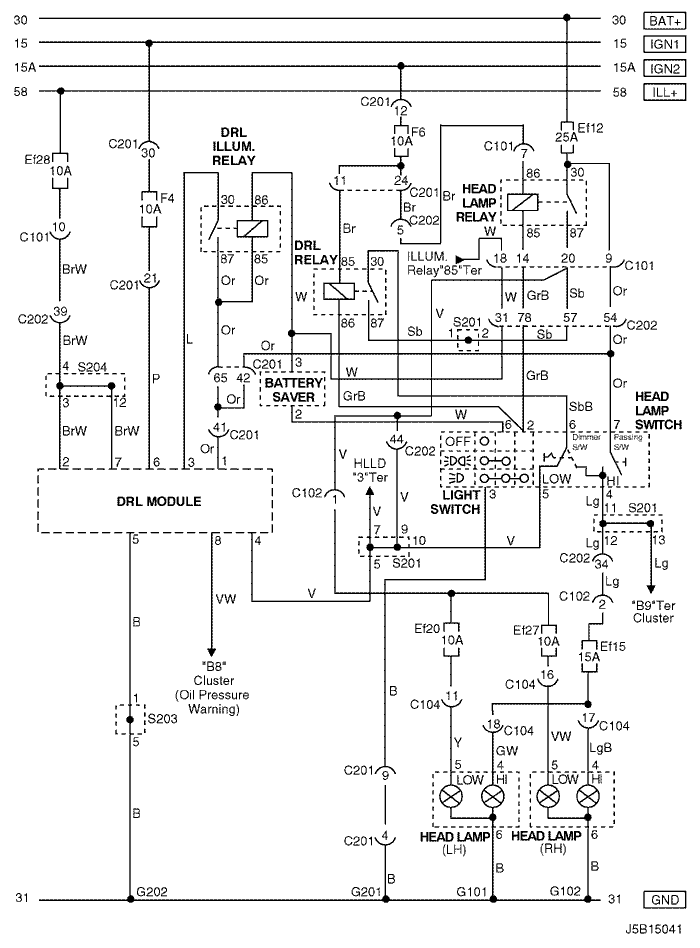
11. ЦЕПЬ ПРЕДУПРЕДИТЕЛЬНОГО СВЕТА ФАР

1) СЕДАН, УНИВЕРСАЛ

J5B15041.png
Показать иллюстрациюПеревод текста в иллюстрациях


а. ИНФОРМАЦИЯ О РАЗЪЁМЕ

№ РАЗЪЁМА
(№ И ЦВЕТ КОНТАКТА)
СОЕДИНИТЕЛЬНЫЙ ЖГУТ ПРОВОДОВПОЛОЖЕНИЕ РАЗЪЁМА
С101 (контакт 21, белый) Кузов - блок предохранителей в моторном отсеке Блок предохранителей в моторном отсеке
С102 (контакт 11, белый) Кузов - блок предохранителей в моторном отсеке Блок предохранителей в моторном отсеке
С104 (контакт 24, белый) Передняя часть кузова - блок предохранителей в моторном отсеке Блок предохранителей в моторном отсеке
С201 (контакт 76, черный) Приборная панель - блок предохранителей на приборной панели Блок предохранителей на приборной панели
С202 (контакт 89, белый) Приборная панель - кузов Левая часть пространства для ног водителя
S201 (черн.) Приборная панель За комбинацией приборов
S203 (красн.) Приборная панель За кронштейном аудиосистемы
S204 (пурпур.) Приборная панель За кронштейном аудиосистемы
G101 ПЕРЕДНЯЯ ЧАСТЬ За левой фарой
G102 ПЕРЕДНЯЯ ЧАСТЬ За правой фарой
G201 Приборная панель С левой стороны блока предохранителей на приборной панели
G202 Подушка безопасности За левым кронштейном аудиосистемы

б. УСЛОВНОЕ ОБОЗНАЧЕНИЕ & И НАХОЖДЕНИЕ НОМЕРА КОНТАКТА

J5B1P021.png
Показать иллюстрациюПеревод текста в иллюстрациях


в. РАСПОЛОЖЕНИЕ РАЗЪЁМОВ И СОЕДИНЕНИЙ МАССЫ

J3B12025.png
Показать иллюстрациюПеревод текста в иллюстрациях


J3B12003.png
Показать иллюстрациюПеревод текста в иллюстрациях


г. КОНТАКТНАЯ КОЛОДКА

s201

J3D1S002.png
Показать иллюстрациюПеревод текста в иллюстрациях


s203

J5B1S001.png
Показать иллюстрациюПеревод текста в иллюстрациях


s204

J5B1S002.png
Показать иллюстрациюПеревод текста в иллюстрациях


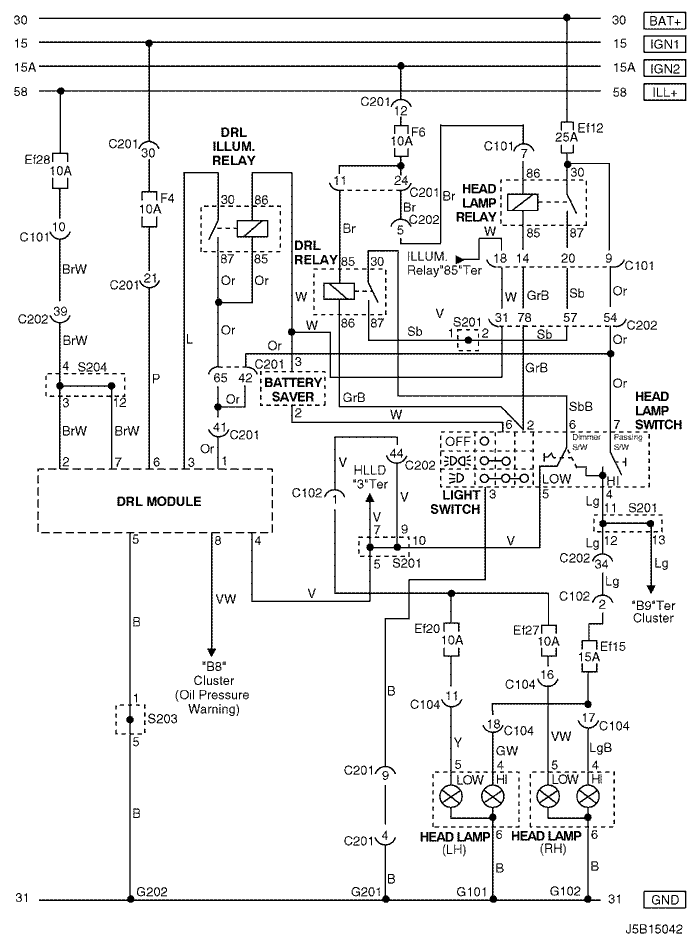
2) ХЭТЧБЭК

J5B15042.png
Показать иллюстрациюПеревод текста в иллюстрациях


а. ИНФОРМАЦИЯ О РАЗЪЁМЕ

№ РАЗЪЁМА
(№ И ЦВЕТ КОНТАКТА)
СОЕДИНИТЕЛЬНЫЙ ЖГУТ ПРОВОДОВПОЛОЖЕНИЕ РАЗЪЁМА
С101 (контакт 21, белый) Кузов - блок предохранителей в моторном отсеке Блок предохранителей в моторном отсеке
С102 (контакт 11, белый) Кузов - блок предохранителей в моторном отсеке Блок предохранителей в моторном отсеке
С104 (контакт 24, белый) Передняя часть кузова - блок предохранителей в моторном отсеке Блок предохранителей в моторном отсеке
С201 (контакт 76, черный) Приборная панель - блок предохранителей на приборной панели Блок предохранителей на приборной панели
С202 (контакт 89, белый) Приборная панель - кузов Левая часть пространства для ног водителя
S201 (черн.) Приборная панель За комбинацией приборов
S203 (красн.) Приборная панель За кронштейном аудиосистемы
S204 (пурпур.) Приборная панель За кронштейном аудиосистемы
G101 ПЕРЕДНЯЯ ЧАСТЬ За левой фарой
G102 ПЕРЕДНЯЯ ЧАСТЬ За правой фарой
G201 Приборная панель С левой стороны блока предохранителей на приборной панели
G202 Подушка безопасности За левым кронштейном аудиосистемы

б. УСЛОВНОЕ ОБОЗНАЧЕНИЕ & И НАХОЖДЕНИЕ НОМЕРА КОНТАКТА

J5B1P022.png
Показать иллюстрациюПеревод текста в иллюстрациях


в. РАСПОЛОЖЕНИЕ РАЗЪЁМОВ И СОЕДИНЕНИЙ МАССЫ

J3B12025.png
Показать иллюстрациюПеревод текста в иллюстрациях


J3B12003.png
Показать иллюстрациюПеревод текста в иллюстрациях


г. КОНТАКТНАЯ КОЛОДКА

s201

J3D1S002.png
Показать иллюстрациюПеревод текста в иллюстрациях


s203

J5B1S001.png
Показать иллюстрациюПеревод текста в иллюстрациях


s204

J5B1S002.png
Показать иллюстрациюПеревод текста в иллюстрациях


На предыдущую страницуНа следующую страницу


https://vnx.su/ 🛠 Руководства по ремонту и эксплуатации для автомобилей

Поиск по сайту

Остались вопросы или пожелания? Пишите на почту: support@vnx.su

Карта Сайта