К началу документа
Nubira-Lacetti
На предыдущую страницуНа следующую страницу
Главная страница GMDEЗагрузить нединамическое оглавлениеЗагрузить динамическое оглавлениеПомощь




РАЗДЕЛ 3

ЭЛЕКТРИЧЕСКАЯ СХЕМА ИСТОЧНИКОВ ЭЛЕКТРОПИТАНИЯ



1. ЦЕПЬ ЗАМКА ЗАЖИГАНИЯ

J3B13001.png
Показать иллюстрациюПеревод текста в иллюстрациях




2. КЛЕММА 30 "BAT+" ЦЕПИ ЭЛЕКТРОПИТАНИЯ (БЛОК ПРЕДОХРАНИТЕЛЕЙ НА ПРИБОРНОЙ ПАНЕЛИ)

J3B13002.png
Показать иллюстрациюПеревод текста в иллюстрациях


J5B13001.png
Показать иллюстрациюПеревод текста в иллюстрациях




3. КЛЕММА 15 "IGN1" ЦЕПИ ЭЛЕКТРОПИТАНИЯ (БЛОК ПРЕДОХРАНИТЕЛЕЙ НА ПРИБОРНОЙ ПАНЕЛИ)

J6B13001.png
Показать иллюстрациюПеревод текста в иллюстрациях


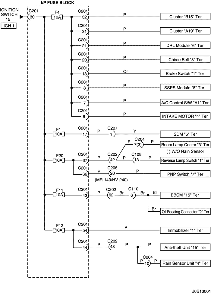
J6B13002.png
Показать иллюстрациюПеревод текста в иллюстрациях




4. КЛЕММА 15А "IGN2", КЛЕММА 15С "ACC" ЦЕПИ ЭЛЕКТРОПИТАНИЯ (БЛОК ПРЕДОХРАНИТЕЛЕЙ НА ПРИБОРНОЙ ПАНЕЛИ)

J6B13003.png
Показать иллюстрациюПеревод текста в иллюстрациях




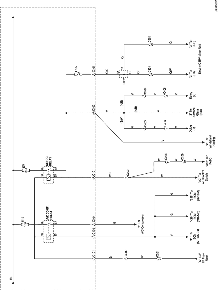
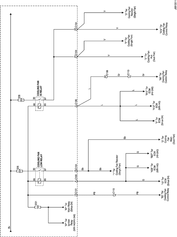
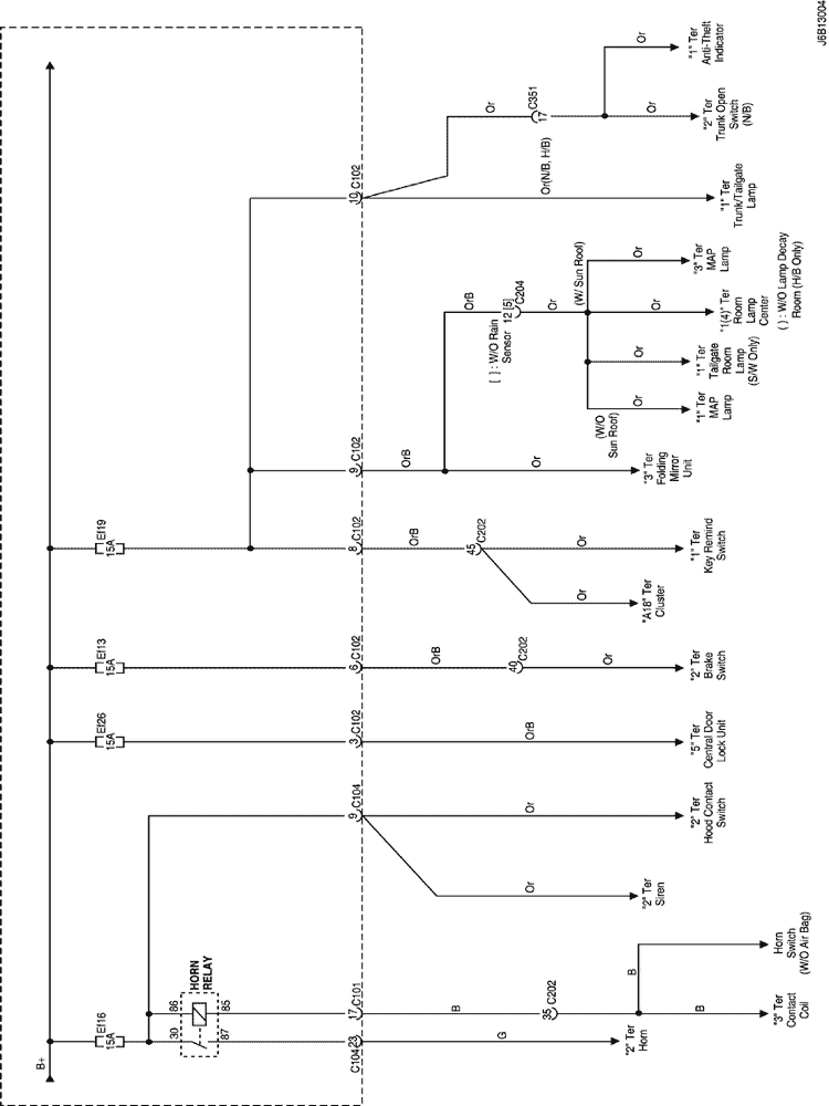
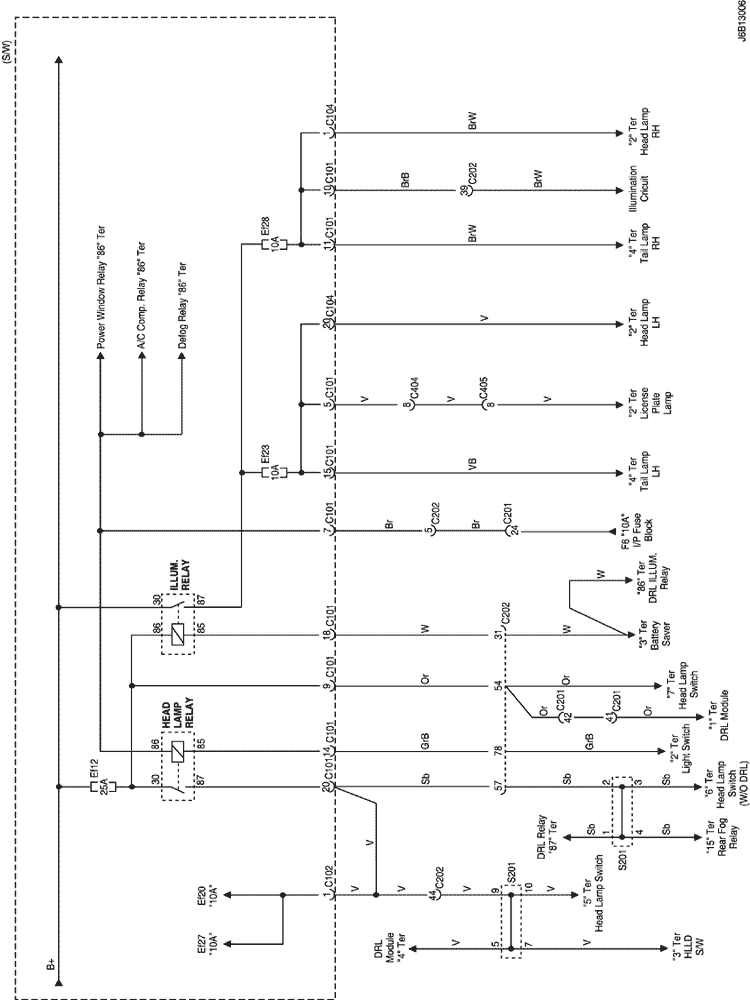
5. ЦЕПЬ БЛОКА ПРЕДОХРАНИТЕЛЕЙ И РЕЛЕ В МОТОРНОМ ОТСЕКЕ

J3D13004.png
Показать иллюстрациюПеревод текста в иллюстрациях


J6B13004.png
Показать иллюстрациюПеревод текста в иллюстрациях


J6B13005.png
Показать иллюстрациюПеревод текста в иллюстрациях


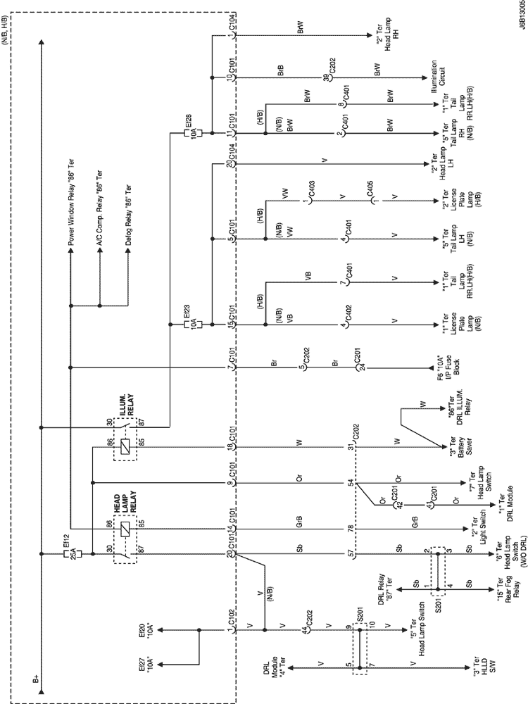
J6B13006.png
Показать иллюстрациюПеревод текста в иллюстрациях


J3B13010.png
Показать иллюстрациюПеревод текста в иллюстрациях


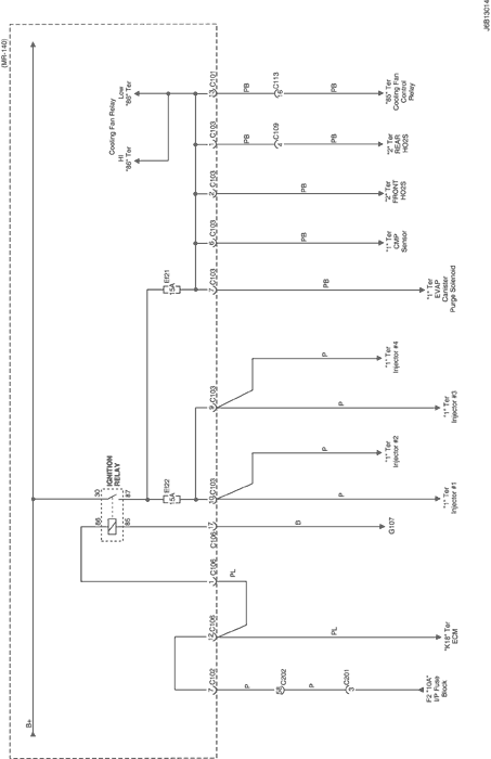
J6B13007.png
Показать иллюстрациюПеревод текста в иллюстрациях


J6B13008.png
Показать иллюстрациюПеревод текста в иллюстрациях


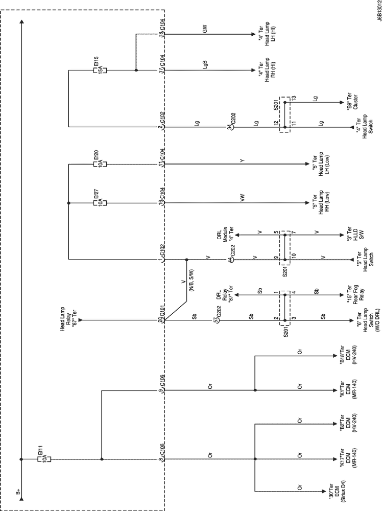
J6B13014.png
Показать иллюстрациюПеревод текста в иллюстрациях


J6B13009.png
Показать иллюстрациюПеревод текста в иллюстрациях


J6B13010.png
Показать иллюстрациюПеревод текста в иллюстрациях


J6B13011.png
Показать иллюстрациюПеревод текста в иллюстрациях


J6B13012.png
Показать иллюстрациюПеревод текста в иллюстрациях


J6B13013.png
Показать иллюстрациюПеревод текста в иллюстрациях


На предыдущую страницуНа следующую страницу


https://vnx.su/ 🛠 Руководства по ремонту и эксплуатации для автомобилей

Поиск по сайту

Остались вопросы или пожелания? Пишите на почту: support@vnx.su

Карта Сайта