К началу документа
Evanda
На предыдущую страницуНа следующую страницу
Главная страница GMDEЗагрузить нединамическое оглавлениеЗагрузить динамическое оглавлениеПомощь

РАЗДЕЛ 9E

ПРИБОРЫ/СИСТЕМА ИНФОРМИРОВАНИЯ ВОДИТЕЛЯ

Внимание! Отсоедините провод от отрицательного вывода аккумулятора, прежде чем снимать или устанавливать какие-либо электрические устройства, а также в ситуации, когда есть возможность касания оголенных электрических контактов каким-либо инструментом или приспособлением. Отсоединение этого провода позволяет избежать травм и повреждения оборудования автомобиля. Кроме того, если не указано иное, зажигание должно находиться в положении LOCK.

ТЕХНИЧЕСКИЕ ХАРАКТЕРИСТИКИ

Моменты затяжки резьбовых соединений

ПРОГРАММА
Н•м
фунт-фут
фунт-дюйм
Винты кожуха пепельницы
2.5
-
22
Винты разъема подсветки комбинации
2
-
18
Винты цифровых часов
2.5
-
22
Болты скобы вещевого ящика
10
-
89
Винты корпуса вещевого ящика
2.5
-
22
Винты вещевого ящика
2.5
-
22
Винт ручки открытия капота
2.5
-
22
Винты комбинации приборов
2
-
18
Винты щитка панели приборов
3
-
27
Болты панели приборов под ветровым стеклом
22
16
-
Винт панели приборов за аудиосистемой
3
-
27
Винт панели приборов за скобой вещевого ящика
2.5
-
22
Винты отделение для хранения в панели приборов
2.5
-
22
Винты вентиляционного сопла панели приборов
3
-
27
Болты крепления панели приборов к кузову
22
16
-
Болты крепления панели приборов к полу
22
16
-
Винт крепления панели приборов к корпусу воздухораспределителя обогревателя
4
-
35
Винты панели обивки коленного буфера со стороны пассажира
3
-
27
Винты спидометра
2
-
18
Болты рулевой колонки
22
16
-
Гайки рулевой колонки
22
16
-

Технические характеристики контрольных ламп комбинации приборов

Контрольная лампа
Цвет
Лампа
Предупреждение антиблокировочной системы
Желтый
12 В 1,2 Вт
Предупреждение о подушке безопасности
Красный
12 В 1,2 Вт
Индикаторы положения переключения автоматической коробки передач
Стоянка
Задний ход
Нейтраль
Движение
3
L
.
Зеленый
Красный
Зеленый
Зеленый
Зеленый
Зеленый
.
14 В 1,4 Вт
14 В 1,4 Вт
14 В 1,4 Вт
14 В 1,4 Вт
14 В 1,4 Вт
14 В 1,4 Вт
Индикатор заряда аккумуляторной батареи
Красный
14 В 1,4 Вт
Предупредительный свет фар
Желтый
14 В 1,4 Вт
Предупреждение об открытии дверей
Красный
14 В 1,4 Вт
Предупреждение о пристегивании ремней безопасности
Красный
14 В 1,4 Вт
Индикатор противотуманных фар
Зеленый
14 В 1,4 Вт
Индикатор дальнего света
Синий
14 В 1,4 Вт
Предупреждение о низком уровне топлива
Желтый
14 В 3 Вт
Предупреждение об открытии багажника
Желтый
14 В 1,4 Вт
Предупреждение о давлении масла
Красный
14 В 1,4 Вт
Индикатор стояночного тормоза и предупреждение о тормозной жидкости
Красный
14 В 1,4 Вт
Индикатор неисправностей
Желтый
14 В 1,4 Вт
Сигнализация системы регулирования тягового усилия
Желтый
14 В 1,4 Вт
Индикатор режима работы коробки передач
Желтый
14 В 1,4 Вт
Индикатор режима удержания коробки передач
Желтый
14 В 1,4 Вт
Индикаторы указателей поворота
Зеленый
14 В 1,4 Вт

ПРИНЦИПИАЛЬНЫЕ И МОНТАЖНЫЕ СХЕМЫ

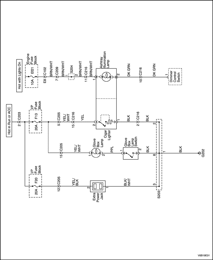
Прикуриватель


V6B19E01
Показать иллюстрациюПеревод текста в иллюстрациях


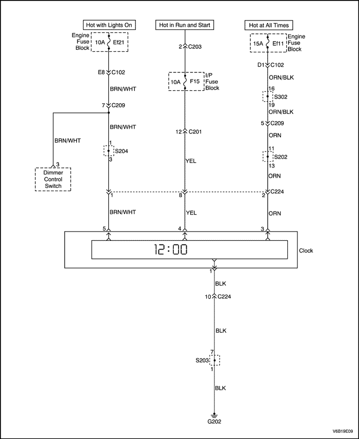
Цифровые часы


V6B19E09
Показать иллюстрациюПеревод текста в иллюстрациях


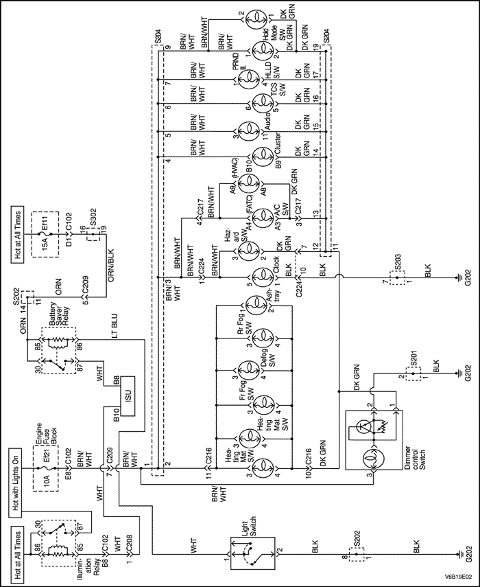
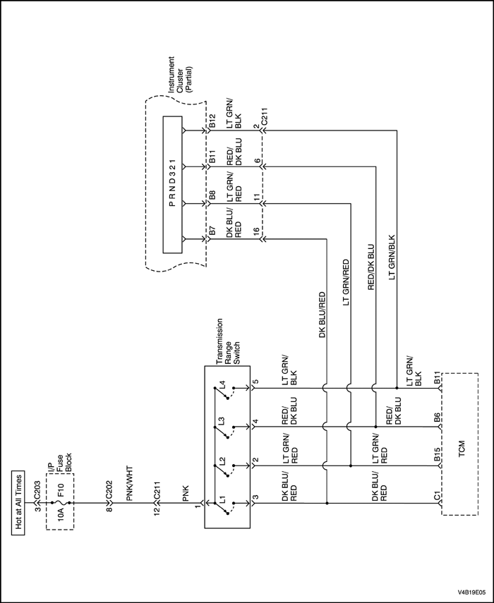
Подсветка панели приборов


V6B19E02
Показать иллюстрациюПеревод текста в иллюстрациях



V4B19E05
Показать иллюстрациюПеревод текста в иллюстрациях


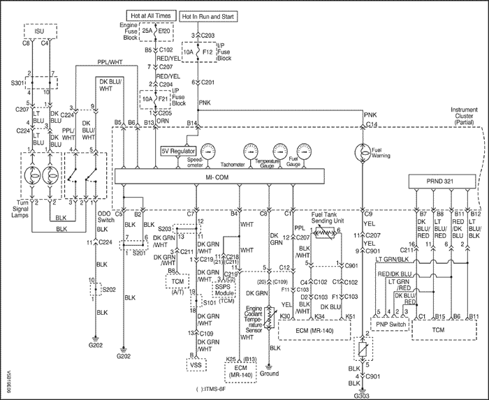
Измерители и приборы комбинации приборов


V5B19E06
Показать иллюстрациюПеревод текста в иллюстрациях


Контрольные лампы комбинации приборов


V6B19E03
Показать иллюстрациюПеревод текста в иллюстрациях



V6B19E04
Показать иллюстрациюПеревод текста в иллюстрациях


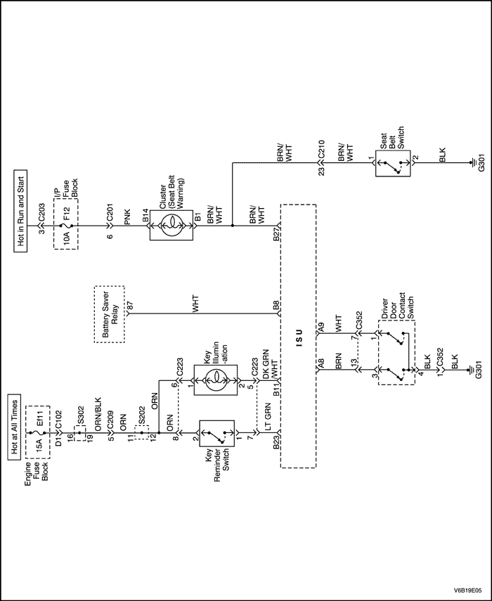
Модуль звуковой сигнализации


V6B19E05
Показать иллюстрациюПеревод текста в иллюстрациях


ДИАГНОСТИКА

Прикуриватель

Прикуриватель не работает

ШагОперацияЗначенияДаНет
1
Проверить предохранитель f13.
Перегорел ли предохранитель?
-
Перейдите на Шаг 2
Перейдите на Шаг 3
2
  1. Проверьте на предмет короткого замыкания и при необходимости устраните его.
  2. Замените предохранитель.
Ремонт закончен?
-
Система в норме
-
3
  1. Перевести зажигание в положение acc.
  2. С помощью вольтметра проверить напряжение на предохранителе f13.
Равно ли напряжение указанному значению?
11~14 В
Перейдите на Шаг 5
Перейдите на Шаг 4
4
Устранить разрыв цепи подачи электропитания на предохранитель f13.
Ремонт закончен?
-
Система в норме
-
5
  1. Снять электрический разъем с обратной стороны прикуривателя.
  2. Перевести зажигание в положение acc.
  3. С помощью вольтметра проверить напряжение на выводе 2 электрического разъема прикуривателя.
Равно ли напряжение указанному значению?
11~14 В
Перейдите на Шаг 7
Перейдите на Шаг 6
6
Устранить разрыв цепи между предохранителем f13 и прикуривателем.
Ремонт закончен?
-
Система в норме
-
7
Поместив ключ зажигания в положение acc, подключить вольтметр между выводом 1 и выводом 2 разъема прикуривателя.
Равно ли подаваемое батареей напряжение указанному значению?
11~14 В
Перейдите на Шаг 9
Перейдите на Шаг 8
8
Устранить разрыв цепи массы.
Ремонт закончен?
-
Система в норме
-
9
Заменить прикуриватель.
Ремонт закончен?
-
Система в норме
-

Цифровые часы

Цифровые часы не работают

ШагОперацияЗначенияДаНет
1
Проверить предохранители ef11 и f15.
Перегорели ли также и предохранители ef11 или f15?
-
Перейдите на Шаг 2
Перейдите на Шаг 3
2
  1. Проверьте на предмет короткого замыкания и при необходимости устраните его.
  2. Заменить перегоревшие предохранители.
Ремонт закончен?
-
Система в норме
-
3
  1. Установите зажигание в положение on.
  2. С помощью вольтметра проверить подаваемое батареей напряжение на предохранителях ef11 и f15.
Равно ли напряжение указанному значению?
11~14 В
Перейдите на Шаг 6
Перейдите на Шаг 2
4
Устранить разрыв цепи подачи электропитания на этот предохранитель.
Ремонт закончен?
-
Система в норме
-
5
  1. Установите зажигание в положение on.
  2. С помощью вольтметра проверить подаваемое батареей напряжение на вывод 4 разъема часов.
Равно ли напряжение указанному значению?
11~14 В
Перейдите на Шаг 7
Перейдите на Шаг 6
6
Устранить разрыв цепи между выводом 4 разъема часов и предохранителем f15.
Ремонт закончен?
-
Система в норме
-
7
Установите зажигание в положение on.
Присутствует ли подаваемое батареей напряжение на выводе 3 разъема часов?
-
Перейдите на Шаг 9
Перейдите на Шаг 8
8
Устранить разрыв цепи между выводом 3 разъема часов и предохранителем ef11.
Ремонт закончен?
-
Система в норме
-
9
Проверить отсутствие обрывов цепи между выводом 1 разъема часов и массой.
Равна ли электропроводность указанному значению?
≈ 0 Ом
Перейдите на Шаг 10
Перейдите на Шаг 11
10
Заменить часы.
Ремонт закончен?
-
Система в норме
-
11
Устранить разрыв цепи массы между выводом 1 разъема часов и массой g202.
Ремонт закончен?
-
Система в норме
-

Подсветка панели приборов

Панель приборов не освещается при включении огней

ШагОперацияЗначенияДаНет
1
Проверить работу фар и стояночных огней.
Работают ли фары и стояночные огни с обеих сторон автомобиля?
-
Перейдите на Шаг 3
Перейдите на Шаг 2
2
Отремонтировать фары и стояночные огни.
Загорается ли подсветка панели приборов после ремонта фар и стояночных огней?
-
Система в норме
Перейдите на Шаг 3
3
  1. Отсоединить электрический разъем на переключателе регулирования освещения.
  2. Включить стояночные огни.
  3. С помощью вольтметра проверить напряжение на выводе 3 переключателя регулирования освещения.
Равно ли напряжение указанному значению?
11~14 В
Перейдите на Шаг 5
Перейдите на Шаг 4
4
Устранить разрыв цепи между предохранителем ef21 и переключателем управления регулированием освещения.
Ремонт закончен?
-
Система в норме
-
5
  1. Выключить огни.
  2. При отсоединенном переключателе регулирования освещения с помощью омметра проверить сопротивление между массой и выводом 2 разъема переключателе регулирования освещения.
Равно ли сопротивление указанному значению?
≈ 0 Ом
Перейдите на Шаг 7
Перейдите на Шаг 6
6
Устранить разрыв цепи между массой и выводом 2 разъема переключателя регулирования освещения.
Ремонт закончен?
-
Система в норме
-
7
  1. Включить стояночные огни.
  2. При отсоединенном переключателе регулирования освещения проверить напряжение на выводе 1 переключателя регулирования освещения.
Равно ли напряжение указанному значению?
11~14 В
Перейдите на Шаг 9
Перейдите на Шаг 8
8
Устранить разрыв цепи между разъемом s204 и выводом 1 переключателя регулирования освещения.
Ремонт закончен?
-
Система в норме
-
9
Заменить переключатель регулирования освещения.
Ремонт закончен?
-
Система в норме
-

Лампа освещения положения механизма автоматической коробки передач не работает, все другие лампы приборов в порядке

ШагОперацияЗначенияДаНет
1
Проверить предохранитель f10.
Перегорел ли предохранитель f10?
-
Перейдите на Шаг 2
Перейдите на Шаг 3
2
  1. Проверьте на предмет короткого замыкания и при необходимости устраните его.
  2. Заменить перегоревший предохранитель.
Ремонт закончен?
-
Система в норме
-
3
  1. Установите зажигание в положение on.
  2. С помощью вольтметра проверить подаваемое батареей напряжение на предохранителе f10.
Равно ли подаваемое батареей напряжение указанному значению?
11~14 В
Перейдите на Шаг 5
Перейдите на Шаг 4
4
Устранить разрыв цепи подачи электропитания на предохранитель f10.
Ремонт закончен?
-
Система в норме
-
5
  1. Поверните ключ зажигания в положение on.
  2. Снять лампу индикации положения автоматической коробки передач.
  3. С помощью вольтметра проверить подаваемое батареей напряжение на патроне лампы.
Равно ли подаваемое батареей напряжение указанному значению?
11~14 В
Перейдите на Шаг 7
Перейдите на Шаг 6
6
Устранить разрыв цепи между патроном лампы индикации положения автоматический коробки передач и предохранителем f10.
Ремонт закончен?
-
Система в норме
-
7
  1. Снять лампу индикации положения автоматической коробки передач.
  2. С помощью омметра проверить сопротивление между цепью массы и патроном лампы.
Соответствует ли сопротивление указанному значению?
≈ 0 Ом
Система в норме
-

Спидометр

Спидометр не работает

ШагОперацияЗначенияДаНет
1
Проверить предохранитель f12.
Перегорел ли предохранитель f12?
-
Перейдите на Шаг 2
Перейдите на Шаг 3
2
  1. Проверьте на предмет короткого замыкания и при необходимости устраните его.
  2. Заменить предохранитель f12.
Ремонт закончен?
-
Система в норме
-
3
  1. Установите зажигание в положение on.
  2. Проверить напряжение на предохранителе f12.
Равно ли напряжение указанному значению?
11~14 В
Перейдите на Шаг 5
Перейдите на Шаг 4
4
Восстановить подачу электропитания на реле зажигания 2.
Ремонт закончен?
-
Система в норме
-
5
  1. Подключить сканирующий инструмент.
  2. Проверить наличие кодов неисправности диагностики управления двигателем.
Задан ли диагностический код неисправности p052 датчика скорости автомобиля?
-
Перейдите на Шаг 6
6
  1. Снимите приборную панель.
  2. Установите зажигание в положение on.
  3. Проверить напряжение на выводе b14 разъёма комбинации приборов.
Равно ли напряжение указанному значению?
11~14 В
Перейдите на Шаг 8
Перейдите на Шаг 7
7
Устранить разрыв цепи между предохранителем f12 и комбинацией приборов.
Ремонт закончен?
-
Система в норме
-
8
С помощью омметра проверить сопротивление между массой и выводом c5 разъёма комбинации приборов.
Равно ли сопротивление указанному значению?
≈ 0 Ом
Перейдите на Шаг 10
Перейдите на Шаг 9
9
Устранить разрыв цепи между массой и выводом c5 разъёма комбинации приборов.
Ремонт закончен?
-
Система в норме
-
10
С помощью омметра проверить отсутствие обрывов провода цепи между выводом В датчика скорости автомобиля и выводом c7 разъёма комбинации приборов.
Равна ли электропроводность указанному значению?
≈ 0 Ом
Перейдите на Шаг 12
Перейдите на Шаг 11
11
Устранить разрыв цепи между датчиком скорости автомобиля и комбинацией приборов.
Ремонт закончен?
-
Система в норме
-
12
Замените приборную панель.
Ремонт закончен?
-
Система в норме
-

Указатель уровня топлива

Указатель уровня топлива не работает

ШагОперацияЗначенияДаНет
1
  1. Подключить сканирующий инструмент.
  2. Проверить наличие кодов неисправности диагностики управления двигателем.
Задан ли диагностический код неисправности p0461 датчика скорости автомобиля?
-
Перейдите на Шаг 2
2
  1. Снимите приборную панель.
  2. Установите зажигание в положение on.
  3. Проверить напряжение на выводе b14 разъёма комбинации приборов.
Равно ли напряжение указанному значению?
11 - 14 В
Перейдите на Шаг 4
Перейдите на Шаг 3
3
Устранить разрыв цепи между предохранителем f12 и комбинацией приборов.
Ремонт закончен?
-
Система в норме
-
4
С помощью омметра проверить сопротивление между выводом К30 разъёма ecm и выводом c1 разъёма комбинации приборов.
Равно ли сопротивление указанному значению?
≈ 0 Ом
Перейдите на Шаг 6
Перейдите на Шаг 5
5
Устранить разрыв цепи между ecm и комбинацией приборов.
Ремонт закончен?
-
Система в норме
-
6
Замените приборную панель.
Ремонт закончен?
-
Система в норме
-

Указатель температуры

Указатель температуры не работает, другие приборы исправны

Описание проверки

Указанные ниже цифры обозначают шаг(и) в диагностической таблице.
  1. Если проблема заключается в том, что указатель температуры всегда показывает "полный", следует начать выполнение действий в диагностической таблице с шага 1. Если проблема заключается в том, что указатель температуры всегда показывает "пустой", следует начать выполнение действий в диагностической таблице с шага 7.
ШагОперацияЗначенияДаНет
1
Дать двигателю остыть до комнатной температуры.
Когда выключатель зажигания находится в положении on, всегда ли стрелка указателя температуры находится в крайнем верхнем положении на шкале?
-
Перейдите на Шаг 3
Перейдите на Шаг 2
2
Отсоединить электрический разъем датчика температуры охлаждающей жидкости.
Упала ли стрелка указателя температуры в крайнее нижнее положение на шкале?
-
Перейдите на Шаг 3
Перейдите на Шаг 4
3
Заменить датчик температуры охлаждающей жидкости.
Ремонт закончен?
-
Система в норме
-
4
Проверить наличие замыкания на массу между датчиком температуры охлаждающей жидкости и указателем температуры.
Присутствует ли замыкание на массу?
-
Перейдите на Шаг 5
Перейдите на Шаг 6
5
Устранить замыкание на массу.
Ремонт закончен?
-
Система в норме
-
6
Заменить комбинацию приборов.
Ремонт закончен?
-
Система в норме
-
7
  1. Отсоединить датчик температуры охлаждающей жидкости.
  2. Установите зажигание в положение on.
  3. Проверить напряжение на разъеме датчика температуры охлаждающей жидкости.
Равно ли напряжение указанному значению?
11~14 В
Перейдите на Шаг 10
Перейдите на Шаг 8
8
Проверить наличие разрывов цепи между датчиком температуры охлаждающей жидкости и указателем температуры.
Цепь разомкнута?
-
Перейдите на Шаг 9
Перейдите на Шаг 6
9
Устранить разрыв цепи между датчиком температуры охлаждающей жидкости и указателем температуры.
Ремонт закончен?
-
Система в норме
-
10
  1. Отсоединить датчик температуры охлаждающей жидкости.
  2. Подсоединить проволочную перемычку между разъемом датчика температуры охлаждающей жидкости и массой.
  3. Установите зажигание в положение on.
Переместилась ли стрелка указателя температуры в крайнее верхнее положение на шкале?
-
Перейдите на Шаг 3
Перейдите на Шаг 6

Контрольные лампы комбинации приборов

Контрольные лампы комбинации приборов не работают

ШагОперацияЗначенияДаНет
1
Проверить предохранитель f12 и ef21.
Перегорел ли предохранитель f12 и ef21?
-
Перейдите на Шаг 2
Перейдите на Шаг 3
2
  1. Проверьте на предмет короткого замыкания и при необходимости устраните его.
  2. Заменить перегоревший предохранитель.
Ремонт закончен?
-
Система в норме
-
3
  1. Установите зажигание в положение on.
  2. Проверить напряжение на предохранителях ef21 и f12.
Равно ли подаваемое батареей напряжение указанному значению?
11~14 В
Перейдите на Шаг 5
Перейдите на Шаг 4
4
Устранить разрыв цепи подачи электропитания на предохранитель f12 и ef21.
Ремонт закончен?
-
Система в норме
-
5
  1. Снимите приборную панель.
  2. Отсоединить разъемы c2 и b14 комбинации приборов.
  3. Установите зажигание в положение on.
Равно ли подаваемое батареей напряжение указанному значению?
11~14 В
Перейдите на Шаг 7
Перейдите на Шаг 6
6
Устранить разрыв цепи между предохранителями ef21 и f12 и разъемами b14, c4 и b10 комбинации приборов.
Ремонт закончен?
-
Система в норме
-
7
Проверить сигнальные лампы комбинации приборов.
Исправны ли лампы?
-
Перейдите на Шаг 9
Перейдите на Шаг 8
8
  1. Заменить неисправные сигнальные лампы.
  2. Проверить систему зарядки и убедиться в том, что генератор не дает избыточную зарядку.
  3. При необходимости отремонтировать зарядную систему.
Ремонт закончен?
-
Система в норме
-
9
Замените приборную панель.
Ремонт закончен?
-
Система в норме
-

Модуль звуковой сигнализации

Нет звуковой сигнализации, когда ремень безопасности не пристегнут, а ключ находится в замке зажигания

Рекомендации по диагностике

Для диагностики напоминания о фарах, см. Раздел 9B, Системы освещения.

Описание проверки

Указанные ниже цифры обозначают шаг(и) в диагностической таблице.
  1. Модуль звуковой сигнализации находится под панелью приборов с левой стороны.
  2. В переключателе зажигания могут быть КРС и ЧЕР провода, но в двухштырьковом разъеме они соединяются с ОРЖ и СВ ЗЕЛ.
ШагОперацияЗначенияДаНет
1
Проверить предохранители ef11 и f12.
Не перегорел ли предохранитель ef11 и f12?
-
Перейдите на Шаг 2
Перейдите на Шаг 3
2
  1. Проверьте на предмет короткого замыкания и при необходимости устраните его.
  2. Заменить перегоревший предохранитель.
Ремонт закончен?
-
Система в норме
-
3
Проверить напряжение на предохранителе ef11.
Равно ли напряжение указанному значению?
11~14 В
Перейдите на Шаг 5
Перейдите на Шаг 4
4
Восстановить подачу электропитания на предохранитель ef11.
Ремонт закончен?
-
Система в норме
-
5
  1. Установите зажигание в положение on.
  2. Проверить напряжение на предохранителе f12.
Равно ли напряжение указанному значению?
11~14 В
Перейдите на Шаг 7
Перейдите на Шаг 6
6
Восстановить подачу электропитания на предохранитель f12.
Ремонт закончен?
-
Система в норме
-
7
  1. Отсоединить разъем isu.
  2. Установите зажигание в положение on.
  3. Проверить напряжение на выводе В27 разъема isu.
Равно ли напряжение указанному значению?
11~14 В
Перейдите на Шаг 9
Перейдите на Шаг 8
8
Устранить разрыв цепи между предохранителем f12 и выводом b27 разъема isu.
Ремонт закончен?
-
Система в норме
-
9
  1. Отсоединить электрический разъем модуля звуковой сигнализации.
  2. Вставить ключ в переключатель зажигания.
  3. Проверить напряжение на выводе В23 разъема isu.
Равно ли напряжение указанному значению?
11~14 В
Перейдите на Шаг 15
Перейдите на Шаг 10
10
  1. От выключателя напоминания о ключе отходят два провода, которые идут к разъему жгута комбинации приборов. Отсоединить этот двухштырьковый разъем.
  2. Проверить напряжение на проводе цепи от вывода 2.
Равно ли напряжение указанному значению?
11~14 В
Перейдите на Шаг 12
Перейдите на Шаг 11
11
Устранить разрыв цепи между предохранителем ef11 и выключателем напоминания о ключе.
Ремонт закончен?
-
Система в норме
-
12
  1. Вставить ключ в переключатель зажигания.
  2. При отсоединенном двухштырьковом разъеме напоминания о ключе присоединять один провод омметра к каждому проводу, идущему на выключатель напоминания о ключе.
Равна ли электропроводность указанному значению?
≈ 0 Ом
Перейдите на Шаг 14
Перейдите на Шаг 13
13
Заменить переключатель зажигания.
Ремонт закончен?
-
Система в норме
-
14
Устранить разрыв цепи между разъемом выключателя напоминания о ключе и выводом b23 разъема isu.
Ремонт закончен?
-
Система в норме
-
15
С помощью омметра проверить отсутствие обрывов цепи между массой и выводом b3 разъема isu.
Равна ли электропроводность указанному значению?
≈ 0 Ом
Перейдите на Шаг 17
Перейдите на Шаг 16
16
Устранить разрыв цепи между выводом b3 разъема isu и массой.
Ремонт закончен?
-
Система в норме
-
17
  1. Отстегнуть ремень безопасности на стороне водителя.
  2. При отсоединенном электрическом разъеме модуля звуковой сигнализации подключить омметр между массой и выводом b27 isu.
Равна ли электропроводность указанному значению?
≈ 0 Ом
Перейти на Шаг 18
Перейти на Шаг 19
18
Заменить isu.
Ремонт закончен?
-
Система в норме
-
19
  1. Отсоединить выключатель ремня безопасности под сиденьем на стороне водителя.
  2. Присоединять один провод омметра к каждому проводу, идущему на выключатель ремня безопасности на стороне водителя.
Равна ли электропроводность указанному значению?
≈ 0 Ом
Перейдите на Шаг 21
Перейти на Шаг 20
20
Замените выключатель ремня безопасности.
Ремонт закончен?
-
Система в норме
-
21
Устранить разрыв цепи между выводом 1 разъема модуля звуковой сигнализации и массой.
Ремонт закончен?
-
Система в норме
-

Нет звуковой сигнализации, когда открыта дверь, а ключ находится в замке зажигания

Описание проверки

Указанные ниже цифры обозначают шаг(и) в диагностической таблице.
  1. Модуль звуковой сигнализации находится под панелью приборов с левой стороны.
  2. В переключателе зажигания могут быть КРС и ЧЕР провода, но в двухштырьковом разъеме они соединяются с ОРЖ и СВ ЗЕЛ.
ШагОперацияЗначенияДаНет
1
Проверить предохранители ef11 и f12.
Не перегорел ли предохранитель ef11 и f12?
-
Перейдите на Шаг 2
Перейдите на Шаг 3
2
  1. Проверьте на предмет короткого замыкания и при необходимости устраните его.
  2. Заменить перегоревший предохранитель.
Ремонт закончен?
-
Перейдите на Шаг 5
Перейдите на Шаг 4
3
Проверить напряжение на предохранителе ef11.
Равно ли напряжение указанному значению?
11~14 В
Перейдите на Шаг 5
Перейдите на Шаг 4
4
Восстановить подачу электропитания на предохранитель ef11.
Ремонт закончен?
-
Система в норме
-
5
  1. Установите зажигание в положение on.
  2. Проверить напряжение на предохранителе f12.
Равно ли напряжение указанному значению?
11~14 В
Перейдите на Шаг 7
Перейдите на Шаг 6
6
Восстановить подачу электропитания на предохранитель f12.
Ремонт закончен?
-
Система в норме
-
7
  1. Отсоединить электрический разъем модуля звуковой сигнализации.
  2. Установите зажигание в положение on.
  3. Проверить напряжение на выводе В27 разъема isu.
Равно ли напряжение указанному значению?
11~14 В
Перейдите на Шаг 9
Перейдите на Шаг 8
8
Устранить разрыв цепи между предохранителем f12 и выводом b27 разъема isu.
Ремонт закончен?
-
Система в норме
-
9
  1. Отсоединить электрический разъем модуля звуковой сигнализации.
  2. Вставить ключ в переключатель зажигания.
  3. Проверить напряжение на выводе В23 разъема isu.
Равно ли напряжение указанному значению?
11~14 В
Перейдите на Шаг 14
Перейдите на Шаг 10
10
Устранить разрыв цепи между предохранителем ef11 и выключателем напоминания о ключе.
Ремонт закончен?
-
Система в норме
-
11
  1. Вставить ключ в переключатель зажигания.
  2. При отсоединенном двухштырьковом разъеме напоминания о ключе присоединять один провод омметра к каждому проводу, идущему на выключатель напоминания о ключе.
Равна ли электропроводность указанному значению?
≈ 0 Ом
Перейдите на Шаг 14
Перейдите на Шаг 13
12
Заменить переключатель зажигания.
Ремонт закончен?
-
Система в норме
-
13
Устранить разрыв цепи между разъемом выключателя напоминания о ключе и выводом b23 разъема isu.
Ремонт закончен?
-
Система в норме
-
14
  1. Открыть дверь на стороне водителя.
  2. При отсоединенном электрическом разъеме модуля звуковой сигнализации подключить омметр между массой и выводом b3 isu.
Равна ли электропроводность указанному значению?
≈ 0 Ом
Перейти на Шаг 18
Перейти на Шаг 19
15
Замените модуль звуковой сигнализации.
Ремонт закончен?
-
Система в норме
-
16
Устранить разрыв цепи между выводом b3 разъема isu и массой. (Контактный переключатель двери водителя должен быть замкнут, когда дверь открыта.)
Ремонт закончен?
-
Система в норме
-


На предыдущую страницуНа следующую страницу
https://vnx.su/ 🛠 Руководства по ремонту и эксплуатации для автомобилей

Поиск по сайту

Остались вопросы или пожелания? Пишите на почту: support@vnx.su

Карта Сайта