К началу документа
Evanda
На предыдущую страницуНа следующую страницу
Главная страница GMDEЗагрузить нединамическое оглавлениеЗагрузить динамическое оглавлениеПомощь

РАЗДЕЛ 5C

СЦЕПЛЕНИЕ

Внимание! Необходимо отсоединять отрицательный провод аккумулятора перед снятием или установкой любого электрического устройства, а также в тех случаях, когда возможно соприкосновение инструмента или оборудования с открытыми электрическими контактами. Отсоединение этого провода поможет избежать несчастного случая, а также повреждения автомобиля. Необходимо также, чтобы зажигание находилось в положении LOCK, если не будет требоваться иное.

ТЕХНИЧЕСКИЕ ХАРАКТЕРИСТИКИ

МОМЕНТЫ ЗАТЯЖКИ РЕЗЬБОВЫХ СОЕДИНЕНИЙ

Диапазон
Н•м
Фунт-фут
Фунт-дюйм
Болт крепления вилки выключения сцепления к оси вилки
35
26
-
Стопорные гайки главного цилиндра сцепления
22
16
-
Гайка педали сцепления
18
13
-
Болты крепления нажимного диска к маховику
15
11
-
Болты втулки подшипника выключения
5
-
44
Болты крепления цилиндра выключения сцепления
60
44
-

СПЕЦИАЛЬНЫЕ ИНСТРУМЕНТЫ

ТАБЛИЦА СПЕЦИАЛЬНЫХ ИНСТРУМЕНТОВ


J36547
Показать иллюстрациюПеревод текста в иллюстрациях


j-36547
Приспособление для установки сальника первичного вала

J42474
Показать иллюстрациюПеревод текста в иллюстрациях


j-42474
Оправка для центровки ведомого диска сцепления

ДИАГНОСТИКА

Работа сцепления

Двигатель не запускается

Проверки
Операция
ОПРЕДЕЛЕНИЕ: При выжатой до пола педали сцепления двигатель не прокручивается.
Проверить положение регулировочного винта датчика положения педали сцепления.
Отрегулировать регулировочный винт датчика положения педали сцепления.
Проверить исправность датчика положения педали сцепления.
Заменить датчик положения педали сцепления.

Неполное выключение (сцепление "ведет")

Проверки
Операция
ОПРЕДЕЛЕНИЕ: При выжатой до пола педали сцепления затруднено включение и выключение заднего хода (затрудненный ход рычага).
Проверить привод на ослабление.
Отрегулировать или заменить привод.
Проверить ведомый диск сцепления на наличие повреждений.
Заменить поврежденный ведомый диск сцепления.
Проверить правильность установки вилки выключения сцепления.
Снять и переустановить ось вилки выключения сцепления. Слегка смазать концы вилки выключения в районе подшипника маслом для колесных подшипников.
Убедиться в отсутствии заедания муфты диска сцепления на шлицах первичного вала КПП.
Устранить заедание при его наличии или заменить муфту диска сцепления.
Проверить ведомый диск сцепление на коробление или перекос.
Заменить дефектный диск.

Неполное включение сцепления (сцепление "буксует")

Проверки
Операция
Убедиться, что водитель правильно пользуется сцеплением.
Объяснить водителю, как правильно пользоваться сцеплением.
Проверить ведомый диск сцепления на замасливание.
Устранить течь масла и установить новый диск сцепления.
Проверить фрикционные накладки на износ или повреждение.
Заменить изношенный диск на новый.
Проверить нажимной диск сцепления и маховик на коробление.
В случае обнаружения неисправности заменить нажимной диск сцепления или маховик.
Проверить, не ослабла ли нажимная пружина.
Заменить нажимной диск.
Проверить правильность установки ведомого диска.
Провести пуск двигателя 30-40 раз. Не допускать перегрева двигателя.
Проверить, не перегревается ли ведомый диск.
Подождать пока ведомый диск сцепления остынет.

Рывки при работе сцепления

Проверки
Операция
Проверить фрикционные накладки на пригорание или коксование вследствие замасливания.
Устранить течь масла и установить новый диск сцепления.
Проверить шлицы первичного вала КПП на износ.
Заменить изношенный первичный вал.
Проверить нажимной диск сцепления и маховик на коробление.
В случае обнаружения неисправности заменить нажимной диск сцепления или маховик.
Проверить наличие следов пригоревшей смолы на поверхности маховика или нажимного диска.
Шкуркой удалить следы смолы.
Заменить пригоревшие или деформировавшиеся в результате перегрева детали.

Стук (треск)

Проверки
Операция
Проверить ослабление возвратных пружин.
Заменить нажимной диск.
Проверить ослабление вилки выключения сцепления.
Снять и переустановить вилку выключения сцепления.
Проверить наличие масла в демпфере ведомого диска.
Устранить причину утечки масла и заменить ведомый диск сцепления.
Проверить наличие повреждений пружин демпфера.
Заменить ведомый диск сцепления.

Повышенный шум подшипника выключения при полностью включенном сцеплении

Проверки
Операция
Убедиться, что водитель правильно пользуется сцеплением.
Объяснить водителю, как правильно пользоваться сцеплением.
Проверить подшипник выключения сцепления на заедание.
Очистить и смазать подшипник. Проверить подшипник выключения на наличие царапин и задиров.
Проверить правильность установки рычага выключения сцепления.
Снять и переустановить рычаг выключения сцепления.
Проверить возвратную пружину привода выключения сцепления на ослабление.
Заменить ослабленную пружину привода выключения сцепления.

Повышенный шум сцепления

Проверки
Операция
Проверить износ подшипника выключения сцепления.
Заменить изношенный подшипник выключения сцепления.
Проверить правильность установки рычага выключения сцепления.
Снять и переустановить ось вилки выключения сцепления. Слегка смазать концы вилки выключения в районе подшипника маслом для колесных подшипников.

Педаль сцепления не возвращается в исходное положение

Проверки
Операция
Проверить привод и подшипник выключения сцепления на заедание.
Смазать и разблокировать привод или подшипник.
Проверить нажимную пружину на ослабление.
Заменить нажимной диск.

Повышенное усилие на педали сцепления

Проверки
Операция
Проверить привод выключения сцепления на заедание.
Смазать и разблокировать привод выключения сцепления.
Проверить износ ведомого диска сцепления.
Заменить изношенный ведомый диск сцепления.

РАСПОЛОЖЕНИЕ КОМПОНЕНТОВ

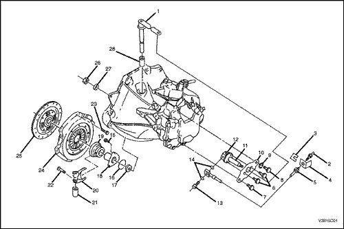
Компоненты сцепления с гидравлическим приводом


V3B15C01
Показать иллюстрациюПеревод текста в иллюстрациях


  1. Рычаг вилки выключения сцепления
  2. Трубка
  3. Хомут
  4. Хомут
  5. Шланг
  6. Болт
  7. Болт
  8. Болт
  9. Пружинная шайба
  10. Кронштейн цилиндра выключения сцепления
  11. Цилиндр выключения сцепления
  12. Штуцер прокачки
  13. Болт
  14. Медная шайба
  15. Болт
  16. Уплотнительное кольцо
  17. Сальник первичного вала
  18. Втулка подшипника выключения
  19. Подшипник выключения сцепления
  20. Вилка
  21. Вкладыш
  22. Болт
  23. Болт
  24. Нажимной диск
  25. Ведомый диск
  26. Гайка
  27. Пружинная шайба
  28. Вкладыш

V3B15C02
Показать иллюстрациюПеревод текста в иллюстрациях


  1. Главный цилиндр сцепления
  2. Прокладка
  3. Пружина
  4. Кронштейн педали сцепления
  5. Вкладыш
  6. Гайка
  7. Шайба
  8. Крепление кронштейна педали сцепления
  9. Шайба
  10. Гайка
  11. Болт
  12. Ось педали сцепления
  13. Гайка
  14. Буфер педали сцепления
  15. Буфер педали сцепления
  16. Вкладыш
  17. Штифт
  18. Вкладыш
  19. Педаль сцепления
  20. Накладка педали

V3B15C03
Показать иллюстрациюПеревод текста в иллюстрациях


  1. Маховик
  2. Ведомый диск
  3. Нажимной диск
  4. Подшипник выключения сцепления

ТЕХНИЧЕСКОЕ ОБСЛУЖИВАНИЕ И РЕМОНТ

РАБОТЫ, ВЫПОЛНЯЕМЫЕ НА АВТОМОБИЛЕ



V3B15C04
Показать иллюстрациюПеревод текста в иллюстрациях


Педаль сцепления

Порядок снятия

  1. Отсоединить провод от отрицательного вывода аккумуляторной батареи.
  2. Отсоединить возвратную пружину от кронштейна педали сцепления.


  3. V3B15C05
    Показать иллюстрациюПеревод текста в иллюстрациях


  4. Скрутить гайку, снять шайбу и извлечь ось педали сцепления.


  5. V3B15C06
    Показать иллюстрациюПеревод текста в иллюстрациях


  6. Снять стопорное кольцо и извлечь болт толкателя цилиндра.
  7. Снять педаль сцепления с автомобиля.


V3B15C06
Показать иллюстрациюПеревод текста в иллюстрациях


Порядок установки

  1. Установить педаль сцепления на кронштейн. Убедиться, что ус возвратной пружины попал в канавку на педали.
  2. Смазать болт толкателя поршня универсальной смазкой.
  3. Установить болт толкателя поршня и закрепить его скобой.


  4. V3B15C05
    Показать иллюстрациюПеревод текста в иллюстрациях


  5. Смазать ось педали универсальной смазкой.
  6. Установить ось педали сцепления, надеть шайбу и накрутить гайку.
  7. Затянуть
    Затянуть гайку педали сцепления моментом 18 Н•м (13 фунт-футов).



    V3B15C04
    Показать иллюстрациюПеревод текста в иллюстрациях


  8. Закрепить возвратную пружину на кронштейне педали.
  9. Присоедините провод к отрицательному выводу аккумуляторной батареи.


V3B15C07
Показать иллюстрациюПеревод текста в иллюстрациях


Датчик положения педали сцепления

Порядок снятия

  1. Вывернуть и снять датчик положения педали сцепления с кронштейна педали.
  2. Разъединить электрический разъем.


V3B15C07
Показать иллюстрациюПеревод текста в иллюстрациях


Порядок установки

  1. Соединить электрический разъем.
  2. Установить датчик положения педали сцепления в задней части кронштейна педали сцепления и повернуть до щелчка.


V3B15C08
Показать иллюстрациюПеревод текста в иллюстрациях


Процедура регулировки

    После установки необходимо отрегулировать датчик положения педали следующим образом:
  1. Убедиться, что при отпущенной педали сцепления запуск двигателя невозможен.
  2. Убедиться, что при полностью выжатой педали сцепления двигатель запускается. Если при полностью выжатой педали сцепления двигатель не запускается, следует вкрутить регулировочный винт датчика положения педали сцепления до замыкания контактов датчика, при котором запуск двигателя становится возможным. Не вкручивать регулировочный винт слишком сильно, чтобы не повредить датчик.
  3. Если после окончания регулировки двигатель запускается при отпущенной педали сцепления, следует заменить датчик.


V3B15C09
Показать иллюстрациюПеревод текста в иллюстрациях


Ведомый диск сцепления и его элементы

Порядок снятия

  1. Отсоединить провод от отрицательного вывода аккумуляторной батареи.
  2. Приподнять автомобиль и установить его на предусмотренные для этого опоры.
  3. Снять левое переднее колесо. См. Раздел 2Е, Шины и колеса.
  4. Снять защиту картера двигателя. См. "Раздел 9N, рама и нижняя часть кузова".
  5. Снять КПП с автомобиля. См. Раздел 5B, "Пятиступенчатая механическая коробка переключения передач".
  6. Выкрутить болты крепления нажимного диска к маховику и снять нажимной диск сцепления. При выкручивании последнего болта необходимо поддерживать нажимной диск.


  7. V3B15C10
    Показать иллюстрациюПеревод текста в иллюстрациях


  8. Снять ведомый диск.


  9. V3B15C11
    Показать иллюстрациюПеревод текста в иллюстрациях


  10. Выкрутить болт крепления вилки выключения сцепления.


  11. V3B15C12
    Показать иллюстрациюПеревод текста в иллюстрациях


  12. Вытянуть вверх ось вилки выключения сцепления.


  13. V3B15C13
    Показать иллюстрациюПеревод текста в иллюстрациях


  14. Снять вилку и подшипник выключения с втулки подшипника.


  15. V3B15C14
    Показать иллюстрациюПеревод текста в иллюстрациях


  16. Выкрутить болты и снять втулку подшипника выключения.


  17. V3B15C15
    Показать иллюстрациюПеревод текста в иллюстрациях


  18. Снять сальник первичного вала с втулки подшипника выключения.


  19. V3B15C16
    Показать иллюстрациюПеревод текста в иллюстрациях


  20. Извлечь уплотнительное кольцо из канавки в картере КПП.


  21. V3B15C17
    Показать иллюстрациюПеревод текста в иллюстрациях


  22. Снять втулки рычага вилки выключения сцепления.


V3B15C17
Показать иллюстрациюПеревод текста в иллюстрациях


Порядок установки

    Необходимое оборудование

    J-36547: приспособление для установки сальника первичного вала
    J-42474: оправка для центровки ведомого диска сцепления
  1. Установить втулки рычага вилки выключения сцепления. Смазать внутреннюю поверхность втулок универсальной смазкой.


  2. V3B15C16
    Показать иллюстрациюПеревод текста в иллюстрациях


  3. Вставить уплотнительное кольцо в канавку в картере КПП.


  4. V3B15C18
    Показать иллюстрациюПеревод текста в иллюстрациях


  5. Установить сальник первичного вала во втулку подшипника выключения сцепления. Для этого необходимо использовать приспособление J-36547 для установки сальника первичного вала и молоток.


  6. V3B15C14
    Показать иллюстрациюПеревод текста в иллюстрациях


  7. Установить втулку подшипника выключения и закрепить ее болтами.
  8. Затянуть
    Затянуть болты крепления втулки подшипника выключения моментом 5 Н•м (44 фунт-дюйма).

  9. Смазать втулку универсальной смазкой.


  10. V3B15C13
    Показать иллюстрациюПеревод текста в иллюстрациях


  11. Смазать внутреннюю поверхность подшипника выключения универсальной смазкой.
  12. Установить подшипник и вилку выключения сцепления на втулку.


  13. V3B15C12
    Показать иллюстрациюПеревод текста в иллюстрациях


  14. Вставить сверху ось вилки выключения сцепления. Вставить ось в отверстие вилки.


  15. V3B15C11
    Показать иллюстрациюПеревод текста в иллюстрациях


  16. Выровнять вилку на оси и закрепить болтом.
  17. Затянуть
    Затянуть болт крепления вилки к оси моментом 35 Н•м (26 фунт-футов).



    V3B15C19
    Показать иллюстрациюПеревод текста в иллюстрациях


  18. Смазать шлицы в ступице ведомого диска сцепления универсальной смазкой.
  19. Установить сцепление и отцентрировать нажимной и ведомый диски относительно маховика с помощью оправки j-42474.
  20. Вкрутить болты крепления нажимного диска к маховику.
  21. Затянуть
    Затянуть болты крепления нажимного диска к маховику моментом 15 Н•м (11 фунт-футов).

  22. Снять оправку j-42474.
  23. Установить коробку передач в автомобиль. См. Раздел 5B, "Пятиступенчатая механическая коробка переключения передач".
  24. Установить защиту картера двигателя. См. "Раздел 9N, рама и нижняя часть кузова".
  25. Установить левое переднее колесо. См. Раздел 2Е, Шины и колеса.
  26. Опустить автомобиль.
  27. Присоедините провод к отрицательному выводу аккумуляторной батареи.


V3B15C20
Показать иллюстрациюПеревод текста в иллюстрациях


Регулировка педали сцепления (система с гидроприводом)

Процедура регулировки

  1. Измерить свободный ход педали. Слегка выжать педаль сцепления рукой и измерить ход педали, после которого возникает сопротивление.


  2. V3B15C21
    Показать иллюстрациюПеревод текста в иллюстрациях


  3. Отрегулировать свободный ход педали сцепления. Ослабить стопорную гайку и повернуть толкатель. Свободный ход педали должен составлять 6-12 мм (0,2-0,5 дюйма). По окончании регулировки затянуть стопорную гайку.


  4. V3B15C22
    Показать иллюстрациюПеревод текста в иллюстрациях


  5. Измерить ход педали. Выжать педаль сцепления до упора в пол. Измерять ход следует с начальной точки до конечной точки.


  6. V3B15C04
    Показать иллюстрациюПеревод текста в иллюстрациях


  7. Отрегулировать ход педали. Ослабить стопорную гайку и повернуть болт. Ход педали должен составлять 140-145 мм (5.5-5.7 дюйма). По окончании регулировки затянуть стопорную гайку.


V3B15C23
Показать иллюстрациюПеревод текста в иллюстрациях


Регулировка момента выключения сцепления (система с гидроприводом)

Процедура регулировки

  1. Включить стояночный тормоз.
  2. Двигатель должен работать на холостом ходу.
  3. Перемещая рычаг переключения передач в положение "задний ход", медленно выжать педаль сцепления и измерить расстояние между точкой, в которой не слышен шум шестерен, и точкой, в которой педаль полностью утоплена. Измеренное расстояние должно составлять более 30 мм (1,2 дюйма).
  4. Если измеренное расстояние меньше 30 мм (1,2 дюйма), необходимо проверить следующее:


V3B15C24
Показать иллюстрациюПеревод текста в иллюстрациях


Удаление воздуха из системы гидропривода

    Данная процедура предназначена для удаления воздуха, попавшего в систему после отсоединения трубок гидропривода при проведении ремонта. Уровень тормозной жидкости (используемой также и в системе гидропривода сцепления) в бачке во время удаления воздуха должен быть не ниже отметки MIN.
  1. Надеть резиновую трубку на штуцер прокачки. Поместить второй конец трубки в прозрачный сосуд, частично заполненный тормозной жидкостью.
  2. Несколько раз медленно выжать педаль сцепления.
  3. При нажатии на педаль сцепления медленно открутить штуцер, чтобы жидкость начала выливаться по трубке. Закрутить штуцер.
  4. Повторять шаг 3 до тех пор, пока не прекратится выход пузырьков из трубки.
  5. Долить жидкость в бачок до отметки max.


V3B15C25
Показать иллюстрациюПеревод текста в иллюстрациях


Главный цилиндр сцепления в сборе

Порядок снятия

    Перед тем как отсоединять шланг системы гидропривода сцепления от бачка с тормозной жидкостью, следует слить жидкость из бачка.
  1. Отсоединить провод от отрицательного вывода аккумуляторной батареи.
  2. Снять хомут крепления шланга на штуцере главного цилиндра. Снять шланг со штуцера главного цилиндра.


  3. V3B15C26
    Показать иллюстрациюПеревод текста в иллюстрациях


  4. Отсоединить трубку от главного цилиндра.


  5. V3B15C06
    Показать иллюстрациюПеревод текста в иллюстрациях


  6. Снять стопорное кольцо и извлечь болт толкателя цилиндра из педали и скобы толкателя.


  7. V3B15C27
    Показать иллюстрациюПеревод текста в иллюстрациях


  8. Скрутить стопорные гайки кронштейна главного цилиндра. Снять главный цилиндр.


V3B15C27
Показать иллюстрациюПеревод текста в иллюстрациях


Порядок установки

  1. Установить главный цилиндр на крепежные болты и накрутить гайки.
  2. Затянуть
    Затянуть гайки крепления главного цилиндра моментом 22 Н•м (16 фунт-футов).



    V3B15C26
    Показать иллюстрациюПеревод текста в иллюстрациях


  3. Подключить трубку главного цилиндра.


  4. V3B15C25
    Показать иллюстрациюПеревод текста в иллюстрациях


  5. Надеть шланг на штуцер главного цилиндра и закрепить его хомутом.


  6. V3B15C06
    Показать иллюстрациюПеревод текста в иллюстрациях


  7. Смазать болт толкателя поршня универсальной смазкой.
  8. Надеть скобу толкателя поршня на педаль, вставить болт и закрепить его стопорным кольцом.
  9. Удалить воздух из системы гидропривода. См. "Удаление воздуха из системы гидропривода" в этом разделе.
  10. Отрегулировать педаль сцепления. См. "Регулировка педали сцепления (система с гидроприводом)" в этом разделе.
  11. Долить тормозную жидкость в бачок до отметки max.
  12. Присоедините провод к отрицательному выводу аккумуляторной батареи.


V3B15C28
Показать иллюстрациюПеревод текста в иллюстрациях


Цилиндр выключения сцепления в сборе

Порядок снятия

  1. Отсоединить провод от отрицательного вывода аккумуляторной батареи.
  2. Выкрутить болт и отсоединить шланг от цилиндра выключения сцепления.


  3. V3B15C29
    Показать иллюстрациюПеревод текста в иллюстрациях


  4. Выкрутить болты крепления и снять цилиндр выключения сцепления с КПП.


V3B15C29
Показать иллюстрациюПеревод текста в иллюстрациях


Порядок установки

  1. Установить цилиндр выключения сцепления на КПП и закрепить его болтами.
  2. Затянуть
    Затянуть болты крепления цилиндра моментом 60 Н•м (44 фунт-фута).



    V3B15C28
    Показать иллюстрациюПеревод текста в иллюстрациях


  3. Подсоединить шланг к цилиндру.
  4. Нанести смазку на место соединения толкателя с рычагом выключения. Следует проявлять осторожность, чтобы не испачкать смазкой защитный чехол.
  5. Удалить воздух из системы гидропривода. См. "Удаление воздуха из системы гидропривода" в этом разделе.
  6. Отрегулировать педаль сцепления. См. "Регулировка педали сцепления (система с гидроприводом)" в этом разделе.
  7. Долить тормозную жидкость в бачок до отметки max.
  8. Присоедините провод к отрицательному выводу аккумуляторной батареи.

РЕМОНТ АГРЕГАТА



V3B15C30
Показать иллюстрациюПеревод текста в иллюстрациях


Главный цилиндр сцепления

Порядок разборки

  1. Снять главный цилиндр сцепления в сборе с автомобиля. См. "Главный цилиндр сцепления в сборе" в этом разделе.
  2. Снять защитный кожух и извлечь стопорное кольцо поршня с помощью специального приспособления.


  3. V3B15C31
    Показать иллюстрациюПеревод текста в иллюстрациях


  4. Снять толкатель и поршень.
  5. Проверить зеркало главного цилиндра сцепления и поршень на наличие следов износа. При необходимости заменить поршень.
  6. Проверить чашку и поршень на износ. Наличие утечек свидетельствует об износе чашки и поршня. При необходимости заменить чашку и поршень.
  7. Проверить толкатель на износ. При необходимости провести ремонт толкателя.


V3B15C31
Показать иллюстрациюПеревод текста в иллюстрациях


Порядок сборки

  1. Смазать поршень и чашку жидкостью и вставить поршень с толкателем в корпус главного цилиндра.


  2. V3B15C30
    Показать иллюстрациюПеревод текста в иллюстрациях


  3. Установить стопорное кольцо поршня с помощью специального приспособления. Установить защитный кожух.
  4. Установить главный цилиндр сцепления в сборе на автомобиль. См. "Главный цилиндр сцепления в сборе" в этом разделе.


V3B15C32
Показать иллюстрациюПеревод текста в иллюстрациях


Цилиндр выключения сцепления

Порядок разборки

  1. Снять цилиндр выключения сцепления в сборе с автомобиля. См. "Цилиндр выключения сцепления в сборе" в этом разделе.
  2. Выкрутить болты и снять кронштейн.


  3. V3B15C33
    Показать иллюстрациюПеревод текста в иллюстрациях


  4. Снять защитный кожух и толкатель.


  5. V3B15C34
    Показать иллюстрациюПеревод текста в иллюстрациях


  6. Сжать поршень специальным приспособлением и снять стопорное кольцо специальным съемником.
  7. Снять поршень в сборе.


V3B15C34
Показать иллюстрациюПеревод текста в иллюстрациях


Порядок сборки

  1. Смазать поршень и чашку чистой тормозной жидкостью.
  2. Установить пружину на поршень и вставить узел в сборе в корпус цилиндра.
  3. Сжать поршень специальным приспособлением и установить стопорное кольцо специальным съемником.


  4. V3B15C33
    Показать иллюстрациюПеревод текста в иллюстрациях


  5. Установить толкатель и защитный кожух.


  6. V3B15C32
    Показать иллюстрациюПеревод текста в иллюстрациях


  7. Установить кронштейн и вкрутить болты.
  8. Установить цилиндр выключения сцепления в сборе. См. "Цилиндр выключения сцепления в сборе" в этом разделе.

ОБЩЕЕ ОПИСАНИЕ И РАБОТА СИСТЕМЫ

Ведущие детали

Ведущими элементами конструкции являются две плоские поверхности, механически обработанные и отшлифованные. Одна из них - это задняя поверхность маховика двигателя, а вторая - поверхность нажимного диска. Нажимной диск заключен в кожух сцепления, который крепится к маховику болтами.

Ведомые детали

Ведомым элементом конструкции является ведомый диск сцепления со шлицевой втулкой. Втулка свободно перемещается на шлицах первичного вала КПП, передавая на него крутящий момент.
Контакт между ведущими и ведомыми элементами сцепления обеспечивается усилием пружины. Источником этого усилия является нажимная пружина диафрагменного типа, установленная между нажимным диском и кожухом сцепления.

Рабочие элементы

Система привода сцепления состоит из педали сцепления, оси педали, вилки выключения сцепления и подшипника выключения. При нажатии на педаль сцепления вилка поворачивается вокруг оси и надавливает на подшипник выключения. Подшипник передает усилие на лепестки пружины нажимного диска, размыкая сцепление.


На предыдущую страницуНа следующую страницу
https://vnx.su/ 🛠 Руководства по ремонту и эксплуатации для автомобилей

Поиск по сайту

Остались вопросы или пожелания? Пишите на почту: support@vnx.su

Карта Сайта