К началу документа
Evanda
На предыдущую страницуНа следующую страницу
Главная страница GMDEЗагрузить нединамическое оглавлениеЗагрузить динамическое оглавлениеПомощь

РАЗДЕЛ 4D

ПЕРЕДНИЕ ДИСКОВЫЕ ТОРМОЗА

ТЕХНИЧЕСКИЕ ХАРАКТЕРИСТИКИ

Общие технические характеристики

Двигатели 2.0 / 2.5 с двумя распределительными валами, расположенными сверху
Применение
МИЛЛИМЕТРЫ
ДЮЙМЫ
Диски передних тормозов:
Минимально допустимая толщина
22.00 / 22.00
0.87 / 0.87
Боковое биение (в установленном состоянии)
0.06 / 0.06
0.002 / 0.002
Диаметр тормозного диска
256.00 / 278.0
10.08 / 10.94
Толщина тормозного диска (нового)
24.00 / 24.00
0.95 / 0.95
Допустимое отклонение толщины
0.03 / 0.03
0.001 / 0.001
Суппорт:
Минимальный диаметр поршня (передние тормоза)
57.00 / 57.00
2.24 / 2.24

Моменты затяжки резьбовых соединений

Применение
n•m
lb-ft
lb-in
Полый болт тормозного шланга суппорта
40
30
-
Болты крепления кронштейна суппорта
95
70
-
Болты крепления суппорта
27
19
-
Стопорный винт диска
4
-
35
Болты крепления щита тормозного механизма к поворотному кулаку
25
18
-

ДИАГНОСТИКА

Осмотр накладок

  1. Поднимите и зафиксируйте автомобиль.
  2. Снимите передние колеса. Следуйте разделу 2Е, Шины и колеса.
  3. Осмотрите накладки тормозных колодок и убедитесь, что они не изношены до минимальной толщины.
  4. Измерьте толщину накладок.

Важно: Минимальная допустимая толщина накладок внутренней и наружной колодок равна 8 мм (0,31 дюйма).

  1. Менять тормозные колодки следует комплектом, на обеих колесах оси.
  2. Менять тормозные колодки следует комплектом, на обеих колесах оси.
  3. Установите передние колеса. Следуйте разделу 2Е, Шины и колеса.
  4. Опустите автомобиль.

V3B34D15
Показать иллюстрациюПеревод текста в иллюстрациях


Осмотр тормозного диска

Тормозные диски изготавливают, выдерживая жесткие допуски на толщину, неплоскостность и осевое биение, но в процессе эксплуатации на дисках появляется язвенная коррозия и канавки. Недопустимые отклонения формы тормозных поверхностей диска могут привести к неэффективному торможению и пульсации педали при торможении. Важна также шероховатость поверхности диска, поскольку ее отклонение от требуемых значений может привести к уводу автомобиля в сторону при торможении и к быстрому износу накладок. Если диск не соответствует техническим требованиям, то его необходимо прошлифовать или заменить. Шлифовку диска следует выполнять только на прецизионном оборудовании.
Проверка толщины тормозного диска проводится замером не менее чем в четырех местах по окружности диска. Все замеры должны проводиться на одном расстоянии от края диска. Если полученные значения толщины диска отличаются друг от друга более чем на 1,0 мм (0,04 дюйма), то это может вызвать пульсацию педали тормоза и/или вибрацию передней части автомобиля при торможении. Толщину можно измерить обычным микрометром и она не должна быть менее 22 мм (0,86 дюйма).

V3B34D03
Показать иллюстрациюПеревод текста в иллюстрациях


Допускаются слабые задиры на поверхности диска, глубина которых не превышает 0,40 мм (0,016 мм). Глубину задиров можно измерить с помощью обычного микрометра для тормозов.
Максимально допустимое осевое биение составляет 0,06 мм (0,002 дюйма). Если биение выше указанного, убедитесь в отсутствии грязи между диском и ступицей, а также задиров или царапин на их контактирующих поверхностях. Проверку осевого биения диска проводят при помощи обычного индикатора указанным ниже способом.
  1. Установить рычаг переключения передач в нейтральное положение (neutral) и поднять автомобиль.
  2. Чтобы сохранить балансировку колеса, нужно отметить положение колеса и ступицы относительно друг друга. Снять переднее колесо.
  3. Закрепить тормозной диск на ступице колеса.
  4. Установить циферблатный индикатор на суппорт.
  5. Установить щуп индикатора на расстоянии около 10 мм (0,39 дюйма) от внешнего края диска под прямым углом к его поверхности и с небольшим поджатием. Вращая диск, наблюдайте за показаниями индикатора.
  6. После завершения измерений снять индикатор и колесные гайки.
  7. Если потребуется, прошлифовать диск на прецизионном оборудовании. После шлифовки необходимо снова измерить биение. Если биение после шлифовки превышает 0,06 мм (0,002 дюйма), то диск следует заменить.
  8. Совместить метки, которые были сделаны перед снятием колеса и установить переднее колесо.
  9. Опустите автомобиль.

V3B34D04
Показать иллюстрациюПеревод текста в иллюстрациях


ТЕХНИЧЕСКОЕ ОБСЛУЖИВАНИЕ И РЕМОНТ

ОБСЛУЖИВАНИЕ АВТОМОБИЛЯ



V3B34D06
Показать иллюстрациюПеревод текста в иллюстрациях


Колодки и накладки

Процедура снятия

  1. Поднимите и зафиксируйте автомобиль. См. Часть 0В. Общие сведения.
  2. Чтобы сохранить балансировку колеса, нужно отметить положение переднего колеса и ступицы относительно друг друга.
  3. Снимите переднее колесо. Следуйте разделу 2Е, Шины и колеса.
  4. Снять нижний болт крепления суппорта.
  5. Важно: Для обслуживания тормозных колодок суппорт снимать не требуется.



    V3B34D07
    Показать иллюстрациюПеревод текста в иллюстрациях


  6. Повернуть суппорт вверх.
  7. Снять тормозные колодки.


V3B34D07
Показать иллюстрациюПеревод текста в иллюстрациях


Процедура установки

  1. Установить тормозные колодки.


  2. V3B34D06
    Показать иллюстрациюПеревод текста в иллюстрациях


  3. Если устанавливаются новые тормозные колодки, то они должны быть толще снятых изношенных. Сдвинуть поршень суппорта внутрь, если это потребуется.
  4. Повернуть суппорт вниз и установить нижний крепежный болт.
  5. Важно: Не повредите внешнее уплотнение поршня, когда будете поворачивать суппорт вниз для установки нижнего болта.

    Затянуть
    Затянуть болт крепления суппорта моментом 27 Н•м (19 фунто-футов).
    Затянуть вилку толкателя моментом 18 Н•м (13 фунто-футов).

  6. Совместить метки, которые были сделаны при снятии переднего колеса и установить колесо. Следуйте разделу 2Е, Шины и колеса.
  7. Повернуть суппорт вниз и установить нижний крепежный болт.


V3B34D08
Показать иллюстрациюПеревод текста в иллюстрациях


Суппорт

Процедура снятия

  1. Поднимите и зафиксируйте автомобиль. См. Часть 0В. Общие сведения.
  2. Чтобы сохранить балансировку колеса, нужно отметить положение переднего колеса и ступицы относительно друг друга. Снимите колесо. Следуйте разделу 2Е, Шины и колеса.
  3. Снять полый болт тормозного шланга суппорта. Снять уплотнительные кольца.


  4. V3B34D09
    Показать иллюстрациюПеревод текста в иллюстрациях


  5. Чтобы исключить вытекание и загрязнение тормозной жидкости, необходимо закупорить отверстия в суппорте и тормозном шланге.
  6. Снять болты крепления суппорта.
  7. Снять суппорт.


V3B34D09
Показать иллюстрациюПеревод текста в иллюстрациях


Процедура установки

  1. Установить суппорт.
  2. Установить крепежные болты суппорта.
  3. Затянуть
    Затянуть болты крепления суппорта моментом 27 Н•м (19 фунто-футов).



    V3B34D08
    Показать иллюстрациюПеревод текста в иллюстрациях


  4. Присоединить тормозной шланг к суппорту с помощью полого болта и уплотнительных колец.
  5. Затянуть
    Затянуть полый болт тормозного шланга суппорта моментом 40 Н•м (30 фунто-футов).



    V3B34A03
    Показать иллюстрациюПеревод текста в иллюстрациях


  6. Совместить метки, которые были сделаны при снятии переднего колеса и установить колесо. Следуйте разделу 2Е, Шины и колеса.
  7. Опустите автомобиль.
  8. Заполнить бачок главного цилиндра чистой тормозной жидкостью до нужного уровня.
  9. Удалить воздух из тормозной системы. См. Часть 4F. Антиблокировочная тормозная система.


V3B34D09
Показать иллюстрациюПеревод текста в иллюстрациях


Тормозной диск

Процедура снятия

  1. Снять суппорт. См. процедуру "Суппорт" в этом разделе.
  2. Снять тормозные колодки.
  3. Снять крепежный кронштейн суппорта.


  4. V3B34D11
    Показать иллюстрациюПеревод текста в иллюстрациях


  5. Извлечь стопорный винт диска.
  6. Снимите тормозной диск.


V3B34D11
Показать иллюстрациюПеревод текста в иллюстрациях


Процедура установки

    Важно: Для обеспечения равенства тормозных сил всегда выполняйте шлифовку обоих дисков, даже если дефекты имеются только на одном.

  1. Установить диск на ступицу переднего колеса и установить стопорный винт.
  2. Затянуть
    Затянуть стопорный винт диска моментом 4 Н•м (35 фунто-дюймов).



    V3B34D09
    Показать иллюстрациюПеревод текста в иллюстрациях


  3. Нанести на крепежные болты кронштейна суппорта несколько капель состава для стопорения резьбовых соединений и установить кронштейн.
  4. Затянуть
    Затянуть болт крепления кронштейна суппорта моментом 95 Н•м (70 фунто-футов).

  5. Установить тормозные колодки и суппорт. См. процедуру "Суппорт" в этом разделе.


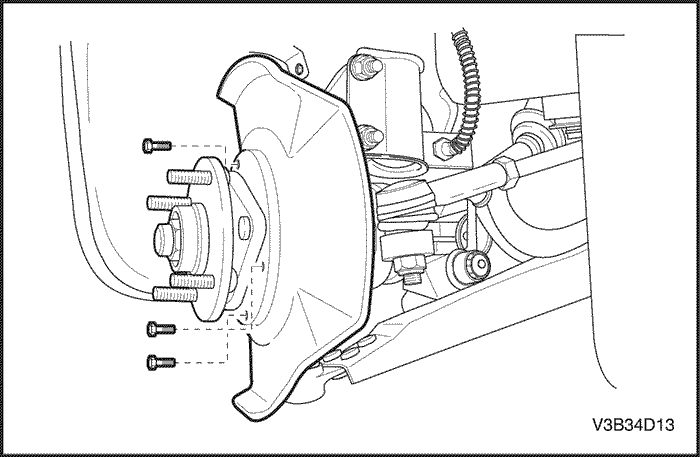
V3B34D13
Показать иллюстрациюПеревод текста в иллюстрациях


Грязезащитный щит

Процедура снятия

  1. Снимите тормозной диск. См. "Тормозной диск" в этом разделе.
  2. Снять с поворотного кулака болты и пружинные шайбы крепления щита тормозного механизма.
  3. Снимите щит тормозного механизма.


V3B34D13
Показать иллюстрациюПеревод текста в иллюстрациях


Процедура установки

  1. Установите щит тормозного механизма.
  2. Закрепить щит тормозного механизма на поворотном кулаке с помощью болтов и пружинных шайб.
  3. Затянуть
    Затянуть болты крепления грязезащитного щита к поворотному кулаку моментом 25 Н•м (18 фунто-футов).

  4. Установите тормозной диск. См. "Тормозной диск" в этом разделе.

РЕМОНТ АГРЕГАТА



V3B34D17
Показать иллюстрациюПеревод текста в иллюстрациях


Капитальный ремонт суппорта тормоза

Процедура разборки

  1. Снять суппорт. См. процедуру "Суппорт" в этом разделе.
  2. Внимание! Не пытайтесь поймать поршень, когда будете извлекать его, выталкивая сжатым воздухом. Под действием сжатого воздуха поршень вылетает с большой скоростью и может травмировать пальцы руки.

    Примечание: Чтобы избежать повреждения поршня при его извлечении с помощью сжатого воздуха, следует установить в суппорт деревянный брусок.

  3. Подать не содержащий масло сжатый воздух в отверстие суппорта, предназначенное для тормозного шланга.


  4. V3B34D15
    Показать иллюстрациюПеревод текста в иллюстрациях


  5. Извлечь поршень из полости и снять внешнее уплотнение поршня.


  6. V3B34D16
    Показать иллюстрациюПеревод текста в иллюстрациях


  7. Извлечь из полости внутреннее уплотнение. Будьте осторожны, чтобы не поцарапать поверхность полости.
  8. Снять колпачок штуцера прокачки и штуцер.


V3B34D16
Показать иллюстрациюПеревод текста в иллюстрациях


Процедура сборки

    Важно: Не следует зачищать поршень и цилиндр абразивными материалами или каким-либо еще способом.

  1. Очистите все детали денатурированным спиртом или тормозной жидкостью. Высушите элементы тормозного механизма сжатым воздухом, не содержащим масла, и продуйте все каналы в корпусе суппорта и в штуцере.
  2. Проверить, нет ли на поршне и суппорте задиров, царапин или коррозии. Заменить все детали, на которых будут обнаружены указанные дефекты.
  3. Установить штуцер прокачки.
  4. Смазать тормозной жидкостью новое внутреннее уплотнение поршня.
  5. Установить внутреннее уплотнение поршня в канавку в полости суппорта.


  6. V3B34D15
    Показать иллюстрациюПеревод текста в иллюстрациях


  7. Установить внешнее уплотнение поршня в предназначенную для него канавку.
  8. Смажьте поршень тормозной жидкостью.
  9. Втолкнуть поршень внутрь так, чтобы он занял предусмотренное для него положение. Обеспечить размещение наружного уплотнения в предусмотренной для него канавке в поршне и суппорте.
  10. Установить суппорт на место. См. процедуру "Суппорт" в этом разделе.
  11. Прокачайте тормозную систему. См. Часть 4F. Антиблокировочная тормозная система.

ОБЩЕЕ ОПИСАНИЕ И РАБОТА СИСТЕМЫ

Суппорт дискового тормоза

Суппорт имеет один цилиндр и крепится к поворотному кулаку двумя болтами. Давление в системе гидравлического привода, возникающее при нажатии педали тормоза, передается на тормозные колодки. На поршень и днище цилиндра воздействуют равные силы. При этом поршень перемещается наружу, а суппорт вовнутрь, заставляя колодки сжимать тормозной диск. Трение тормозных накладок о диск приводит к торможению автомобиля.
Важно:



На предыдущую страницуНа следующую страницу
https://vnx.su/ 🛠 Руководства по ремонту и эксплуатации для автомобилей

Поиск по сайту

Остались вопросы или пожелания? Пишите на почту: support@vnx.su

Карта Сайта