К началу документа
Evanda
На предыдущую страницуНа следующую страницу
Главная страница GMDEЗагрузить нединамическое оглавлениеЗагрузить динамическое оглавлениеПомощь

ТЕХНИЧЕСКОЕ ОБСЛУЖИВАНИЕ И РЕМОНТ

ОБСЛУЖИВАНИЕ АВТОМОБИЛЯ

Сбрасывание давления в системе подачи топлива

Процедура

    Внимание! Топливная система находится под давлением. Перед отсоединением топливопроводов во избежание пролива топлива и ожогов следует сбросить давление в системе подачи топлива.

  1. Снять топливную крышку.
  2. Снять предохранитель топливного насоса с блока предохранителей двигателя.
  3. Запустить двигатель и заглушить его.
  4. Провернуть коленчатый вал двигателя еще в течение 10 секунд.


V3B11F61
Показать иллюстрациюПеревод текста в иллюстрациях


Топливный бак

Процедура снятия

    Внимание! Топливная система находится под давлением. Перед отсоединением топливопроводов во избежание пролива топлива и ожогов следует сбросить давление в системе подачи топлива.

  1. Сбросить давление в топливной системе. См. "Сбрасывание давления в системе подачи топлива" в этом разделе.
  2. Отсоедините отрицательный кабель аккумулятора.
  3. Слить топливо из бака.
  4. Снять передний глушитель. См. раздел 1G, "Система выпуска отработавших газов"
  5. Снять гайки с щитком топливного бака.


  6. V3B11F62
    Показать иллюстрациюПеревод текста в иллюстрациях


  7. Снять хомут наливного патрубка с топливного бака.
  8. Отсоединить наливной патрубок топливного бака.
  9. Отсоединить трубопровод для паров топлива рядом с наливным патрубком топливного бака.
  10. Отсоединить разъем жгута проводов топливного насоса.


  11. V3B11F63
    Показать иллюстрациюПеревод текста в иллюстрациях


  12. Отсоединить подающий и обратный трубопроводы впереди справа от топливного бака.


  13. V3B11F64
    Показать иллюстрациюПеревод текста в иллюстрациях


  14. Подпереть топливный бак.
  15. Снять крепежные винты хомутов топливного бака.
  16. Снять хомут топливного бака.
  17. Осторожно опустить топливный бак.
  18. Снять топливный бак.
  19. Убрать детали при необходимости.


V3B11F65
Показать иллюстрациюПеревод текста в иллюстрациях


Процедура установки

  1. Поднять топливный бак до нужного положения.
  2. Установить хомуты топливного бака.
  3. Установить крепежные винты хомутов топливного бака.
  4. Затянуть
    Затянуть крепежные винты хомутов топливного бака до 20 Н•м (15 lb-ft).



    V3B11F63
    Показать иллюстрациюПеревод текста в иллюстрациях


  5. Присоединить подающий и обратный топливопроводы.


  6. V3B11F62
    Показать иллюстрациюПеревод текста в иллюстрациях


  7. Присоединить разъем жгута проводов топливного насоса.
  8. Присоединить трубопровод для паров топлива.
  9. Присоединить наливной патрубок топливного бака.
  10. Присоединить вентиляционный патрубок топливного бака.
  11. Установить хомут наливного патрубка на топливный бак.


  12. V3B11F61
    Показать иллюстрациюПеревод текста в иллюстрациях


  13. Установить гайки с щитком топливного бака.
  14. Установить передний глушитель. См. раздел 1G, "Система выпуска отработавших газов"
  15. Присоедините отрицательный кабель аккумулятора.
  16. Заправить топливный бак.
  17. Проверить утечки на соединениях топливного бака и топливопроводов.


V3B11F66
Показать иллюстрациюПеревод текста в иллюстрациях


Топливный насос

Процедура снятия

    Внимание! Топливная система находится под давлением. Перед отсоединением топливопроводов во избежание пролива топлива и ожогов следует сбросить давление в системе подачи топлива.

  1. Сбросить давление в системе подачи топлива.
    1. Снять топливную крышку.
    2. Снять предохранитель топливного насоса с блока предохранителей двигателя.
    3. Запустить двигатель и заглушить его.
    4. Провернуть коленчатый вал двигателя еще в течение 10 секунд.
  2. Отсоедините отрицательный кабель аккумулятора.
  3. Снять заднее сиденье. См. раздел 9Н, "Сиденья".
  4. Снять технологическую крышку топливного насоса.


  5. V3B11F67
    Показать иллюстрациюПеревод текста в иллюстрациях


  6. Отсоединить электрический разъем с топливного насоса.
  7. Отсоединить подающий топливопровод.
  8. Отсоединить обратный топливопровод.
  9. Повернуть замковое кольцо против часовой стрелки, освободив петли топливного бака.
  10. Снять узел топливного насоса с бака.


V3B11F68
Показать иллюстрациюПеревод текста в иллюстрациях


Процедура установки

  1. Почистить сопряженные поверхности прокладки на топливном баке.
  2. Установить на место новую прокладку.
  3. Установить топливный насос в топливный бак на то же место для облегчения установки топливопровода и разъема.
  4. Установить замковое кольцо и повернуть его по часовой стрелке до упора в баке.
  5. Присоединить разъем топливного насоса.
  6. Установить подающий топливопровод топливного насоса.
  7. Установить обратный топливопровод топливного насоса.
  8. Установить технологическую крышку топливного насоса.
  9. Присоедините отрицательный кабель аккумулятора.
  10. Проверить работоспособность топливного насоса.
  11. Установить заднее сиденье. См. раздел 9Н, "Сиденья".


T3B11F2D
Показать иллюстрациюПеревод текста в иллюстрациях


Датчик уровня топлива

Процедура снятия

  1. Отсоединить разъем изолятора.


  2. T3B11F2E
    Показать иллюстрациюПеревод текста в иллюстрациях


  3. Вставить клин клеммы (1) в разъем изолятора.
  4. Примечание: Клин может быть отсоединен с усилием, но не может быть повторно подсоединен.



    T3B11F2F
    Показать иллюстрациюПеревод текста в иллюстрациях


  5. Вытолкнуть клин (1) наружу и вытянуть провода, отсоединив их от изолятора.


  6. T3B11F2G
    Показать иллюстрациюПеревод текста в иллюстрациях


  7. Снять датчик уровня топлива (1) с корпуса датчика (2).
  8. Снять корпус датчика (2).


  9. T3B11F2H
    Показать иллюстрациюПеревод текста в иллюстрациях


  10. Снять узел датчика уровня топлива (3).


T3B11F2A
Показать иллюстрациюПеревод текста в иллюстрациях


Процедура установки

  1. Загнуть провода (1) датчика (2).


  2. T3B11F2B
    Показать иллюстрациюПеревод текста в иллюстрациях


  3. Установить датчик на топливный насос (1).
  4. Примечание: Без правильной установки датчика указатель уровня топлива будет работать неточно.

  5. Установить датчик уровня топлива на корпус датчика.
  6. Примечание: Без правильной установки датчика уровня топлива, контрольная лампа уровня топлива будет реагировать неточно.



    T3B11F0T
    Показать иллюстрациюПеревод текста в иллюстрациях


  7. Присоединить провод к разъему изолятора.


  8. T3B11F2C
    Показать иллюстрациюПеревод текста в иллюстрациях


  9. Присоединить разъем изолятора.


V3B11F69
Показать иллюстрациюПеревод текста в иллюстрациях


Топливный фильтр

Процедура снятия

    Внимание! Топливная система находится под давлением. Перед отсоединением топливопроводов во избежание пролива топлива и ожогов следует сбросить давление в системе подачи топлива.

  1. Сбросить давление в системе подачи топлива. См. "Сбрасывание давления в системе подачи топлива" в этом разделе.
  2. Отсоедините отрицательный кабель аккумулятора.
  3. Снять болт крепежного кронштейна топливного фильтра.
  4. Снять крышку топливного фильтра.
  5. Отсоединить входные/выходные топливопроводы, сдвинув замок разъема вперед и сняв шланг с патрубка топливного фильтра.


V3B11F70
Показать иллюстрациюПеревод текста в иллюстрациях


Процедура установки

  1. Установить новый топливный фильтр в зажимную скобу. Обратить внимание на направление потока.
  2. Установить топливный фильтр.
  3. Присоединить входные/выходные топливопроводы. Закрепить топливопроводы замком разъема.


  4. V3B11F69
    Показать иллюстрациюПеревод текста в иллюстрациях


  5. Установить крышку топливного фильтра.
  6. Установить болт крепежного кронштейна топливного фильтра вместе с проводом массы.
  7. Затянуть
    Затянуть болт крепежного кронштейна топливного фильтра до 10 Н•м (89 фунто-футов).

  8. Присоедините отрицательный кабель аккумулятора.
  9. Проверить топливный фильтр на утечки.


V3B11F71
Показать иллюстрациюПеревод текста в иллюстрациях


Топливная рампа и форсунки

Процедура снятия

    Внимание! Топливная система находится под давлением. Перед отсоединением топливопроводов во избежание пролива топлива и ожогов следует сбросить давление в системе подачи топлива.

  1. Сбросить давление в системе подачи топлива. См. "Сбрасывание давления в системе подачи топлива" в этом разделе.
  2. Отсоедините отрицательный кабель аккумулятора.
  3. Отсоедините разъем датчика температуры воздуха на впуске (iat).
  4. Отсоединить сапун от крышки головки цилиндров.


  5. V3B11F72
    Показать иллюстрациюПеревод текста в иллюстрациях


  6. Отсоединить шланг положительной вентиляции картера (система вентиляции картера) с крышки головки цилиндров.
  7. Отсоединить тросы дроссельной заслонки от корпуса дроссельной заслонки и кронштейна.
  8. Снять регулятор давления топлива. См. "Регулятор давления топлива" в данном разделе.
  9. Отсоедините возвратный топливопровод от топливной рампы.
  10. Отсоединить впускной топливопровод от топливной рампы.
  11. Снять крепежные болты топливной рампы.


  12. V3B11F73
    Показать иллюстрациюПеревод текста в иллюстрациях


    Примечание: Перед снятием топливную рампу можно почистить аэрозольным чистящим средством согласно инструкции по применению. Не погружать топливные рампы в растворитель. Топливную рампу снимать осторожно, не допуская повреждения электрических разъемов и наконечников форсунок. Не допускать попадания грязи и других загрязнений в открытые трубопроводы и каналы. Во время обслуживания фитинги должны быть закрыты крышками, а отверстия заглушками.

    Важно: Если форсунка отделяется от рампы и остается в головке цилиндра, заменить уплотнительное кольцо и зажимной хомут.

  13. Снять топливную рампу с крышкой отсека топливных форсунок и прикрепленными форсунками.
  14. Отсоединить разъемы крышки отсека топливных форсунок.


  15. V3B11F74
    Показать иллюстрациюПеревод текста в иллюстрациях


  16. Снять крепежные хомуты топливных форсунок.
  17. Снять топливные форсунки, потянув их вниз и наружу.
  18. Снять уплотнительные кольца топливных форсунок.


V3B11F75
Показать иллюстрациюПеревод текста в иллюстрациях


Процедура установки

    Важно: Разные форсунки откалиброваны на разный расход топлива. При заказе новой топливной форсунки заказывать только идентичный узел по номеру на старой форсунке.

  1. Смазать уплотнительное кольцо топливной форсунки моторным маслом. Установить уплотнительные кольца на топливные форсунки.
  2. Установить топливные форсунки в гнезда топливной рампы с клеммами топливных форсунок, обращенными наружу.
  3. Установить крепежные хомуты топливных форсунок на топливную форсунку и на край топливной рампы.
  4. Убедиться, что хомуты расположены параллельно разъему жгута проводов топливной форсунки.


  5. V3B11F73
    Показать иллюстрациюПеревод текста в иллюстрациях


  6. Установить топливную рампу на головку цилиндров.
  7. Установите стопорные винты топливной рампы.
  8. Затянуть
    Затяните стопорные винты топливной рампы до 25 Н•м (18 фунто-футов).

  9. Присоединить впускной топливопровод к топливной рампе.
  10. Присоедините возвратный топливопровод к топливной рампе.
  11. Установить регулятор давления топлива. См. "Регулятор давления топлива" в данном разделе.
  12. Присоединить крышку отсека топливных форсунок и разъемы. Повернуть каждую топливную форсунку при необходимости.


  13. V3B11F71
    Показать иллюстрациюПеревод текста в иллюстрациях


  14. Присоединить ПВХ-шланг к крышке головки цилиндров.
  15. Присоединить сапун к крышке головки цилиндров.
  16. Присоедините разъём датчика iat.
  17. Присоедините отрицательный кабель аккумулятора.
  18. Проверить топливную рампу и топливные форсунки на утечку.


V3B11F76
Показать иллюстрациюПеревод текста в иллюстрациях


Регулятор давления топлива

Процедура снятия

    Внимание! Топливная система находится под давлением. Перед отсоединением топливопроводов во избежание пролива топлива и ожогов следует сбросить давление в системе подачи топлива.

  1. Сбросить давление в топливной системе. См. "Сбрасывание давления в системе подачи топлива" в этом разделе.
  2. Отсоедините отрицательный кабель аккумулятора.
  3. Отсоедините разъем датчика температуры воздуха на впуске (iat).
  4. Отсоединить сапун от крышки головки цилиндров.
  5. Снимите трубку впуска воздуха.
  6. Отсоединить вакуумный шланг от регулятора давления топлива.


  7. V3B11F77
    Показать иллюстрациюПеревод текста в иллюстрациях


  8. Снять стопорный зажим регулятора давления топлива.
  9. Снять регулятор давления топлива, повернув его взад-вперед и затем вытянув наружу.
  10. Снять уплотнительное кольцо.


V3B11F77
Показать иллюстрациюПеревод текста в иллюстрациях


Процедура установки

  1. Смазать уплотнительное кольцо. Установить уплотнительное кольцо на корпус регулятора давления топлива.
  2. Вставить регулятор давления топлива в корпус топливной рампы.
  3. Установить стопорный зажим регулятора давления топлива.
  4. Затянуть
    Затянуть стопорный зажим регулятора давления топлива до 12 Н•м (106 фунто-дюймов).



    V3B11F76
    Показать иллюстрациюПеревод текста в иллюстрациях


  5. Присоединить вакуумный шланг к регулятору давления топлива.
  6. Установите трубку впуска воздуха.
  7. Присоединить сапун к крышке головки цилиндров.
  8. Присоедините разъём датчика iat.
  9. Присоедините отрицательный кабель аккумулятора.
  10. Проверить герметичность регулятора давления топлива, заглушив двигатель и установив зажигание в положение "включено".


V3B11F78
Показать иллюстрациюПеревод текста в иллюстрациях


Датчик температуры охлаждающей жидкости

Процедура снятия

  1. Сбросить давление в системе охлаждающей жидкости.
  2. Отсоедините отрицательный кабель аккумулятора.
  3. Отсоедините разъем датчика температуры охлаждающей жидкости двигателя (ЕСТ).
  4. Примечание: С датчиком температуры охлаждающей жидкости обращаться осторожно. Поврежденный датчик повлияет на работоспособность системы впрыска топлив.

  5. Снять датчик температуры охлаждающей жидкости двигателя с крепежного переходника клапана рециркуляции отработавших газов.


V3B11F79
Показать иллюстрациюПеревод текста в иллюстрациях


Процедура установки

  1. Смазать резьбу датчика ect герметиком.
  2. Установить датчик температуры охлаждающей жидкости двигателя в крепежном переходнике клапана рециркуляции отработавших газов.
  3. Затянуть
    Затянуть датчик температуры охлаждающей жидкости до 20 Н•м (15 фунто-футов).

  4. Присоедините разъем датчика ЕСТ.
  5. Заправить систему охлаждения двигателя.
  6. Присоедините отрицательный кабель аккумулятора.


V3B11F80
Показать иллюстрациюПеревод текста в иллюстрациях


Датчик положения дроссельной заслонки

Процедура снятия

  1. Отсоедините отрицательный кабель аккумулятора.
  2. Снять патрубок впуска воздуха и резонатор.
  3. Отсоедините разъём датчика угла открытия дроссельной заслонки (tp).
  4. Снять крепежные болты и датчик положения дроссельной заслонки.


V3B11F81
Показать иллюстрациюПеревод текста в иллюстрациях


Процедура установки

  1. Установить датчик положения дроссельной заслонки на валу при закрытой дроссельной заслонке. Совместить датчик положения дроссельной заслонки с отверстиями под болты.
  2. Установить крепежные болты датчика положения дроссельной заслонки.
  3. Затянуть
    Затянуть крепежные болты датчика положения дроссельной заслонки до 2 Н•м (18 lb-in).

  4. Присоедините разъём датчика угла открытия дроссельной заслонки (tp).
  5. Установить патрубок впуска воздуха и резонатор.
  6. Присоедините отрицательный кабель аккумулятора.


V3B11F71
Показать иллюстрациюПеревод текста в иллюстрациях


Корпус дроссельной заслонки

Процедура снятия

  1. Отсоедините отрицательный кабель аккумулятора.
  2. Отсоедините разъем датчика температуры воздуха на впуске (iat).
  3. Отсоединить сапун от крышки головки цилиндров.
  4. Снимите трубку впуска воздуха.


  5. V3B11F82
    Показать иллюстрациюПеревод текста в иллюстрациях


  6. Отсоединить тросы дроссельной заслонки, открыв дроссельную заслонку и пропустив трос через размыкающий паз.
  7. Отсоединить вакуумные шланги от корпуса дроссельной заслонки.
  8. Отсоединить разъемы датчика положения дроссельной заслонки и клапана регулятора холостого хода.
  9. Отсоединить шланги подачи охлаждающей жидкости от корпуса дроссельной заслонки.
  10. Снять крепежные гайки корпуса дроссельной заслонки.


  11. V3B11F83
    Показать иллюстрациюПеревод текста в иллюстрациях


    Примечание: Закрыть отверстие впускного коллектора после снятия корпуса дроссельной заслонки. Это предотвратит попадание предметов или мусора в двигатель, что может вызвать его повреждение.

  12. Снять корпус дроссельной заслонки и прокладку.
  13. Снять датчик положения дроссельной заслонки. См. "Датчик положения дроссельной заслонки" в этом разделе.
  14. Снять клапан регулирования подачи воздуха на холостом ходу. См. "Клапан регулятора холостого хода" в этом разделе.


V3B11F82
Показать иллюстрациюПеревод текста в иллюстрациях


Процедура установки

    Примечание: Осторожно счистить старый уплотнительный материал с обработанных алюминиевых поверхностей. Острый инструмент может повредить уплотнительные поверхности.

  1. Почистить сопряженные поверхности прокладки на впускном коллекторе.
  2. Примечание: Корпус дроссельной заслонки после демонтажа можно почистить в погружном очистителе. Датчик положения дроссельной заслонки и клапан регулятора холостого хода не должны вступать в контакт с любым растворителем или очистителем, так как могут быть ими приведены в негодность.

  3. Очистить корпус дроссельной заслонки.
  4. Установить датчик положения дроссельной заслонки. См. "Датчик положения дроссельной заслонки" в этом разделе.
  5. Установить клапан регулятора холостого хода. См. "Клапан регулятора холостого хода" в этом разделе.
  6. Установить корпус дроссельной заслонки с новой прокладкой на впускной коллектор.
  7. Установить крепежные гайки корпуса дроссельной заслонки.
  8. Затянуть
    Затянуть крепежные гайки корпуса дроссельной заслонки до 10 Н•м (89 lb-in).



    V3B11F71
    Показать иллюстрациюПеревод текста в иллюстрациях


  9. Присоединить разъем датчика положения дроссельной заслонки и разъем клапана регулятора холостого хода.
  10. Присоедините шланги охлаждающей жидкости к корпусу дроссельной заслонки.
  11. Присоединить вакуумные шланги на корпус дроссельной заслонки.
  12. Важно: Убедиться, что тросы дроссельной заслонки / круиз-контроля не удерживают дроссельную заслонку открытой. При остановленном двигателе убедиться в том, что педаль акселератора свободна.

  13. Присоединить тросы дроссельной заслонки.
  14. Установите трубку впуска воздуха.
  15. Присоединить сапун к крышке головки цилиндров.
  16. Присоедините разъём датчика iat.
  17. Присоедините отрицательный кабель аккумулятора.
  18. Заправить систему охлаждения.


V3B11F84
Показать иллюстрациюПеревод текста в иллюстрациях


Управляющий датчик кислорода (ho2s1)

Процедура снятия

  1. Отсоедините отрицательный кабель аккумулятора.
  2. Примечание: Датчик кислорода (O2S) имеет неразъемный гибкий вывод и разъем. Этот гибкий вывод не снимать с датчика О2S. Повреждение или снятие гибкого вывода или разъема может повлиять на работу датчика О2S. С датчиком О2S обращаться осторожно. Не ронять датчик О2S.

  3. Отсоединить разъем ho2s1.
  4. Примечание: Датчик кислорода трудно снимается при температуре двигателя ниже 118°С (48°F). Чрезмерные усилия могут повредить резьбу в выпускном коллекторе.

  5. Осторожно снять датчик ho2s1 с выпускного коллектора.


V3B11F85
Показать иллюстрациюПеревод текста в иллюстрациях


Процедура установки

    Важно: Для резьбы датчика кислорода используется специальный противозадирный состав. Этот состав состоит из жидкого графита и стеклянных шариков. Графит выгорает, а стеклянные шарики остаются и облегчают снятие датчика. Новые или отремонтированные датчики уже имеют состав, нанесенный на резьбу. Если датчик снимается с двигателя или переустанавливается, то на резьбу обязательно нанести противозадирный состав перед повторной установкой.

  1. Покрыть резьбу датчика ho2s1 противозадирным составом при необходимости.
  2. Установить датчик ho2s1 на выпускной коллектор.
  3. Затянуть
    Затянуть датчик кислорода до 44 Н•м (33 фунто-фута).

  4. Присоединить разъем ho2s1.
  5. Присоедините отрицательный кабель аккумулятора.


V3B11F86
Показать иллюстрациюПеревод текста в иллюстрациях


Диагностический датчик кислорода (ho2s2)

Процедура снятия

  1. Отсоедините отрицательный кабель аккумулятора.
  2. Отсоедините электрический разъем.


  3. V3B11F87
    Показать иллюстрациюПеревод текста в иллюстрациях


  4. Снимите датчик кислорода.


V3B11F87
Показать иллюстрациюПеревод текста в иллюстрациях


Процедура установки

  1. Установить датчик кислорода.
  2. Затянуть
    Затянуть датчик кислорода до 44 Н•м (33 фунто-фута).



    V3B11F86
    Показать иллюстрациюПеревод текста в иллюстрациях


  3. Соедините электрический разъем.
  4. Присоедините отрицательный кабель аккумулятора.


V3B11F88
Показать иллюстрациюПеревод текста в иллюстрациях


Датчик температуры впускного воздуха

Процедура снятия

  1. Отсоедините отрицательный кабель аккумулятора.
  2. Отсоедините разъем датчика температуры воздуха на впуске (iat).
  3. Снять датчик температуры впускного воздуха, вынув его из патрубка впуска воздуха.

Процедура установки

  1. Установить датчик температуры впускного воздуха на патрубок впуска воздуха.
  2. Присоединить разъем датчика температуры впускного воздуха.
  3. Присоедините отрицательный кабель аккумулятора.


V3B11F89
Показать иллюстрациюПеревод текста в иллюстрациях


Клапан регулятора холостого хода

Процедура снятия

  1. Отсоедините отрицательный кабель аккумулятора.
  2. Снять впускной резонатор.
  3. Отсоедините разъем клапана регулирования подачи воздуха на холостом ходу (iac).
  4. Снять крепежные болты клапана регулятора холостого хода.
  5. Примечание: Не нажимать на иглу клапана регулятора холостого хода, прошедшего ремонт. Усилия, необходимые для перемещения иглы, могут повредить резьбу на изношенном приводе.

  6. Снять клапан регулятора холостого хода.
  7. Примечание: Не использовать метил, этил или кетон, так как они могут повредить детали.

  8. Почистить место вокруг уплотнительного кольца клапана регулировки холостого хода, седло клапана, воздушный канал подходящим очистителем топливной системы.


V3B11F89
Показать иллюстрациюПеревод текста в иллюстрациях


Процедура установки

    Важно: При установке нового клапана регулятора холостого хода, заменить его идентичным узлом. Форма иглы клапана регулировки холостого хода выполнена с учетом специального применения. Измерить расстояние между насадкой клапана регулировки холостого хода и крепежным фланцем. Если расстояние больше 1.1 inches (28 мм), надавить пальцем на иглу, чтобы немного убрать ее. Усилие, необходимое для убирания иглы, не повредит клапан регулятора холостого хода. Регулировка 1.1–inch (28 мм) нужна для того, чтобы не допустить касания седла иглой клапана регулировки холостого хода. Эта регулировка 1.1–inch (28 мм) является адекватной настройкой регулируемого холостого хода при повторном запуске.

  1. Смазать новое уплотнительное кольцо моторным маслом. Установить новое уплотнительное кольцо в клапан.
  2. Установить клапан регулятора холостого хода в корпус дроссельной заслонки.
  3. Установить крепежные болты клапана регулятора холостого хода.
  4. Затянуть
    Затянуть крепежные болты клапана регулятора холостого хода до 3 Н•м (27 lb-in).

  5. Присоедините разъем клапана iac.
  6. Установить впускной резонатор.
  7. Присоедините отрицательный кабель аккумулятора.
  8. Запустить двигатель и проверить частоту вращения на холостом ходу.


V3B11F90
Показать иллюстрациюПеревод текста в иллюстрациях


Датчик абсолютного давления в коллекторе

Процедура снятия

  1. Отсоедините отрицательный кабель аккумулятора.
  2. Отсоединить топливную рампу. См. "Топливная рампа и форсунки" в этом разделе.
  3. Отсоединить разъем датчика абсолютного давления в коллекторе от датчика абсолютного давления в коллекторе.
  4. Снять крепежный болт датчика абсолютного давления в коллекторе.
  5. Снять датчик абсолютного давления в коллекторе с впускного коллектора.


V3B11F90
Показать иллюстрациюПеревод текста в иллюстрациях


Процедура установки

  1. Присоединить разъем датчика абсолютного давления в коллекторе к датчику абсолютного давления в коллекторе.
  2. Установить датчик абсолютного давления в коллекторе на выпускной коллектор.
  3. Установить крепежный болт датчика абсолютного давления в коллекторе.
  4. Затянуть
    Затянуть крепежный болт датчика абсолютного давления в коллекторе до 4 Н•м (35 lb-in).

  5. Присоединить топливную рампу. См. "Топливная рампа и форсунки" в этом разделе.
  6. Присоедините отрицательный кабель аккумулятора.


V6B11F51
Показать иллюстрациюПеревод текста в иллюстрациях


Клапан рециркуляции отработавших газов

Процедура снятия

  1. Отсоедините отрицательный кабель аккумулятора.
  2. Отсоединить вакуумный шланг от клапана рециркуляции отработавших газов.
  3. Отсоединить разъем системы рециркуляции отработавших газов.
  4. Снять крепежные болты клапана рециркуляции отработавших газов.
  5. Снять клапан рециркуляции отработавших газов с крепежного переходника клапана рециркуляции отработавших газов.


V6B11F51
Показать иллюстрациюПеревод текста в иллюстрациях


Процедура установки

  1. Очистить сопряженную поверхность крепежного переходника клапана рециркуляции отработавших газов.
  2. Установить новую прокладку клапана рециркуляции отработавших газов.
  3. Установить клапан рециркуляции отработавших газов вместе с болтом.
  4. Затянуть
    Затянуть крепежные болты клапана рециркуляции отработавших газов до 30 Н•м (22 lb-ft)

  5. Присоединить разъем системы рециркуляции отработавших газов.
  6. Присоединить вакуумные шланги к клапану рециркуляции отработавших газов.
  7. Присоедините отрицательный кабель аккумулятора.


V3B11F92
Показать иллюстрациюПеревод текста в иллюстрациях


Датчик детонации

Процедура снятия

  1. Отсоедините отрицательный кабель аккумулятора.
  2. Поднимите и зафиксируйте автомобиль.
  3. Отсоедините электрический разъем на датчике детонации.


  4. V3B11F93
    Показать иллюстрациюПеревод текста в иллюстрациях


  5. Снять болт и датчик детонации.


V3B11F93
Показать иллюстрациюПеревод текста в иллюстрациях


Процедура установки

  1. Установить датчик детонации вместе с болтом.
  2. Затянуть
    Затянуть болт датчика детонации до 20 Н•м (15 lb-ft).



    V3B11F92
    Показать иллюстрациюПеревод текста в иллюстрациях


  3. Присоединить электрический разъем к датчику детонации.
  4. Опустите автомобиль.
  5. Присоедините отрицательный кабель аккумулятора.


V3B11F94
Показать иллюстрациюПеревод текста в иллюстрациях


Датчик g

Процедура снятия

  1. Отсоедините отрицательный кабель аккумулятора.
  2. Отсоединить электрический разъем датчика неровной дороги и снять сам датчик.


V3B11F94
Показать иллюстрациюПеревод текста в иллюстрациях


Процедура установки

  1. Установить датчик неровной дороги и присоединить электрический разъем.
  2. Присоедините отрицательный кабель аккумулятора.


V3B11F95
Показать иллюстрациюПеревод текста в иллюстрациях


Адсорбер СУПБ

Процедура снятия

    Внимание! Угольный фильтр и вакуумный шланг содержат пары топлива. Не курить и не работать с открытым огнем в опасной зоне.

  1. Отсоединить шланги для паров топлива угольного фильтра.
  2. Снять болт, крепящий фланец угольного фильтра к автомобилю.
  3. Выдвинуть угольный фильтр из держателя направляющей.
  4. Снять угольный фильтр.


V3B11F95
Показать иллюстрациюПеревод текста в иллюстрациях


Процедура установки

  1. Вставить угольный фильтр в направляющую и задвинуть на место.
  2. Установить болт фланца угольного фильтра.
  3. Затянуть
    Затянуть болт фланца адсорбера системы улавливания паров бензина до 10 Н•м (89 фунто-дюймов).

  4. Присоединить шланги для паров топлива угольного фильтра.


V3B11F96
Показать иллюстрациюПеревод текста в иллюстрациях


Электромагнитный клапан продувки адсорбера СУПБ

Процедура снятия

  1. Отсоедините отрицательный кабель аккумулятора.
  2. Отсоединить разъем электромагнитного клапана продувки адсорбера СУПБ.
  3. Отсоединить вакуумные шланги от электромагнитного клапана продувки адсорбера СУПБ.
  4. Снять болт кронштейна электромагнитного клапана продувки адсорбера СУПБ с впускного коллектора.
  5. Отсоединить электромагнитный клапан продувки адсорбера СУПБ с крепежного кронштейна.


V3B11F96
Показать иллюстрациюПеревод текста в иллюстрациях


Процедура установки

  1. Присоединить электромагнитный клапан продувки адсорбера СУПБ на крепежный кронштейн.
  2. Установить электромагнитный клапан продувки адсорбера СУПБ и крепежный кронштейн на впускной коллектор вместе с болтом кронштейна.
  3. Затянуть
    Затянуть болт кронштейна электромагнитного клапана продувки адсорбера СУПБ до 10 Н•м (89 фунто-дюймов).

  4. Присоединить вакуумные шланги к электромагнитному клапану продувки адсорбера СУПБ.
  5. Присоединить разъем электромагнитного клапана адсорбера СУПБ.
  6. Присоедините отрицательный кабель аккумулятора.


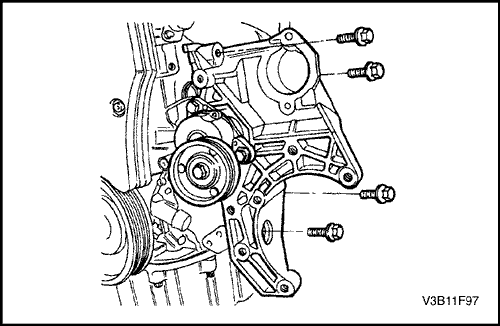
V3B11F97
Показать иллюстрациюПеревод текста в иллюстрациях


Датчик положения коленчатого вала

Процедура снятия

  1. Отсоедините отрицательный кабель аккумулятора.
  2. Снимите насос рулевого управления с усилителем, если имеется. Следуйте разделу 6В, Насос рулевого управления с усилителем.
  3. Снимите компрессор кондиционирования воздуха. См. раздел 7 D, "Система автоматического контроля обогрева, вентиляции и кондиционирования воздуха".
  4. Снять болты заднего крепежного кронштейна компрессора кондиционирования воздуха и задний крепежный кронштейн компрессора кондиционирования воздуха.
  5. Снять дополнительный крепежный кронштейн, удалив болты.


  6. V3B11F98
    Показать иллюстрациюПеревод текста в иллюстрациях


  7. Отсоединить разъём датчика положения коленчатого вала (СКР).
  8. Снимите стопорный винт датчика положения коленчатого вала.
  9. Осторожно повернуть и снять датчик положения коленчатого вала с блока цилиндров двигателя.


V3B11F98
Показать иллюстрациюПеревод текста в иллюстрациях


Процедура установки

  1. Вставить датчик положения коленчатого вала в блок цилиндров.
  2. Установить крепежный болт датчика положения коленчатого вала.
  3. Затянуть
    Затянуть крепежный болт датчика положения коленчатого вала до 8 Н•м (71 lb-in).

  4. Присоедините разъем датчика СКР.
  5. Установить дополнительный крепежный кронштейн вместе с болтами.
  6. Затянуть
    Затянуть болты дополнительного крепежного кронштейна до 27 Н•м (37 lb-ft).



    V3B11F97
    Показать иллюстрациюПеревод текста в иллюстрациях


  7. Установить задний крепежный кронштейн кондиционера.
  8. Затянуть
    Затянуть болты крепежного кронштейна кондиционера до 35 Н•м (26 lb-ft).

  9. Установить компрессор кондиционирования воздуха. См. раздел 7 D, "Система автоматического контроля обогрева, вентиляции и кондиционирования воздуха".
  10. Установите насос рулевого управления с гидроусилителем. Следуйте разделу 6В, Насос рулевого управления с усилителем.
  11. Присоедините отрицательный кабель аккумулятора.


V3B11F0A
Показать иллюстрациюПеревод текста в иллюстрациях


Датчик положения распределительного вала

Процедура снятия

  1. Отсоедините отрицательный кабель аккумулятора.
  2. Снимите кожух двигателя.
  3. Отсоединить электрический разъем датчика.


  4. V3B11F0B
    Показать иллюстрациюПеревод текста в иллюстрациях


  5. Снимите переднюю крышку приводного ремня газораспределительного механизма. Следуйте разделу 1С Механическая часть двигателя DOHC.
  6. Снять болты датчика положения распределительного вала.
  7. Снять сверху датчик положения распределительного вала.


V3B11F0B
Показать иллюстрациюПеревод текста в иллюстрациях


Процедура установки

  1. Установить датчик положения распределительного вала и болты.
  2. Затянуть
    Затянуть болты датчика положения распределительного вала до 8 Н•м (71 фунто-дюйм).



    V3B11F0A
    Показать иллюстрациюПеревод текста в иллюстрациях


  3. Установить переднюю крышку приводного ремня газораспределительного механизма, шкив коленчатого вала, вспомогательный приводной ремень и воздушный фильтр. Следуйте разделу 1С Механическая часть двигателя DOHC.
  4. Присоединить электрический разъем датчика.
  5. Установите кожух двигателя.
  6. Присоедините отрицательный кабель аккумулятора.


V3B11F0C
Показать иллюстрациюПеревод текста в иллюстрациях


Контроллер электронной системы управления двигателем (ЭСУД)

Процедура снятия

  1. Отсоедините отрицательный кабель аккумулятора.
  2. Снять патрубок впуска воздуха и резонатор.
  3. Отсоединить разъемы контроллера ЭСУД от контроллера ЭСУД.
  4. Снять контроллер ЭСУД.


V3B11F0C
Показать иллюстрациюПеревод текста в иллюстрациях


Процедура установки

  1. Присоединить, разъемы контроллера ЭСУД к контроллеру ЭСУД.
  2. Совместить контроллер ЭСУД с основанием.
  3. Закрепить контроллер ЭСУД на основании защелками.
  4. Установить наружные замки контроллера ЭСУД.
  5. Установить защитную панель на стороне пассажира. См. раздел 9G, "Отделка салона".
  6. Присоедините отрицательный кабель аккумулятора.
  7. Провести процедуру определения отклонения системы датчика положения коленчатого вала. См. "DTC P1336" в этом разделе.


V3B11F0D
Показать иллюстрациюПеревод текста в иллюстрациях


Катушка электронной системы зажигания

Процедура снятия

  1. Отсоедините отрицательный кабель аккумулятора.
  2. Отсоедините разъем катушки электронной системы зажигания (ei).
  3. Пометить положение провода зажигания и снять провода зажигания.
  4. Снять крепежные болты катушки электронной системы зажигания.
  5. Снимите катушку электронной системы зажигания.


V3B11F0D
Показать иллюстрациюПеревод текста в иллюстрациях


Процедура установки

  1. Установить катушку электронной системы зажигания на место монтажа и установить крепежные болты.
  2. Затянуть
    Затянуть крепежные болты катушки электронной системы зажигания до 10 Н•м (89 lb-in).

  3. Присоедините разъем катушки электронной системы зажигания.
  4. Установить провода зажигания.
  5. Присоедините отрицательный кабель аккумулятора.


На предыдущую страницуНа следующую страницу
https://vnx.su/ 🛠 Руководства по ремонту и эксплуатации для автомобилей

Поиск по сайту

Остались вопросы или пожелания? Пишите на почту: support@vnx.su

Карта Сайта