К началу документа
Evanda
На предыдущую страницуНа следующую страницу
Главная страница GMDEЗагрузить нединамическое оглавлениеЗагрузить динамическое оглавлениеПомощь

V3B11F29
Показать иллюстрациюПеревод текста в иллюстрациях


Проверка цепи главного реле

Описание схемы

При включении зажигания или переводе ключа в положение СТАРТ на реле 1 подается напряжение. Реле 1 подает сигнал на предохранитель Ef24 и Ef27 блока предохранителей двигателя. Катушка электронной системы зажигания, клапан продувки адсорбера СУПБ и датчик кислорода (HO2S) запитываются через предохранитель Ef27 блока предохранителей двигателя. Топливные форсунки запитываются через предохранитель Ef24 блока предохранителей двигателя.

Указания по диагностике

Проверка цепи главного реле

ШагОперацияЗначенияДаНет
1
  1. Выключите зажигание.
  2. Отсоединить предохранитель ef27 и ef24 блока предохранителей двигателя.
  3. Включите зажигание.
  4. Контрольной лампой, подключенной к массе, проверить зажимы предохранителей, ближайшие к главному реле для предохранителя ef27 и ef24.
Контрольная лампа горит на обеих клеммах?
-
Система в норме
Перейти к операции 2
2
Контрольная лампа горит только на одной клемме?
-
Перейти к операции 3
Перейти к операции 4
3
При необходимости устранить обрыв в проводке на участке между клеммой 30 разъема главного реле и предохранителем ef27 и ef24.
Закончен ли ремонт?
-
Система в норме
-
4
  1. Выключите зажигание.
  2. Снять главное реле.
  3. Включите зажигание.
  4. Контрольной лампой, подключенной к массе, проверить клеммы 86 главного реле.
Контрольная лампа горит на обеих клеммах?
-
Перейти к операции 8
Перейти к операции 5
5
  1. Выключите зажигание.
  2. Проверить предохранитель f3 блока предохранителей приборов.
Предохранитель перегорел?
-
Перейти к операции 6
Перейти к операции 7
6
  1. Устранить замыкание между клеммой 86 главного реле и предохранителем f3.
  2. Заменить предохранитель f3.
Закончен ли ремонт?
-
Система в норме
-
7
Устранить обрыв между клеммой 86 главного реле и предохранителем f3.
Закончен ли ремонт?
-
Система в норме
Перейти к операции 8
8
  1. Выключите зажигание.
  2. Измерить сопротивление между следующими клеммами.
    • Клемма 85 главного реле и масса.
    • Клемма 87 главного реле и предохранитель ef27 и ef24.
Сопротивление в пределах установленного значения?
0 Ом
Шаг 10
Перейти к операции 9
9
Исправить обрыв цепи.
Закончен ли ремонт?
-
Система в норме
-
10
Заменить главное реле.
Закончен ли ремонт?
-
Система в норме
-

V3B11F37
Показать иллюстрациюПеревод текста в иллюстрациях


Проверка абсолютного давления в коллекторе

Описание схемы

Датчик абсолютного давления в коллекторе (МАР) измеряет изменение давления во впускном коллекторе, связанное с изменением нагрузки на двигатель и изменением частоты вращения. Датчик MAP конвертирует эти изменения в выходные сигналы. Контроллер электронной системы управления двигателем (ЭСУД) подает контрольный сигнал 5 В на датчик МАР. При изменении давления впускного коллектора выходной сигнал датчика MAP также изменяется. Низкий выходной уровень сигнала (высокий вакуум) 1 - 2 В имеет место на холостом ходу. Высокий выходной уровень сигнала (низкий вакуум) 4,0 - 4,8 В имеет место при полностью открытой дроссельной заслонке. Датчик MAP в определенных условиях используется для измерения барометрического давления. Это позволяет контроллеру ЭСУД производить корректировку по изменению высоты. Контроллер ЭСУД использует датчик MAP для подачи топлива и изменения момента зажигания.

Описание проверки

Последовательность соответствует шагам, указанным в диагностической таблице.
  1. Воздействие 34 кПа (10 inches Hg) разряжения на датчик МАР должно вызвать изменение уровня сигнала. Вычесть второе значение уровня сигнала из первого. Значение напряжения должно быть больше 1,5 В. При воздействии разряжения на датчик МАР изменение уровня сигнала должно происходить постоянно. Медленное изменение уровня сигнала свидетельствует о неисправности датчика MAP.
  2. Отсоединить датчик MAP от кронштейна и повернуть датчик MAP. Изменения выходного сигнала более 0,1 В свидетельствуют от неисправном разъеме или контакте.

Проверка абсолютного давления в коллекторе

ШагОперацияЗначенияДаНет
1
  1. Выключите зажигание.
  2. Подключить сканирующий прибор к колодке диагностики (dlc).
  3. Включите зажигание.
  4. Сравнить уровень сигнала датчика абсолютного давления в коллекторе (map) от сканера с известным значением от исправного автомобиля.
Разница двух уровней сигнала меньше, чем установленное значения?
0,4 В
Перейти к операции 2
Перейти к операции 5
2
  1. Выключите зажигание.
  2. Подключить сканирующий прибор к колодке диагностики.
  3. Отсоединить вакуумную линию датчика map.
  4. Присоединить ручной вакуумный насос к датчику map.
  5. Включите зажигание.
  6. Записать уровень сигнала датчика МАР.
  7. Подать 10 in. Hg (34 кПа) разряжения на датчик МАР и записать изменение уровня сигнала.
Разница в уровнях сигнала больше, чем установленное значения?
1,5 В
Система в норме
Перейти к операции 3
3
Проверить клеммы разъема датчика МАР.
Неисправность обнаружена?
-
Перейти к операции 4
Перейти к операции 5
4
Отремонтировать разъем датчика МАР, если необходимо.
Закончен ли ремонт?
-
Система в норме
-
5
Заменить датчик map.
Закончен ли ремонт?
-
Система в норме
-

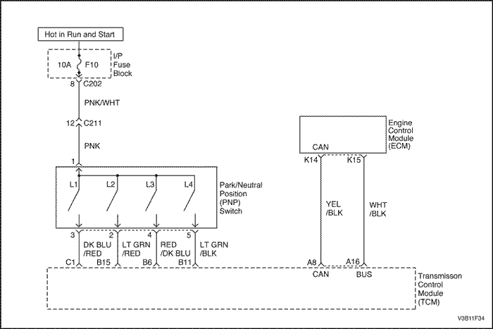
V3B11F34
Показать иллюстрациюПеревод текста в иллюстрациях


Переключатель в положение парковка/нейтраль

Описание схемы

Переключатель в положение парковка/нейтраль (PNP) расположен на автоматической коробке передач. Контроллер КПП принимает сигнал от комбинированного коммутатора в переключателе PNP и посылает PNP-сигнал в контроллер ЭСУД. Контроллер ЭСУД использует PNP-сигнал как один из входных сигналов регулирования подачи воздуха на холостом ходу и регулирования момента зажигания.

Схема комбинации переключателей, используемых для положения парковка/нейтраль

У переключателя в положение парковка/нейтраль имеется 4 внутренних переключателя, производящих включение-выключение за счет выбора положения рычага переключения, а контроллер КПП принимает эти сигналы от комбинированных переключателей и управляет коробкой передач в диапазоне вождения. Контроллер КПП направляет PNP-сигнал в контроллер ЭСУД.
.
p (розовый)
r
n
d
3
2
1

l1 (клемма 3)
Х
Х
Х
О
О
О
Х

l2 (клемма 2)
Х
Х
Х
О
О
Х
О

l3 (клемма 4)
О
О
Х
О
Х
О
О

l4 (клемма 5)
Х
Х
О
Х
О
О
О

Переключатель в положение парковка/нейтраль

ШагОперацияЗначенияДаНет
1
  1. Поверните замок зажигание в положение lock.
  2. Подключить сканирующий прибор к колодке диагностики (dlc).
  3. Перевести рычаг переключения коробки передач в положение Р (стоянка).
  4. Поверните ключ зажигания в положение on.
Сканирующий прибор определяет положение для стоянки или нейтраль?
-
Перейти к операции 2
Перейти к операции 3
2
Перевести рычаг переключения в положение d (вождение).
Сканирующий прибор определяет положение для вождения?
-
Система в норме
-
3
  1. Отсоединить разъём переключателя в положение парковка/нейтраль (pnp).
  2. Перемкнуть клеммы 1 и 4 разъема переключателя pnp.
  3. Поверните ключ зажигания в положение on.
Сканирующий прибор определяет положение для стоянки?
-
Перейти к операции 4
Перейти к операции 5
4
Проверить настройку pnp-переключателя, используя "Схему комбинации переключателей, используемых для положения парковка/нейтраль" в данном разделе и при необходимости произвести ремонт или замену PNP-переключателя.
Закончен ли ремонт?
-
Система в норме
-
5
Присоединить контрольную лампу между клеммой 1 pnp-переключателя и массой.
Контрольная лампа горит?
-
Перейти к операции 7
Перейти к операции 6
6
Проверить на наличие обрыва на участке между клеммой 1 pnp-переключателя и предохранителем f10 и при необходимости произвести ремонт.
Закончен ли ремонт?
-
Система в норме
-
7
Проверить обрыв цепи или замыкание на массу на участке провода между клеммой pnp и разъемом контроллера КПП:
  • Клемма 3 (pnp-переключатель) и С1 (разъем контроллера КПП).
  • Клемма 2 (pnp-переключатель) и В15 (разъем контроллера КПП).
  • Клемма 4 (pnp-переключатель) и В6 (разъем контроллера КПП).
  • Клемма 5 (pnp-переключатель) и В11 (разъем контроллера КПП).
Неисправность обнаружена?
-
Перейти к операции 8
Перейти к операции 9
8
При необходимости устранить обрыв или замыкание на массу в проводе.
Закончен ли ремонт?
-
Система в норме
-
9
Проверить контроллер КПП с помощью диагностического прибора.
Диагностический прибор выявляет какой-либо диагностический код неисправности контроллера КПП (dtc)?
-
Перейти к соответствующей диагностической таблице контроллера КПП
Перейти к операции 10
10
Отремонтируйте провод, если необходимо.
Закончен ли ремонт?
-
Система в норме
-
11
Заменить контроллер ЭСУД.
Закончен ли ремонт?
-
Система в норме
-

V3B11F38
Показать иллюстрациюПеревод текста в иллюстрациях


Проверка регулятора холостого хода

Описание схемы

Контроллер электронной системы управления двигателем (ЭСУД) управляет холостым ходом при помощи клапана регулирования подачи воздуха на холостом ходу. Чтобы увеличить частоту вращения на холостом ходу, контроллер ЭСУД отводит иглу клапана регулировки подачи воздуха на холостом ходу из ее седла, пропуская больше воздуха через корпус дроссельной заслонки. Чтобы уменьшить частоту вращения на холостом ходу, контроллер ЭСУД подает иглу клапана регулировки подачи воздуха на холостом ходу по направлению к седлу, уменьшая перепуск воздуха. Сканирующий прибор будет считывать команды контроллера ЭСУД клапану регулировки подачи воздуха на холостом ходу в численном выражении. Большие числа отображают больший перепуск воздуха (большая частота вращения на холостом ходу). Меньшие числа отображают меньший перепуск воздуха (меньшая частота вращения на холостом ходу).

Указания по диагностике

Если частота вращения на холостом ходу слишком высока, остановить двигатель. Полностью открыть клапан регулирования подачи воздуха на холостом ходу приводом РХХ. Запустите двигатель. Если частота вращения на холостом ходу выше 800 мин-1, определить местонахождение и устранить утечку в вакуумной линии. Также проверьте, не заклинена ли дроссельная заслонка или дроссельный шарнир и проверить основные настройки холостого хода.

Описание проверки

Последовательность соответствует шагам, указанным в диагностической таблице.
  1. Клапан регулирования подачи воздуха на холостом ходу открывается и закрывается приводом РХХ. Движение клапана регулирования подачи воздуха на холостом ходу проверяется изменением числа оборотов двигателя. Если изменения в числе оборотов двигателя не происходит, клапан можно снять с корпуса дроссельной заслонки и проверить. Подключить привод РХХ к снятому клапану РХХ и включить зажигание. Не запускать двигатель.
  2. Эта операция проверяет качество перемещения клапана РХХ в операции 2. При полностью открытом клапане РХХ двигатель может заглохнуть. Это может быть нормальным.
  3. Операции 2 и 5 проверяют надежность работы клапана РХХ. Эта операция проверяет цепь РХХ на неисправность проводки или контроллера ЭСУД.

Процедура сброса клапана регулятора холостого хода.

При отсоединении или замене проводов аккумуляторной батареи, контроллера ЭСУД или предохранителя Ef15 контроллера ЭСУД выполнить следующую процедуру определения параметров холостого хода:
  1. Включить зажигание на 5 секунд.
  2. Выключить зажигание на 10 секунд.
  3. Включить зажигание на 5 секунд.
  4. Запустить двигатель в положении парковка/нейтраль.
  5. Дать двигателю поработать до тех пор, пока температура охлаждающей жидкости не поднимется выше 185°f (85°С)
  6. Включить кондиционер на 10 секунд, если имеется.
  7. Выключить кондиционер на 10 секунд, если имеется.
  8. Если автомобиль оснащен автоматической КПП, включить стояночный тормоз. Выжав педаль тормоза, установить КПП в положение D (движение).
  9. Включить кондиционер на 10 секунд, если имеется.
  10. Выключить кондиционер на 10 секунд, если имеется.
  11. Выключить зажигание. Процедура определения параметров холостого хода завершена.

Проверка регулятора холостого хода

ШагОперацияЗначенияДаНет
1
Провести проверку бортовой системы диагностики (eobd).
Проверка проведена?
-
Перейти к операции 2
Перейти к разделу Проверка бортовой системы диагностики"
2
  1. Выключите зажигание.
  2. Снять клапан регулирования подачи воздуха на холостом ходу (РХХ).
  3. Проверить каналы РХХ на засорения.
Неисправность обнаружена?
-
Перейти к операции 3
Перейти к операции 4
3
Почистить каналы РХХ.
Закончен ли ремонт?
-
Система в норме
-
4
Измерить сопротивление между следующими клеммами клапана РХХ.
  1. Клемма С и d.
  2. Клемма А и В.
Сопротивление равно установленному значению?
40-80
Перейти к операции 6
Перейти к операции 5
5
Заменить клапан РХХ.
Закончен ли ремонт?
-
Система в норме
-
6
  1. Отсоединить разъём контроллера электронной системы управления двигателем (ЭСУД).
  2. Проверить на обрыв цепи или короткое замыкание провода между следующими клеммами.
    • Клемма d разъема клапана РХХ и клемма М13 разъема контроллера ЭСУД.
    • Клемма С разъема клапана РХХ и клемма М15 разъема контроллера ЭСУД.
    • Клемма В разъема клапана РХХ и клемма М30 разъема контроллера ЭСУД.
    • Клемма А разъема клапана РХХ и клемма М14 разъема контроллера ЭСУД.
Неисправность обнаружена?
-
Перейти к операции 8
Перейти к операции 7
7
Устранить обрыв цепи или короткое замыкание, если необходимо.
Закончен ли ремонт?
-
Система в норме
-
8
Проверить клеммы разъема РХХ и клеммы разъема контроллера ЭСУД.
Неисправность обнаружена?
-
Перейти к операции 9
Перейти к операции 10
9
Отремонтировать или заменить узел корпуса дроссельной заслонки и/или клеммы разъема контроллера ЭСУД, если необходимо.
Закончен ли ремонт?
-
Система в норме
-
10
Заменить контроллер ЭСУД.
Закончен ли ремонт?
-
Система в норме
-

V4B11F11
Показать иллюстрациюПеревод текста в иллюстрациях


Проверка системы зажигания

Описание схемы

Электронная система зажигания использует двухискровый метод зажигания с опорной искрой. В этой электронной системе зажигания датчик положения коленчатого вала смонтирован на масляном насосе рядом со шлицевым колесом, являющимся частью шкива коленчатого вала. Датчик положения коленчатого вала посылает контрольные импульсы на контроллер ЭСУД. Контроллер ЭСУД включает катушку электронной системы зажигания. Когда контроллер ЭСУД включает катушку электронной системы зажигания, обе подключенные свечи зажигания одновременно дают искру. Один цилиндр находится в такте сжатия, в то время как другой цилиндр - в такте выпуска, что позволяет сэкономить энергию, необходимую для образования искры в свече зажигания в цилиндре, находящемся в такте выпуска.
Оставшееся высокое напряжение используется для образования искры в свече зажигания в цилиндре, находящемся в такте сжатия. Так как датчик положения коленчатого вала находится в неподвижном положении, регулировка момента зажигания не возможна и не нужна.

Описание проверки

Последовательность соответствует шагам, указанным в диагностической таблице.
  1. Важно проверить наличие искры на всех цилиндрах, чтобы локализовать проблему на входных или на выходных сигналах катушки электронной системы зажигания.
  2. При проверке выходных сигналов на наличие сигнала момента зажигания рекомендуется использовать осциллоскоп для наблюдения за изменением сигналов. При измерении этих выходных сигналов с помощью вольтметра, могут случиться неустойчивые неисправности, не регистрируемые вольтметром.
  3. Если входные сигналы момента зажигания контроллера ЭСУД на катушку электронной системы зажигания в норме, то причина неисправности находится в катушке электронной системы зажигания.
  4. Если входные сигналы датчика положения коленчатого вала на контроллер ЭСУД в норме, и нет проблем с проводкой, то причина неисправности находится в контроллере ЭСУД.
  5. Эта операция вместе с операцией 25 проверяет напряжение аккумуляторной батареи и контакт на массу катушки электронной системы зажигания.

Проверка системы зажигания

Внимание! Чтобы не допустить поражения электротоком при работе с проводами зажигания на работающем двигателе, использовать изолированные плоскогубцы.

ШагОперацияЗначенияДаНет
1
  1. Снимите свечи зажигания.
  2. Проверить свечи зажигания на влажность, трещины, неправильный зазор, обожженные электроды или значительные отложения.
  3. Заменить свечи зажигания, если необходимо.
Закончен ли ремонт?
-
Система в норме
Перейти к операции 2
2
Проверить наличие искры на всех проводах зажигания при проворачивании двигателя стартером.
Искра имеется на всех проводах зажигания?
-
Система в норме
Перейти к операции 3
3
  1. Измерить сопротивление проводов зажигания.
  2. Заменить все провода зажигания с сопротивлением выше установленного.
  3. Проверить наличие искры на всех проводах зажигания.
Искра имеется на всех проводах зажигания?
30,000 Ом
Система в норме
Перейти к операции 4
4
Искра имеется хотя бы на одном проводе зажигания, но не на всех проводах зажигания?
-
Перейти к операции 5
Перейти к операции 12
5
  1. Выключите зажигание.
  2. Отсоединить разъём катушки электронной системы зажигания.
  3. Проворачивая коленчатый вал, измерить уровень сигнала на клемме С разъема катушки электронной системы зажигания.
Напряжение колеблется в пределах установленного значения?
0,2-2,0 В
Перейти к операции 6
Перейти к операции 7
6
Проворачивая коленчатый вал, измерить уровень сигнала на клемме А разъема катушки электронной системы зажигания.
Напряжение колеблется в пределах установленного значения?
0,2-2,0 В
Перейти к операции 10
Перейти к операции 8
7
Проверить на обрыв цепи провод между клеммой С разъема катушки электронной системы зажигания и клеммой М35 или М51 разъема контроллера ЭСУД.
Неисправность обнаружена?
-
Перейти к операции 9
Перейти к операции 11
8
Проверить на обрыв цепи провод между клеммой А разъема катушки электронной системы зажигания и клеммой М1 или М33 разъема контроллера ЭСУД.
Неисправность обнаружена?
-
Перейти к операции 9
Перейти к операции 11
9
  1. Устраните неисправность цепи.
  2. Присоедините разъем катушки электронной системы зажигания.
  3. Проверить наличие искры на всех проводах зажигания.
Искра имеется на всех проводах зажигания?
-
Система в норме
-
10
  1. Выключите зажигание.
  2. Заменить катушку электронной системы зажигания.
  3. Присоедините разъем катушки электронной системы зажигания.
  4. Проверить наличие искры на всех проводах зажигания.
Искра имеется на всех проводах зажигания?
-
Система в норме
-
11
  1. Выключите зажигание.
  2. Заменить контроллер ЭСУД.
  3. Присоедините разъем катушки электронной системы зажигания.
  4. Проверить наличие искры на всех проводах зажигания.
Искра имеется на всех проводах зажигания?
-
Система в норме
-
12
  1. Выключите зажигание.
  2. Отсоединить разъём датчика положения коленчатого вала (СКР).
  3. Измерить сопротивление между клеммами 1 и 2 разъема датчика положения коленчатого вала.
Сопротивление в пределах установленного значения?
400-600 Ом
Перейти к операции 13
Перейти к операции 28
13
  1. Измерить сопротивление между клеммами 1 и 3 разъема датчика положения коленчатого вала.
  2. Измерить сопротивление между клеммами 2 и 3 разъема датчика положения коленчатого вала.
  3. Сопротивление бесконечно (обрыв цепи)?
Закончен ли ремонт?
-
Перейти к операции 14
Перейти к операции 28
14
  1. Включите зажигание.
  2. Измерить уровень сигнала между клеммами 1 и 3 разъема датчика положения коленчатого вала.
Напряжение в пределах установленного значения?
1,3-1,5 В (2,4-2,7 В)*
Перейти к операции 20
Перейти к операции 15
15
Измерить уровень сигнала между клеммой 1 разъема датчика положения коленчатого вала и массой.
Напряжение в пределах установленного значения?
1,3-1,5 В (2,4-2,7 В)*
Перейти к операции 17
Перейти к операции 16
16
Проверить на обрыв цепи или короткое замыкание провод между клеммой 1 разъема датчика положения коленчатого вала и клеммой М21 разъёма контроллера ЭСУД.
Неисправность обнаружена?
-
Перейти к операции 18
Перейти к операции 11
17
Проверить на обрыв цепи провод между клеммой 3 разъема датчика положения коленчатого вала и массой.
Неисправность обнаружена?
-
Перейти к операции 19
Перейти к операции 11
18
Отремонтировать провод между клеммой 1 разъема датчика положения коленчатого вала и клеммой М21 разъема контроллера ЭСУД.
Закончен ли ремонт?
-
Система в норме
-
19
Отремонтировать провод между клеммой 3 разъема датчика положения коленчатого вала и массой.
Закончен ли ремонт?
-
Система в норме
-
20
  1. Включите зажигание.
  2. Измерить уровень сигнала между клеммами 2 и 3 разъема датчика положения коленчатого вала.
Напряжение в пределах установленного значения?
1,3-1,5 В (2,4-2,7 В)*
Перейти к операции 24
Перейти к операции 21
21
Измерить уровень сигнала между клеммой 2 разъема датчика положения коленчатого вала и массой.
Напряжение в пределах установленного значения?
1,3-1,5 В (2,4-2,7 В)*
Перейти к операции 17
Перейти к операции 22
22
Проверить на обрыв цепи или короткое замыкание провод между клеммой 2 разъема датчика положения коленчатого вала и клеммой М5 разъёма контроллера ЭСУД.
Неисправность обнаружена?
-
Перейти к операции 23
Перейти к операции 11
23
Отремонтировать провод между клеммой 2 разъема датчика положения коленчатого вала и клеммой М5 разъема контроллера ЭСУД.
Закончен ли ремонт?
-
Система в норме
-
24
  1. Выключите зажигание.
  2. Присоединить контрольную лампу между клеммой В разъема катушки электронной системы зажигания и массой.
  3. Включите зажигание.
Горит ли контрольная лампа?
-
Перейти к операции 25
Перейти к операции 26
25
Присоединить контрольную лампу между клеммой В разъема катушки электронной системы зажигания и положительным проводом аккумуляторной батареи.
Горит ли контрольная лампа?
-
Перейти к операции 5
Перейти к операции 27
26
Проверить на обрыв цепи или короткое замыкание провод между клеммой В разъема катушки электронной системы зажигания и выключателем зажигания.
Неисправность обнаружена?
-
Перейдите к операции 29
-
27
Отремонтировать провод между клеммой С разъема катушки электронной системы зажигания и массой.
Закончен ли ремонт?
-
Система в норме
-
28
  1. Выключите зажигание.
  2. Заменить датчик положения коленчатого вала.
Закончен ли ремонт?
-
Система в норме
-
29
Заменить предохранитель f3 или восстановить провод между клеммой В разъема катушки электронной системы зажигания и выключателем зажигания.
Закончен ли ремонт?
-
Система в норме
-

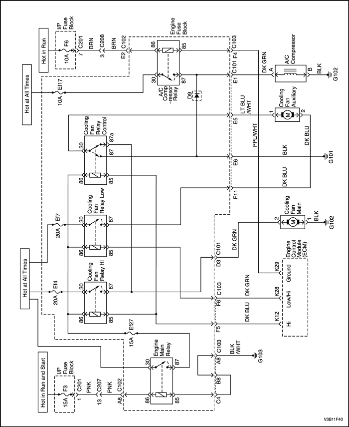
V3B11F40
Показать иллюстрациюПеревод текста в иллюстрациях


Проверка цепи вентилятора системы охлаждения

Описание схемы

Цепь вентилятора системы охлаждение двигателя управляет основным и вспомогательным вентилятором системы охлаждения. Вентиляторы системы охлаждения управляются контроллером ЭСУД, основываясь на входных сигналах датчика температуры охлаждающей жидкости двигателя (ЕСТ) и датчика давления кондиционирования воздуха (АСР). Контроллер ЭСУД отвечает за работу вентилятора системы охлаждения на низких оборотов за счет внутреннего заземления клеммы К28 контроллера ЭСУД. В результате этого для охлаждения подключается реле вентилятора системы охлаждения, работающего на низких оборотах, и главный вентилятор системы охлаждения, работающий на низких оборотах. Контроллер ЭСУД отвечает за работу вентилятора системы охлаждения, работающего на высоких оборотах, за счет внутреннего заземления клеммы К12 разъема контроллера ЭСУД. В результате этого включается реле вентилятора системы охлаждения, работающего на высоких оборотах, и вентилятор начинает работать на высоких оборотах, поскольку вентиляторы системы охлаждения теперь подключены параллельно.

Указания по диагностике

Проверка цепи вентилятора системы охлаждения

ШагОперацияЗначенияДаНет
1
Провести проверку бортовой системы диагностики Евро (eobd).
Проверка проведена?
-
Перейти к операции 2
Перейти к разделу Проверка бортовой системы диагностики Евро"
2
  1. Проверить предохранители ef7 и ef4 в блоке предохранителей двигателя.
  2. Заменить предохранитель(и), если необходимо.
Предохранитель(и) исправен(вны)?
-
Перейти к операции 3
Перейти к "Диагностическая информация"
3
  1. Поверните замок зажигание в положение lock.
  2. Если имеется, перевести выключатель кондиционера в выключенное положение.
  3. Подключить сканирующий прибор к колодке диагностики (dlc).
  4. Запустите двигатель.
  5. Главный вентилятор системы охлаждения должен работать на низких оборотах, когда температура охлаждающей жидкости достигает 97°c (207°f).
Вентилятор системы охлаждения работает на низких оборотах?
-
Перейти к операции 4
Перейти к операции 8
4
Вентиляторы системы охлаждения должны работать на высоких оборотах, когда температура охлаждающей жидкости достигает 101°c (214°f).
Вентиляторы системы охлаждения работают на высоких оборотах?
-
Перейти к операции 5
Перейти к операции 19
5
  1. Поверните замок зажигание в положение lock.
  2. Запустите двигатель.
  3. Включить кондиционер.
Вентилятор системы охлаждения работает на низких оборотах?
-
Перейти к операции 7
Перейти к операции 6
6
  1. Проверить цепь муфты компрессора системы кондиционирования.
  2. Отремонтировать цепь муфты компрессора системы кондиционирования, если необходимо.
Закончен ли ремонт?
-
Система в норме
-
7
  1. Поверните замок зажигание в положение lock.
  2. Присоединить манометр кондиционера.
  3. Запустите двигатель.
  4. Перевести выключатель кондиционера во включенное положение и повысить обороты.
  5. Вентилятор системы охлаждения должен работать на высоких оборотах, когда давление на стороне высокого давления кондиционера достигает 1859 кПa (269 фунтов/кв. дюйм).
Вентиляторы системы охлаждения работают на высоких оборотах?
-
Система в норме
-
8
  1. Поверните замок зажигание в положение lock.
  2. Отсоединить разъём основного вентилятора системы охлаждения.
  3. Поверните ключ зажигания в положение on.
  4. Присоединить контрольную лампу между клеммой 2 разъема основного вентилятора системы охлаждения и массой.
Контрольная лампа горит?
-
Перейти к операции 9
Перейти к операции 12
9
Присоединить контрольную лампу между клеммой 1 разъема основного вентилятора системы охлаждения и клеммой положительного провода аккумуляторной батареи.
Контрольная лампа горит?
-
Перейти к операции 11
Перейти к операции 10
10
Устранить обрыв цепи на участке между клеммой 1 разъема основного вентилятора системы охлаждения и массой.
Закончен ли ремонт?
-
Система в норме
-
11
Проверить, нет ли повреждений в клеммах в разъеме основного вентилятора системы охлаждения, и произвести их ремонт либо заменить основной вентилятор системы охлаждения.
Закончен ли ремонт?
-
Система в норме
-
12
  1. Поверните ключ зажигания в положение on.
  2. Присоединить контрольную лампу на участке между клеммой 30 и 86 разъема реле вентилятора системы охлаждения, работающего на низких оборотах, и массой.
Контрольная лампа горит в обоих случаях?
-
Перейти к операции 14
Перейти к операции 13
13
Восстановить цепь электропитания.
  • Предохранитель ef27 и клемма 86 разъема реле вентилятора системы охлаждения, работающего на низких оборотах.
  • Предохранитель ef7 и клемма 30 разъема реле вентилятора системы охлаждения, работающего на низких оборотах.
Закончен ли ремонт?
-
Система в норме
Перейти к операции 14
14
  1. Поверните замок зажигание в положение lock.
  2. Отсоединить разъемы контроллера электронной системы управления двигателем (ЭСУД).
  3. Поверните ключ зажигания в положение on.
  4. Присоединить перемычку на участке между клеммой К28 разъема контроллера ЭСУД и массой.
Вентилятор системы охлаждения работает на низких оборотах?
-
Перейти к операции 15
Перейти к операции 16
15
Заменить контроллер ЭСУД.
Замена закончена?
-
Система в норме
-
16
  1. Поверните замок зажигание в положение lock.
  2. Измерить сопротивление между следующими клеммами:
    • Клемма 85 реле вентилятора системы охлаждения, работающего на низких оборотах, и клемма К28 разъема контроллера ЭСУД.
    • Клемма 87 реле вентилятора системы охлаждения, работающего на низких оборотах, и клемма 2 вспомогательного вентилятора системы охлаждения.
Сопротивление в пределах установленного значения?
0 Ом
Перейти к операции 18
Перейти к операции 17
17
Исправить обрыв цепи.
Закончен ли ремонт?
-
Система в норме
-
18
Заменить реле вентилятора системы охлаждения, работающего на низких оборотах.
Замена закончена?
-
Система в норме
-
19
  1. Поверните замок зажигание в положение lock.
  2. Отсоединить разъем вспомогательного вентилятора системы охлаждения.
  3. Поверните ключ зажигания в положение on.
  4. Присоединить контрольную лампу между клеммой 2 разъема вспомогательного вентилятора системы охлаждения и массой.
Контрольная лампа горит?
-
Перейти к операции 20
Перейти к операции 24
20
Присоединить контрольную лампу на участке между клеммой 1 разъема вспомогательного вентилятора системы охлаждения и положительной клеммой аккумуляторной батареи.
Контрольная лампа горит?
-
Перейти к операции 21
Перейти к операции 23
21
Заменить вспомогательный вентилятор системы охлаждения.
Замена закончена?
-
Система в норме
Перейти к операции 22
22
Устранить обрыв цепи между следующими клеммами:
  • Клемма 2 разъема основного вентилятора системы охлаждения и клемма 87 разъема реле вентилятора системы охлаждения, работающего на высоких оборотах.
  • Клемма разъема основного вентилятора системы охлаждения и масса.
Закончен ли ремонт?
-
Система в норме
Перейти к операции 11
23
Устранить обрыв цепи между клеммой 1 разъема вспомогательного вентилятора системы охлаждения и массой.
Закончен ли ремонт?
-
Система в норме
-
24
  1. Поверните ключ зажигания в положение on.
  2. Присоединить контрольную лампу между клеммой разъема реле вентилятора системы охлаждения, работающего на высоких оборотах, и массой.
Контрольная лампа горит в обоих случаях?
-
Перейти к операции 26
Перейти к операции 25
25
Восстановить обрыв в цепи электропитания:
  • Предохранитель ef27 и клемма 86 разъема реле вентилятора системы охлаждения, работающего на высоких оборотах.
  • Предохранитель ef4 и клемма 30 разъема реле вентилятора системы охлаждения, работающего на высоких оборотах.
Закончен ли ремонт?
-
Система в норме
Перейти к операции 26
26
  1. Поверните замок зажигание в положение lock.
  2. Отсоединить разъемы контроллера электронной системы управления двигателем (ЭСУД).
  3. Поверните ключ зажигания в положение on.
  4. Присоединить перемычку на участке между клеммой К12 и массой.
Вентиляторы системы охлаждения работают на высоких оборотах?
-
Перейти к операции 15
Перейти к операции 27
27
  1. Поверните замок зажигание в положение lock.
  2. Измерить сопротивление между следующими клеммами:
    • Клемма 85 разъема реле вентилятора системы охлаждения, работающего на высоких оборотах, и разъем К12 контроллера ЭСУД.
    • Клемма 87 разъема реле вентилятора системы охлаждения, работающего на высоких оборотах, и клемма 2 разъема основного вентилятора системы охлаждения.
Сопротивление в пределах установленного значения?
0 Ом
Перейдите к операции 29
Перейти к операции 28
28
Устранить обрыв цепи между конкретными проводами цепи.
Закончен ли ремонт?
-
Система в норме
-
29
Заменить реле вентилятора системы охлаждения, работающего на высоких оборотах.
Замена закончена?
-
Система в норме
Перейти к операции 15

V6B11F02
Показать иллюстрациюПеревод текста в иллюстрациях


Диагностика через колодку диагностики

Описание схемы

Средством обмена данными с контроллером электронной системы управления двигателем (ЭСУД) является колодка диагностики (DLC). Она расположена под панелью инструментов. Колодка диагностики используется для подключения сканирующего прибора. Питание и масса подаются на сканирующий прибор через колодку диагностики. Контроллер ЭСУД может обмениваться данными со сканирующим прибором благодаря цепи последовательных данных Keyword-2000 к колодке диагностики. Линия последовательной передачи данных UART (Universal Asynchronous Receiver Transmitter) используется для обмена данными с другими модулями, такими как электронный модуль управления тормозами (EBCM), система надувных подушек безопасности (SIR) и блок панели инструментов.

Указания по диагностике

Убедитесь, что на сканирующем приборе было выбрано правильное применение (модельная линия, год изготовления и т.д.). Если связь не может быть установлена, подключить прибор к другому автомобилю, чтобы убедиться, что сканирующий прибор или кабели не являются причиной проблемы.
Неустойчивая неисправность может быть вызвана слабым контактом, перетертой изоляции или обрывом проводки под изоляцией.
Любая цепь, подозреваемая на создание неустойчивой неисправности, должна быть тщательно проверена на следующие обстоятельства:

Описание проверки

Приведенными ниже числами указываются номера операций в таблице диагностики.
  1. Бортовая система диагностики (EOBD) предлагает мастеру выполнить основные проверки и сохранить состояние и данные неисправностей в сканирующем приборе. Это создает электронную копию данных, записанную при возникновении неисправности. Информация сохраняется в сканирующем приборе для дальнейшей обработки.
  2. В отличие от цепи последовательной передачи данных UART, цепь последовательной передачи данных Class II находится под напряжением только тогда, когда сканирующий прибор запрашивает информацию у контроллера ЭСУД или посылает информацию.
  3. Определить местонахождение и устранить короткие замыкания, которые могли вызвать перегорание предохранителя, если отсутствие напряжения в цепи было связано с перегоранием предохранителя.
  4. Возможно, неисправен сканирующий прибор или его кабели. См. руководство по обслуживанию сканирующего прибора.

Диагностика через колодку диагностики

ШагОперацияЗначенияДаНет
1
Провести проверку бортовой системы диагностики (eobd).
Проверка проведена?
-
Перейти к операции 2
Перейти к разделу Проверка бортовой системы диагностики"
2
Контрольной лампой, подключенной к массе, проверить клемму 16 питания колодки диагностики.
Контрольная лампа горит?
-
Перейти к операции 4
Перейти к операции 3
3
Устранить обрыв цепи или короткое замыкание на массу в цепи питания колодки диагностики.
Закончен ли ремонт?
-
Перейти к операции 4
-
4
Контрольной лампой, подключенной к питанию, проверить клеммы 4 и 5 массы колодки диагностики.
Контрольная лампа горит?
-
Перейти к операции 6
Перейти к операции 5
5
Устранить обрыв цепи.
Закончен ли ремонт?
-
Перейти к операции 6
-
6
  1. Поверните замок зажигание в положение lock.
  2. Подключить сканирующий прибор к колодке диагностики.
  3. Поверните ключ зажигания в положение on.
Сканирующий прибор включается?
-
Перейти к операции 8
Перейти к операции 7
7
Проверить клемму колодки диагностики и сканирующий прибор на неисправности и отремонтировать, если необходимо.
Закончен ли ремонт?
-
Перейти к операции 8
-
8
Используя сканирующий прибор, запросить данные двигателя у контроллера ЭСУД.
Сканирующий прибор выводит на дисплей какие-либо данные?
-
Перейти к операции 12
Перейти к операции 9
9
Установить сканирующий прибор на другой автомобиль и проверить его работоспособность.
Сканирующий прибор работает надлежащим образом на другом автомобиле?
-
Перейти к операции 11
Перейти к операции 10
10
Сканирующий прибор неисправен.
См. руководство по обслуживанию сканирующего прибора.
Закончен ли ремонт?
-
Перейти к операции 12
-
11
Устранить неисправность в цепи связи между контроллером ЭСУД и колодкой диагностики.
Закончен ли ремонт?
-
Перейти к операции 12
-
12
  1. Используя сканирующий прибор, очистить диагностические коды неисправностей.
  2. Попытайтесь запустить двигатель.
Двигатель запускается и продолжает работать?
-
Перейти к операции 13
Перейти к операции 2
13
  1. Дать двигателю поработать на холостом ходу до достижения нормальной рабочей температуры.
  2. Проверьте, не установлены ли какие-либо диагностические коды неисправности?
Отображены ли диагностические коды неисправности, которые не были продиагностированы?
-
Перейти к разделу "Таблица применимых диагностических кодов неисправности"
Система в норме

Проверка баланса форсунок

Тестер топливной форсунки включается на определенное время для подачи отмеренного количества топлива во впускной коллектор. Это вызывает падение давления в топливной рампе, которое может быть записано и использовано для сравнения с каждой топливной форсункой. Все топливные форсунки должны показывать одинаковое падение давления.

Пример проверки баланса форсунок

Цилиндр
1
2
3
4
Первое значение
296 кПа
(43 фунта/кв. дюйм)
296 кПа
(43 фунта/кв. дюйм)
296 кПа
(43 фунта/кв. дюйм)
296 кПа
(43 фунта/кв. дюйм)
Второе значение
131 кПа
(19 фунтов/кв. дюйм)
117 кПа
(17 фунтов/кв. дюйм)
124 кПа
(18 фунтов/кв. дюйм)
145 кПа
(21 фунт/кв. дюйм)
Падение
165 кПа
(24 фунта/кв. дюйм)
179 кПа
(26 фунтов/кв. дюйм)
172 кПа
(25 фунтов/кв. дюйм)
151 кПа
(22 фунта/кв. дюйм)
Средний диапазон: 156~176 кПа (22,5~25.5 фунта/кв. дюйм)
Форсунка в норме
Неисправная форсунка - слишком большое падение давления
Форсунка в норме
Неисправная форсунка - слишком малое падение давления

Внимание! Топливная система находится под давлением. Перед отсоединением топливопроводов во избежание пролива топлива и ожогов следует сбросить давление в системе подачи топлива.

Внимание! Не зажимать и не перегибать нейлоновые топливопроводы. Дефекты топливопроводов могут привести к утечке топлива, а вместе с ней к пожару и травмам.

Примечание: Чтобы не допустить заливания двигателя, не проводить проверку баланса форсунок больше, чем один раз (включая повторную проверку неисправных топливных форсунок) на остановленном двигателе.

Проверка

  1. Включить зажигание, чтобы поднять давление топлива до максимального уровня.
  2. Дать давлению топлива стабилизироваться и записать это значение начального давления. Подождать, пока не прекратиться движение иглы манометра.
  3. Следовать указаниям производителя по использованию жгута проводов адаптера. Включить тестер топливной форсунки один раз и записать падение давления топлива в самой нижней точке. Записать это второе значение. Вычесть его из первого значения для определения падения давления топлива.
  4. Отсоединить тестер топливного насос от топливной форсунки.
  5. После включения зажигания, чтобы еще раз получить максимальное давление топлива, подключить тестер к следующей топливной форсунке. Включить тестер топливной форсунки и записать значение давления топлива. Повторить эту процедуру на всех форсунках.
  6. Еще раз проверить топливные форсунки, падение давления на которых превышает 10 кПa (1,5 psi) среднее значение падения давления.
  7. Заменить топливные форсунки, не прошедшие проверку.
  8. Если падение давления всех топливных форсунок в пределах 10 кПa (1,5 psi) среднего значения падения давления, то форсунки работают нормально и замена не требуется.
  9. Заново подключить жгуты проводов топливной форсунки и пройти таблицу диагностики симптомов.
  10. Двигатель должен остыть в течение 10 минут, чтобы избежать искажения значений, связанного с испарением топлива на горячем двигателе.
  11. Осторожно присоединить манометр, чтобы не допустить пролива топлива.
  12. Топливный насос должен работать в течение примерно 2 секунд после включения зажигания.
  13. Прозрачную трубку, установленную на вентиляционный клапан манометра, положить в подходящий контейнер.
  14. Полностью стравить воздух из манометра и шлангов.
  15. Зажигание должно быть выключено не менее 10 секунд для завершения цикла отключения контроллера ЭСУД.


На предыдущую страницуНа следующую страницу
https://vnx.su/ 🛠 Руководства по ремонту и эксплуатации для автомобилей

Поиск по сайту

Остались вопросы или пожелания? Пишите на почту: support@vnx.su

Карта Сайта