РАЗДЕЛ
ПРИНЦИПИАЛЬНЫЕ И МОНТАЖНЫЕ СХЕМЫ
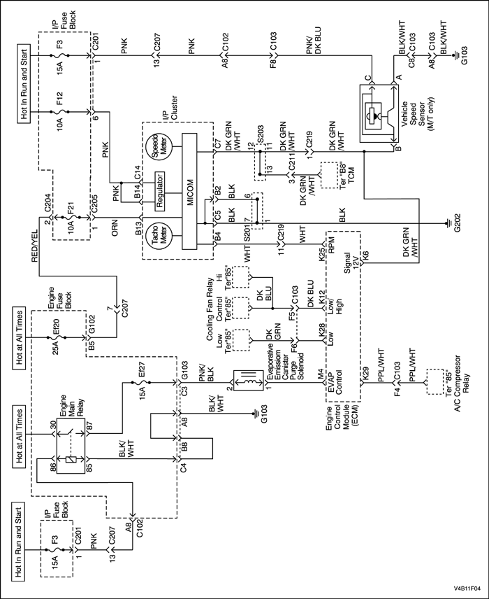
Электрическая схема контроллера системы управления двигателем (2,0 Два распределительных вала с верхним расположением - 1 ИЗ 6)
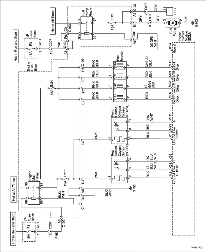
Электрическая схема контроллера системы управления двигателем (2,0 - 2 ИЗ 6)
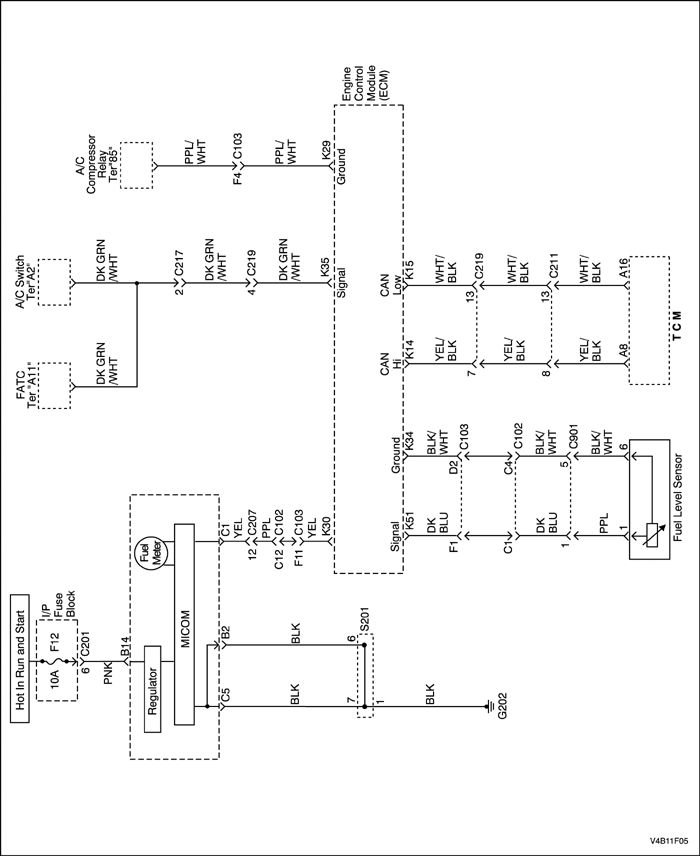
Электрическая схема контроллера системы управления двигателем (2,0 - 3 ИЗ 6)
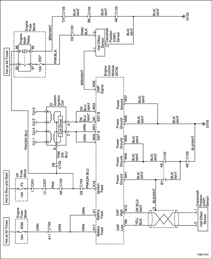
Электрическая схема контроллера системы управления двигателем (2,0 - 4 ИЗ 6)
Электрическая схема контроллера системы управления двигателем (2,0 - 5 ИЗ 6)
Электрическая схема контроллера системы управления двигателем (2,0 - 6 ИЗ 6)
Колодка (вид со стороны разъема)








































РАСПОЛОЖЕНИЕ КОМПОНЕНТОВ
РАСПОЛОЖЕНИЕ КОМПОНЕНТОВ


Компоненты на жгуте проводов контроллера ЭСУД
- Контроллер электронной системы управления двигателем (ЭСУД)
- Колодка диагностики
- Контрольная лампа индикации неисправности
- Масса жгута проводов ЭСУД/АБС
- Блок предохранителей (2)
Устройства, управляемые ЭСУД
- Клапан рециркуляции отработавших газов (EGR)
- Топливная форсунка (4)
- Клапан регулятора холостого хода (РХХ)
- Реле топливного насоса
- Реле высоких оборотов вентилятора системы охлаждения
- Реле управления вентилятора системы охлаждения (только с кондиционером)
- Катушка электронной системы зажигания
- Клапан продувки адсорбера СУПБ
- Главное реле
- Реле компрессора кондиционера
- Реле низких оборотов вентилятора системы охлаждения
Информационные датчики
- Датчик абсолютного давления в коллекторе (МАР)
- Управляющий датчик кислорода (HO2S1)
- Датчик положения дроссельной заслонки (TP)
- Датчик температуры охлаждающей жидкости (ЕТС)
- Датчик температуры впускного воздуха (IAT)
- Датчик скорости автомобиля (VSS)
- Датчик положения коленчатого вала (CKP)
- Датчик детонации
- Диагностический датчик кислорода (HO2S2)
- Датчик положения распределительного вала (СМР)
Подключен не контроллер ЭСУД
- Адсорбер СУПБ (под автомобилем, за правым задним колесом)
- Датчик давления моторного масла
- Воздухоочиститель